
TUNGSTEN SMART-HEAT™
ELECTRIC WIRELESS DIMMER CONTROLLER
BY BROMIC
USER MANUAL

Version 1.0
Doc. T744.01_EN (TEMP) TVHET916A07BK
IMPORTANT
READ THIS MANUAL CAREFULLY.
SEE INSIDE COVER FOR IMPORTANT INFORMATION ABOUT THIS MANUAL.
KEEP INSTRUCTION WITH APPLIANCE FOR FUTURE REFERENCE.
Tungsten Smart-Heat Electric Wireless Dimmer Controller
IMPORTANT
This manual contains important information about the installation, and operation of Tungsten Electric controller. Please pay close attention to the important safety information shown throughout this instruction manual. Any safety information will be accompanied by the following safety alert symbols:
DANGER,
WARNING,
IMPORTANT
- READ THIS MANUAL CAREFULLY before installing or servicing this product.
- Improper installation or operation can result in death, severe injury, or property damage.
- Use this controller only as described in this manual. Any other use not recommended by the manufacturer may cause fire, electric shock, or injury to persons
- This controller is intended for fixed installation with 110 – 277 volt power supply.
- Installation MUST be carried out by a licensed and authorised technician in accordance with local electrical codes.
- For Commercial Use Only
NOTE: IMPORTANT INSTRUCTIONS, SAVE THESE INSTRUCTIONS
WARNING
- The radio signal reception of the device can be affected by the presence of electrical disturbances being transmitted by other appliances working on the same frequency or if the product is shielded by metal parts.
- Do not use the remote in places where systems are sensitive to radio emissions.
- Do not keep or use the remote in places that are damp, where there is steam, high air humidity, dust or where it is exposed to direct sunlight or similar environmental conditions.
- Do not drop the remote. This could damage or reduce the range of action of the remote.
- Do not use your nails to press remote buttons.
- Keep remote batteries out of reach of children.
- Call a doctor immediately if a battery is swallowed.
- See remote instruction manual for more details on the included remote.

BROMIC HEATING
Head Office: 10 Phiney Place, Ingleburn, NSW, 2565, Australia
Telephone: +61 2 9426 5222 Fax: +61 1300 735 115
Email: [email protected] Web: www.bromicheating.com
Note: Bromic Heating reserves the right to make changes to specifications, parts, components and equipment without prior notification. This Installation, operation and service manual may not be reproduced in any form with prior written consent from Bromic Heating. Manufactured by Teleco Automation s.r.l. – Italy – www.telecoautomation.com
IMPORTANT NOTES AND WARNINGS
WARNING
- Read all instructions before installing or using this heater
- Use this controller only as described in this manual. Any other use not recommended by the manufacturer may cause fire, electric shock, or injury to persons.
- Improper installation, adjustment, or alteration and failure to follow the warnings and instructions in this manual could result in severe personal injury, death or property damage.
- The manufacturer is not responsible for any damage that could happen from improper use. The manufacturer emphasises that this controller should be used in a responsible manner and that all procedures, warnings, and safety instructions contained in this booklet be followed strictly.
- The product must be fixed on surfaces which cannot be damaged by the high temperature. It must be placed in a well ventilated location. It cannot be hermetically closed. It must be fixed vertically, with cable glands downward.
- The connection cables must be protected against any accidental impacts, using proper pipes.
- This controller is not intended for use in bathrooms, laundry areas and similar indoor locations. Never locate controller where it may fall into a bathtub or other water container.
- Do not install the controller directly near a bathtub, shower or swimming pool. Any switches or controls must not be within reach of a person in the bathtub, shower or swimming pool.
- Extreme caution is necessary when any controller is used by or near children or invalids and whenever the controller or heater is left operating and unattended.
- This controller is not intended for use by persons (including children) with reduced physical, sensory or mental capabilities, or lack of experience and knowledge, unless they have been given supervision or instruction concerning use of the appliance by a person responsible for their safety.
- Keep packaging materials out of reach of children
- Children and adults should be alerted to the hazards of electrocution and should stay away to avoid serious personal injury
- Children should be carefully supervised when they are in the area of the controller.
- Do not attempt to alter the controller in any manner.
- Do not paint any surface of the controller.
- Do not touch the controller with wet hands at any time.
- Do not use or store flammable materials near this appliance.
- Do not spray aerosols or flammable materials in the vicinity of the controller while it is in operation
- Never operate the controller in an explosive environment such as areas where petrol or other flammable liquids or vapours are stored.
INSTALLATION
- IMPORTANT – Installation must be carried out by a licensed and authorised person.
- The installer is to ensure that the requirements of the local authority, local electrical installation code, municipal building codes, and any other relevant statutory regulations are carried out.
- After unpacking, make sure the controller shows no signs of visible damage or tampering. If the controller appears damaged, contact the place of purchase for assistance.
- Remove transit protection before use.
- This appliance must only be used on a 110 – 277 Volt AC Single Phase electricity supply.
- This controller is NOT intended to be installed on recreational vehicles and/or boats.
- Do not run cord under carpeting. Do not cover with throw rugs, runners or the like arrange cord away from traffic area and where it will not be tripped over
- A controller has hot and arcing or sparking parts inside. Do not use it in areas where gasoline, paint or flammable liquids are used or stored.
- This Installation and Operation manual should not be removed from the site of installation. Installer should leave manual with the customer for future reference.
- Any guard or other protective device removed for servicing (conducted by an authorised person) must be replaced before operating the controller.
- If the controller has not been used, or will not be used, for a long period of time, disconnect power supply
- For the disconnection from the power line, use an all-pole switch with contacts having a dimension of at least 3,5mm.
MAINTENANCE/ REPAIR
- Installation and repair must be carried out by a qualified & licenced service person only. The controller should be inspected before use and at least annually serviced & inspected by a qualified & licenced service person.
- Do not perform maintenance until controller has been turned off and power disconnected.
- Check for damage to the controller regularly. If damage to the appliance is suspected, discontinue use immediately and contact the supplier or qualified person to repair.
- If the supply cord is damaged, it must be replaced by an authorised and licenced person in order to avoid a hazard.
- At the end of this product’s useful life, it must not be disposed of as domestic waste, but must be taken to a collection centre for waste electrical and electronic equipment. It is the user’s responsibility to dispose of this appliance through the appropriate channels at the end of its useful life. Failure to do so may incur the penalties established by laws governing waste disposal. Proper differential collection and the subsequent recycling, processing and environmentally compatible disposal of waste equipment avoids unnecessary damage to the environment and possible related health risks, and also promotes recycling of the materials used in the appliance. For further information on waste collection and disposal, contact your local waste disposal service, or the place of purchase
ELECTRICAL CONNECTIONS
- All connections must be rated for a single-phase 110 – 277VAC power supply, with an earth connection.
- Arrange all the necessary safety devices and use only materials that comply with standard electrical installations.
- Signal and power voltage wiring (110 – 277Vac) must be separated one from the other.
- The protective device (ln = 32A) must protect the building from overcurrents and short circuit
- A readily accesible disconnect device shall be incorporated in the building installation wiring.
- The cable must have a section properly rated according to the load connected and nominal temperature range up to 90°C.
PRODUCT OVERVIEW
1 DESCRIPTION
The Wireless Dimmer is suitable for resistive and infrared heaters. The controller allows the power output of the heater to be dimmed down for maximum comfort. The control can be used with 110 – 277VAC supply voltages.
1.1 FEATURES
Controls ONE 6800W heater at 277/240VAC (3080W at 110VAC) or Controls TWO 3400W heaters at 277/240 VAC (1540W at 110VAC).
Wireless control with dimming 0% – 100%.
Wired control capabilities
Configurable soft-start function for increased heater life.
1.2 KIT CONTENTS
Wireless dimmer enclosed in a protective box.
7-channel remote
2. INSTALLATION / SAFETY INFORMATION
Responsibility for determining suitability for use in any application / equipment lies solely on the purchaser. Suitability for use in your application is determined by applicable standards such as UL, cUL and CE and the completed system involving this component should be tested to those standards. Please consult with Local authorities and applicable wiring standards for your application.
WARNING: Operate the Wireless control only when the connected heater is visible to the user.
WARNING: Isolate mains before installing. Use only on with a properly secured heater.
PLUG AND SUPPLY CORD: Use an appropriately rated plug and supply cord – check the power requirements of the connected loads. Socket outlet used must be near the equipment.
2.1 INSTALLATION
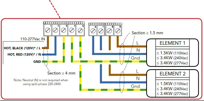
Study the WIRING DIAGRAM at the end of this document before starting installation.
- Open cover to the box.
- Setup the DIP switch settings. Use the ‘DIP SWITCH FUNCTION’ section for guideline.
- Wire in power and heater as per the wiring diagram.
- Power on the wireless control.
- Program the wireless control as per ‘OPERATION’ section.
- Refit cover to the box.
2.2 OPERATION
DIP switch function

When Infrared Heater is selected and a command is received, the device activates the load with a “soft start”, for extending the lifetime of the heater.
WARNING: FIRE HAZARD!! Even quality electronic components CAN FAIL, KEEPING FULL POWER ON! Provide a SEPARATE (redundant) protective device where advisable and or required by local codes.
WARNING: HIGH VOLTAGE!! This controller is used to control HIGH VOLTAGES and must be installed in a GROUNDED enclosure by a qualified electrician in accordance with applicable local and national codes including NEC and other applicable codes.
OPERATION
Programming of 7-channel remote
- Press P1 once and hold down. A continuous beep will sound.
- While holding the P1 button (during the continuous beep), press a push button on the 7-channel remote that is going to be programmed. The programming is confirmed by an intermittent sound.
All buttons are automatically memorised with a preset configuration as in the drawing.
Copying a function of remote to a new remote. See remote manual for detail on P3 button.
- Press the P3 button inside the already programmed remote. The active receiver will sound continuously.
- Within 5 seconds, press a button of the already programmed remote. The sound will be interrupted, and continue for another 5 seconds.
- During the sound, press a button of the new remote that requires to be programmed. The programming is indicated by an intermittent sound.
Attention: when a 7 channel transmitter is copied, also its levels will be copied into the new one.
Deleting a remote
- Press the P2 button once and hold it down. There will be a slow and intermittent sound.
- During the sound, press the button of the remote that will be deleted. The deletion is indicted by a continuous sound.

Deleting all remote
- Press the P2 button two times and hold it down the second time until there will be a continuous sound after a quick and intermittent sound.
- Hearing the sound sequence above indicates that the whole memory of the receiver is deleted.

Deleting a remote from a remote. See remote manual for detail on P3 button.
- Press the P3 button inside the remote. There will be slow and intermittent sound.
- During the sound, press the button of the remote that will be deleted. The deletion is indicted by a continuous sound.

TECHNICAL SPECIFICATIONS
WIRELESS CONTROLLER
| Power Supply | 110/277VAC 50/60Hz (29A. max) |
| Max Output Power | 6800W @ 277VAC (25A.) 6800W @ 240VAC (28,5A.) 3080W @l1OVAC (28A.) |
| Fuse Protection | 32A (FWC high speed,10 x 38mm) |
| Reception Frequency | 916MHz (AUS/US) 868.3MHz (EU) |
| Operating Temperature Range | -20/+30°C |
| Maximum Remote Memorised | 42 |
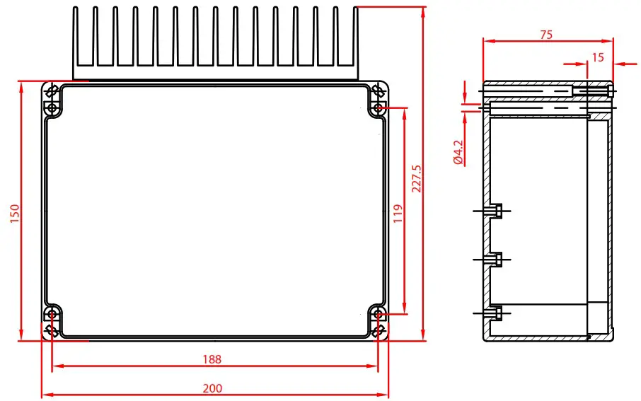
| Dimensions | 195 x 200 x 75mm |
| Protection Class | IP54 |

Manufactured by Teleco Automation s.r.l. – Italy – www.telecoautomation.com
The manufacturer reserves the right to modify design features and technical data without notice.
WIRING DIAGRAM


| 1 | POWER SUPPLY (LIVE) |
| 2 | POWER SUPPLY (NEUTRAL) |
| 3 | POWER SUPPLY (GROUND) |
| 4 | GROUND (OUTPUT ELEMENT 1) |
| 5 | GROUND (OUTPUT ELEMENT 2) |
| 6 | OUTPUT ELEMENT 1 (NEUTRAL) |
| 7 | OUTPUT ELEMENT 2 (NEUTRAL) |
| 8 | OUTPUT ELEMENT 2 (LIVE) |
| 9 | OUTPUT ELEMENT 1 (LIVE) |
| M5-T1 | PUSHBUTTON INPUT (N.0.) |
| M5-T2 | PIR INPUT (N.0.) |
| M5-COM | INPUTS COMMON |
| NTC | TEMPERATURE PROBE INPUT |
| M4-LED+ | LED INDICATOR OUTPUT (+) |
| M4-LED- | LED INDICATOR OUTPUT (-) |
| M4-T4 | PUSHBUTTON INPUT (N.O.) |
| L1, L2 | INPUT LED |
| L3 | RADIO RECEIVER LED |
| LED ERROR | ON = OVERLOAD |
| FLASHING = OVERHEATING | |
| LED BAR | OUTPUT LEVEL |
| TR1 | TEMPERATURE ADJUSTMENT |
| P1-P3 | PROGRAMMING BUTTONS |
| – S + | EXTERNAL LEVEL VISUALIZER |
All buttons are automatically memorised with a preset configuration as in the drawing.












![Bromic Tungsten Smart-heat Electric Heater User Manual [tungsten 2000w, Tungsten 3000w, Tungsten 4000w, Tungsten 6000w] Bromic Tungsten Smart-heat Electric Heater User Manual [tungsten 2000w, Tungsten 3000w, Tungsten 4000w, Tungsten 6000w]](https://static-data1.manualsee.com/1/img/268/72532/2021/02/Bromic-Tungsten-Smart-Heat-Electric-Heater-User-Manual-TUNGSTEN-2000W-TUNGSTEN-3000W-TUNGSTEN-4000W-TUNGSTEN-6000W.jpg)







