GOODWAY GVC-1502 Professional Steam Cleaner Instruction Manual
WARNING
IMPORTANT SAFETY INSTRUCTIONS
Read all instructions before using this pressure washer.
- Warning: Read and understand all instructions before using.
- Keep this manual with the unit at all times.
- Do not operate without eye protection or other necessary protective gear.
- Consult SDS on all products used with this machine.
- Consult Goodway or chemical manufacturer about mixing or using unspecified chemicals with this unit.
- Keep work area clean and well lit.
- Service must be performed by qualified personnel.
- Unplug the power cord when servicing the unit or leaving the unit unattended.
- Turn off all controls before unplugging the power cord.
- When unplugging the power cord, grasp the plug-not the cord.
- Do not use the machine if it has a damaged cord or plug.
- If the machine does not operate properly or has been damaged or exposed to water, return it to factory for service.
- Do not handle the base unit or plug with wet hands.
- Do not use unit with combustible fluids or where combustible fluids or fumes may be present.
- Be extra careful when not on level, secure ground.
- Do not use unit with children or visitors in the immediate area.
- Do not operate unit when fatigued or under the influence of alcohol or drugs.
- Keep operation area clear of all persons.
- Do not over reach or stand on unstable support.
- Keep good footing and balance at all times.
- Replace any damaged, missing or worn safety labels.
SAFETY FEATURES
- Boiler pressure safety valve.
- Pressure gauge.
- Boiler thermostat.
- Auto thermostat cut out.
USAGE – This appliance must only be used for its designated purpose: a steam generator with cleaning accessories. The manufacturer will not be held liable for anydamages arising from the improper, incorrect or unreasonable use of this appliance.
POWER SUPPLY – Before connecting the appliance, check that the data on the voltage rating plate are the same as the electrical supply. The rating plate is found at the rear of the steam cleaner. THIS APPLIANCE MUST BE GROUNDED. Use of a ground fault circuit interrupter (GFCI) for additional safety is strongly recommended.
The following rules must be observed when using this appliance:
- Never use the appliance barefooted, or in wet ambient conditions.
- Never use power supply extension cords without appropriate safety marks (CE, UL, IMQ-VDE, BS, etc.).
- Always check daily before use that the power supply cord, plug and sockets (including any extension cords) are in good condition; check for visible signs of damage and do not use if damaged or faulty.
- Never pull at the power supply cord, and never allow it to rub against sharp edges, or get caught between doors or drawers; protect the cord from heat, stress and moisture, and route away from paths/work areas.
- Never allow children or inexperienced, untrained, or unauthorized people access to this appliance.
- Never leave the GVC-1502 unguarded when switched on.
- Never leave it unprotected from adverse weather conditions (rain, ice, etc.).
- Never allow any part if this appliance to be immersed in liquid.
- Always ensure the GVC-1502 is kept upright, even when not switched on.
Use only authorized parts, components and accessories with this appliance. For instance, should the power supply cord become damaged, it must be replaced only with the correct cord, obtainable (as with all components, parts and accessories) from Goodway Technologies Corp.
Always unplug at the power supply;
- Before emptying the boiler.
- Before cleaning or servicing the appliance.
- Before parts are exchanged or removed.
The steam temperature can reach 320°F (160 °C) at the outlet, so never point the steam in your direction, at other people or animals, as this presents a real danger of scalding
- In the event of breakdown or malfunction, switch off the GVC-1502 and contact Goodway Technologies Corp. Customer Service Department.
- Electrical appliances and fittings (TV, radio, lights, etc,) should never be cleaned with steam, even when not connected to a power supply. Exercise extreme caution when cleaning fixed electrical plant equipment; if in any doubt contact the relevant suppliers.
- Do not put any detergent or other chemical substances (especially perfumed) in the water canister, as noxious gases can arise due to the high temperature.
- Both main ‘on/off’ and pistol-grip switch must be off (‘OFF’) when connecting steam hose to the GVC-1502.
- Ensure that the accessories are securely connected into the pistol-grip, by pulling both parts against each other to ensure a tight fit.
- Exercise care when accessing internal components. For instance, steamassociated components (e.g. drain screw) get very hot during operation and cools down very slowly after use.
- Do not use on or near heat sensitive materials; this may damage such materials!!
- If you are unsure whether the material you want to clean is suitable for dry vapor steam cleaning, check first with a trial application on a small unobtrusive piece of the same material.
- Do not use the small round metal brush on scratch-sensitive materials.
- Exercise utmost care when cleaning windows or glass surfaces in low temperatures; warm the surfaces with steam beforehand to reduce thepossibility of damage and injury.
- The GVC-1502 must never be immersed in water. Failure to comply with this warning will ENDANGER LIFE.
- Always store the GVC-1502 in a safe, dry and frost-free place. Frozen components can fail. Exercise care when storing directly after use as residual heat remains for some time.
- For the GVC-1502 to work efficiently the ambient temperature should be between 50°F (10°C) and 104°F (40°C) with humidity lower than 90%.
NOTE: Deionized and distilled water should never be used in the GVC-1502.
POWER CONNECTIONS
The GVC-1502 is supplied with 13 feet (4 m) of cable and has a 15A three pin plug.
Ensure voltage between machine and supply match.
ELECTRICAL SAFETY
Grounded tools must be plugged into an outlet properly installed and grounded in accordance with all codes and ordinances. Never remove the grounding prong or modify the plug in any way. Do not use any adapter plugs. Check with a qualified electrician if you are in doubt as to whether the outlet is properly grounded. If the tools should electrically malfunction or break down, grounding provides a low resistance path to carry electricity away from the user.
UNIT OVERVIEW

SPECIFICATION
| Description | GVC-1502 | GVC-1502A |
| Stainless steel boiler capacity (continuous filling) | 0.6 gallon (2,3 liters) | 0.6 gallon (2,3 liters) |
| Water tank capacity | 1.3 gallons (5 liters) | 1.3 gallons (5 liters) |
| Heating time | 5 minutes | 5 minutes |
| Pressure in use (kinetic energy) | 90 psi (6 bar) | 90 psi (6 bar) |
| Maximum temperature | 320°F (160°C) | 320°F (160°C) |
| Maximum power | 1500 W | 1500 W |
| Power requirement | 115V 50/60 Hz | 230V 50/60 Hz |
| Steam production | 8 lbs/hour(3,6 kg/hour) | 8 lbs/hour(3,6 kg/hour) |
OPERATING INSTRUCTIONS
- Lift the protective cover and plug the steam hose into the steam hose connecting socket. When the plug is located correctly it will click into place.
- Unscrew the filler cap and carefully fill the tank with water.
DO NOT ADD ANY KIND OF CLEANING CHEMICAL TO THE WATER TANK. - Plug unit into appropriate supply.
- Turn main switch ON to start the machine. The ON/OFF indicator light will illuminate.
- The green light flashing indicate that boiler is being filled with water. Wait until the pump stops filling the boiler (ready light goes on.).
- Switch ON the boiler at the ON/OFF switch. After approximately 5 minutes from cold fill, the machine reaches 90 ± 5 psi (6 bar) steam pressure and a temperature of 320°F (160°C) inside the boiler.
- The green indicator light will illuminate when the machine is ready.
- Choose the accessory that you wish to use. Connect it to the pistol grip by clicking into place. Before you start cleaning, direct the nozzle into a suitable receptacle and depress the trigger on the handle to blow out residual condensation from the steam hose.
- Now direct the steam jet onto the surface you wish to clean and depress the trigger.
CONTINUED OPERATING INSTRUCTIONS - As water in the boiler is used, it is automatically replenished from the water tank until the tank is empty.
- The red indicator light and an acoustic signal will alert you that the water tank is empty.
YOU MUST STOP USING THE MACHINE AT THIS POINT AND REFILL THE WATER TANK.
ATTENTION: Failure to refill the machine in time will activate the security system cut out and the appliance will require the attention of the Goodway Technologies Service Department.
CHEMICAL INJECTION
The GVC-1502 has the facility to add detergent to the dry steam as it is released from the cleaning head. The GVC-1502 is supplied with two chemical bottles located on top of the machine housing. This allows for increased capacity of a single chemical or for the use of two different chemicals. To switch from one chemical bottle to the other; disconnect hoses from back of the machine and switch them out.
When using chemical injection, please ensure that the following instructions are followed:
- Use a suitable detergent (GVC-500)
DANGER Chemical must be deemed safe for steam/vapor application. - Fill detergent tank with 5 liters of detergent.
- To operate chemical pump press the chemical switch on the pistol grip.
NOTE: USE IN SHORT BURSTS - After finishing with chemical, operate steam only for 30 seconds to flush the chemical from the lines.
ATTENTION: Failure to refill the machine in time will activate the security system cut out and the appliance will require the attention of the Goodway Technologies Service Department.
REFILLING THE WATER TANK
Refill with water when red indicator light come on, close the filler cap.
ACCESSORY KIT
| Description | QTY | |
| 93708′ (2,4 m) Steam Hose | ![]() | 1 |
| 93712 pieces 19″ (48,2 cm) Extensions Wand | 2 | |
| 93726.5″ (16,5 cm)Curve Lance | 1 | |
| 9373Cover for Floor Tool | ![]() | 1 |
| 937411″ (28 cm) Floor Brush Complete | ![]() | 1 |
| 93755″ (12,7 cm)Triangular Brush | ![]() | 1 |
| 93769.5″ (24 cm)Squeegee Tool | ![]() | 1 |
| 93772 3/8″ (5 cm) Round Nylon Brush | ![]() | 1 |
| 93781″ (2.5 cm) Round Copper Brush | ![]() | 3 |
| 93791″ (2.5 cm) Round Nylon Brush | ![]() | 3 |
| 93811″ (2.5 cm) Round Stainless Steel Brush | ![]() | 3 |
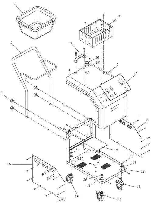
HARDWARE PARTS DIAGRAM

HARDWARE PARTS LIST
| Ref # | Part # (120V &230V Unit) | Description |
| 1 | 93-S02157 | Grey Basket |
| 2 | 93-S02158 | Handle |
| 3 | 93-S02159 | Handle Screw |
| 4 | 93-S02160 | Cover Handle |
| 5 | 93-S02161 | Basket |
| 6 | 93-S02162 | Cap |
| 7 | 93-S02163 | Label |
| 8 | 93-S02164 | Left Panel |
| 9 | 93-S02165 | Holder for Tank |
| 10 | 93-S02166 | Nut |
| 11 | 93-S02324 | Washer |
| 12 | 93-S02168 | Base |
| 13 | 93-S02169 | Wheel with Brake |
| 14 | 93-S02325 | Wheel without Brake |
| 15 | 93-S02176 | Right Panel |
| 16 | 93-S02326 | Silicon Seal |
| 17 | 93-S02178 | Mousse |
WIRING PARTS DIAGRAM

WIRING PARTS LIST
| Ref# | Part# (120V Unit) | Part# (230V Unit) | Description |
| 1 | 93-S02640 | 93-S02327 | Wiring |
| 2 | 93-S02180 | Power Switch | |
| 3 | 93-S02181 | Boiler Switch (Black) | |
| 4 | 93-S02360 | 93-S02182 | Yellow light with Nut |
| 5 | 93-S02361 | 93-S02183 | Red light with Nut |
| 6 | 93-S02362 | 93-S02184 | Green light with Nut |
| 7 | N/A | 93-S02185 | Spacer |
| 8 | N/A | 93-S02186 | Electronic Card |
| 9 | N/A | 93-S02187 | Locking Nut |
| 10 | 93-S02188 | Plastic Support | |
| 11 | 93-S02189 | Box | |
| 12 | 93-S02642 | 93-S02190 | Electronic Board |
| 13 | 93-S02191 | Strain Reliever | |
| 14 | 93-S02364 | 93-S02192 | Power Supply Cable |
| 15 | 93-S02194 | Label | |
BOILER PARTS DIAGRAM

BOILER PARTS LIST
| Ref# | Part# (120V Unit) | Part# (230V Unit) | Description |
| 1 | 93-Q05751093 | 93-S02328 | Pressure Gauge |
| 2 | 93-S02196 | Knob | |
| 3 | 93-S02197 | Washer | |
| 4 | 93-S02198 | Rubber Washer | |
| 5 | 93-S02199 | Tap | |
| 6 | 93-S02200 | Hose fitting | |
| 7 | 93-S02201 | Clamp | |
| 8 | 93-S02202 | Air Valve | |
| 9 | 93-S02203 | Housing | |
| 10 | 93-S02204 | Hose | |
| 11 | 93-S02205 | Fitting | |
| 12 | 93-S02206 | Fitting | |
| 13 | 93-S02207 | Socket | |
| 14 | 93-S02208 | Fitting | |
| 15 | 93-S02209 | Plate for ILME Socket | |
| 16 | 93-S02210 | Nut | |
| 17 | 93-S20211 | Fitting | |
| 18 | 93-S02212 | Complete Feeder | |
| 20 | 93-S02242 | Tube | |
| 21 | 93-S02366 | 93-S02329 | Boiler |
| 22 | 93-S02330 | Washer | |
| 23 | 93-S02331 | Insulation Disc | |
| 24 | 93-S02332 | Thermal Washer Nut | |
| 25 | 93-S02333 | Nut Tightening Boiler | |
| 26 | 93-S02334 | Drain Plug | |
| 27 | 93-S02367 | 93-S02335 | Solenoid Valve |
| 28 | 93-S02336 | Pressure Switch | |
| 29 | 93-S02337 | Ring | |
| 30 | 93-S02338 | Boiler Level Probe | |
| 31 | 93-S02339 | Insulation | |
| 32 | 93-S02340 | Fitting | |
| 33 | 93-S02227 | Air Valve | |
| 34 | 93-S02228 | Fitting | |
| 35 | 93-S02368 | 93-S02341 | Boiler |
| 36 | 93-S02369 | 93-S02342 | Thermostat |
| 37 | 93-S02343 | Bracket | |
| 38 | 93-S02344 | Screw | |
| 39 | 93-S02345 | Bracket | |
| 40 | 93-S02346 | Thermostat | |
| 41 | 93-S02234 | Hose | |
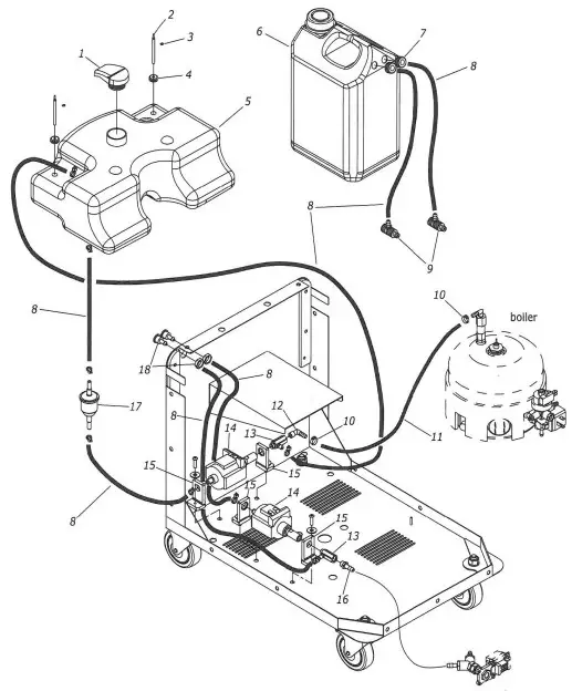
PLUMBING PARTS DIAGRAM

PLUMBING PARTS LIST
| Ref# | Part# (120V Unit | Part# (230V Unit) | Description |
| 1 | 93-S00235 | Cap | |
| 2 | 93-S02236 | Level Probe | |
| 3 | 93-S02237 | E Clip | |
| 4 | 93-S02238 | Bushing | |
| 5 | 93-S02239 | Water Tank | |
| 6 | 93-S02240 | Chemical Tank | |
| 7 | 93-S02241 | Silicon Holder | |
| 8 | 93-S02242 | Silicon Tube | |
| 9 | 93-S02243 | Fitting | |
| 10 | 93-S02201 | Clamp | |
| 11 | 93-S02204 | Silicone Hose | |
| 12 | 93-S02347 | Elbow | |
| 13 | 93-S02247 | Relief Valve | |
| 14 | 93-S02370 | 93-S02248 | Water Pump |
| 15 | 93-S02249 | Bracket | |
| 16 | 93-S02200 | Hose fitting | |
| 17 | 93-S02250 | Water Filter | |
| 18 | 93-S02251 | Socket | |
Provides innovative maintenance solutions for a wide variety of industries including commercial HVAC, food and beverage processing, power generation and manufacturing.
Call Us: +1-203-359-4708
For Sales Call: 1-800-333-7467
For Service Call: 1-800-370-2855
GOODWAY® TECHNOLOGIES CORPORATION
420 West Avenue, Stamford, CT 06902 USA
Tel: 203-359-4708 · Toll-Free Tel: 800-243-7932
Fax: 203-359-9601 · Toll-Free Fax: 800-359-9625
Email: [email protected]
Visit: www.goodway.com


























