
User Manual
SBTL7000 Series
Applicable Models: SBTL7000/7011/7022/7033
Date: March 2021
Doc Version: 1.0
Thank you for choosing our product. Please read the instructions carefully before operation. Follow these instructions to ensure that the product is functioning properly. The images shown in this manual are for illustrative purposes only.
For further details, please visit our Company’s website www.zkteco.com.
Copyright © 2021 ZKTECO CO., LTD. All rights reserved.
Without the prior written consent of ZKTeco, no portion of this manual can be copied or forwarded in any way or form. All parts of this manual belong to ZKTeco and its subsidiaries (hereinafter the “Company” or “ZKTeco”).
Trademark
is a registered trademark of ZKTeco. Other trademarks involved in this manual are owned by their respective owners.
Disclaimer
This manual contains information on the operation and maintenance of the ZKTeco equipment. The copyright in all the documents, drawings, etc. in relation to the ZKTeco supplied equipment vests in and is the property of ZKTeco. The contents hereof should not be used or shared by the receiver with any third party without express written permission of ZKTeco.
The contents of this manual must be read as a whole before starting the operation and maintenance of the supplied equipment. If any of the content(s) of the manual seems unclear or incomplete, please contact ZKTeco before starting the operation and maintenance of the said equipment.
It is an essential pre-requisite for the satisfactory operation and maintenance that the operating and maintenance personnel are fully familiar with the design and that the said personnel have received thorough training in operating and maintaining the machine/unit/equipment. It is further essential for the safe operation of the machine/unit/equipment that personnel has read, understood and followed the safety instructions contained in the manual.
In case of any conflict between terms and conditions of this manual and the contract specifications, drawings, instruction sheets or any other contract-related documents, the contract conditions/documents shall prevail. The contract specific conditions/documents shall apply in priority.
ZKTeco offers no warranty, guarantee or representation regarding the completeness of any information contained in this manual or any of the amendments made thereto. ZKTeco does not extend the warranty of any kind, including, without limitation, any warranty of design, merchantability or fitness for a particular purpose.
ZKTeco does not assume responsibility for any errors or omissions in the information or documents which are referenced by or linked to this manual. The entire risk as to the results and performance obtained from using the information is assumed by the user.
ZKTeco in no event shall be liable to the user or any third party for any incidental, consequential, indirect, special, or exemplary damages, including, without limitation, loss of business, loss of profits, business interruption, loss of business information or any pecuniary loss, arising out of, in connection with, or relating to the use of the information contained in or referenced by this manual, even if ZKTeco has been advised of the possibility of such damages.
This manual and the information contained therein may include technical, other inaccuracies or typographical errors. ZKTeco periodically changes the information herein which will be incorporated into new additions/amendments to the manual. ZKTeco reserves the right to add, delete, amend or modify the information contained in the manual from time to time in the form of circulars, letters, notes, etc. for better operation and safety of the machine/unit/equipment. The said additions or amendments are meant for improvement /better operations of the machine/unit/equipment and such amendments shall not give any right to claim any compensation or damages under any circumstances.
ZKTeco shall in no way be responsible (I) in case the machine/unit/equipment malfunctions due to any non-compliance of the instructions contained in this manual (ii) in case of operation of the machine/unit/equipment beyond the rate limits (iii) in case of operation of the machine and equipment in conditions different from the prescribed conditions of the manual.
The product will be updated from time to time without prior notice. The latest operation procedures and relevant documents are available on http://www.zkteco.com
If there is any issue related to the product, please contact us.
ZKTeco Headquarters
Address ZKTeco Industrial Park, No. 32, Industrial Road, Tangxia Town, Dongguan, China.
Phone +86 769 – 82109991
Fax +86 755 – 89602394
For business-related queries, please write to us at: [email protected].
To know more about our global branches, visit www.zkteco.com.
About the Company
ZKTeco is one of the world’s largest manufacturer of RFID and Biometric (Fingerprint, Facial, Finger-vein) readers. Product offerings include Access Control readers and panels, Near & Far-range Facial Recognition Cameras, Elevator/floor access controllers, Turnstiles, License Plate Recognition (LPR) gate controllers and Consumer products including battery-operated fingerprint and face-reader Door Locks. Our security solutions are multi-lingual and localized in over 18 different languages. At the ZKTeco state-of-the-art 700,000 square foot ISO9001-certified manufacturing facility, we control manufacturing, product design, component assembly, and logistics/shipping, all under one roof.
The founders of ZKTeco have been determined for independent research and development of biometric verification procedures and the productization of biometric verification SDK, which was initially widely applied in PC security and identity authentication fields. With the continuous enhancement of the development and plenty of market applications, the team has gradually constructed an identity authentication ecosystem and smart security ecosystem, which are based on biometric verification techniques. With years of experience in the industrialization of biometric verifications, ZKTeco was officially established in 2007 and now has been one of the globally leading enterprises in the biometric verification industry owning various patents and being selected as the National High-tech Enterprise for 6 consecutive years. Its products are protected by intellectual property rights.
About the Manual
This manual introduces the operations of SBTL7000 Series product.
All figures displayed are for illustration purposes only. Figures in this manual may not be exactly consistent with the actual products.
Document Conventions
Conventions used in this manual are listed below:
GUI Conventions
| For Device | |
| Convention | Description |
| <> | Button or key names for devices. For example, press<ok> |
| [ ] | Window names, menu items, data table, and field names are inside square brackets. For example, pop up the [New User] window |
| / | Multi-level menus are separated by forwarding slashes. For example, [File/Create/Folder]. |
Symbols
| Convention | Description |
| This implies about the notice or pays attention to, in the manual | |
| The general information which helps in performing the operations faster | |
| The information which is significant | |
| Care taken to avoid danger or mistakes | |
| The statement or event that warns of something or that serves as a cautionary example. |
1 Overview
The ZKTeco SBTL7000 swing barrier turnstile is an elegant cost-effective entrance control system designed for high-traffic volume. SBTL7000 barriers are normally held in a locked position, thus denying access to the secured side. Upon SBTL7000’s reader (RFID) positively recognizing a user’s valid access card, its barriers swing automatically, thus allowing users passage to the secured side.
1.1 Chassis Design and Dimensions
SBTL7000 series is made of cold rolled sheet cabinet with powder coated finishing. Acrylic panel which provides simple and beautiful design with corrosion protection. It provides orderly and civilized passage to the persons and restricts illegal personnel access. In case of emergencies, it ensures that evacuation passage runs smoothly and is convenient for personnel.
SBTL7000’s appearance and dimensions are shown in Figure 1-1.


Figure 1-1
1.2 Mechanical System
The mechanical system of the swing barrier turnstile includes the chassis and the core component. The chassis is a carrier where the Direction indicator, Reader, Infrared sensor, and the Door lock are installed. The core component mainly consists of the Motor, Frame, Bearing, and swing Arm.
1.3 Electronic Control System
The electronic control system of a swing barrier turnstile is mainly composed of the Reader, Turnstile control board, Infrared Sensor, Direction Indicator and Alarm.
Reader: The reader reads the data in the card and sends it to the Access Controller.
Turnstile control board: The Turnstile control board is the system’s control center that receives signals from the reader and the photoelectric switch performs logical calculation and processing of these signals and sends executive commands to the Direction indicator, electric motor and the alarm.
Infrared Sensor: It detects the position of the pedestrian and plays the role of safety protection.
Direction Indicator: This indicator displays the pedestrian passage path and directs them to pass through the lane in a safe and orderly manner.
Alarm: The alarm gives an alarm voice if the system detects any unauthorized entry to the passage.
1.4 Working Principle
- After power on to the device, the system performs Power-On Self-Test.
- When the reader detects a valid card, the buzzer will give a positive audible prompt to the pedestrian, indicating that the card is being read successfully. And then, the reader sends signals to the access controller to request permission to pass through the passage. The access controller will send the signal to the master control panel.
- After receiving the signal from the access controller, the Turnstile control board sends valid control signals to the direction indicator and the electric motor. At last the direction arrow turns green.
- Pedestrians passes through the passage according to the direction indicator signs. Infrared sensors keep on detecting the pedestrian during the whole process, and continue to send signal to the master control board until the pedestrian passes completely through the passage.
- If the pedestrian enters the passage but forgets to verify identification, or if the card held by the pedestrian is invalid, the system will prompt an audible alarm to stop and retreat the pedestrian from the passage. The pedestrian can pass through the passage only after a valid card is read by the card reader.
1.5 System Composition
The single-lane management system is composed of two single-core swing barriers. The multi-lane management system is composed of two single-core barriers and multiple dual-core barriers.
Working modes of the system
To make the product more versatile, this system provides multiple working modes for the user, including Normal working mode, Normally open mode, Normally close mode and Testing mode.
Normal Working Mode: In this working mode, the turnstile works normally.
Normal Open Mode: In this working mode, the turnstile is always open.
Normal Close Mode: In this working mode, the turnstile is always closed.
Testing Mode: In this working mode, the turnstile performs auto-test.
1.6 Technical Specifications
| Feature | Specification |
| Communication | RS485 |
| Input Voltage | AC110V to 240V, 50 Hz to 60Hz |
| Input Control Signal | Switching Signal |
| Output Voltage | DC 24V |
| Time of Gate Opening/Closing | 1 Sec (adjustable) |
| Relative Humidity | 20% to 95% (Non-condensing) |
| Temperature | -20°C to 70°C |
| Throughput Rate | Maximum 30 persons/minute |
| Infrared Sensors | 6~10 Pairs |
| Working Environment | Indoor/Outdoor with customization |
| Dimension(mm) | L = 1081, W = 1200, H =1028 |
2 Installation
2.1 Installation Requirements
1) It is recommended that the swing barrier must be installed on a horizontal solid platform with a height of 50mm to 100mm.
2) It is also recommended that the swing barrier turnstile should not be used in the corrosive environment.
3) Make sure the ground wire of the system is reliably connected to avoid personal injuries or other accidents.
4) After installation, check if the connection is done correctly at the connecting points of the ground wire, at the connector assemblies and wiring points of the circuits, as well as at each movable part of the swing barrier turnstile. Any loose nuts, screws and other fasteners should be tightened in time to avoid any failures caused by long-time operations.
2.2 Installation Position
The installation position of the swing barrier turnstile depends on its size. A distance of 100mm between the swing barrier turnstile and the wall needs to be reserved for ease of opening the top cover of the machine to perform maintenance and adjustment. The reference figure is shown below:

Figure 2-1 SBTL7000 Series Dual-lane
2.3 Cables Installation and Fixing
For the outlets of the concealed cables, please refer the below diagram indicating the mounting holes. The input voltage for this swing barrier turnstile is AC100V-120V/200V-240V and its master and slave are connected by an 5-core cable (signal) and a 2-core cable (power). When installing the swing barrier turnstile, the user only needs to connect it to the corresponding ports. Note that the PVC conduits are laid 100mm under the ground, with the height of the exposed part not exceeding 100mm. In addition, the conduit outlet is bent back to prevent the ingress of water into the conduit.
SBTL7000 series installation holes and cabling positions is shown in Figure 2-2:


Figure 2-2
- Mark the screw hole at the centre of the stand, and the edge of the chassis base on the ground according to the sizes as shown on the Figure 2-2.
- Drill the holes and embed M12 anchor bolts or expansion bolts.
- Place the swing barrier turnstile according to the sizes and positions as shown in the figure before installation and fixing.
- Connect the online cables and perform the power-on test.
- If the test is OK, tighten the screws.
- It is recommended that a warning line be marked on the ground after installing the device, so as to prompt the pedestrian to stand behind the warning line when swiping the card.as shown in Figure 2-3:

Figure 2-3
3.1 Function Introduction
There are 4 keys on the control panel, “MENU”, “MODE”, “ADD” and “DEC”.
MENU: It is used for enter Settings menu and also for confirming the current modified value.
MODE: It is used to go back to the previous menu and discard the current operation.
ADD: It is used for navigating the upper menu item and increasing the value.
DEC: It is used for navigating to the lower menu item and decreasing the value.

1. Display Mode (01EXXX)
- (01E000) Display current position of swing arm
- (01E001) Infrared input signal
- (01E002) Control input signal
- (01E003) Test mode (the digital LED displays “—” in the test mode)
- (01E004) Display version number
2. Passing Mode (02EXXX)
- (02E001) Two-way control (default)
- (02E002) In control, out free
- (02E003) In free, out control
- (02E004) Two-way free
- (02E005) In control, out forbidden
- (02E006) In forbidden, out control
- (02E007) In free, out forbidden
- (02E008) In forbidden, out free
- (02E009) Two-way forbidden
- (02E010) Two-way normally open
Examples are as follows: If you want to set the gate passing mode as In control, out forbidden.
Step 1: Long press “MENU” to enter Settings. Short press the MODE button twice to enter the passing mode (02EXXX).
Step 2: Press “ADD” or “DEC” to adjust the function parameters value (02E005).
Step 3: Long press the “MENU” button to save the parameters after adjustment.
3. Gate Opening Speed (03EXXX)
Set the Gate Opening Speed to open the gate. The larger the number is set, the faster the speed. The Gate Opening Speed value can be set between 5 to 30 and the default value is 23.
4. Gate Opening Deceleration Distance (04EXXX)
The larger the number, the longer the deceleration time and the more stable the swing arm operation. The Gate Opening Deceleration Distance can be set between 0 to 50 and the default value is 20.
5. Gate Opening Compensation Speed (05EXXX)
Running jitter or not running smoothly can be debugged with this. The larger the number is set, the faster of the compensation speed. The Gate Opening compensation Speed value can be set between 0 to 50 and the default value is 9.
6. Gate Closing Speed (06EXXX)
Set the Gate Closing Speed to close the gate. The larger the number is set, the faster the speed. The Gate Closing Speed value can be set between 5 to 30 and the default value is 20.
7. Gate Closing Deceleration Distance (07EXXX)
The larger the number, the longer the deceleration time and the more stable the swing arm operation. The Gate Closing Deceleration Distance value can be set between 0 to 50 and the default value is 20.
8. Gate Closing Compensation Speed (08EXXX)
Running jitter or not running smoothly can be debugged with this. The larger the number is set, the faster of the compensation speed. The Gate Closing compensation Speed value can be set between 0 to 50 and the default value is 9.
9. Host/Slave Setting(09EXXX)
- (09E000) Hose
- (09E001) Slave (default)
10. RS485 Address (10EXXX)
Set the value can be set between 0 to 254 and the default value is 0.
11. Open duration time (11EXXX)
Verify that no one passes after the switch is opened. After arriving at the set time, the switch will shut down automatically. The valid value for Automatic Closing Time can be set between 2 to 60 seconds and the default value is 5s.
12. Gate Closing Delay Time (12EXXX)
Set the delay time of gate closing aften passing. The valid value for Gate Closing Delay Time can be set between 0 to 60 seconds and the default value is 0s.
13. Correct Barrier Position Adjustment (13EXXX)
- (13E001) Zero position
- (13E002) Right position
- (13E003) Left position
- (13E004) Slave position
Adjust the position only when SBTL7000 is installed properly.
When setting the zero position, you can manually push the swing arm for fine-tuning. If the barrier exceeds a certain angle, it will be invalid. (At this time, the digital LED displays 13E000).
14. Gate Opening Memory (14EXXX)
- (14E000) Close (default)
- (14E001) Open
When more than two legal access signals are given at the same time (including the same direction and the opposite direction), the system will remember all pass requests and complete each pass in turn.
15. Authentication in lane (15EXXX)
Allow pedestrian verfication during IR sensor triggered.
- (15E000) Allow (default)
- (15E001) Forbidden
16. Volume Setting (16EXXX)
Adjust the volume of the device. The larger the number is set, the louder the volum. The valid value for Volume Setting can be set between 1 to 100 and the default value is 40.
17. Close Alarm Tone (17EXXX)
- (17E000) Close
- (17E001) Open (default)
18. In/Out Exchange (18EXXX)
- (18E000) Right in, left out (default)
- (18E001) Right out, left in
You can switch the direction of the entrance and exit.
19. Stay Duration Time (19EXXX)
Set the duration of stay in the channel after successful verification. The valid value for Stay Duration Time can be set between 5 to 30 seconds and the default value is 10s.
20. Force Adjustment (20EXXX)
The larger the number, the greater the efficiency of the gate opening and closing force, the valid value for Force Adjustment can be set between 10 to 60 and the default value is 40.
21. Fire Opening Direction (21EXXX)
The different Fire Opening Directions are as follows:-
- (21E000) Right opent (default)
- (21E001) Left open
22. Clutch Start Angle (22EXXX)
Set angle at which clutch starts, the larger the number, the bigger the angle. The valid value for Clutch Start Angle can be set between 0 to 99 and the default value is 0.
23. Clutch Alarm Setting (23EXXX)
- (23E000) Delayed unlock (default)
- (23E001) Authentication to unlock
Disarm the alarm by authentication or other verification way.
24. Restore Factory Setting (24EXXX)
- (24E001) Restore factory setting
25. Anti-pinch Area Setting (25EXXX)
- (25E000) All infrared anti-pinch (default)
- (25E001) First and last pair are not anti-pinch
26. False Direction Entry (26EXXX)
- (26E000) Close
- (26E001) Only alarm (default)
- (26E002) No detect
When the Anti-pinch Area Setting needs to be set to (25E001) only, the False Direction Entry (26E000) is effective.
27. Anti-tailgate Setting (27EXXX)
Set as anti-tailgate to close gate, not close gate or disabled.
- (27E000) Close
- (27E001) Only alarm (default)
- (27E002) No detect
When the Anti-pinch Area Setting needs to be set to (25E001) only, the Anti-tailgate Setting (27E000) is effective.
28. Gate Closing Position (28EXXX)
- (28E000) Last pair (default)
- (28E001) Penultimate pair
When the Anti-pinch Area Setting needs to be set to (25E001) only, the Gate Closing Position (28E001) is effective.
29. Anti-pinch Action Setting (29EXXX)
- (29E000) Stop(default)
- (29E001) Open
- (29E002) Close
30. Voice Exchange (30EXXX)
- (30E000) Voice broadcast
- (30E001) Alarm(default)
31. Motor Installation Direction (31EXXX)
- (31E000) Anastrophe
- (31E001) Upright (default)
32. Swing Arm Type (32EXXX)
- (32E000) Ordinary swing door (default)
- (32E001) Larger swing door
3.3 Error Code
| Error Code | Cause |
| ER0002 | Power-on Self-test failure, Hall limit detection error |
| ER0004 | Run Timeout |
| ER0008 | Clutch Locked |
| ER016 | The code disk detection failed. |
| ER032 | Electric Motor Shaft Lock Protection failure |
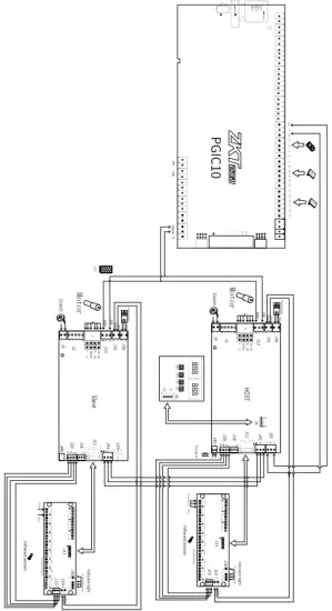
3.4 Wiring Diagram and Function
Check circuit according to the following wiring diagram:

The functions of all the terminals at each zone are as:
1. System Power Input : The voltage is changed by a transformer to 24V and supplied to the master control panel.
2. Firefighting port: It is used during emergencies ensuring users fast exit to safety.
3. Right open (ADD button), left open (DEC button): These buttons control the barrier to open to the left or right side.
4. Access control power supply: It supplies power for the access board.
5. RS485 communication port: It is used for receiving external signals.
6. Electromagnetic clutch: It is connected to the electromagnet inside the core component to prevent collision and crush.
7. Connecting cable of the motor: It is connected to the motor and supplies power to the electric motor.
8. LED light: It is connected to the light belt on the top of the device.
9. IR Sensor: It is connected to the swing arm/barrier to achieve anti-crush function.
4 Maintenance
4.1 Chassis Maintenance
The chassis is made up of cold rolled steel with powder coating. If it is used for substantial period, then there may be rust stains on its surface. Regularly sand the surface with a sandpaper carefully. Coat the surface with anti-rust oil and do not cover the infrared sensor.
4.2 Movement Maintenance
Switch off the power supply before maintenance. Open the door, clean surface dust, and apply lubricant for smooth movement.
4.3 Power Supply Maintenance
- Switch off the power supply before maintenance.
- Check the power plug connection, if found loose, fix it properly.
- Do not change any connection position randomly.
- Check the external power supply insulation periodically.
- Do periodic check for any kind of leakage.
- Check if the technical parameters of interface are normal.
- Check the service life of the electronic components and replace accordingly.
Caution: All of the above mentioned maintenance methods for swing barrier must be carried out by a professional technician, especially the movement and the electric control part. For ensuring operational safety, first switch off the power supply when the barrier is not in use.
5 Troubleshooting
| No. | Failure Description | Cause and Solution |
| 1 | No response from direction indicator or indication is not correct. | Cause: It may be due to if connection of the roof lamp is not correct. Solution: Check whether the connection of the roof lamp is correct or not. |
| 2 | After swiping the card, there exists only swing arm action. | Cause: It may be due to if there exist any problem in the master and slave machine type setting. Solution: Check the master and slave machine type setting and the 5-core, 2-core connection line. |
| 3 | Delay in barrier opening or it doesn’t close. | Cause: It may be due to if the time of the barrier opening is set as too long. Solution: Check whether the time of the opening is too long, or the IR sensor is covered. |
| 4 | Motor doesn’t rotate, the resistance is much, or the bearing is loose. | Cause: It may be due to if the motor ‘s rotation angle is not set properly. Solution: The motor works properly, but the rotated angle is not sufficient, so it may cause loosening of bearing. |
| 5 | When powered ON, the swing doesn’t return to the initial position. | Cause: It may be due to if any obstacle lies in the sensing area. Solution: Ensure that no obstacle is in the sensing area, then restart the equipment. |
ZKTeco Industrial Park, No. 32, Industrial Road,
Tangxia Town, Dongguan, China.
Phone : +86 769 – 82109991
Fax : +86 755 – 89602394
www.zkteco.com
Copyright © 2021 ZKTECO CO., LTD. All Rights Reserved.

















