SIEMENS QFA1001 Room Hygrostat

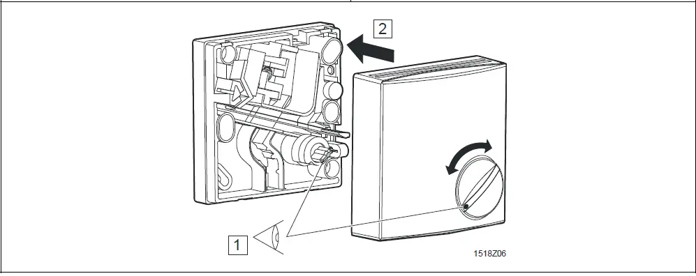
Mounting instructions

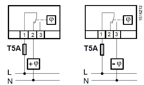
- Humidification
- De-humidification



- De-humidification
2004 – 2011 Siemens Switzerland Ltd
- 01.07.2011
- M1518x1
- Building Technologies





2004 – 2011 Siemens Switzerland Ltd
Download manual
Here you can download full pdf version of manual, it may contain additional safety instructions, warranty information, FCC rules, etc.