Carrier 48FC Single Package Rooftop Gas Heat-Electric Cooling Units

| JOB NAME: | LOCATION: | |
| BUYER: | BUYER PO #: | CARRIER#: |
| UNIT NUMBER: | MODEL NUMBER: | |
| PERFORMANCE DATA CERTIFIED BY: | ||
DESCRIPTION
48FC units are single-packaged electric cooling, gas heating unit that are pre-wired and pre-charged with Puron® (R-410A) HFC refrigerant. The units are factory tested in both heating and cooling modes. Sizes 04-06 models use single-stage cooling capacity control. Size 07 models use two-stage cooling capacity control.
FEATURES
Standard Base Unit
- Puron (R-410A) HFC refrigerant
- 14.0 SEER and 15.2 IEER on 3-phase products and 13.8 SEER2 on single-phase products
- IEER of 15.0
- Meets or exceeds ASHRAE 90.1 energy efficiency levels
- Rated in accordance with AHRI Standards 210/240 for sizes 04 to 06 and 340/360 for size 07
- Designed in accordance with Underwriters Laboratories Std 1995
- Listed by UL and UL-Canada
- Single-stage cooling capacity control on 04 to 06 models, two-stage on 07 models
- Corrosive resistant composite sloping design; side or cen- ter drain condensate pan. Meets ASHRAE Standard 62
- Standard cooling operating range from 40°F up to 115°F (4°C up to 46°C). Field installable accessory extends the minimum down to –20°F (–29°C)
- Field convertible from vertical to horizontal airflow for slab mounting — no special kits required
- Two-inch disposable return air filters
- Thru-the-bottom power and gas entry capability
- Single point gas and electric connections
- 24-volt control circuit protected with resettable circuit breaker
- Direct Drive – EcoBlue™ technology indoor fan system uses vane axial fan design and electronically commutated motor
- Shall have inherent automatic-reset thermal overload protection
- Shall require no fan/motor belts for operation, adjust- ments, and/or initial fan speed setup
- Shall be internally protected from electrical phase reversal and loss
- Shall have slow ramp up to speed control capabilities to help reduce sound and comfort issues
- Shall be a slide-out design with two screw removal
- On 07 size model with two stage cooling capacity control, the indoor fan speed is automatically controlled to meet the code compliant 66% low fan speed and 100% at full fan speed
- Totally enclosed condenser motors with permanently lubri- cated bearings
- Low-pressure and high-pressure switches
- Full perimeter base rail with built-in rigging adapters and fork truck slots
- Centralized terminal board facilitating simple safety circuit troubleshooting and simplified control box arrangement
- New unit control board with intuitive quick fan speed adjustment
Cabinet
- Access panels with easy grip handles
- Innovative, easy starting, no-strip screw feature on unit access panels
- Pre-painted exterior panels and primer-coated interior pan- els tested to 500 hours salt spray protection
- Fully insulated cabinet
- Tool-less filter access door
Refrigerant System
• Acutrol™ refrigerant metering system on 04 to 06 models, TXV on 07 models
• Liquid line filter drier
• Scroll compressors with internal line-break overload protection (one-stage on 04 to 06 models, two-stage on 07 models)
• Copper tube, aluminum fin coils with optional corrosion resistant coils
• Top cover removable gage line plugs for reading refriger- ant pressure with unit panels in place
Gas Heat
- IGC solid-state gas heat exchanger control for on-board diagnostics, anti-cycle protection, LED error code designation, burner control logic and energy saving indoor fan motor delay
- Gas efficiencies up to 81%
- Induced draft combustion
- Redundant gas valve, with 2 stages of heating
- Flame roll-out safety protector
- Solid-state electronic direct spark ignition system
- Dedicated 3 to 5 ton “low NOx” models available that meet California Air Quality Management NOx requirement of 40 nanograms/joule. Low NOx models include stainless steel heat exchangers.
Standard Limited Parts Warranty
- 15-year gas heat exchanger parts – Stainless Steel
- 10-year gas heat exchanger parts – Aluminized
- 5-year compressor parts
- 5-year factory installed Ultra Low Leak Economizer
- 3-year SystemVu™ controls
- 1-year parts
PERFORMANCE DATA
Unit Operating Weight __________________________ lb
COOLING
Gross Total Capacity __________________________ Btuh
at Condenser Air Temperature __________________ °F
Gross Sensible Capacity _______________________ Btuh
Compressor Power Input _______________________ kW
Indoor Entering: db __________ °F / wb __________ °F
Airflow _____ CFM External Static Pressure _____ in. wg
Indoor Fan Motor Size __________________________ HP
Indoor Fan Motor Setting ______________________ Vdc
Exhaust Fan Motor Size ________________________ HP
Curb Weight __________________________________ lb
HEATING (GAS)
Heating Capacity:
Stage 1 ____________________________________ Btuh
Stage 2 ____________________________________ Btuh
Heating Capacity Total _______________________ Btuh
Stage 1 ____________________________________ kW
Stage 2 ____________________________________ kW
Heating Capacity Total _______________________ kW
ELECTRICAL DATA
Power Supply to Unit ____________________________________
Volts _________________________________________________
Phase _________________________________________________ Hz
Maximum Circuit Amps __________________________________
Maximum Overcurrent Protection __________________________
SUBMITTAL DATA
Job Name _____________________________________________
Architect ______________________________________________
Engineer _____________________________________________
Contractor _____________________________________________
Unit Designation ________________________________________

FACTORY-INSTALLED OPTIONS
- Economizer with DRY BULB Sensing and Baro- metric Relief (04-06 sizes)
Low Leak Air Dampers —- Models with W7212 controller provide standard non-diagnostic control (EconoMi$er® IV system).
- Models with W7220 controller meet California Title 24 (Section 120.2), IECC, and ASHRAE 90.1 for Fault Detection and Diagnostic (FDD) requirements (EconoMi$er X system).
- Models with RTU Open controller meet California Title 24 (Section 120.2), IECC, and ASHRAE 90.1 for Fault Detection and Diagnostic (FDD) requirements (EconoMi$er 2 system).
- Economizer with ENTHALPY Sensing and Barometric Relief (04-06 sizes)
Low Leak Air Dampers —- Models with W7212 controller provide standard non-diagnostic control (EconoMi$er® IV system).
- Models with W7220 controller meet California Title 24 (Section 120.2), IECC, and ASHRAE 90.1 for Fault Detection and Diagnostic (FDD) re- quirements (EconoMi$er X system).
- Models with RTU Open controller meet Califor- nia Title 24 (Section 120.2), IECC, and ASHRAE 90.1 for Fault Detection and Diagnostic (FDD) re- quirements (EconoMi$er 2 system).
- Economizer with DRY BULB Sensing and Barometric Relief (04-07 sizes)
ULTRA LOW LEAK Air Dampers —- Models with W7220 controller meet California Energy Commission Title 24-2016 prescriptive section 140.4 (damper leakage, etc.), and mandatory section 120.2.i for Fault Detection and Diagnostic controls. Economizers meet ASHRAE 90.1-2016 damper leakage requirements as stated in section 6.5.1.1.4 and Table 6.4.3.4.3, and meet 2016 Fault Detection and Diagnosis requirements in section 6.4.3.12. For outside air, return, and relief air damper leakage requirements economizers meet IECC 2012 section C402.4.5.2 and IECC 2015 sections C403.2.4.3 and C403.3.3.5 and IECC 2015 section C403.2.4.7 for Fault Detection and Diagnostic requirements.
NOTE: IECC 2015 section C403.2.4.7.1 requires differential return air sensor, which must be ordered separately.
Outside air, return air, and relief air (volume) dampers are AMCA rated — plus 5 year limited parts warranty (EconoMi$er X system) - Models with RTU Open and SystemVu meet California Energy Commission Title 24-2016 prescriptive section 140.4 (damper leakage, etc.) and mandatory section 120.2.i for Fault Detection and Diagnostic requirements. Econo- mizers meet ASHRAE 90.1-2016 damper leak- age requirements as stated in section 6.5.1.1.4 and Table 6.4.3.4.3, and meet 2016 Fault Detection and Diagnosis requirements in section 6.4.3.12. Economizers meet IECC 2012 section C402.4.5.2 and IECC 2015 sections C403.2.4.3 and C403.3.3.5 for outside air, return air, and relief air damper leakage requirements and IECC 2015 section C403.2.4.7 for Fault Detection and Diagnostic requirements.
NOTE: IECC 2015 section C403.2.4.7.1 requires differential return air sensor, which must be ordered separately.
Outside air, return air, and relief air (volume) dampers are AMCA rated — plus 5 year limited parts warranty (EconoMi$er 2 system).
- Models with W7220 controller meet California Energy Commission Title 24-2016 prescriptive section 140.4 (damper leakage, etc.), and mandatory section 120.2.i for Fault Detection and Diagnostic controls. Economizers meet ASHRAE 90.1-2016 damper leakage requirements as stated in section 6.5.1.1.4 and Table 6.4.3.4.3, and meet 2016 Fault Detection and Diagnosis requirements in section 6.4.3.12. For outside air, return, and relief air damper leakage requirements economizers meet IECC 2012 section C402.4.5.2 and IECC 2015 sections C403.2.4.3 and C403.3.3.5 and IECC 2015 section C403.2.4.7 for Fault Detection and Diagnostic requirements.
- Economizer with ENTHALPY Sensing and Baro- metric Relief (04-07 sizes)
ULTRA LOW LEAK Air Dampers —- Models with W7220 controller meet California Energy Commission Title 24-2016 prescriptive section 140.4 (damper leakage, etc.), and man- datory section 120.2.i for Fault Detection and Diagnostic controls. Economizers meet ASHRAE 90.1-2016 damper leakage requirements as stated in section 6.5.1.1.4 and Table 6.4.3.4.3, and meet 2016 Fault Detection and Diagnosis requirements in section 6.4.3.12. For outside air, return, and relief air damper leakage requirements economizers meet IECC 2012 section C402.4.5.2 and IECC 2015 sections C403.2.4.3 and C403.3.3.5 and IECC 2015 section C403.2.4.7 for Fault Detection and Diagnostic requirements.
NOTE: IECC 2015 section C403.2.4.7.1 requires differential return air sensor, which must be ordered separately.
Outside air, return air, and relief air (volume) dampers are AMCA rated — plus 5 year limited parts warranty (EconoMi$er X system). - Models with RTU Open and SystemVu meet California Energy Commission Title 24-2016 prescriptive section 140.4 (damper leakage, etc.) and mandatory section 120.2.i for Fault Detection and Diagnostic requirements. Economizers meet ASHRAE 90.1-2016 damper leakage requirements as stated in section 6.5.1.1.4 and Table 6.4.3.4.3, and meet 2016 Fault Detection and Diagnosis requirements in section 6.4.3.12. Economizers meet IECC 2012 section C402.4.5.2 and IECC 2015 sections C403.2.4.3 and C403.3.3.5 for outside air, return air, and relief air damper leakage requirements and IECC 2015 section C403.2.4.7 for Fault Detection and Diagnostic requirements.
NOTE: IECC 2015 section C403.2.4.7.1 requires differential return air sensor, which must be ordered separately.
Outside air, return air, and relief air (volume) dampers are AMCA rated — plus 5 year limited parts warranty (EconoMi$er 2 system).
- Models with W7220 controller meet California Energy Commission Title 24-2016 prescriptive section 140.4 (damper leakage, etc.), and man- datory section 120.2.i for Fault Detection and Diagnostic controls. Economizers meet ASHRAE 90.1-2016 damper leakage requirements as stated in section 6.5.1.1.4 and Table 6.4.3.4.3, and meet 2016 Fault Detection and Diagnosis requirements in section 6.4.3.12. For outside air, return, and relief air damper leakage requirements economizers meet IECC 2012 section C402.4.5.2 and IECC 2015 sections C403.2.4.3 and C403.3.3.5 and IECC 2015 section C403.2.4.7 for Fault Detection and Diagnostic requirements.
FACTORY-INSTALLED OPTIONS (CONT)
Standard Base Unit
- SystemVu™ controls that include:
- Large full text – multi-line display
- USB flash port for data transfer
- Built in i-Vu®, CCN, and BACnet™1
- Refrigerant pressure from display
- Quick LED status — Run, Alert, Fault
- Conventional slat or sensor capabilities
- Historical component runtime and starts
- Supply air tempering
- Equipment Touch™ / System Touch™ compatibility
- Demand limiting and ZS sensor compatibility
- RTU Open multi-protocol controller communicates to BACnet™1, Modbus®1, LonWorks®1, and Johnson N2 protocols.
- Through the base connectors for gas and electric conduit/piping
- Stainless steel gas heat exchanger (includes tubes, vestibule plate and collector box)
- Humidi-MiZer® adaptive dehumidification system (This option should also include low ambient controls)
- Two-position motorized outdoor air damper (04-06 sizes)
- Non-fused disconnect
- Powered 115-volt convenience outlet
- Non-powered 115-volt convenience outlet
- High static evaporator fan motor
- Return air smoke detector
- Supply air smoke detector
- CO2 sensor
- Condenser hail guard – louvered style
- Special coating protection for evaporator and condenser coils
- Hinged access doors
- Condensate overflow switch
- MERV-8 return air filters
- Phase Monitor Protection (3-Phase models only)
Optional Warranties - Complete unit parts only, up to 5 years
- Complete unit parts and labor, up to 5 years
Many other optional warranties are available. See the Commercial Start-Up and Optional Extended Warranty Price pages for further information.
- Third-party trademarks and logos are the property of their respective owners
FIELD-INSTALLED ACCESSORIES
NOTE: 48FC 07 models use two-speed indoor fan logic, the W7212 controller is designed for single-speed motor control. See Application Tip “ROOFTOP-18-01” for further guidance when using this unit.
- Economizer with DRY BULB Sensing and Barometric Relief
Low Leak Air Dampers —- Models with W7212 controller provide standard non-diagnostic control (EconoMi$er® IV system).
- Models with W7220 controller meet California Title 24 (Section 120.2), IECC, and ASHRAE 90.1 for Fault Detection and Diagnostic (FDD) requirements (EconoMi$er X system).
- Models with RTU Open controller meet California Title 24 (Section 120.2), IECC, and ASHRAE 90.1 for Fault Detection and Diagnostic (FDD) requirements (EconoMi$er 2 system).
- Economizer with ENTHALPY Sensing and Barometric Relief
Low Leak Air Dampers —- Models with W7212 controller provide standard non-diagnostic control (EconoMi$er IV system.)
- Models with W7220 controller meet California Title 24 (Section 120.2), IECC, and ASHRAE 90.1 for Fault Detection and Diagnostic (FDD) requirements (EconoMi$er X system).
- Models with RTU Open controller meet California Title 24 (Section 120.2), IECC, and ASHRAE 90.1 for Fault Detection and Diagnostic (FDD) requirements (EconoMi$er 2 system).
- Economizer with DRY BULB Sensing and Barometric Relief
ULTRA LOW LEAK Air Dampers —- Models with W7220 controller meet California Energy Commission Title 24-2016 prescriptive section 140.4 (damper leakage, etc.), and mandatory section 120.2.i for Fault Detection and Diagnostic controls. Economizers meet ASHRAE 90.1-2016 damper leakage requirements as stated in section 6.5.1.1.4 and Table 6.4.3.4.3, and meet 2016 Fault Detection and Diagnosis requirements in section 6.4.3.12. For outside air, return, and relief air damper leakage requirements economizers meet IECC 2012 section C402.4.5.2 and IECC 2015 sections C403.2.4.3 and C403.3.3.5 and IECC 2015 section C403.2.4.7 for Fault Detection and Diagnostic requirements.
NOTE: IECC 2015 section C403.2.4.7.1 requires differential return air sensor, which must be ordered separately. Outside air, return air, and relief air (volume) dampers are AMCA rated. - Models with RTU Open meet California Energy Commission Title 24-2016 prescriptive section 140.4 (damper leakage, etc.) and mandatory section 120.2.i for Fault Detection and Diag- nostic requirements. Economizers meet ASHRAE 90.1-2013 / 2016 damper leakage re- quirements as stated in section 6.5.1.1.4 and Ta- ble 6.4.3.4.3, and meet 2016 Fault Detection and Diagnosis requirements in section 6.4.3.12. Economizers meet IECC 2012 section C402.4.5.2 and IECC 2015 sections C403.2.4.3 and C403.3.3.5 for outside air, return air, and relief air damper leakage requirements and IECC 2015 section C403.2.4.7 for Fault Detection and Diagnostic requirements.
NOTE: IECC 2015 section C403.2.4.7.1 requires differential return air sensor, which must be ordered separately.
Outside air, return air, and relief air (volume) dampers are AMCA rated — plus 5 year limited parts warranty (EconoMi$er 2 system).
- Models with W7220 controller meet California Energy Commission Title 24-2016 prescriptive section 140.4 (damper leakage, etc.), and mandatory section 120.2.i for Fault Detection and Diagnostic controls. Economizers meet ASHRAE 90.1-2016 damper leakage requirements as stated in section 6.5.1.1.4 and Table 6.4.3.4.3, and meet 2016 Fault Detection and Diagnosis requirements in section 6.4.3.12. For outside air, return, and relief air damper leakage requirements economizers meet IECC 2012 section C402.4.5.2 and IECC 2015 sections C403.2.4.3 and C403.3.3.5 and IECC 2015 section C403.2.4.7 for Fault Detection and Diagnostic requirements.
- Economizer with ENTHALPY Sensing and Barometric Relief
ULTRA LOW LEAK Air Dampers —- Models with W7220 controller meet California Energy Commission Title 24-2016 prescriptive section 140.4 (damper leakage, etc.), and mandatory section 120.2.i for Fault Detection and Diagnostic controls. Economizers meet ASHRAE 90.1-2016 damper leakage requirements as stated in section 6.5.1.1.4 and Table 6.4.3.4.3, and meet 2016 Fault Detection and Diagnosis requirements in section 6.4.3.12. For outside air, return, and relief air damper leakage requirements economizers meet IECC 2012 section C402.4.5.2 and IECC 2015 sections C403.2.4.3 and C403.3.3.5 and IECC 2015 section C403.2.4.7 for Fault Detection and Diagnostic requirements.
NOTE: IECC 2015 section C403.2.4.7.1 requires differential return air sensor, which must be ordered separately.
Outside air, return air, and relief air (volume) dampers are AMCA rated. - Models with RTU Open meet California Energy Commission Title 24-2016 prescriptive section 140.4 (damper leakage, etc.) and mandatory section 120.2.i for Fault Detection and Diagnostic requirements. Economizers meet ASHRAE 90.1-2016 damper leakage requirements as stated in section 6.5.1.1.4 and Table 6.4.3.4.3, and meet 2016 Fault Detection and Diagnosis requirements in section 6.4.3.12. Economizers meet IECC 2012 section C402.4.5.2 and IECC 2015 sections C403.2.4.3 and C403.3.3.5 for outside air, return air, and relief air damper leakage requirements and IECC 2015 section C403.2.4.7 for Fault Detection and Diagnostic requirements.
NOTE: IECC 2015 section C403.2.4.7.1 requires differential return air sensor, which must be ordered separately.
Outside air, return air, and relief air (volume) dampers are AMCA rated — plus 5 year limited parts warranty (EconoMi$er 2 system).
- Models with W7220 controller meet California Energy Commission Title 24-2016 prescriptive section 140.4 (damper leakage, etc.), and mandatory section 120.2.i for Fault Detection and Diagnostic controls. Economizers meet ASHRAE 90.1-2016 damper leakage requirements as stated in section 6.5.1.1.4 and Table 6.4.3.4.3, and meet 2016 Fault Detection and Diagnosis requirements in section 6.4.3.12. For outside air, return, and relief air damper leakage requirements economizers meet IECC 2012 section C402.4.5.2 and IECC 2015 sections C403.2.4.3 and C403.3.3.5 and IECC 2015 section C403.2.4.7 for Fault Detection and Diagnostic requirements.
FIELD-INSTALLED ACCESSORIES (CONT)
NOTE: 48FC 07 models use two-speed indoor fan logic, the two-position damper and manual dampers are designed for single speed motor control. See Application Tip “ROOFTOP-18-01” for further guidance when using this unit.
- Power exhaust — prop fan design
- Two-position motorized outdoor air damper
- Manual outside air damper 25%
- Manual outside air damper 50%
- Roof curb — 14 inch (356mm) tall
- Roof curb — 24 inch (610mm) tall
- Thru-the-bottom connections, electrical only
- Thru-the-bottom connections, electrical and gas
- Condenser hail guard, louvered style
- Flue shield
- Flue discharge deflector
- Liquid propane (LP) conversion kit
- High altitude conversion kit
- Phase monitor (loss of phase/phase reversal)
- Winter start kit, down to 25°F (–4°C)
- Fan/Filter status switch
- Low ambient head pressure controller, down to 0°F (–18°C)
- Low ambient head pressure controller, down to –20°F (–29°C)
- Time Guard II compressor anti-cycle protection
- Thermostats and sensors
NOTE: Size 07 model has two-stage cooling thermostat; use appropriate thermostat. - Condensate overflow switch
- Non-powered 115-volt (20 amp) convenience outlet
- Side access hinged filter door kit
- Horn/Strobe annunciator
Economizer Sensors - Single dry bulb control
- Differential dry bulb control
- Single enthalpy control
- Differential enthalpy control
- CO2 — wall mounted
- CO2 — duct mounted
- CO2 — unit mounted
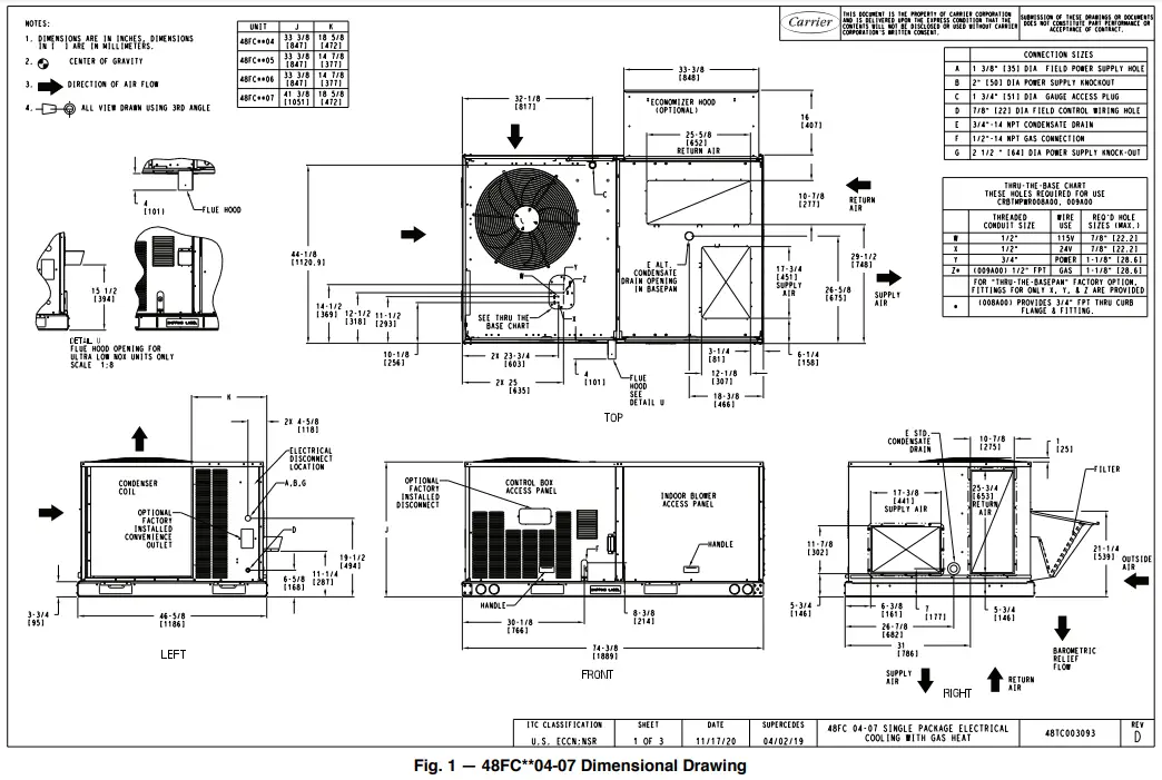
CERTIFIED DIMENSION PRINT



ROOF CURB DETIALS


















