
Version:EN-UM-1.0-01
USER MANUAL
DC converter Standard Model:
LSP 100K Hybrid
Where sun shined Power always on ![]()
Monitor APP Download
![]() | ![]() |
| https://play.google.com/store/apps/details?id=com.nfcx.luxinvpower | https://itunes.apple.com/cn/app/luxpowerview/id1415841608?mt=8 |
About This Manual
This manual will provide detailed product information and installation instructions for users who use the LSP series of photovoltaic energy storage converters (hereinafter referred to as converters) of Shenzhen Lux Power Technology Co., Ltd. (hereinafter referred to as LUX). Please read this manual carefully before using this product, and keep it in a place where it is easy to obtain. The content of the manual will be continuously updated and revised, but it is inevitable that there will be slight discrepancies or errors with the actual product. Users should refer to the actual product purchased, and download the latest version of the manual through www.luxpowertek.com or through sales channels.
Safety
2.1 Symbol Explanation
Symbols in This Manual
The general information and safety instruction is highlighted with the following symbols in this manual:
DANGER
“Danger” indicates a hazardous situation that, if not avoided, will result in death or serious injury.
WARNING
“Warning” indicates a hazardous situation that, if not avoided, could result in death or serious injury.
CAUTION
“Caution” indicates a hazardous situation that, if not avoided, could result in minor or moderate injury.
NOTICE
Symbols on Inverter Label
The following list shows the meaning of all the safety symbols on inverter type label:
Beware of the hot surfaces. The converter can be hot during operating, avoid contact during operating.
The danger of high voltage danger to life due to the high voltages in the converter
Risk of electric shock
Observe the enclosed documentation.
The danger of high voltage. Residual voltage in the Converter needs 5min to discharge, wait 5min before operation.
2.2 Safety Instruction
General Safety Instructions
The converter has been designed and tested strictly according to international safety regulations. Read all safety instructions carefully prior to any work and observe them at all times when working on or with the converter. The operator must be qualified personnel and the installation must be capable of relevant national or international standards or regulations. Incorrect operation or work may cause:
– injury or death to the operator or a third party; or
– damage to the inverter and other properties belonging to the operator or a third party.
Important Safety Notifications
There are many safety issues that need to be carefully notified before, during, and after the installation, and also in future operation and maintenance, the following is important safety notifications to the operator, owner, and use of this product inappropriate usage.
DANGER
Dangers of High Voltages and Large Current
- Beware of high PV voltage. Please turn off the DC switch of PV Panel output before and during the installation to avoid electric shock.
- Beware of the large current of the battery output. Please turn off the battery module before and during the installation to avoid electric shock.
- Do not open the converter when it’s working to avoid electric shock and damage from live voltage and current from the system.
- Do not operate the converter when it’s working, only the LCD and buttons can be touched in limited cases by qualified personnel, and other parts of the converter can be touched when the converter is in a safe state(e.g. fully shut down).
- Do not connect or disconnect any connections (PV, battery, grid, communication, etc.) of the converter when it’s working.
- Make sure the converter is well-grounded, an operator should make sure itself is well protected by reasonable and professional insulation measurements (e.g. personal protective equipment (PPE)).
- Inspect relevant existing wiring on-site of the installation is under good condition before installation, operation or maintenance.
- Inspect the connections are good between converter and PV, battery and grid during installation to prevent damages or injuries caused by bad connections.
WARNING
Avoid misoperation and Inappropriate Usage
- All the work of this product (system design, installation, operation, setting and configuration, maintenance, etc. must be carried out by qualified personnel as required.
- All connections must be in accordance with local and national regulations and standards.
- All the warning tables or nameplates on the converter must be clearly visible and must not be removed, covered, or pasted.
- The installation should choose the right position and location as required in this manual with consideration to the safety of users in future operations.
- Please keep the children away from touching or misoperation the converter and relevant system.
- Beware of burning hurt, the converter and some parts of the system could be hot when working, please do not touch the inverter surface or most of the parts when they are working. During converter working states, only the LCD and buttons could be touched.
CAUTION
- Only qualified personnel can change the converter settings.
- There might be possible damage to health as a result of the effects of radiation, do not stay closer than 20cm to the converter for a long time.
NOTICE
- Please carefully read this manual before any work is carried out on this converter, after the installation, please keep this manual carefully stored and easy to access at any time.
- The qualified person should have had training in the installation and commissioning of the electrical system as well as dealing with hazards, also they should have the knowledge of the manual and other related documents. As the installer or operator, they are required to be familiar with local regulations and directives.
Brief Introduction
3.1 System Solution
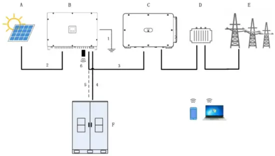
LSP100K is a PV energy storage converter, which is an important part of the photovoltaic energy storage station, This product and the relevant system are suitable for the following system applications (system diagram): 
| Name | Description | Remark |
| A | PV String Array | Mono silicon, polysilicon, thin-film battery without grounded |
| B | PV Energy Storage Converter | LSP100K |
| C | Grid-tied Solar Inverter | Such as SG100CX SUN2000 etc. |
| D | Grid Transformer | Converting the output voltage of the inverter to meet the requirements of the grid |
| E | Grid | Grid supported by inverter |
| F | Battery | Zarate Battery etc. |
3.2 Working principle
The working principle of LSP100K is as follows:
- DC current generated by PV string array will be input to the LSP100K
- The LSP100K converter will store the excess DC Power in the battery, or withdraw energy from the battery and input it to the PV output port according to the instruction.
- The PV outport of LSP100K inputs the energy from the PV string or the battery energy or the sum of the two parts to the photovoltaic inverter by simulating the curve of the solar cell.
- The PV inverter converts the DC power to AC power.
- The output voltage of the AC power is transformed by the transformer to meet the requirements of the grid.
3.3 Converter Appearance

| Name | Description | Name | Description |
| A | LCD | c | PV Output Wiring Area |
| B | Communication Module Port | H | Outlet Of Cooling Air |
| C | Battery Wiring Terminal | I | Hanging Loop |
| D | Others Communication Port | J | Fan Bracket |
| E | PV SWITCH | K | Lifted Ring And Screw Holes Of Installation Handgrip |
| F | PV Input Wiring Area |
3.4 Size And Weight

| Model: | Size (L*W*H) | Weight: |
| LSP100K | 1015*(665+64)*310mm | 120KG |
3.5 Storage
- The converter is best stored in the original packaging bag and placed in a ventilated and dry place
- The storage temperature range is: -25℃~60℃, and the storage humidity is 0~95%.
- If there are many converters that need to be stacked for storage, the number of layers stored with packaging cannot exceed the “stacking layer limit” marked on the outer box.
- The packing box cannot be tilted or turned upside down

Unboxing
4.1 Unboxing Inspection
- Before opening the inverter package, please check whether the outer package is damaged.
- After unboxing, please check whether the converter is damaged or lacks accessories. If there is damage or lack of accessories, please contact the manufacturer

4.2 Recognition Converter
The nameplate is pasted on the side of the converter. The nameplate provides the model information of the converter and the most important parameters and certification marks, etc.
Refer to the given picture
Please reconfirm whether the inverter model and specifications meet the requirements.
Installation
5.1 Basic Installation Requirement
- The wall where the converter is installed must be sturdy and able to bear the weight of the converter for a long time (for weight data, please refer to section 3.4)
- The installation site needs to meet the size of the converter. When installing on a wall, it needs to avoid the water and electricity wiring in the wall.
- Do not install the converter on a building made of flammable or heat-resistant materials.
- The protection level of the machine is IP65, and it can be installed indoors and outdoors. Please refer to the chapter for specific installation requirements.
- The environment temperature for installing the converter should be between -25℃~60℃, and the humidity should be between 0~95%.
- The installation location should be convenient for electrical connection, operation, and maintenance.
- It is very important to ensure smooth ventilation and heat dissipation of the converter. Please install the converter in a ventilated environment.
- The converter should be installed at a location greater than 30m away from third-party wireless communication facilities and living environment and away from strong electromagnetic signals.
- The converter can be installed on a vertical or backward inclined plane or placed flat on a bracket at least 1m above the ground, please refer to the following figure:

- In order to ensure the normal operation of the machine and the convenience of personnel operation, please pay attention to provide enough clearance for the converter,
please refer to the following figure:
- Do not install the converter where children can reach.
5.2 Select Location
The LSP100K are designed as IP65 devices with the capability to be installed in both outdoor and indoor conditions. However, selecting an optimal installation location is highly recommended to increase the safety, performance, and lifespan of the Converter.
Suggestions and Requirements
- Although the converter is IP65 rated, it can extend the service life of the machine by avoiding the converter from being exposed to rain and snow, as shown in the figure below:

- Install multiple converters on the same plane, and the installation distance parameters between the converters are shown below:

- Do not install the converter in a closed and small space, as shown in the picture below:

5.3 Transportation
The converter needs to be transported to the selected installation site before installation. When transporting the converter, you can choose to transport it manually or by lifting it according to the site conditions.
5.3.1 Transport By Lifting
a) As shown in the picture below, lock the lifting rings in the four positions of the converter, and then use the rope to pass through the four lifting rings and fasten the binding.
b) Use lifting equipment to lift the converter 100mm off the ground and then pause, check the tightness of the lifting ring and rope. After confirming that the connection is secure, lift the converter smoothly to the destination.
5.3.2 Transport By Manual Labor
- As shown in the picture below, 4~6 people respectively extend their hands into the package, lift the converter out of the package, and then retract the carrying handle (optional) into the hole to manually lift the converter to the installation position.
- When transporting the converter, please keep the balance of the converter.
Notice
a. The front and bottom are marked on the packing box.
b. During manual transport, the machine is heavier, so you need to pay attention and check if the human force can bear the weight.
5.4 Install the Converter
The Converter is wall-mounted installed, steps shown below
The inverter is wall-mounted installed, steps show below:
Step1.Install the wall mount bracket. Use the wall mount bracket as a template, drill holes on the wall according to the position of the screw holes on the wall mount bracket, and insert expansion bolts.
Step2. Fix the wall mount bracket to the wall with screws.
Step3. Use the hoisting rope (need to meet the load-bearing requirements of this product), go through the top hoisting hole of the converter, lift the machine and place it on the wall mount bracket.
Connection
6.1 Safety Caution
During electrical operations, professionals must wear protective equipment.
DANGER
- There may be high voltage in the converter!
- The PV strings will generate dangerous voltage while exposed to the sunlight.
- Do not close the circuit breaker before completing the electrical connection.
- Before making electrical connections, make sure that all cables are not live.
WARNING
- Any improper operation during the wiring process may cause equipment damage or personal injury or death.
- The wiring operation must only allow professional and technical personnel to complete it.
- The cables used in the photovoltaic power generation system must be firmly connected, intact, well insulated, and of appropriate specifications.
NOTICE
- The wiring process must follow the relevant safety instructions of the PV string.
- All electrical installations must comply with the electrical standards of the country/region where the installation is located.
6.2 Terminal Introduction

| Code | Name | Silk Screen | Remark |
| A | PV String Input Terminal | PV INPUT | MC4 PV Connector LSP100K is equipped with 24 pairs of terminals |
| B | PV switch | DC SWITCH | PV switch used to switch on/off of PV input |
| C | DC Output Terminal | PV OUTPUT | MC4 PV Connector LSP100K is equipped with 12 pairs of terminals |
| D | Battery Terminal | BAT +/BAT- | For battery wiring |
| E | Communication Terminal | WIFI | For RS485, CAN communication and other wiring use. |
| F | Monitoring Port | 485CAN/METER/ PARALLEL | For RS485, CAN communication and other wiring use. |
| G | Secondary Ground Terminal | It is used for reliable grounding of the converter |
6.3 Overview Of Wiring
The connection of the converter to the PV energy storage system includes a second ground connection, PV string connection, battery connection, and PV inverter connection.
The system wiring diagram is as follows:
According to the actual application scenario, please prepare the corresponding cable by yourself
| Code | Electrical Name | Type | Conductor Cross-sectional Area |
| 1 | Protective Ground Cable | Single multi-core yellow-green wire | Copper wire (35-50mm”) |
| 2 | PV Input Cable | Single multi-core copper wire | Copper wire (4-6mm’) |
| 3 | PV Output Cable | Single multi-core copper wire | Copper wire (4-6mm’) |
| 4 | Battery Power Connection Cable | Single multi-core copper wire | Copper wire (60-95mm2) |
| 5 | Battery Communication Cable | CAT-5 Ethernet cable (R145) Outdoor shielded twisted pair | |
| 6 | Wireless Monitoring | WiFi/GPRS/4G | No cables required |
6.4 Protective Earth Connection
WARNING
- If the PV inverter in the system is transformerless and the system is connected to the grid without an isolation transformer, the positive and negative poles of the PV string must not be grounded, otherwise, the system will not operate normally.
- Before connecting the PV string, PV inverter, battery, and communication, please make a protective ground connection.
- In the PV power generation system, all non-current-carrying metal parts and equipment enclosures need to be grounded.
- The PE cables of the converter and the PV inverter and the metal frame of the PV array need to be connected to the same ground to achieve equipotential connection.
NOTICE
Take care to prevent rain at the grounding wire terminal joint, and do not expose it to the air directly. When locking the housing ground screw, the torque is 60kgf.cm.
According to the relevant provisions of IEC61643-32, it is necessary to ensure the implementation of lightning protection measures for PV systems
1. Generally, it is recommended to install lightning protection devices (such as lightning rods/ lightning strips and down conductors) to prevent lightning from directly hitting the PV array.
2. Lightning protection devices and down conductors should maintain a safe distance from the related equipment in the photovoltaic system (including PV strings, converters, inverters, cables, and power distribution equipment).
2.1 The recommended value of S:
According to the roof of a general 5-story building (approximately 15m), 2.5m is sufficient for S. This distance can be simplified and calculated according to the inverse relationship between the height of the floor.
2.1.1 When the safety distance S is met:
As shown in the picture, positions 1 and 3 should be equipped with lightning protection modules.
Normally, it is recommended that position 1 pretend to be type II, and position 3 pretend to be TYPE1;
2.1.2 When the safety distance S is not met:
In addition to position 3, type I lightning protection modules should be installed in pictures 1, 2, and 4; 3. The lightning down conductor and the equipment grounding wire eventually converge at a general grounding point, but the two cannot share wires. That is, the equipment grounding wire should be pulled separately, and the wire diameter requirement is> 6mm2 under the condition of meeting the safety spacing distance S;
WARNING
Lightning protection measures for PV systems should be implemented in accordance with the corresponding national standards and IEC standards, otherwise, it may cause cumulative damage to PV devices such as components, converters, inverters, and power distribution facilities. In this case, the company does not carry out quality assurance and assumes any responsibility.
PV out Connection
Cable Requirement:
| Cross-section | Cable Diameter | Max Voltage |
| 4-6 mm² | 2.5-4 mm | 1000 V |
NOTICE
- Please use the connecting terminals provided with the converter and other types of terminals may cause poor contact and cause fire.
- Before wiring, please make sure that the converter is off and there is no residual voltage at the PV output port
- Before wiring, please make sure that the PV inverter is in the shutdown state and the PV switch of the PV inverter is also in the off state.
- Please do not connect all PVout output wires together and then connect to the inverter.
The wiring steps are as follows:
1. Strip the cable insulation layer and cover the cold-pressed terminal![]() | 5. Confirm that there is no voltage at the output port of the converter![]() |
2. Use crimping pliers to crimp the terminal to ensure that the cable cannot be pulled out after crimping![]() | |
3. Assemble the cables into the positive and negative connection terminal shells to ensure a firm connection![]() | 6. Insert one end of the converter into the PV terminal corresponding to the PV output wiring area of the converter![]() |
4. Tighten the sealing nut![]() |
6.6 PV Connection
The PV connection of LSP100K is the same to the traditional on-grid solar inverter (string inverter).
NOTICE
- Before connecting the PV, please use the multi-meter to measure the PV array voltage to verify if the PV array is working normally, if not, please fix the PV array to a normal working state before connection.
- When your PV panel ambient temperature could possibly be lower than 0℃, then please check the PV array voltage up the ceiling, and if you are not sure please ask your system or panel provider for further assistance. As when the temperature is extremely low the PV panel voltage will increase by a certain percentage.
- Turn off or disconnect the PV switch (DC switch). Then keep this switch always open during the connection.
- Please connect the PV panels of each string to the LSP100K machine separately. It is strictly forbidden to connect all the PV strings together and then connect them to each input of the LSP100K separately.
- Each MPPT tracker of LSP100K can connect two PV strings.
Cable Requirement:
| Cross-section | Cable Diameter | Minimum Voltage |
| 4 – 6 mm² | 2.5-4mm | 1000V0. |
1. Strip the cable insulation layer and cover the cold-pressed terminal![]() | 5. Check the polarity of the PV string cables and ensure that the highest voltage does not exceed 1000V![]() |
2. Use crimping pliers to crimp the terminal to ensure that the cable cannot be pulled out after crimping![]() | |
3. Assemble the cables into the positive and negative connection terminal shells to ensure a firm connection![]() | 6. Confirm that all DC switches are in the “OFF” state, and then insert the PV connector into the PV terminal corresponding to the PV input wiring area of the converter![]() |
4. Tighten the sealing nut![]() |
6.7 Battery power line Connection
This part in this manual only describes the battery connection on the Converter side, should you need more detailed information regarding the battery connection on the battery side, please refer to the manual of the battery.
Cable Requirement:
Cross-section/70 – 90 mm2
NOTICE
- Make sure that the converter is powered off and there is no residual voltage at the battery interface. If the battery sideline is connected, make sure that the battery is off.
- When the battery is charging and discharging, the current is big, please be sure to tighten the connection screws.
- Note that if there is a switch connected between the converter and the battery, make sure that the switch is in the off state.
- Please note that there is a large current from the battery to the converter, so it is recommended that the installation distance is not too far.
1. Unscrew the terminal head of the waterproof cover and pass the battery cable through the waterproof head and waterproof cover![]() | 2. Strip the insulation of the cable, Install heat shrink tubing and OT/DT terminal![]() |
3. Press the DT terminal sleeve wire barrel with hydraulic pliers to ensure that the wire and the terminal are firmly connected![]() | 4. Use a heat gun to fix the heat shrink tube![]() |
5. Fix the cables to the corresponding terminals according to the positive and negative polarities of the battery side (be sure to connect according to the correct polarity, reverse connection will cause damage to the converter and battery)![]() | 6. Tighten the sealing nut of the waterproof head![]() |
6.8 Battery Communication Cable Connection
NOTICE
The battery usually comes with a network cable, please use the battery’s own network cable for connection first If you need to replace the network cable, please choose a 568B type of CAT5 or above network cable.
1. Unscrew the terminal head of the waterproof cover of the communication cable and pass the battery communication cable through the waterproof head and the waterproof cover![]() | 2. Pin 3 is connected to CAN L, and pin 4 is connected to CANH (Note: this line sequence is the line sequence of the converter side, please refer to the battery specification for the line the sequence of the battery side)![]() |
3. Insert the crystal head into the corresponding connection port of the converter![]() | 4. Install the waterproof cover and tighten the waterproof nut![]() |
6.9 Meter Connection Reserved
NOTICE
- The LSP100K reserves the meter access port, which can be connected to the LSP100K through RS485 so that the LSP100k can obtain the power information on the grid side.
- If you need to obtain grid-side information through LSP100K monitoring, please contact LUX to obtain electricity meters and update machine program information.
- For meter connection, please use a straight-through network cable above CAT5 to connect to the converter.
| The communication port for communicating with a meter or CT clamp is as below: | Rj45 Terminal Configuration of Meter/CT Communication |
![]() | |
| Pin | Function Description |
| 1 | METER 485 B |
| 2 | METER 485 A |
| 3/4 | NC |
| 5/6 | Reserved |
| 7 | CTN |
| 8 | CTP |
6.10 Parallel Communication Connection Reserved
NOTICE
- The LSP100K reserves the solar radiation tester access port, which can be connected to the LSP100K through RS485 so that the LSP100k can obtain the sunlight intensity information.
- If you need to obtain solar radiation information through LSP100K, please contact LUX to obtain the recommended radiation tester and update the machine program information.
- To connect the radiation tester, please use a straight-through network cable above CAT5 to connect to the converter.

6.11 Wireless Communication Module Connection
NOTICE
- The LSP100K reserves the parallel communication access port, which can be connected to the LSP100K through CAN so that the LSP100k can obtain the information of the parallel information (such as multiple types of equipment using the same battery, etc.).
- For a parallel communication connection, please use a straight-through network cable above CAT5 to connect the converter.
- If you need to use parallel communication, please contact LUX to confirm the information and update the program.

The Wireless Communication Interface Details
| Pin | Function Description |
| 1&2 | VCC. |
| 3 & 4 | GND |
| 5 | RS485-A |
| 6 | RS485-B |
| Others | Reserved |
Currently, LSP100K supports the communication of wifi, 4G, GPRS and other wireless modules.
Operation Guide
7.1 Inspection Before Trial Run
| Code | Inspection Item |
| 1 | The converter is installed correctly and firmly |
| 2 | Ground wire, PV input wire, PV output wire, battery power wire are all connected correctly and firmly |
| 3 | Battery communication cable, WIFI connection is correct |
| 4 | The waterproof head and waterproof cover are installed correctly and firmly |
| 5 | The cable arrangement is reasonable and protected, no mechanical damage |
| 6 | No debris is scattered in the installation space, enough space for heat dissipation |
7.2 Working Mode Introduction
7.2.1 Standby Mode
In this mode, the machine will not run and is in a waiting state. At this time, the converter will continue to accept instructions or detect system parameters, and when conditions permit or settings are changed, the system will try to enter the working mode state.
7.2.2 Default Operating Mode
The default operating mode of LSP100K is as follows:
- The about output terminal outputs to the photovoltaic inverter according to the default 12 channels of 100kW, and the Vin input terminal performs MPPT tracking on the input photovoltaic string and tracks the maximum photovoltaic power generation energy sent to the battery.
- When the PV input energy is greater than 100kW (the default output power of PVout), the excess energy will be stored in the battery, and the battery capacity will increase.
- When the energy input by PV is less than 100kW (the default output power of PVout), the excess energy will be discharged from the battery, and the capacity of the battery will decrease.
- As in article 2 above, if it continues until the battery is fully charged, the system will automatically reduce the PVin input power to a basic equilibrium state with the PVout output power, and maintain a power output of 100kW.
- As in article 3 above, if it continues until the battery discharges, the system will automatically reduce the about output power to slightly less than the PVin input power to keep the battery from entering a power deficient shutdown state
7.2.3 fault Mode
The converter’s intelligent control system will continuously monitor and adjust the state of the system. When the converter detects any failure, the alarm or failure LED indicator lights up or flashes red, and the corresponding failure information display can be viewed on the LCD.
7.2.4 Programming Mode
Converter updates the program mode. In the initial stage, the machine will download the program into the storage unit of the converter, and then enter the program update state, and the machine will not work in the program update state.
7.2.5 Turn Off Mode
When the battery is turned off and the sunshine is very weak, the converter will automatically stop working, and the converter’s display system will also shut down at this time. At this time, the machine will not consume the energy of the PV string and battery.
7.3 Trail Running Step
- Turn on the PV switch of the PV inverter in the system to ensure that the energy at the PVout output end of the LSP100K can enter the PV inverter. As shown in picture 6.3 above, path “3” is turned on.
- Turn on the PV switch of the LSP100K to ensure that the energy of the PV string can enter the LSP100K. As shown in picture 6.3 above, path “2” is turned on.
- Finally, turn on the battery connected to the LSP100K to ensure that the energy of the battery can enter the LSP100K. As shown in picture 6.3 above, path “4” is turned on.
- If there is a DC switch between the battery and the LSP100K, be sure to turn on the DC switch first, and then turn on the battery.
- After all is completed, and waiting for a while, the LSP will automatically enter the default working mode described in 7.2. Observe the power flow indication on the LCD and the information indication on each page (see details)
Note: When there is a DC switch between the LSP100K and the lithium battery, make sure to close the DC switch first, and then turn on the battery, because there will be a pre-charge process when th
7.4 LCD Menu Structure Overview

7.4.1 Home Page
The home page is shown below:

Home page function area description:
| Code | Name | Explanation |
| 1 | Converter status | Display the current operating status of the converter, see section 7.2 for details. |
| 2 | Trend Maps | Display information such as PV power generation, charging and discharging power, and PV inverter power. The arrow between the icons indicates that there is energy flow between devices, and the direction of the arrow indicates the direction of energy flow. |
| 3 | Navigation Column | Contains “Home”, “Operation Information”, “Fault Records”, and “Settings” menus |
| 4 | Energy accumulation Column | Display the PV power generation, battery discharge energy, the energy sent to the PV inverter, and the total energy consumption? |
| 5 | Date And Time | Display the system date and time of the converter. |
7.4.2 Operation Information
Click
in the navigation column to enter the operation information page, as shown below:
Operation information description:
| Category | Parameter Name | Parameter Description |
| PV Information | String n voltage | The input voltage value of the n-th string |
| String n current | Input the current value of the n-th string | |
| String n power | The input power value of the n-th string | |
| PV out Information | Output n voltage | The voltage value of the n-th output |
| Output n current | The current value of the n-th output | |
| Output n power | The power value of the n-th output | |
| Other operating information such as battery | Battery information | Battery SOC, voltage, power, current, and buck-boost power loop current, bus voltage, BMS upload information data, etc. |
| Power devise and heat sink temperature | Power module temperature and input and output heat sink temperature | |
| Fan information | Speed display of each fan | |
| Bit code | Running internal information | Internal operating data information |
| Debug | Running internal information | Internal operating data information |
| Others | Machine information | Including the model number, serial number, and version of the firmware. |
7.4.3 Fault Record
Click
in the navigation column to enter the operation information page, as shown below:
Description of fault record information:
| Category | Description |
| Fault/warning | Real-time display of all warnings and fault messages of the machine. |
| Fault Record | Display the history record of the fault information, which is convenient to check the past history data, total xxx pieces |
| Warning Record | Display the historical record of the warning message, which is convenient for checking the past historical record data. Total xxx Piece |
7.4.4 Settings Guidance
Click
in the navigation column to enter the operation information page, as shown below:
Parameter setting description:
| Category | Description |
| System setting | Users can set the system time, address, language, password, total output power limit and switch on this page |
| Machine setup | Users can set the PVin input mode, PVout output channel switch, and the opening of some machine functions on this page |
| Running sequence setting | Users can set the operating output power for the next day and view today’s operating output power on this page in units of half an hour. |
System setting
In the system setting interface, if you need to enter values, such as time, address, password and output power setting, a number box will pop up, as shown below:
After selecting the corresponding value, click OK, and the number box will be automatically hidden to complete the value input.
Notice:
- Some values have a limited maximum range, for example, date and time have a standard format, and the time is in a 24-hour system. The maximum value of the address is 255, and the password is four digits. The maximum output power limit is 100kW.
- If you need to limit the output power, in addition to setting the power value, you also need to turn on the enable. The schematic diagram of turning on the enable is as follows:

In the column that are not numeric input, such as the language column, directly click the “set” button to switch the language. Currently, only English is available, and there are reserved Chinese, German and Japanese options. The Normal/standby key is used to force the machine state to switch. Normal is the normal working state of the machine. When standby is selected, the machine will automatically enter the standby state.
Machine setup
There are three options in the machine setting interface, click on the PVintype option
You can change the PV input tracker mode from 12 independent channels to 2 channels in parallel, that is, PV1, PV2 in parallel, PV3, PV4 in parallel… 6-channel MPPT tracker working mode, in this mode, the user can change The PV strings are connected in parallel in pairs before being inserted into the LSP100K system. As far as the number of PV strings is constant and the installation positions are the same, the number of PV wiring can be reduced.
In the PVoutEn navigation column, click the “set” button to enter the sub-level menu:
The user can choose to turn off certain channels of output, as above, ON means that the corresponding output is turned on, and OFF means that the corresponding output is turned off. The converter outputs according to the default value of 100K (the “output limit” in the “system” setting column may be adjusted). Normally, 12 channels output 100k. If PVout11 and PVout12 are turned off, if the current of each channel does not reach the maximum output current, It is still possible to keep the default 100K (or set the adjusted value) output. If each current reaches the maximum value, the output power may be lower than 100K. Click “Return” to return to the previous menu.
In the function navigation column, click the “set” button to enter the sub-level menu:
The function options in this navigation column are turned on and off for debugging. Please turn them off carefully, otherwise, it may cause the machine to run abnormally or be damaged. Click “Return” to return to the previous menu.
Running sequence settings
The running sequence setting is mainly for users to set the photovoltaic output power of the next day. The user can set the photovoltaic output power of the next day to output the corresponding power value at the corresponding time.
| Step 1: Enable schedule and select ON switch. | Step 2: Click “setting” to enter the time bar, as shown in picture 3 above |
| Step 3: After choosing which time period settings to change, enter picture 4 | Step 4: After changing the power in picture 4, click “return” to return, and click save in “schedule Save” to save. |
| Step 5: Click “return” and observe whether the settings for the next day have been set successfully in “tomorrow” | Step 6: The user can check whether the setting of today is consistent with the previous setting. |
7.5 Monitor System
Users can use wifi/GPRS/4G dongle to monitor the energy storage system, The monitor website is: server.luxpowertek.com The APP is also available in google play and the apple APP store(Scan two code bars to download the APP).
Please download the introduction of guidance by the website: https://www.luxpowertek.com/download/ Document Reference:
- Wifi Quick Guidance.
Quick guidance for setting passwords for the wifi module, the paper is also available in the wifi box. - Monitor system setup for Distributors and Monitor system setup for end users. Monitor system registration, wifi password setting, and wifi local monitor and setting.
- Lux_Monitor_UI_Introduction. Introduction of monitor interface.
- Website Setting Guidance. Introduction of website settings for LSP100K.
- GPRS and 4G
The use of GPRS and 4G is similar to WIFI.
Shut down and Remove the Converter
8.1 Shut down the converter
Under normal circumstances, there is no need to shut down the converter, but when maintenance or repair work is required, the converter needs to be shut down. Please follow the steps below to disconnect the converter, otherwise, it may cause personal injury or equipment damage.
Step1. turn off PV input breaker of PV inverter side
Step2. turn off the PV input breaker of the Converter
Step3. turn off the battery, and wait for the LCD to go off
Step4. Use a current clamp to check the DC cable and confirm that there is no current.
Step 5 Use the MC4 wrench to loosen the lock of the DC connector and remove the DC connector
Step 6 Use a multimeter to confirm that the battery terminal block is not live, Remove battery cables and communication cables
Step 7 Install the MC4 waterproof plug.
8.2 Remove the converter
Risk of burns and electric shock!
After the Converter is completely disconnected from the photovoltaic inverter, the battery and photovoltaic components, you need to wait for 5 minutes before you can touch the internal conductive components
Step 1 Refer to “Electrical Connections” and follow the reverse steps to disconnect all electrical connections of the converter
Step 2 Refer to “Installation” and follow the reverse steps to remove the converter
Step 3 If necessary, remove the backplate from the wall.
Step 4 If the converter will be used in the future, please refer to “Storage” to keep the converter properly
Troubleshooting & Maintenance
9.1 Troubleshooting
When faults and errors occurred, please deal with these problems following the below procedures and requirements.
| W001 | Pvout alt high | W001 | Check the PV output connection. C Check the output voltage. Restart LS0100K system, if the warning still exist, please contact us |
| W002 | Pvout current high | W002 | Check the PV input connection, Check whether the output is short -circuited, and check whether the input of the photovoltaic inverter is short-circuited Restart LSP100K system. if the warning still exist. please contact us |
| W004 | Pvout temperature high | W004 | 1.00serve whether the air duct of the machine is blocked. and whet !). the installation environment is as required in Chapter S 2.Observe whether the fan of the machine is operating normally |
| W009 | Pvin volt high | W009 | Check the input PV voltage of the machine, check whether the numbe of input PV panels in series is too much |
| W010 | Pvin current high | W010 | 1.Check whether the parameters input by the PV panel meet the specifications of the machine 2.Check whether there is a short circuit in the machine |
| W012 | Pvin temperature high | W012 | Observe whether the air duct of tt machine is blocked, and whether the installation environment is as required in Chapter S Observe whether the fan of the machine is operating normally |
| W014 | Pvin SPD warning | W014 | Check whether the lightning protection module part of the machine is damaged |
| WO1S | Pvin Istring reverse | WO1S | Check and fix PV input connector Restart LSP100K system. if the warning still exist. please contact us |
| W02S | BMS Warning | W02S | Check the BMS operation para parameter |
| W026 | Meter communication fault | W026 | Check the meter connection, if thl warning still exist. please contact |
| W027 | Fan check self fail | W027 | Check fan connection and fan blade. if the warning still exist, please contact us. |
| W028 | Lcd communication fault | W028 | Restart the LSP1OOK system, if the warning still exist, please contact us |
9.1.1 Introduction to LED Displays
| LED | Display | Description | Suggestion |
| Green LED | Long light | Working normally | |
| Flashing | Firmware upgrading | Wait till upgrading complete | |
| Yellow LED | Long light | Warning, inverter working | Need troubleshooting |
| Red LED | Long light | Fault, inverter stop work | Need troubleshooting |
9.2 Maintenance
DANGER
Improper maintenance operations may cause personal injury or equipment damage, Before performing any maintenance operations, the following steps must be followed:
- First turn off the input PV switch on the PV inverter side, then turn off the PV input DC switch of the LSP100K machine, and finally turn off the battery switch.
- Wait at least 5 minutes until the internal energy storage components are discharged before performing maintenance or overhaul operations inside the equipment.
- Use testing equipment to check to ensure that there is no voltage and current.
WARNING When performing electrical connection and maintenance work, temporary warning signs or barriers must be posted to prevent unrelated persons from entering the electrical connection or maintenance area.
NOTICE
- The system can be restarted only after troubleshooting the fault that affects the safety performance of the LSP100K system.
- The inside of the converter does not include repairs, please do not replace the internal components of the converter without authorization.
- If you need any maintenance service, please contact the LUX power after-sales service center. Otherwise, LUX POWER will not bear any warranty and joint liability for the losses caused thereby
NOTICE
Touching the printed circuit board or other electrostatic-sensitive components may cause damage to the device.
- Avoid contact with unnecessary circuit boards.
- Observe the ESD protection regulations and wear an anti-static wristband.
9.2.1 Regular Maintenance And Recommended Maintenance Cycle
| Inspection Items | Inspection Method | Recommended maintenance period |
| System cleaning | 1.Check whether there is dust and other blockages attached to the machine’s air inlet, outlet and heat sink. 2.If necessary, clean the air inlet and outlet and the heat sink | Half a year to once a year (Depends on the amount of local dust) |
| Fan | 1.Check whether the fan makes abnormal noises when it is running 2.Whether the fan speed meets the requirements 3.Whether the fan blades of the fan are damaged, cracked or broken. 4.If necessary, replace the fan, (please refer to 9.2.2 for replacement details) | Once a year |
| Equipment inlet hole | Check whether the machine inlet hole is incompletely blocked or has a large gap. If so, re-block it. Avoid condensation of water inside the machine. | Once a year |
| Electrical connections | 1.Check whether the cable connection is loose or disconnected. 2.Check whether the cable is damaged, especially whether there is a cut in the contact with the metal. | Once a year |
9.2.2 Fan Maintenance
DANGER
- First turn off the input PV switch on the photovoltaic inverter side, then turn off the PV input DC switch of the LSP100K machine, and finally turn off the battery switch
- Wait at least 5 minutes until the internal energy storage components are discharged before performing maintenance or overhaul operations inside the equipment
- The maintenance and replacement of the fan must be performed by professionals.
The fan of the converter cools and dissipates the heat of the machine to ensure the normal operation of the machine. If the fan does not work properly, it will cause the system to work abnormally. Therefore, it is necessary to keep the fans clean and maintain the problematic fans in a timely manner. The steps for replacing the fan are as follows:
1. Turn off the converter system.
2. Loosen the screw on the fan cover on the left side of the fuselage.
Refer to the following picture:

3. Pull the fan tray out slightly until the fan power connector is exposed, press down on the protrusion of the fan power connector and pull it out.

4. Pull out the fan bracket completely, and use a soft brush to clean the fan or replace a damaged fan.
5. In the reverse order as above, reinstall the maintained fan back to the converter and restart the system
Product Specification
| Input data | LSP100K |
| Max. input voltage | 1,100V |
| Input nominal voltage | 630V |
| Input voltage range | 300-1000V |
| Start voltage | 330V |
| Max. short current per MPPT | 40A |
| Max. current per MPPT input | 26A |
| Number of MPPT tracks | 12 |
| Number of input strings | 24 |
Output data
| DCDC Output rated power | 100kW |
| Normal output voltage | 630V |
| Output voltage range | 500~1000V |
| Max output current | 20A |
| Output strings | 12 |
| Output tracks | 12 |
Battery data
| Type | Lead-acid/Lithiumm |
| Max. charge and discharge power | 100kW |
| Voltage range | 300~700Vdc |
| Max. charge and discharge current | 200A |
| Communication | CAN or RS485 |
| Max. charge and discharge efficiency | 98.50% |
Protection
| Display | LED+LCD |
| Operation | Touch botton |
| Wifi | Yes |
General Data
| Dimensions(W*H*D) | 1015*680*310 |
| Weight (with mounting plate) | 140KG |
| Protection Degree | IP 65 |
| Topolgy | Transfprmerless |
| Cooling Method | Air cooling |
| Relative Humidity | 0%~100% Relative Humidity(Non-codensing) |
| Operating Temperature Range | -25℃~60℃ |
| Connector(PV input and output) | MC 4 |
| Battery connector | Screw |
| Max. Operating Altitude | 4000m |
| Warranty | 5years |
Standard Compliance
| Certificate | EN 62109-1/-2, IEC 62109-1/-2 |
Appendix
11.1 Quality Warranty
For products that fail during the warranty period, LUX power tek (hereinafter referred to as our company) will repair or replace the product. If you need to repair or replace the product, please show the invoice and date of purchase.
Liability exemption
The company reserves the right not to guarantee quality in the following situations:
- Incorrect installation, modification or use.
- Exceeding the harsh conditions of use described in this manual
- Machine failure or damage caused by changes, disassembly, etc. not authorized by the company.
- Anything beyond the scope of installation and use specified in the relevant international standards.
- Damage caused by unforeseen natural disasters
11.2 Contact Information
If you have technical problems with the product, please contact your installer or LUX POWER.
When inquiring, please provide the following information
- Serial number of the converter
- The error message code on the LCD of the converter
- System wiring diagram
- Converter input, output voltage
- The communication method of the converter, etc
Shenzhen Lux Power technology Co., LTD
http://www.luxpowertek.com
E-Mail:[email protected]
Add: 5th floor, A Zone of Building 11, Hengchangrong High-Tech Industrial Park,
Huangtian Comunity, Hangcheng Street Bao’an District, Shenzhen, China











































