DM (Dimmer Module)
Installation Manual

Advantage Air Pty Ltd
115 Vulcan Rd, Canning Vale WA 6155
Ph: 1300 850 191 or email: [email protected]
Electrical Safety
General
The Dimmer Module must be installed and/or used in accordance with your current local electrical codes and regulations.
If you are unsure about any part of this installation contact a licensed electrician before proceeding.
Some steps of the installation process are required to be completed only by a licensed electrician; these steps are marked with this symbol
The Dimmer Module conforms to the AS/NZS 60669.2.1:2013 safety standard.
The Dimmer Module has Safety Extra Low Voltage (SELV) section. Installations may have a mix of 240V and SELV wiring and switch Always ensure the MAIN POWER breaker is OFF before connecting, configuring or modifying the Dimmer Module.
The Dimmer Module system runs at Safety Extra Low Voltage (SELV). Mega (aka megger) tests do not apply.
The PS-48 and the CB PSU-ACDC MUST be physically unplugged from their GPO’s before Mega testing an electrical installation.
Please also note that all Dimmer Module switches and their wiring are not part of the 240V electrical install. The switch wiring and dimmer inputs are SELV and must NOT be subject to any Mega testing.
Mega testing the Dimmer Module outputs must not be done as the Dimmer Module uses solid-state output devices that may be permanently damaged
if subjected to the voltages used during these tests. Warranty will be void if this is not observed.
Specifications
| Input voltage | 48VDC +5%, 0.2A |
| Output voltage | 220-240VAC 50 Hz |
| Max output load | 1.5A (300VA) |
| Environmental | IP20 |
TIP: See Load Guidelines section.
Installation
Mounting
The Dimmer Module can be installed onto any flat surface using screws:
- use thread diameter 4 – 5mm
- use head size 9 – 11mm diameter.
- minimum thread length of 15mm.
Example for screwing into timber: 8Gx15mm button head screw.
Care must be taken to ensure that the internal PCB is totally free of any foreign objects such as stray wire strands before applying power. Failure to ensure this may result in permanent damage to the DM that is not covered under warranty.


System Size
A maximum of 72 switch circuits can be controlled by a MyPlace system with up to 12 MyPlace modules. A mix of DM’s, LM’s, RM’s, and RM2’s can be used but there is a maximum of 12 modules in total. The type of MyPlace module can affect the maximum number of switch circuits in a system. ie. 12
x DM dimmer modules can control a maximum of 48 lighting circuits compared to 12 x RM2 modules and 72 available circuits.
Load Guidelines
The max load is 300VA per channel.
What you can connect to each channel depends upon its VA rating and inrush current.
For example, as a guideline, one DM channel can control:
- 150W of low voltage lighting – where electronic transformers are used. This includes all 240V powered LED lights and low voltage halogen lighting.
- 300W of 240V halogen or another filament lighting.
PowerPoints
Install a surge-protected power circuit ensuring you have one PowerPoint for each PS-48 and CB PSUACDC power supply unit.
Installation of power circuits and power points must be completed by a licensed electrician.
Overviews
DM Overview

System Overview
Switch Wiring Options
48V Switching – Method 1
Low voltage wiring to the wall switch. Connects to “LOW VOLTAGE SWITCH INPUT” on the DM.
Note: Wall Switches should be fitted for each channel of lights.
Recommended: use latching push-button type wall switches.
Example: Use Clipsal 30PB (not bell press). Regular switches can also be used for lights (Clipsal 30M).
240V Switching (using ADAP SW48) – Method 2
Leave the existing house wiring in place and use the ADAP SW48.
When using the ADAP SW48, ensure you use the ADAP SW48CABLE10 or ADAP SW48CABLE20 to
connect to the “LOW VOLTAGE SWITCH INPUT” on the DM.

Polarity Sensitive ADAP 48SWCABLE10/20

Using the ADAP SW48 with Clipsal Saturn or similar LED lit switches
If you require Clipsal Saturn (and similar other types) light switches that have a LED indicator light, then 240V will be required at the switches to operate the LED. The 48V switch wire coming off the DM is unable to control the LED.
Please refer to the wiring instructions provided by the switch manufacturer for recommended configurations.
Lights 240V Wiring
Important introduction
To install the cables going to their respective loads, perform the following steps.
Note: Channel 1 is a special case and requires a neutral connection.
- Ensure all power is turned off.
- Remove the lid of the Dimmer Module.
- Pass the load cable through the cable gland.
Note: The cable diameter needs to be between 5 and 10mm. - Screw the cables to the appropriate channel terminals as depicted in the table below.
Note:
a) At a minimum, channel 1 must be installed with a neutral connection.
b) The strip length is 6mm.Channel ‘C’ Terminal Centre
Terminal‘1’ 1 Active Neutral Load 2-4 Active Not used Load
5.Tighten the cable glands.
6.Set the DIP switches (in the next section).
7.Replace the lid with 6 screws.
The dimmer outputs must be wired and housed in accordance with the applicable wiring rules, regulations, and standards.
All 240V mains wiring must be done by a licensed electrician.
240V Wiring – Method 1 (using 48V switching on inputs)

240V Wiring – Method 2 (using 240V switching [using ADAP SW48] on inputs)
This method uses 240V switching and controls 240V lights.

Channel Setup
DIP Switch Setup
- Remove the DM lid
- Set the DIP switch for each channel according to what will be operated by the channel (see the table below for DIP settings)
- Close the lid
| DIP SWITCH SELECTION (CH-1 to CH-4) | ||||
| FUNCTION | SW1 | SW2 | SW3 | SW4 |
| Off | OFF | OFF | OFF | OFF |
| Light | OFF | OFF | ON | OFF |
| Dimmable Light | ON | OFF | ON | OFF |
Ensure mains power is turned off before removing the lid.

Rename each button on the Wall Mounted Touch Screen
- Go to: MyLights (yellow tab) > Setup > Light wizard
- Flick the switch of the lights you want to rename
Set Dim Offset
The Dim Offset adjustment sets the lowest dimming level for mains voltage lights. Adjust this level so the light connected remains on doesn’t flash or go out. Different types of lights may need a different offset setting.
NOTE: Some dimmable LED lights only offer a small range of dimming.
- Go to the MyLights Tech Setup (Dealer Password: 22369)
- Select the “Set Dim Offset” button from the menu
- Select the light to be adjusted from the list on the left of the screen
- Tap the “ON/OFF” button to toggle the light on
- Adjust the Dim Offset level using the “+” or “-“ buttons as required. The range of value is from a minimum of 1 and maximum of 10
- Select another light to adjust and repeat steps 4-5 or tap “BACK” when you are finished
Purple Blue Yellow – which tabs will be shown
Please see the table of Tabs below that the end-user will see on their MyPlace wall-mounted touch screen, based on what they have installed – and what modules are used for the install.
Acronyms:
ELV Lights = 48V extra low voltage lights.
BOG = Blinds, Other, Garage Door.
If MyAir is installed: | ||||
| no Lights and no BOG | × | × | CB8 | |
| System has BOG | × | CB8 + RM2 | ||
| The system has Lights (240V or ELV), no BOG | CB8 + LM/RM (or RM2) | |||
| The system has Lights (240V or ELV) and also has some BOG | CB8 + LM/RM and RM2 | |||
If No MyAir is installed: | ||||
| System has BOG | × | × | CB9Z MYP + RM2 | |
| System has Lights (240V or ELV), no BOG | × | CB9Z MYP + LM/RM (or RM2) | ||
| System has Lights (240V or ELV) and also has some BOG | × | CB9Z MYP + LM/RM and RM2 | ||
(or CB ZL)
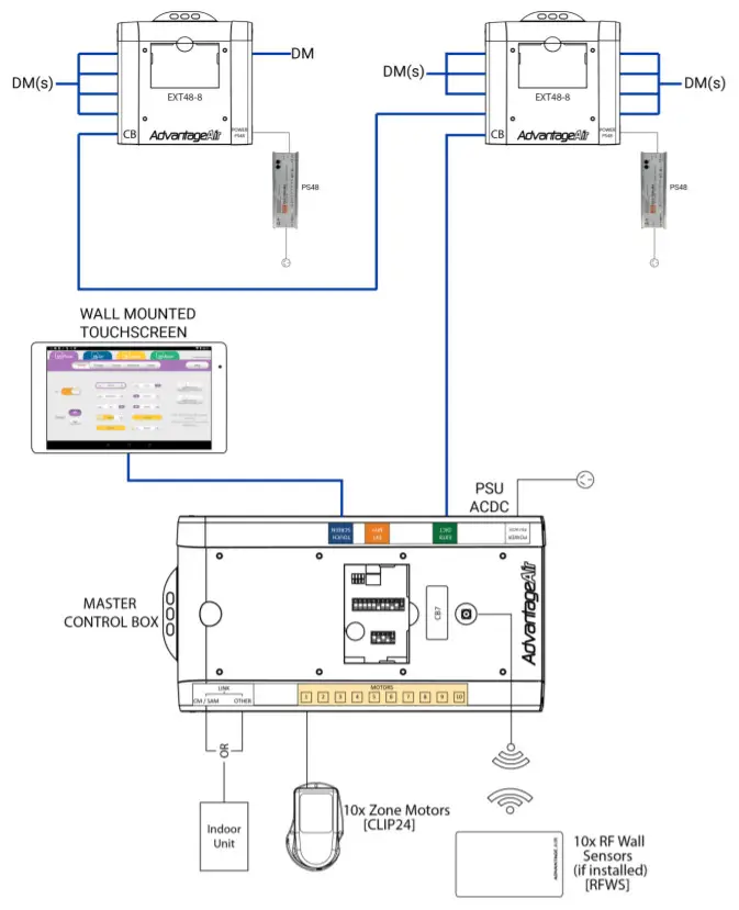
Power Supply Options
The Dimmer Module has two power supply connection options:
Single Dimmer Module
Connect the PS-48 directly into the RM2 module.

Multiple Dimmer Modules
An EXT-48 can be used to share power from each PSU48 for up to 8x DMs.

More than 8x DMs

Switch Wiring Options


















