WooriNet WM-H801UE 5 G Cbrs M.2 Module

Product Information: WM-H801UE Hardware Manual
- Product Name: Woori-Net
- Issue Date: 2022.12
- Document Name: WM-H801UE
- Version: 0.4
Introduction
- Overview: This manual provides information on the WM-H801UE hardware.
- Frequency Band: The device operates in the 2.4 GHz frequency band.
Main Features:
- Operates in the 2.4 GHz frequency band
- Has a maximum transmit output power of 20 dBm
- Has a minimum receiver sensitivity of -95 dBm
- Antenna configuration is external or chip antenna
Block Diagram: The block diagram of the device is provided in the manual.
PINS ALLOCATION
- Pin Assignment: The pin assignment for the device is provided in the manual.
- I/O Parameter definitions: The I/O parameter definitions for the device are provided in the manual.
- Pin Description: The pin description for the device is provided in the manual.
- Signal that Must be connected: The signals that must be connected for the device are provided in the manual.
- Configuration Pins: The configuration pins for the device are provided in the manual.
RF Specification
RF performance:
- Maximum Transmit Output Power: 20 dBm
- Minimum Receiver Sensitivity: -95 dBm
Antenna specification:
- Antenna Configuration: External or Chip Antenna
Product Usage Instructions
- Connect the device to a power source.
- Refer to the pin assignment in the manual and connect the necessary signals.
- Configure the device using the configuration pins provided in the manual.
- The device operates in the 2.4 GHz frequency band, ensure that the frequency band is compatible with your intended use.
- The device has a maximum transmit output power of 20 dBm and a minimum receiver sensitivity of -95 dBm, ensure that these specifications meet your requirements.
- The device can be used with an external or chip antenna, refer to the manual for antenna configuration details.
Revision History
All revisions made to this document are listed below;
| Version | Date | Description |
| 0.1 | 2022-02 | 문서 초안 작성 |
| 0.2 | 2022-07 | If I2C interface are used, 2.2K Ω pull-up registers are required in the customer board. |
| 0.3 | 2022-10 | Memory spec was changed from 4Gbit NAND Flash + 4Gbit LPDDR4 to 8Gbit NAND Flash + 8Gbit LPDDR4 |
| 0.4 | 2022-12 | Added Label and warning |
Introduction
Overview
WM-H801UE is M.2 Module for application, such as M2M application and industrial IoT device platform based on 5G CBRS n48 networks for data communication.
Frequency Band
The operating frequencies in 5G CBRS n48 mode conform to the 3GPP specifications.
5G NR Sub6 Band supportive
| NR Band | Duplex Mode | Uplink Frequency(MHz) | Downlink Frequency(MHz ) | Channels | SCS (kHz) |
| n48 – 3600 | TDD | 3550 – 3700 | T/Rx: 636668 – 646666 | 30 | |
Main Features
| Function | Features |
| Physical | M.2 Type 3253-XX-B |
| Cellular technology | 5G CBRS n48 |
| 2×2 MIMO | 5G: n48 |
| GNSS | Dual-Frequency GNSS Upper L-band: GPS/Glonass/Beidou/Galileo Lower L-band: GPS/Galileo |
| USIM port – dual voltage | Support for SIM Class B and Class C support Clock rates up to 4 MHz |
| Application processor | Application processor to run customer application code 32 bit ARM Cortex-A7 up to 1.5 GHz running the Linux operating system 8Gbit NAND Flash + 8Gbit LPDDR4 MCP is supported |
| Main Interfaces | PCIe Gen3 x 1-lane USB 3.1 Gen 2 Peripheral Ports – GPIOs I2C |
| Antenna connection | 4 x MHF-4 type Cellular/GNSS antenna connectors 1 x MHF-4 type Dedicated GNSS antenna connector |
| Form factor | M.2 Form factor (32 * 53 * 3.55 mm), accommodating the multiple RF bands |
| Environment and quality requirements | The device is designed and qualified by Woori-net to satisfy environmental and quality requirements. |
| Single supply module | The module internally generates all its required internal supply voltages. |
| Operating temperature | Range -20°C to +60° |
RF Specification
The RF performance in 5G, LTE and WCDMA modes conform to the 3GPP specifications
Maximun Transmit Output Power
TX power follows the measurement conditions and specifications defined in 3GPP.
| Band | Power class |
| 5G CBRS n48 | 3 (0.2W) |
Minimum Receiver Sensitivity
Receiver Sensitivity follows the measurement conditions and specifications defined in 3GPP.
| Technology | 3GPP Compliance |
| 5G CBRS n48 | Throughput >95% |
Voltage/ Room temperature
Scenario: n48 40MHz sen LMH
| Band | Bandwidth | Channel | Test Item | Meas. Value[dBm] |
| n48 | 10MHz | 637000 | NR FR1 RXSENS_SEARCH UL[DFT_QPSK_REFSENS]&DL[QPSK_Outer_FullRB](24@0) | -102.50 |
| n48 | 10MHz | 641666 | NR FR1 RXSENS_SEARCH UL[DFT_QPSK_REFSENS]&DL[QPSK_Outer_FullRB](24@0) | -103.00 |
| n48 | 10MHz | 646332 | NR FR1 RXSENS_SEARCH UL[DFT_QPSK_REFSENS]&DL[QPSK_Outer_FullRB](24@0) | -102.50 |
| n48 | 20MHz | 637334 | NR FR1 RXSENS_SEARCH UL[DFT_QPSK_REFSENS]&DL[QPSK_Outer_FullRB](50@0) | -99.50 |
| n48 | 20MHz | 641666 | NR FR1 RXSENS_SEARCH UL[DFT_QPSK_REFSENS]&DL[QPSK_Outer_FullRB](50@0) | -99.50 |
| n48 | 20MHz | 646000 | NR FR1 RXSENS_SEARCH UL[DFT_QPSK_REFSENS]&DL[QPSK_Outer_FullRB](50@0) | -99.00 |
| n48 | 30MHz | 637668 | NR FR1 RXSENS_SEARCH UL[DFT_QPSK_REFSENS]&DL[QPSK_Outer_FullRB](75@0) | -98.00 |
| n48 | 30MHz | 641666 | NR FR1 RXSENS_SEARCH UL[DFT_QPSK_REFSENS]&DL[QPSK_Outer_FullRB](75@0) | -97.50 |
| n48 | 30MHz | 645666 | NR FR1 RXSENS_SEARCH UL[DFT_QPSK_REFSENS]&DL[QPSK_Outer_FullRB](75@0) | -97.50 |
| n48 | 40MHz | 638000 | NR FR1 RXSENS_SEARCH UL[DFT_QPSK_REFSENS]&DL[QPSK_Outer_FullRB](100@0) | -96.50 |
| n48 | 40MHz | 641666 | NR FR1 RXSENS_SEARCH UL[DFT_QPSK_REFSENS]&DL[QPSK_Outer_FullRB](100@0) | -95.50 |
| n48 | 40MHz | 645332 | NR FR1 RXSENS_SEARCH UL[DFT_QPSK_REFSENS]&DL[QPSK_Outer_FullRB](100@0) | -96.00 |
Antenna specification
Antenna Configuration

Refer to the following antenna configuration assigned.
| Antenna Port | Technology | Tx | Rx | GNSS |
| ANT0 | 5G NR FR1 | n48 | n48 | – |
| ANT1 | 5G NR FR1 | – | n48 | – |
| ANT2 | 5G NR FR1 | n48 | n48 | – |
| ANT3 | 5G NR FR1 | – | n48 | GPS L1, Galileo E1, Beidou B1, Glonass G1 |
| ANT4 | GNSS | – | – | GPS L1, Galileo E1, Beidou B1, Glonass G1 |
Antenna Connector
| RECEPTACLE | ||
![]() | Receptacle Part No.(I-PEX) | |
| 20449-001E | ||
| 20449-001E-01 | ||
| 20449-001E-03 | ||
| PLUG | ||
![]() | Cable type plug Part No. (I-PEX) | |
| Mating height | ||
| Max.1.2T | ||
| COAXIAL | 20611-001R | |
| CABLE | 20572-001R-8, | |
| Type | 20448-00*R-081 | |
| 20448-001R-081E | ||
| Max.1.4T | ||
| 20565-001R-** | ||
| Max.1.7T 20632-001R-37 | ||
| SMT Type | ![]() | SMT type plug Part No. (I-PEX) Mating height Max.1.2T 20462-001E (I-PEX) |
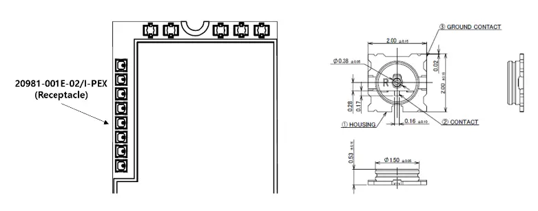
mmWave Antenna Connector
| RECEPTACLE | |
![]() | MHF 7S Receptacle Part No. 20981-001E-02 (I-PEX) |
| PLUG | |
![]() | MHF 7S PLUG Part No. Max.1.4T 20980-001R-13 (I-PEX) |
Antenna Requirements
The antenna must specifications meet the following requirements
LTE/5G Sub-6 Antenna Requirements
| Frequency Range | Depending by frequency band(s) provided by the network operator, the customer shall use the most suitable antenna for that/those band(s) |
| Impedance | 50Ω |
| Input Power | > 24 dBm average power in LTE & 5G Sub-6 |
| VSWR absolute max. | <= 10:1 |
| VSWR recommended | <= 2:1 |
GNSS Receiver
The WM-H801UE integrates a GNSS receiver that could be used in Standalone mode and in A-GPS (assisted GPS), according to the different configurations.
| Frequency Range |
|
| Impedance | 50Ω |
| Gain | 1.5 dBi < Gain < 3 dBi |
| Amplification | 18 dB < Gain < 21 dB |
| Supply Voltage | 3.1 V |
| Current consumption | 20 mA Typical |
GNSS RF Front End Design(TBD)
The WM-H801UE contains an integrated LNA and pre-select SAW filter. This allows the module to work well with a passive GNSS antenna. If the antenna cannot be located near the WM-H801UE, then an active antenna (that is, an antenna with a low noise amplifier built in) can be used with an external dedicated power supply circuit. GNSS receive path uses either the dedicated GNSS
connector or the shared Secondary #3 antenna connector.
Application Interface
Power Sources
| Nominal supply voltage | 3.3V |
| Supply voltage range | 3.135V – 3.465V |
| Maximum ripple on module input supply | 30 mV |
| Peak current consumption | 3.3V @ 2A |
Power Consumption(TBD)
Below table provides typical current consumption values of WM-H801UE for various operation modes.
Current Consumption
| Mode | Average[Typ.] | Mode Description | ||||
| IDLE Mode | ||||||
| CFUN=1 | TBD | No call connection | ||||
| USB2.0 is connected to a host | ||||||
| Power Saving Mode (PSMWDISACFG=1, W_DISABLE_N:Low) | ||||||
| CFUN=4 | Tx and Rx are disabled; module is not registered on the network (Flight mode) | |||||
| CFUN=5 | in standby mode | |||||
| Operative Mode (NR-FR1) | ||||||
| SA mode 1FR1(2T4R) | 500mA | FR1 : BW100MHz, Full RB, UL:2×2 MIMO DL: 4×4 MIMO UL: 256QAM DL :256QAM UL:400Mbps DL:900Mbps | ||||
*3.3V / room temperature
Turn on and off Scenarios
Full_CARD_PWR_OFF_N
| Pin | Signal | I/O | Function | Comment |
| Turn On/Off | ||||
| 6 | FULL_CARD_PWR_OFF_N | I | Module On/Off | 1.8V/3.3V |
FULL_CARD_POWER_OFF# signal is an Active Low input that is used to turn off the entire module. When the input signal is asserted high (≥1.19 V) the Module will be enabled. When the input signal is driven low signal (≤0.2 V), it will force the module to shut down.
The FULL_CARD_POWER_OFF# pin has internally pulled low with a weak pull-down 100 kΩ resistor. The input must be 3.3 V tolerant but can be driven by either 1.8 V or 3.3 V GPIO.
Mechanical Dimensions
Top and Bottom Views of the Module

Mechanical Dimensions of the Module

Module Stand-off(PAN NUT)
The modules will need a mechanical retention at the end of the board. The module specifies a 5.5 mm diameter Keep-out zone at the end for attaching a screw. This section provides a guideline for using a M2 x 0.4 mm screw with a shoulder stand-off.
Recommended Main Board Hole
The recommended plated-hole sizes for the main board are:
- Drill size 4.3 mm
- Finish size 4.2 ±0.075 mm
- Pad size 6.5 mm
Electrical Ground Path
The module Stand-off and mounting screw also serve as part of the module Electrical Ground path.
The Stand-off should be connected directly to the ground plane on the platform. So that when the module is mounted and the mounting screw is screwed on to hold the module in place, this will make the electrical ground connection from the module to the platform ground plane.
Stand-off Guideline
A shoulder stand-off is a board-level SMT component that has a 2 x 0.4 thread. The height of the stand-off is determined by what connector is used.
* Our manual doesn’t provide a flat stand-off

| Connector Height Descriptor | L2 |
| H3.2 | 1.45 ± 0.03 |
| H4.2 | 2.45 ± 0.03 |
*L2 depends on your M.2 connector height.
- Requirements for SMT
- Polymide patch required for vacuum pick-up
- Minimum thermal conductivity of 50 W/(mK) or greater
- Material = Steel
- Finish = Matte tin, 1.2 microns minimum average
- Tape and reel
Screw Guideline
Screw consideration should be made to usage model. The tolerances of the connector, module and stand-off allow for a gap to exist between the seating plane and the contact. the guidelines of a wafer-head style M2 screw are provided. This screw is intended for use only with the shouldered stand-off. The length is to be determined by the system design; 2 mm length supports L2=1.45 and 2.45 stand-off.

Label

Label Notations
- Model No. WM-H801UE
- FCC ID : 2A9FK-WM-H801UE
FCC statements
FCC Part 15.19 Statements:
This device complies with Part 15 of the FCC Rules. Operation is subject to the following two conditions:
- This device may not cause harmful interference, and
- This device must accept any interference received, including interference that may cause undesired operation.
FCC Part 15.21 statement
Any changes or modifications not expressly approved by the party responsible for compliance could void the user’s authority to operate this equipment. This transmitter must not be co-located or operating in conjunction with any other antenna or transmitter.
Responsible Party Information
Supplier’s Declaration of Conformity
47 CFR §2.1077 Compliance
Information Responsible Party –U.S. Contact Information
Celona Inc.
900 East Hamilton Ave, Suite 200, Campbell, CA, 95008
[email protected]
+1 (408)-504-5487
FCC Part 15.105 statement
This equipment has been tested and found to comply with the limits for a Class B digital device, pursuant to part 15 of the FCC Rules. These limits are designed to provide reasonable protection against harmful interference in a residential installation. This equipment generates uses and can radiate radio frequency energy and, if not installed and used in accordance with the instructions, may cause harmful interference to radio communications. However, there is no guarantee that interference will not occur in a particular installation. If this equipment does cause harmful interference to radio or television reception, which can be determined by turning the equipment off and on, the user is encouraged to try to correct the interference by one or more of the following measures:
- Reorient or relocate the receiving antenna.
- Increase the separation between the equipment and receiver.
- Connect the equipment into an outlet on a circuit different from that to which the receiver is connected.
- Consult the dealer or an experienced radio/TV technician for help.
Regulatory notice to host manufacturer see KDB Publication 996369 D04 for guidance.
This module has been granted modular approval as below listed FCC rule parts.
FCC Rule parts 96
RF exposure considerations
The end manual should include regulatory information/warnings about:
- The module must be installed and operated with minimum distance of 20cm Between the antenna radiating structures and nearby persons.
- The module is classified as a mobile device for RF exposure purposes.
- The antenna(s) used for this module must not simultaneously with any other antenna or transmitter, except in accordance with FCC multiple transmitter product procedures.
As long as the three conditions above are followed, further FCC equipment authorizations may not be required. Refer to FCC publication 996369 D04 for guidance.
Antennas list
This module is certified with the following integrated antenna.
- Type: DIPOLE
- n48 Max. peak Antenna gain : 2.2 dBi
Label and compliance information
End Product Labeling
The module is labeled with its own FCC ID. If the FCC ID are not visible when the module is installed inside another device, then the outside of the device into which the module is installed must also display a label referring to the enclosed module. In that case, the final end product must be labeled in a visible area with the following:
Contains FCC ID: 2A9FK-WM-H801UE
Information on test modes and additional testing requirements
OEM integrator is still responsible for testing their end-product for any additional compliance required with this module installed (for example, digital device emissions, PC peripheral requirements, additional transmitter in the host, etc.).
Additional testing, Part 15 Subpart B disclaimer
The final host product also requires Part 15 subpart B compliance testing with the modular transmitter installed to be properly authorized for operation as a Part 15 digital device.























