Aim-TTi Test Bridge Automation Software

Product Information
The product is a Test Bridge that comes with an instruction manual. It has the following features:
- Multi Instrument Control
- Logging to table and graph format
- Timed sequence control across all instruments and channels
- USB, LAN and RS232 compatible
The product is intended for use with the following compatible instruments:
| Series | Models |
|---|---|
| CPX | CPX200DP, CPX400DP, CPX400SP |
| MX | MX100TP, MX100QP, MX180TP |
| PL | PL-P & PLH-P |
| QL | QL-P Series I & II |
| QPX | QPX1200SP, QPX600DP, QPX750SP |
| TSX | TSX-P Series I & II |
| LD | LD400P |
| LDH | LDH400P |
Note that firmware updates may be required for compatibility.
Product Usage Instructions
Instrument Setup
To set up an instrument, follow these steps:
- Select “Instrument Control” from the Instrument Control Panel icon.
- Select the instrument you want to set up from the drop-down box. The channel output state will match the instrument when connected, this may be on or off depending on the setup. Note that if communication is lost, a “Comms Error” will show and you should check connections and reconnect as shown above.
- To disconnect an instrument, select the connected instrument from the drop-down box. This will reset the Instrument Control Panel back to the default state.
Using the Instrument Control Panel
The Instrument Control Panel displays settings for up to four connected instruments. To use it:
- Click on the channel meter to select the active channel. This will change the main Instrument Control Panel to reflect the readings and settings for that channel.
- To select a different channel, click on or to display all available channels. The channel numbers run in ascending order and start at 1 closest to the Instrument Control Panel. Each channel is shown in a different colour.
- The channel control can be active or hidden at any time using the / & / buttons.
INTRODUCTION
Features
- Multi Instrument Control
- Logging to table and graph format
- Timed sequence control across all instruments and channels
- USB, LAN and RS232 compatible
Intended use
List of compatible instruments:
(Firmware updates may be required for compatibility)
| POWER SUPPLIES | LOADS | ||
| Series | Models | Series | Models |
| CPX | CPX200DP, CPX400DP, CPX400SP | LD | LD400P |
| MX | MX100TP, MX100QP, MX180TP | LDH | LDH400P |
| PL | PL-P & PLH-P | ||
| QL | QL-P Series I & II | ||
| QPX | QPX1200SP, QPX600DP, QPX750SP | ||
| TSX | TSX-P Series I & II | ||
Using this manual
Colour coding:
Green = Larger view / selected are
- ① Orange = Instruction to select
- ① Blue = Optional instruction to select
- ① Yellow = Description of item
Symbols
The following symbols are displayed throughout the manual:
CAUTION: Indicates a hazard that could damage the product that may result in loss of important data or invalidation of the warranty.
NOTE: Indicates a helpful tip
GETTING STARTED

- File: Open/Save Configuration Open or save the Instrument Control Panel and Recording Channel configurations.
- Exit: Close the application.
Connect
- Add Network Instrument – ① Specify the IP address or host name and enter the port number (generally 9221 or 5025) – see the instrument’s Instruction Manual for more details. Click the PING button to test the connection – if successful the USE button will activate. Click the USE button to continue.
- Check Local Ports (USB & RS232) – ② Display and refresh the list of available instruments.
NOTE: Following a power cycle, checking ports can take up to 10 seconds if not connected via LAN.
Help
- Help: This PDF guide to using the software.
- About: Application details and a ‘report generator’ function to provide feedback.
Instrument Control Panel
- The Instrument Control Panel is selected using the icon ③.
- Up to four instruments can be connected to the Control Panel. Each instrument will populate one control box ④.
- For details on how to use the instrument control box, see Instrument control.
INSTRUMENT SETUP
Select an Instrument

- Firstly, ensure Instrument Control is selected ①.
- Select the drop-down box in the Instrument Control Panel ② to show all instruments available.
- If a connected instrument is not shown, refer to Connect.
- The available instruments will be listed under the instrument name e.g ‘QL355TP’ for the QL355TP DC Power Supply.
- Select the instrument ③ to activate the Instrument Control Panel.
- The instrument name will now be shown ④, in addition to the COM port details or IP address ⑤ in the top of the Instrument Control Panel. A coloured strip will be allocated ⑥ on the left, indicating the product category.
- The instrument can be given a unique name, using the edit box ⑦.
- The meter digits show live readings when the channel is on, and the digits will be shown in yellow (CH1). If the output is off, the displayed digits show the set values, and are shown in grey.
NOTE
- The channel output state will match the instrument when connected, this may be on or off depending on the setup*.
- To disconnect an instrument, select the connected instrument from the drop-down box. This will reset the Instrument Control Panel back to the default state. If an instrument is connected and communication is lost, a ‘Comms Error’ will show ⑧. Check connections and reconnect as shown above.
INSTRUMENT CONTROL

Selecting a Channel
(Multi – Channel Instruments)
- The Instrument Control Panel displays the settings of the active channel, the active channel number ① will match the selected channel colour.
- The meter will show Channel 1 when first activated.
- To select a different channel, first select
or
② to display all available channels. The channel numbers run in ascending order and start at 1 closest to the Instrument Control Panel. Each channel is shown in a different colour. - The channel control can be active or hidden at any time using the
/
&
/
② buttons. - Select the active channel by clicking on the channel meter ③ – this will then change the main Instrument Control Panel ④ to reflect the readings and settings for that channel.
Turning Channels On and Off
Single Channel
- To turn the channel output on or off, use the ON/OFF toggle ⑤ below the channel.
- When the channel is on, the meters on the control box show the live data for each available channel, when the output is off the meter shows the set values for each channel (grey).
Multi Channels (All On/All Off)
- It is possible to turn all the channels on or off simultaneously with the All ON or All OFF ⑥ buttons on the Instrument Control.
NOTE: The Multi-Channel control box does not need to be shown to use the All ON or All OFF buttons.
Setting a Value

- The active channel settings are changed using the V Set and I Set settings fields. These show the set values. For electronic load V Set and I Set will be replaced by Level A and Level B.
- To change the value, select the field ①. A pop-up will appear with the setting options.
- Values can be entered by selecting ② and editing, either by using the keyboard or the mouse wheel to increase/decrease the value.
- +/ -③ keys can be used to increase/decrease the set value by the amount specified in the set increment step ④.
- Increment values can be entered by selecting ④ and editing, either by using the keyboard or +/ – buttons to increase/decrease the value.
NOTE: These changes are live and will show on the instrument as they are changed in the Change Setting pop-up.
- Close the Change Settings pop-up using the CLOSE button ⑤.
Settings Menu

- To access the instrument settings, select the Settings Menu button ①.
- This menu contains settings and functions such as OVP, limits, ranges etc. These are instrument specific and will vary depending on the instrument connected.
- Each block of settings is contained within a tree view ②, the selected setting on the left ③ defines the available parameters ④ on the right. If no parameter is available, the action has no numeric value option.
- Press SEND ⑤ to send the formatted command ⑥.
LOGGING
Overview

Logging uses recording channels to capture live data; channels can be set to record values from any channel on an active instrument at specified time intervals. A maximum of 8 parameters can be logged from any active channel. Varying measurement intervals can be set alongside units and plot line colour. The results are plotted on one of the two available graphs and can also be viewed in a table and exported as a .CSV (comma separated values), a .TSV file (tab separated values) or as a plain text file. The graph provides advanced zooming and panning functions, allowing for efficient data analysis.
Logging Setup
- Firstly, select logging mode ①. Before starting, select the primary and secondary units to record on the Y axis using the drop-down boxes on either side: Graph 1= ②, ③ Graph 2= ④, ⑤
- The X axis will always show time (absolute or relative).
- The bar ⑥ can be used to change the proportion of each graph shown.
Logging Controls
Once the recording channels have been setup, data logging is controlled using the logging controls:
- Run – ⑦ Start logging selected data
- Stop – ⑧ Stop logging selected data
- Save – ⑨ Save the logged data as a file (CSV, TXT or TSV)
- Clear – ⑩ Clear all logged data.
NOTE
- ‘Save’ will only save the logged data. To save instrument setups, see File.
- TSV – Tab Separated Values, CSV – Comma Separated Values, TXT – Plain text file.
CAUTION
- The ‘Clear’ action is irreversible. Save any important data before clearing.
Recording Channel Setup

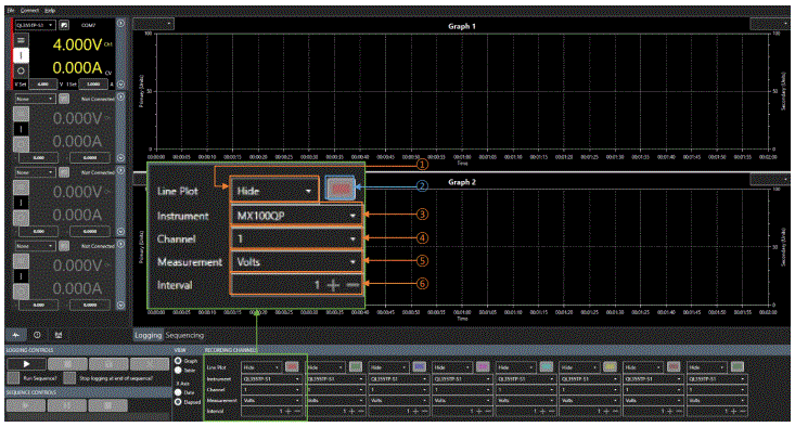
- Line Plot: Select the preferred graph ① to show the logged data on using the drop-down box. This can also be set to hide. The colour of the logging line can be selected from the colour picker ②.
NOTE: Data will not be displayed or logged if the line plot is hidden.
- Instrument: Choose which instrument ③ to log the data from using the drop-down box. Only instruments that have been allocated a control panel will be available in the drop down.
- Channel: Select the channel ④ to log data from the chosen instrument.
- Measurement: Select the measurement units ⑤ to be logged. Ensure the units match the units set on the graph.
- Interval: Set the logging interval ⑥ in seconds, the minimum is 250ms. To ensure the best results, check the minimum sampling rate specifications in the instrument’s Instruction Manual.
View

When the data is recorded and displayed on a graph, it can be viewed in several different ways:
Show Values: Click and drag the mouse across the graph ① to show the details ② of that specific point in the logged data. This can be dragged along the entire data line to show any point within the log. The following actions are available for graph navigation. To begin, click on the graph area:

Table

- Any logged data can also be viewed in a tabular format. To change the view, select Table ①.
- The data is arranged in columns. Each active recording channel is allocated a LOG number, ascending from left to right – 1 to 8.
SEQUENCING
Overview
Sequence numbers are limited only by the number of channels that are available; each sequence is allocated to a specified channel on an instrument. Two different parameters can be added to each sequence, along with two events. A range of built-in step options are available, including: sine wave, square wave, triangle wave, ramp, and step.
Sequencing Setup

- Firstly, select Sequencing mode ①, then select Add ② to start creating a sequence.
- Each sequence is allocated to a specified channel. Before the sequence can be created, an instrument ③ and channel ④ need to be specified.
- Use the drop-down boxes to select these. The sequencing tools will now be available to use.
NOTE
- The sequence update period is limited to 250ms. Dots represent the update points, with linear lines joining points. i.e. A sine wave set for 1s period will have 5 points and be represented as a triangle.
Adding Steps to a Sequence
Each individual channel sequence can contain a primary and secondary parameter, and an event for each parameter. These are selected using the radio buttons ⑤ and colour coded for identification.
To add a step to the sequence, select the parameter or event, then select a shape from the options in the step selection ⑥. Each shape has a unique pop-up window ⑦ that gives the editable parameters for that shape:
Each step has the option to Insert, Add or Cancel ⑧:
- INSERT: Place the step BEFORE the selected step.
- ADD: Place the step AFTER the last step.
- CANCEL: Return to the sequence without making any changes.
- There is also an option to name the step ⑨.
Editing a Sequence

Steps that have been added to the sequence can be selected using the drop-down box ①. The steps are highlighted in the sequence with a background the same colour as the unit/event.
- Step selection drop down
- Deletes the current step
- Edits the sequence step selected in ①
- Saves a sequence file
- Opens a sequence file
- Repeat the sequence
- When selected, causes the sequence to start when logging starts
- When selected, logging will stop when the sequence is complete
- Starts logging data, if ⑦ is selected the sequence will also start
- Stops logging data, if ⑦ is selected the sequence will also stop
- Saves log data to file
- Clears all log data
- Start/continue the sequence
- Pause the sequence
- Stop the sequence
When selected, steps can be edited using the edit button ③/ deleted using the trash can button ②.
Running a Sequence While Logging
- Once the sequence setup is complete, it can be run by selecting Run Sequence ⑦, followed by the
- Run button ⑨ on the logging controls.
- The logging graph will then show the results for the running sequence, provided the recording channels have been set to view the channel allocated to the sequence. See Recording channel setup for more details.
- ⑨- Start logging and run the sequence if ⑦ is ticked. ⑭- Pause the sequence ⑮- Stop the sequence.
Running a Sequence Independently of Logging
- Once the sequence setup is complete, it can be run by selecting ⑫. ⑦- must be un-ticked to be able to run a sequence independently of logging.
- ⑬- Start/continue the sequence ⑭- Pause the sequence ⑮- Stop the sequence
Saving/Loading a Sequence
- Sequences can be saved using the Save button ④ and loaded using the Load button ⑤.
NOTE: Save / Load will save / load steps for primary and secondary parameters, including events, for the selected sequence. To save instrument setups, see File.
Sequence Events

- A sequence event is added in the same way as a sequence step, using radio buttons ① and steps ②.
- An event allows an action to be added for a met condition and therefore has the following additional parameters: Condition, Action & Show Action.
- If the value read from the instrument meets the condition ③ the selected action ④ will be performed.

- If you choose Jump to Step as an action, you must then specify the step number ⑤ and choose if you want just this channel to jump or all channels ⑥.
- Show Action ⑦ allows you to show the action on the sequence graph to remind you what will happen if the condition is met, this can be hidden by un-ticking the box or change its location by selecting where it will be shown from the dropdown list ⑧.
NOTE: Jump to Step will cause the sequence progress bar to go backwards if you jump to an earlier step (e.g. jump from step 2 to step 1)
ERROR LOG AND COMMUNICATIONS
Error Log

- The Error Log panel is selected using the tab ① and will present any errors that have been logged.
- Each error message ④ has an index number ② and time allocated ③ as a reference point.
- The Error Log can be saved using the Save Error Report button ⑤.
- To change the instrument, select the number reference ⑥ using the +/- keys. Numbers run from 0-3 starting with the first instrument at 0.
Communications

- The communications panel is selected using the tab ①.
- The communications panel shows the commands used to communicate between Test Bridge and the connected instruments.
- Messages ② are either a sent or received command this is indicated with the Out/In arrows ③. Each message has an index number ④ and time allocated ⑤ as a reference point.
- To change the instrument, select the number reference ⑥ using the +/- keys. Numbers run from 0-3 starting with the first instrument at 0.
- Messages are recorded at the selected interval update rate ⑦ – the minimum is 100ms. Messages are recorded even when the instrument is idle. To stop communications recording idle data, select the Turn Off Idle update ⑧.
- The history can be cleared using the clear history button ⑨.
EXCELLENCE THROUGH EXPERIENCE
- Aim-TTi is the trading name of Thurlby Thandar Instruments Ltd. (TTi), one of Europe’s leading manufacturers of test and measurement instruments.
- The company has wide experience in the design and manufacture of advanced test instruments and power supplies built up over more than thirty years.
- The company is based in the United Kingdom, and all products are built at the main facility in Huntingdon, close to the famous university city of Cambridge.
TRACEABLE QUALITY SYSTEMS
- TTi is an ISO9001 registered company operating fully traceable quality systems for all processes from design through to final calibration.

Certificate number: FM 20695
WHERE TO BUY AIM-TTI PRODUCTS

- Aim-TTi products are widely available from a network of distributors and agents in more than sixty countries across the world.
- To find your local distributor, please visit our website which provides full contact details.
Designed and built in Europe by:

Contact
Thurlby Thandar Instruments Ltd.
- Glebe Road, Huntingdon, Cambridgeshire. PE29 7DR United Kingdom
- Tel: +44 (0)1480 412451
- Fax: +44 (0)1480 450409
- Email: [email protected]
- Web: www.aimtti.com


















