TTC Series Torque Tool Tester
Operation Manual
TTC Series Digital Torque Tool Tester
| Operators should wear protection such as a mask and gloves in case pieces or components break away from the unit under test. Whether the unit is ON or OFF, DO NOT exceed the capacity of the sensor. NEVER exceed 120% of the rated capacity, or the torque sensor will be damaged. At 110% of the rated capacity the display will flash a warning. Measure in line torque only. DO NOT attempt to measure forces at an angle to the sensor – damage to sensor may result. Do not attempt to repair or alter this instrument. Warranty will be voided and damage to the unit may result. Use and store within the stated temperature and humidity ranges, or damage and failure may result. Ensure during testing unit is properly mounted & secured to stable surface. Mount display with the two integral 8.5 mm mounting holes only. External sensor models use all four integral mounting holes. If not using this instrument for extended periods of time, remove the batteries to prevent potential battery leakage from causing product damage. |
The TTC Digital Torque Tool Tester is a simple operation test instrument for quickly checking torque tool performance up to 590 ft-lb (800 N-m).
The TTC Series provides exceptional accuracy for measuring torque on various products including torque wrenches, manual screwdrivers, electric screwdrivers, pneumatic screwdrivers and other torque controlled power tools.
The TTC’s provide long operation life and power flexibility with the ability to work from the internal rechargeable battery or included AC adapter.
The TTC’s have six modes of operation: Track for live readings, Peak which records the highest level over a test, First Peak which records a reading after a programmed decrease, Auto Peak which resets after a period of time, Auto First Peak which resets the first peak after a period of time, Double Peak which provides two separate peak readings from programmed decreases. Preset operation with programmable tolerance thresholds for quick pass fail tool test is available in all modes.
The analog bar graph on the backlit, reversible LCD aids users by providing the resultant torque’s current position compared to the full scale range along with the direction of the force. Pass/fail icons produce live test feedback allowing instant determination of the results.
Every tester comes standard with USB and RS-232 outputs. The TTC’s software enables the uploading of data and the additional statistical analysis with its auto-calculation of the selected values.
These excellent features make the TTC Torque Tool Testers a valuable and versatile addition to the production and quality control departments.
SPECIFICATIONS
Measuring Range: 0.5% – 100% capacity
Accuracy: ± 0.3% of reading
Units of Measure: N-cm, N-m, in-lb, ft-lb, kg-cm (depending on range)
Measure Modes: Track, Peak, First Peak, Auto Peak, Auto First
Peak, Double Peak & Preset
Tool Socket Size: TTC-2/5/10: 1/4” & 1/2” (6.3 & 12.5 mm);
TTC-20/50/100/200: 3/8” & 1/2” (10 & 12.5 mm); TTC-500/800: 3/4” (19 mm)
Overload Protection: 120% of Full Scale
Sampling Rate: 2000 Hz
Peak Capture Rate: 0.05 s
Display: 160* 128 Dot matrix backlit LCD
Display Update Rate: 10 times/sec
Resolution: See Chart
Memory: 1000 data
Set Point: Programmable High and Low Limits
Battery Indication: Battery icon flashes when low
Charger/Adapter: Universal USB charger, input 100 – 240 V ac 50/60 Hz
Operating Temperature: 14 to 104ºF (-10 to 40ºC)
Humidity Limit: 20 – 80% RH
Power: 3.6 V dc 1600 mAH Ni-MH
Battery Life: Approx. 16 Hours continuous on full charge Output: USB, serial port RS-232, High and low limit NPN
Dimensions: Display TTC-I: 7.75 x 7 x 3.3” (197 x 180 x 83 mm);
Display TTC-E: 7.75 x 7 x 3” (197 x 180 x 75 mm);
External Sensor (50, 100 N-m): 4.3 x 3.3”(110 x 83 mm);
External Sensor (200, 500 & 800 N-m): 4 x 3.8” (100 x 98 mm) Product
Weight: TTC-I: 3.3 lb (1.5 kg); TTC-E Display: 2.6 lb (1.2 kg); TTC-E200/500/800
External Sensor: 4.4 lb (2 kg)
Package Weight: TTC-I: 6.5 lb (3 kg); TTC-E-200/500/800: 10.2 lb (4.6 kg)
Warranty: 1 year
Certification: CE
Included Accessories: USB cable, charger adapter, cal. cert. peccable, square driver adapter connector
LCD SCREEN STANDARD VIEW
- Test Mode Icons:

Track: Real Time, live measuring mode 
Peak: Reading will not change until a higher value is measured 
First Peak: Captures First Peak after a decrease has been detected. Drop Ratio set in menus. 
Auto Peak: Resets Peak after a programmed time period 
Auto First Peak: Resets the First Peak after a programmed time period. First Peak drop Ratio set in menus 
Double Peak: Captures two First Peak values. Both drop ratios set in drop ratio menu - Battery Icon: Battery level or charging status. Flashes when gauge needs to be recharged.

Preset: Set the upper & lower limit for GO/NG testing 
Under Lower Limit 
Between Low Limit & Upper Limit 
Over Upper Limit - OK/OV Preset Indicator:

Clockwise (CW) 
Counterclockwise (CCW) - Torque Icons: Indicates force direction.
- Current measured value
- Analog Bar: Indicates current position within full scale. When the bar enters the area enclosed by the dotted line, this signifies the full scale capacity is exceeded by an overload condition.
- Storage Icon: Indicates data is being saved.
- System time
- Units Indicator: Selected engineering unit.
- Statistics X: Average; R: Variance
- Data list: Five Point Measurement in Peak & First Peak Modes12. Key Setting Mode: Printer Icon Key press will print. Disc icon key will store reading.
- Double Peak Mode Percentages
- Sensor Icons: TTC-E Only
| Sensor is Connected | |
| Sensor not Connected |
Optional Accessories: RS-232 cable, Rundown adapters,
Printer. Note: Software available for free at www.shimpoinst.com
![]() | ![]() |
MODE DIAGRAM DETAILS

KEY FUNCTIONS
POWER: Push for 2 seconds to power On or Off
SAVE/PRINT: Print the current force value or store data, depending on the key setting. (See 7 for key setting)
Changing Values: Select next digit location.
MENU/ENTER: Enter the menus. In
Menus: Select or Enter
ZERO/EXIT: Zeros Values
In Menus: Back or Exit
MODE/UP: Changes the measurement mode In
Menus: Moves selection up or increases the value.
DOWN: Moves selection down or decreases the value.
| Menu | Unit | |
| Group | ||
| Test Mode | ||
| Capacity (TTC-E Only) | ||
| Preset | ||
| Browse | ||
| Print All | ||
| Print Select | ||
| Upload | ||
| Delete Select |
| Delete All | ||
| Display Mode | ||
| Auto Power Off | ||
| Backlight | ||
| Key Tone | ||
| Language | ||
| Date/Time | ||
| Diagram Scale | ||
| Key Setting | ||
| Display Direction | ||
| Default | ||
| Information | ||
| Torque | ||
| Sensitivity | ||
| Weight | ||
| Force |
5.1 Measurement
The Measurement menu contains four selectable items: Unit, Group, Test Mode, Preset.
From the home screen, touch “MENU/ENTER” to enter the main menu.
![]()
5.2 Unit
The measuring unit can be selected under this menu. Different range models may have different unit selection capabilities. Touch “MOVE/UP” or “DOWN” keys to shift to the next selection. Press “ZERO/EXIT” to cancel or touch “MENU/EXIT” to confirm and exit.

5.3 Group
When several test samples need to be measured, the samples can be coded into groups. The range is 01-99. When set to “00”, changes to “01 automatically as “00” is not an available choice. Press “MODE/UP” to adjust the value, touch “PRINT/SAVE” to shift to the next position. Touch “ZERO/EXIT” to cancel; press “MENU” to confirm and exit.

5.4 Test Mode
Change the mode of operation between the six modes. Press “MODE/UP” or “DOWN” keys to select. Press “ZERO/EXIT” to cancel or “MENU/ENTER” to confirm and exit. This adjustment can also be changed at the home screen display by simply pressing “MODE”. First Peak Mode will display a drop ratio setting menu. This drop ratio actives the first peak recording. Auto Peak Mode will display a Peak Time setting menu. This resets the peak value after programmed time has elapsed. Double Peak Mode will display a dual drop ratio settings menu. This will enable two separate peak values to be recorded.

5.5 Capacity (TTC-E Only)
The TTC-E with external sensor when set to Auto, the display will automatically detect the proper range of the sensor. If any uncertainty or in special circumstance, you may select the sensor range in the list.

5.6 Preset
In the Preset menu, program high and low limit values to enable ok/ov testing. The lower limit value cannot be greater than the upper limit value, and neither limit value can be greater than 110% of the rated capacity. Select proper mode to have presets active. Press “MODE/UP” to adjust the value, touch “SAVE/PRINT” to shift to the next position. Press “ZERO/EXIT” to cancel; touch “MENU/ENTER” to confirm and exit.
MEMORY
In the Memory menu, the user can browse, delete, or print the data.
6.1 Browse All
The data will be displayed. Touch “MODE/UP” or “DOWN” keys to go to the next position. Touch “MENU/ENTER” to see additional details of the data. Touch “ZERO/EXIT” to go back.
6.2 Print All
In the Print All Menu the data saved in memory can be output to a printer through the serial port RS232 connection. (See 10.3 RS232 in Communications section for more information)
6.3 Print Selected
In this menu, select the data range to print. Touch “MODE/UP” to adjust the value, touch “SAVE/PRINT” to shift to the next position. Press “ZERO/EXIT” to cancel; touch “MENU/ENTER” to confirm.
6.4 Upload
- Choose in EDMS software the ‘Upload Memory Data From Gauge’ selection.
- On the TTC screen, select Upload. The screen should display ‘Upload…’ as shown below.
- While ‘Upload…’ is visible on the screen, click ‘Start Acquisition’ on the EDMS software.
- Data should populate the table on the right hand side of the software screen.
6.5 Delete Selected
Select the range of data to be deleted. Touch “MODE/UP” to adjust the value. Press “SAVE/PRINT” to shift to the next position. Touch “ZERO/EXIT” to cancel; touch “MENU/ENTER” to confirm.

6.6 Delete All
In this menu, a prompt will appear. All data will be deleted by selecting “YES” and canceled by selecting “NO” or pressing “ZERO/EXIT”.

SYSTEM
Under the System menu, several parameters may be set.

7.1 Display Mode
Two display modes may be selected: Digital and Graphic.

7.2 Auto Power Off
To maximize battery life, the power can be set to shutdown after nonuse. The time can be set in this menu. The range is 01-99 minutes. When set to “99” the gauge will never turn off. Touch “MODE/UP” to adjust the value, touch “SAVE/PRINT” to shift to the next position. Press “ZERO/EXIT” to cancel; Push “MENU/ENTER” to confirm and exit.

7.3 Backlight
Under this menu, the backlight can be set to ON, OFF or have an auto shutdown time. Touch “MODE/UP” or “DOWN” keys to shift to the next position. Press “ZERO/EXIT” to cancel. Press “MENU/ ENTER” to confirm and exit.

7.4 Key Tone
Turn the key sound ON or OFF. Touch “MODE/UP” or “DOWN” keys to shift to the next position. Touch “LOG” to cancel; Press “MENU/ENTER” to confirm and exit.
7.5 Language
Select between English, German and Chinese.
7.6 Date/Time
The system time may be set under this menu. Touch “MODE/ UP” to adjust the value. Press “SAVE/PRINT” to shift to the next position. Touch “ZERO/EXIT” to cancel. Press “MENU/ENTER” to confirm and exit.

7.7 Diagram Scale
Select the visible are of the graph when in diagram mode in this menu. Select between 3 levels.

7.8 Key Setting
Set the default function of the “SAVE/PRINT” key from the home screen. The function can be set to print or store the current displayed value. Press “MODE/UP” or “DOWN” to select the proper setting. Press “LOG” to cancel; touch “MENU/ENTER” to confirm and exit.

7.9 Display Direction
Select the mode of the LCD display: Automatic, Obverse or Reverse. Touch “MODE/UP” or “DOWN” keys to shift to the next position. Press “ZERO/EXIT” to cancel; Push “MENU/ENTER” to confirm and exit.

7.10 Default Setting
If you make a selection that you feel has caused the gauge to operate improperly, you can restore the instrument to the factory default settings. Carefully use this function! The password to accomplish this factory default is 1, 2, 3. A confirm screen will appear to complete.

7.11 Information
Information includes the model, version of the software and the serial number.

CALIBRATION
To Obtain access to the calibration sub menus, input the password 1, 2, 3. Four methods of calibration may be selected.

8.1 Torque Calibration
If applying a known standard torque such as with a calibrated torque tool or torque test machine apparatus, use this mode and apply the torque to the TTC.

Input in the standard values by pressing “MODE/UP” to adjust the value, touch “SAVE/PRINT” to shift to the next position. Press “MENU/ENTER” to view the next available standard value input screen.

After the last standard value input screen, Press “MENU/ENTER” to view the confirmation selection. Here you can select YES or NO with the “MODE/UP” or “DOWN” keys. Press “MENU/ENTER” to confirm the desired selection.

8.2 Sensitivity Calibration
Sensitivity Calibration is specific to higher capacity models where the sensor has a mV/V value equal to a torque value. Input in the values by pressing “MODE/UP” to adjust the value, touch “SAVE/ PRINT” to shift to the next position. Press “MENU/ENTER” to view the confirmation selection. Here you can select YES or NO with the “MODE/UP” or “DOWN” keys. Press “MENU/ENTER” to confirm the desired selection.

8.3 Weight Calibration
In this mode, “Weights” means mass weight. When a lever and a calibrated mass weight are used creating a standard torque, this mode calculates the value properly to calibrate the instrument. The torque generated by weights on a lever (L) is associated with the local gravity acceleration (g) that the user inputs.

Input in the standard lever length (L), gravity (g) and weight values by pressing “MODE/UP” to adjust the value, touch “SAVE/ PRINT” to shift to the next position. Press “MENU/ENTER” to view the next available standard value input screen.
After the last standard value input screen, Press “MENU/ENTER” to view the confirmation selection. Here you can select YES or NO with the “MODE/UP” or “DOWN” keys. Press “MENU/ENTER” to confirm the desired selection.

8.4 Force Calibration
When using a standard force (or standard calibrated force via a weight) and a lever (L), select Force Calibration. The standard force applied to the lever may be produced by force from weights, a test machine or force gauge that applies a standard force.
Input in the standard lever length (L) and force values by pressing “MODE/UP” to adjust the value, touch “SAVE/PRINT” to shift to the next position. Press “MENU/ENTER” to view the next available standard value input screen.
After the last standard value input screen, Press “MENU/ENTER” to view the confirmation selection. Here you can select YES or NO with the “MODE/UP” or “DOWN” keys. Press “MENU/ENTER” to confirm the desired selection.

CHARGING
The TTC Series Digital Torque Tester is supplied with a set of 3 Nickel Metal Hydride AAA rechargeable batteries, which are supplied fully charged to allow immediate use. Users need to recharge batteries when a low battery icon flashes. Users should connect the gauge and the charger using the USB cable. Then connect the charger to an AC socket to start charging. Laptops and other USB devices can also charge the gauge. A fully charged battery pack will provide approximately 16 hours of constant use.
Rechargeable battery pack:
- Type: Ni-MH 3.6VDC 800mAH rechargeable batteries
- Charging time: approx. 3~4 hours
- Battery life: approx. charge and discharge 500 times
COMMUNICATIONS
10.1 USB
The TTC Series Digital Torque Tester is designed in accordance with USB2.0 standard protocol. (Figure 10-2) The USB Port can be connected to a charger with the USB cable for charging the internal Ni-MH battery and can be connected to a computer for uploading the measured values. Connect the gauge and the computer with the USB cable, then open the computer software. Upload the values. Please refer to the software manual for additional information.
10.2 Port Pin Assignments
| PIN# | Definition |
| 1 | RS232-Transmit |
| 2 | RS232-Receive |
| 3 | RS232-Ground |
| 4 | Comparison Output B |
| 5 | Reserved |
| 6 | Comparison Output C |
| 7 | Comparison Output A |
| 8 | Reserved |

10.3 RS232
The RS232 serial port is used to connect a printer to print the memory data.
RS-232 specifications are as follows:
- Data transmission: serial interface
- Synchronization: asynchronous
- Signal Level: RS-232 level, logic 1:-5v, logic 0: +5v
- Hardware Flow Control: None
- Data word length: 8 bits
- Stop bit: 1bit
- Parity: None
- Baud rate: Autodetect 38400, 19200 or 9600
10.4 Comparison Output
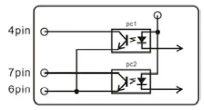
Comparison Output internal circuit shown as below.

hen the measured value is less than the lower limit tolerance value, the “pc2” operates, 7pin and 6pin line conduction. When the measured value is more than the upper limit tolerance value or 110% of the rated capacity, the “pc1” operates, 4pin and 6pin line conduction. Maximum permissible voltage: 7pin to 6pin, 4pin to 6pin 35V; 6pin to 7pin, 6pin to 4pin 6V.
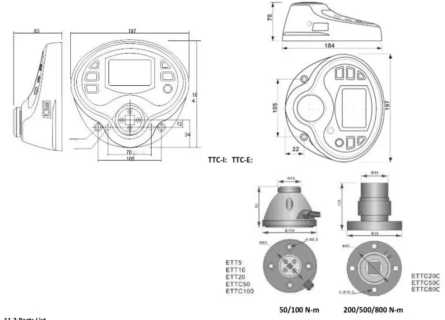
11.1 Dimensions

11.2 Parts List

CAPACITY & RESOLUTION
| Range by Unit (Resoluti n) | |||||
| Model | N-m | N-cm | kgf-cm | in-lbf | ft-lbf |
| TTC-I-2 | 0.0020-2 (0.0002) | 0.20 -200 (0.02) | 0.020 – 20 (0.002) | 0.025 – 17.7 (0.002) | 0.0020 – 1.48 (0.0002) |
| TTC-I-5 | 0.0050 – 5 (0.0005) | 0.50- 500 (0.05) | 0.050 -50 (0.005) | 0.045 – 43.3 (0.005) | 0.0040 – 3.7 (0.0005) |
| TTC-I-10 | 0.010 – 10 (0.001) | 1.0 – 1000 (0.1) | 0.10 – 100 (0.01) | 0.09 – 88.5 (0.01) | 0.007 – 7.4 (0.001) |
| TTC-I-20 | 0.020- 20 (0.002) | 2.0- 2000 (0.2) | 0.20 -200 (0.02) | 0.18 – 177 (0.02) | 0.014 – 14.8 (0.002) |
| TTC-I-50 | 0.050 – 50 (0.005) | 5.0 – 5000 (0.5) | 0.50 – 500 (0.05) | 0.45 – 443 (0.05) | 0.035 – 36.8 (0.005) |
| TTC-I-100 | 0.10 – 100 (0.01) | 10- 10000 (1) | 1.0 -1000 (0.1) | 0.9 – 885 (0.1) | 0.07 – 74 (0.01) |
| TTC-E-200 | 0.20 – 200 (0.02) | – | 2.0 -2000 (0.2) | 1.8 – 1770 (0.2) | 0.14 – 148 (0.02) |
| TTC-E-500 | 0.50- 500 (0.05) | – | 5.0 -5000 (0.5) | 4.5 -4425 (0.5) | 0.35 – 368 (0.05) |
| TTC-E-800 | 1.6 – 800 (0.1) | – | 16 -8000 (1) | 14 -7080 (1) | 1.1 – 590 (0.1) |























