
MTT01-12 Series TT01 Digital Cap Torque Testers
User Manual 
MTT01-12 Series TT01 Digital Cap Torque Testers
Thank you for purchasing a Mark-10 Series TT01 digital cap torque tester, designed to measure bottle cap application and removal torque.
With proper usage, we are confident that you will get many years of great service with this product. Mark-10 instruments are ruggedly built for both laboratory and industrial environments.
This User’s Guide provides setup, safety, and operation instructions. Dimensions and specifications are also provided. For additional information or answers to your questions, please do not hesitate to contact us. Our technical support and engineering teams are eager to assist you.
Before use, each person who is to use a Series TT01 digital cap torque tester should be fully trained in appropriate operation and safety procedures.
OVERVIEW
1.1 List of included items
| Qty. | Part No. | Description |
| 1 | MTT01-12 / MTT01-25/MTT01-50 / MTT01-100 | Series TT01 digital cap torque tester |
| 1 | CT004 | Sample gripping posts, 4 |
| 1 | 08-1026 | Battery (inside the instrument) |
| 1 | – | Certificate of calibration |
| 1 | AC1111 | USB cable |
| – | USB driver, MESUR® Lite software, MESUR®gauge evaluation software, User’s Guide Download at: www.mark-10.com/resources | |
| Optional Items | ||
| 1 | CT001 | Flat jaws set, 2 |
| 1 | CT002 | Carrying case |
| 1 | CT003 | Adjustable jaws set, 2 |
| 1 | CT005 | Set of 2.5” sample gripping posts, 4 |
| 1 | CT006 | Set of 4” sample gripping posts, 4 |
| 1 | CT007 | Kit of sample gripping posts, 12 |
1.2 Safety / Proper Usage
Caution!
Note the torque tester’s capacity before use and ensure that the capacity is not exceeded. Producing a torque greater than 150% of the tester’s capacity can damage the internal sensor. An overload can occur whether the tester is powered on or off.
The tester is designed primarily for the testing of threaded bottle caps, although other items can be tested as well. Items that should not be used with the tester include potentially flammable substances or products, items that can shatter in an unsafe manner, and any other components that can present an exceedingly hazardous situation when acted upon by a load.
The following safety checks and procedures should be performed before and during operation:
- Never operate the tester if there is any visible damage to the AC adapter or the tester itself.
- Ensure that the tester is kept away from water or any other electrically conductive liquids at all times.
- The tester should be serviced by a trained technician only. AC power must be disconnected and the tester must be powered off before the housing is opened.
- Always consider the characteristics of the sample being tested before initiating a test. A risk assessment should be carried out beforehand to ensure that all safety measures have been addressed and implemented.
- Wear eye and face protection when testing, especially when testing brittle samples that have the potential to shatter under force. Be aware of the dangers posed by potential energy that can accumulate in the sample during testing. Extra bodily protection should be worn if a destructive failure of a test sample is possible.
- In certain applications, such as the testing of brittle samples that can shatter, or other applications that could lead to a hazardous situation, it is strongly recommended that a machine guarding system be employed to protect the operator and others in the vicinity from shards or debris.
- When the tester is not in use, ensure that the power is turned off.
POWER
The TT01 is powered either by an 8.4V NiMH rechargeable battery or by an AC adapter. Since these batteries are subject to self discharge, it may be necessary to recharge the unit after a prolonged period of storage. Plug the accompanying charger into the AC outlet and insert the charger plug into the receptacle on the tester (refer to the illustration below). The battery will fully charge in approximately 8 hours.
Caution!
Do not use chargers or batteries other than supplied or instrument damage may occur.
If the AC adapter is plugged in, an icon appears in the lower left corner of the display, as follows:![]()
If the AC adapter is not plugged in, battery power drainage is denoted in a five-step process:
- When battery life is greater than 75%, the following indicator is present:

- When battery life is between 50% and 75%, the following indicator is present:

- When battery life is between 25% and 50%, the following indicator is present:

- When battery life is less than 25%, the following indicator is present:

- When battery life drops to approximately 2%, the indicator from step 4 will be flashing. Several minutes after (timing depends on usage and whether the backlight is turned on or off), a message appears, “BATTERY VOLTAGE TOO LOW. POWERING OFF”. A 4-tone audio indicator will sound and the tester will power off.
The tester can be configured to automatically power off following a period of inactivity. Refer to the Other Settings section for details.
If battery replacement is necessary, the battery may be accessed by removing the cover attached to the underside of the base.
SETUP
3.1 Mechanical Setup
Place the sample between the posts or jaws of the tester, and tighten, using the knob. Always ensure that the sample is gripped firmly, however, excessive tightening of thin-walled closures may result in sample deformation, possibly affecting test results. When the sample is secured, gradually exert torque on the bottle cap by hand.
3.1.1 Sample gripping methods
Three different sample gripping methods are available, as shown below:
3.1.2 Proper alignment
The center of the bottle cap should be positioned axially with respect to the center of the loading table.
Side loading or off-center loading may produce erroneous readings, and can damage the instrument.
3.1.3 Mounting to a bench
The tester can be mounted to a bench using the four threaded holes on the underside of the base.
3.2 Installing the USB driver
If communicating via USB, install the USB driver available at: www.mark-10.com/resources
Caution!
Install the USB driver before physically connecting the tester to a PC with the USB cable.
Further instructions for configuring and using the tester’s outputs are provided in the Communications and Outputs section.
HOME SCREEN AND CONTROL
4.1 Home Screen
| No. | Name | Description |
| 1 | Measurement direction indicator | These indicators are used throughout the display and menu. |
| 2 | Peaks | The maximum measured clockwise and counter-clockwise readings. These readings are reset by pressing ZERO or by powering the tester off and on. |
| 3 | Primary reading | The current displayed load reading. See Operating Modes section for details. |
| 4 | Units | The current measurement unit. Abbreviations are as follows: ozFin – Ounce-inch lbFin – Pound-inch kgFcm – Kilogram-centimeter Ncm – Newton-centimeter Nm – Newton-meter |
| 5 | Load bar | Analog indicator to identify when an overload condition is imminent. The bar increases either to the right or left from the midpoint of the graph. Increasing to the right indicates clockwise load, increasing to the left indicates counter- clockwise load. If set points are enabled, triangular markers are displayed for visual convenience. This indicator reflects the actual load, which may not correspond to the primary reading (depends on operating mode). The ZERO key does not reset the load bar. See Operating Modes section for details. |
| 6 | Break Detection On/Off | The letter “B” appears if the Break Detection function is enabled. Refer to the Break Detection section for details. |
| 7 | Mode | The current measurement mode. Abbreviations are as follows: RT – Real Time PCW – Peak Clockwise PCCW – Peak Counter-clockwise See Operating Modes section for details about each of these modes |
| 8 | Number of stored | The number of stored data points in memory, up to 1000. Displayed only if |
| data points | Memory Storage is enabled for the DATA key. | |
| 9 | Battery / AC adapter indicator | Either the AC adapter icon or battery power icon will be shown, depending on power conditions. Refer to the Power section for details. |
| 10 | High / low limit indicators | Correspond to the programmed set points. Indicator definitions are as follows: |
| 11 | Set points | The programmed load limit values. Typically used for pass/fail type testing. One, two, or no indicators may be present, depending on the configuration shown in the Set Points menu item. |
4.2 Controls
| Primary Label | Primary Function | Secondary Label | Secondary Function |
| Powers the tester on and off. Press briefly to power on, press and hold to power off. Active only when the home screen is displayed. | ENTER | Various uses, as described in the following sections. |
| ZERO | Zeroes the primary reading and peaks. | Navigates up through the menu and sub-menus. | |
| MENU | Accesses the main menu. | ESCAPE | Reverts one step backwards through the menu hierarchy. |
| MODE | Toggles between measurement modes. | Navigates down through the menu and sub-menus. | |
| DATA | Stores a value to memory and/or transmits the current reading to an external device, depending on configuration. | DIRECTION | Toggles between clockwise and counter-clockwise directions while configuring set points and other menu functions. |
Note: Measurement units are configured through the menu. Refer to the Changing The Units section for details.
4.3 Menu navigation basics
Most of the tester’s various functions and parameters are configured through the main menu. To access the menu press MENU. Use the UP and DOWN keys to scroll through the items. The current selection is denoted with clear text over a dark background. Press ENTER to select a menu item, then use UP and DOWN again to scroll through the sub-menus. Press ENTER again to select the sub-menu item.
For parameters that may be either selected or deselected, press ENTER to toggle between selecting and deselecting. An asterisk (*) to the left of the parameter label is used to indicate when the parameter has been selected.
For parameters requiring the input of a numerical value, use the UP and DOWN keys to increment or decrement the value. Press and hold either key to auto-increment at a gradually increasing rate. When the desired value has been reached, press ENTER to save the change and revert back to the sub-menu item, or press ESCAPE to revert back to the sub-menu item without saving. Press ESCAPE to revert one step back in the menu hierarchy until back into normal operating mode.
Refer to the following sections for details about setting up particular functions and parameters.
OPERATING MODES
Caution!
In any operating mode, if the capacity of the instrument has been exceeded by more than 110%, the display will show “OVER” to indicate an overload. A continuous audible tone will be sounded (if tones are enabled) until the MENU key has been pressed or the load has been reduced to a safe level.
Three operating modes are possible with the TT01 torque tester. To cycle between the modes, press MODE while in the home screen.
5.1 Real time (RT)
The primary reading corresponds to the live measured reading.
5.2 Peak Clockwise (PCW)
The primary reading corresponds to the peak clockwise reading observed. If the actual load decreases from the peak value, the peak will still be retained in the primary reading area of the display. Pressing ZERO will reset the value.
5.3 Peak Counter-clockwise (PCCW)
Same as above, but for counter-clockwise readings.
CHANGING THE UNITS
The TT01 can display five different measurement units. To change the unit, select Units from the menu. The display will list the available units, as follows:
The tester will always power on with the unit selected in this sub-menu.
DIGITAL FILTERS
Digital filters are provided to help smooth out the readings in situations where there is mechanical interference in the work area or test sample. These filters utilize the moving average technique in which consecutive readings are pushed through a buffer and the displayed reading is the average of the buffer contents. By varying the length of the buffer, a variable smoothing effect can be achieved. The selection of 1 will disable the filter since the average of a single value is the value itself.
To access digital filter settings, select Filters from the menu. The display appears as follows:
Two filters are available:
Current Reading – Applies to the peak capture rate of the instrument.
Displayed Reading – Applies to the primary reading on the display.
Available settings: 1,2,4,8,16,32,64,128,256,512,1024. It is recommended to keep the current reading filter at its lowest value for best performance, and the displayed reading filter at its highest value for best stability.
SET POINTS
8.1 General Information
Set points are useful for tolerance checking (pass/fail) and triggering an external device in process control applications. Two limits, high and low, are programmed in the tester, and the primary reading is compared to these limits. The results of the comparisons are indicated via on-screen indicators as well as through the three outputs provided on the 15-pin connector, thus providing “under”, “in range”, and “over” signaling. These outputs can be connected to indicators, buzzers, or relays as required for the application. On-screen indicators are described in the next sub-section.
8 .2 Configuration
To configure set points, select Set Points from the menu. The display appears as follows
Either one, two, or none of the set points may be enabled. To toggle between the clockwise and counter- clockwise directions, press the DIRECTION key.
If two set points have been enabled, they are displayed in the upper left corner of the display. If only one set point has been enabled, the word “OFF” appears in place of the value. If no set points have been enabled, the upper left corner of the display will be blank.
When set points are enabled, the following indicators are shown to the left of the primary reading:
the displayed value is greater than the upper force limit (NO GO HIGH)
the displayed value is between the limits (GO)
the displayed value is less than the lower force limit (NO GO LOW)
Note: Set point indicators reference the displayed reading, not necessarily the current live load.
Set Point Outputs Schematic Diagram
BREAK DETECTION
The break detection function identifies when the cap has been loosened, or other applications in which the torque value has reached a peak, then dropped. Upon detection of the break, the tester can perform several automatic functions, as follows:
- Transmit the peak reading (Auto Output).
- Save the peak value to memory (Auto Storage).
- Zero the primary and peak readings (Auto Zero).
- Toggle a pin.
Break detection functions and settings are configured from a central location, and apply to any mode in which it is enabled. Refer to the Operating Modes section for details on configuring each mode.
9 .1 Configuration
To enable Break Detection and configure the automatic functions, select Break Detection from the main menu. The display appears as follows: 
Any combination of the above functions may be selected.
| Function | Description |
| Enabled | Arms the break detection function. When enabled, the letter “B” will appear on the home screen, between the Mode and Unit indicators. Refer to the Home Screen and Controls section for details. Note: Break Detection and First / Second Peak mode cannot be enabled simultaneously. |
| Break Settings | Refer to the following sub-sections for details. |
| Auto Output | |
| Auto Storage | Automatically stores the peak reading to memory. |
| Auto Zero | Automatically zeroes the display following data transmission and/or storage. A time delay may be configured in Break Detection Settings. Refer to the next sub-section for details. |
If tones are enabled, a tone will sound when the output, storage, and zero functions have occurred.
9.2 Break Settings
Select Break Settings from the Break Detection menu to configure the settings. The display appears as follows:
| Threshold | Sets the percentage of full scale at which the break detection function becomes active. This threshold is provided to ignore peaks that can occur during sample loading and unloading. Available settings: 1–90%, in 1% increments until 5%, 5% increments thereafter. |
| % Drop | Sets the percentage drop from the peak reading at which the break is detected. Available settings: 5%–90% in 5% increments. |
| Auto Zero Delay | Sets the time delay before the primary and peak readings are zeroed. Auto zero can be disabled if required. Refer to the Auto Output Settings sub-section for details. Available settings: 1–10 sec. in 1 sec. increments, and 10–60 sec. in 5 sec. increments. |
9.3 Auto Output Settings
Scroll to Auto Settings in the Break Detection menu and press ENTER to configure the auto output settings. Any combination may be selected. The display appears as follows
| Parameter | Description |
| RS232/USB Output | Automatically output the peak when the break (% Drop) is detected. |
| Mitutoyo Output | Automatically output the peak when the break (% Drop) is detected. |
| Output Pin | Automatically toggle the SP1, SP2, or SP3 pins (active low). If not required, select “NONE”. |
FIRST / SECOND PEAK
This function captures two consecutive peaks which can occur over the course of a test, such as with tamper evident breakaway band closures. See illustration below:
Peak torque measurements occur as follows:
- Torque at which the closure slips from the neck of the bottle
- Torque at which the cap breaks away from the band
10.1 Configuration
Several functions can be triggered automatically upon first and second peaks:
- Transmit the first peak reading
- Transmit the second peak reading
- Save the first peak value to memory
- Save the second peak value to memory
- Zero the primary and peak readings
These automatic functions can help automate and expedite testing processes. If tones are enabled, an audible tone will sound when the output, storage, and zero functions have occurred. In order for First / Second Peak detection to be active, the appropriate operating mode must be selected. See the Operating Modes section for details. The display appears as follows:
Any combination of the above functions may be selected.
| Function | Description |
| Enabled | If enabled, 2PK appears as one of the operating modes. In the main display, the Peak readings will reference the first and second peaks – first peak on top, second peak below. Refer to the Home Screen & Control section for details. |
| Peak Settings | Press ENTER to access the Peak Settings sub-menu. See the following sections for details. |
| Auto Output | Press ENTER to access the Auto Output Settings sub-menu. See the following sections for details. |
| Auto Store PK1 | Automatically stores the first peak reading to memory. |
| Auto Store PK2 | Automatically stores the second peak reading to memory. |
| Auto Zero | Automatically zeroes the display following data transmission and/or storage. |
10.2 Settings
The display appears as follows:
| Threshold 1 | Sets the percentage of full scale at which the first/second peak detection feature becomes active. This threshold is provided to ignore peaks that can occur during sample loading and unloading. Available settings: 1-90%, in 1% increments between 1-5%, and in 5% increments between 5-90%. |
| Percentage Drop 1 | Identifies the first peak via detection of a specified percentage drop from peak. |
| Threshold 2 | Same as Threshold 1, but refers to a percentage increase above the load associated with the first peak percentage drop. |
| Percentage Drop 2 | Same as Percentage Drop 1, for the second peak. |
| Auto Zero Delay | Sets the time delay before the primary and peak readings are zeroed. Available settings: 1-60 sec., in 1 sec. increments between 1-5 sec., and in 5 sec. increments between 5-60 sec. |
Thresholds and percentage drops are illustrated below:
10.3 Auto Output Settings
Select the output type. Select RS-232/USB and/or Mitutoyo outputs, and select First and/or Second peaks. The display appears as follows:
DATA MEMORY AND STATISTICS
Series TT01 testers have storage capacity of 1,000 data points. Readings may be stored, viewed, and output to an external device. Individual, or all, data points may be deleted. Statistics are calculated for the data presently in memory.
Individual data points may be saved to memory by pressing the DATA key, or automatically via the Break Detection function, whichever is enabled. Refer to the Communications section for details. Once data storage has been enabled, the data record number 0000 appears below the primary reading in the home screen. The record number will increment each time DATA is pressed or the automatic data storage function is activated. When memory is full the message “MEMORY FULL” will be flashed at the bottom of the display and a double audio tone will be sounded.
To view, edit, and output stored readings and statistics, select Memory from the menu. The display appears as follows:
11.1 View Data
All the saved data points may be viewed. The record number is displayed, along with the corresponding value and presently set unit of measurement. Any readings may be deleted individually. To do so, scroll to the desired reading and press DELETE. The letter “D” appears to the left of the record number, indicating that the tester is in Delete mode, as follows:
Press ENTER to delete the value. To exit Delete mode, press DELETE again. Any number of readings may be individually deleted, however, all readings may also be cleared simultaneously. Refer to the Clear All Data sub-section for details.
11. 2 Statistics
Statistical calculations are performed for the saved values. Calculations include number of readings, minimum, maximum, mean, and standard deviation.
11.3 Output Data
Press ENTER to output data to an external device. The display will show, “SENDING DATA…”, then “DATA SENT”. If there was a problem with communication, the display will show, “DATA NOT SENT”. Saved data can be downloaded by some Mark-10 data collection programs. Refer to their respective user’s guides for details.
11.4 Output Statistics
Press ENTER to output statistics to an external device. The display will show, “SENDING STATS…”, then “STATS SENT”. If there was a problem with communication, the display will show, “STATS NOT SENT”
11.5 Output Data & Stats
Press ENTER to output data and statistics to an external device. The display will show, “SENDING DATA”, then “SENDING STATS…”, then “DATA SENT”, then “STATS SENT”. If there was a problem with communication, the display will show, “DATA NOT SENT” and/or “STATS NOT SENT”.
11.6 Clear All Data
Press ENTER to clear all data from the memory. A prompt will be shown, “CLEAR ALL DATA?”. Select Yes to clear all the data, or No to return to the sub-menu.
For output of data and/or statistics, RS-232 or USB output must be enabled. Data formatting is <CR><LF> following each value. Units can be either included or excluded. Output of data via the Mitutoyo output is possible, however, output of statistics is not. Refer to the Communications section for details.
Note: Data is not retained while the tester is powered off. However, the tester protects against accidental or automatic power-off. If manually powering the instrument off, or if the inactivity time limit for the Automatic Shutoff function has been reached, the following warning message appears:
If no option is selected, this screen will be displayed indefinitely, or until battery power has been depleted.
COMMUNICATIONS AND OUTPUTS
Communication with the TT01 tester is achieved through the micro USB or 15-pin serial ports located in the rear of the housing, as shown in the illustration in the Power section. Communication is possible only when the tester is in the main operating screen (i.e. not in a menu or configuration area).
12.1 Serial / USB
To set up RS-232 and USB communication, select Serial/USB Settings from the menu. The display appears as follows:
Select either RS-232 or USB input (output is always simultaneous through both the USB and RS-232 ports). Communication settings are permanently set to the following:
Data Bits: ……………….8
Stop Bits:……………….. 1
Parity: …………………..None
Other settings are configured as follows:
12.1.1 Baud Rate
Select the baud rate as required for the application. It must be set to the same value as the receiving device.
12.1.2 Data Format
Select the desired data format. The display appears as follows
Selection | Description |
| Numeric + Units | Output format includes the value and unit of measure. Clockwise values have positive polarity, counter-clockwise values have negative polarity. |
| Numeric Only | Output format includes the value only. Polarity same as above. |
| Invert Polarity | Clockwise values have negative polarity, counter-clockwise values have positive polarity. May be selected in addition to the Numeric + Units / Numeric Only selection. |
| Omit Polarity | Both directions are formatted with positive polarity. May be selected in addition to the Numeric + Units / Numeric Only selection. |
12.1.3 Data Communication
Individual data points may be transmitted by pressing DATA. Series TT01 testers may also be controlled by an external device through the RS-232 or USB channels. The following is a list of supported commands and their explanations. All commands must be terminated by a CR (Carriage Return) character, 0x0D, or a CR-LF (Carriage Return – Line Feed) pair, where the Line Feed, 0x0A, is ignored.
? …………….Request the displayed reading
MEM……………….Transmit all stored readings
STA…………………………..Transmit statistics
CLRMEM………Delete all stored readings from memory
Command Responses
In response to the reading request command ‘?’ the tester will return a string with the load data, followed by a space, then the load unit (if enabled under the Serial/USB Settings à Data format sub-menu). It will be terminated by a CR-LF pair.
Example return strings:
-18.78 lbFin<CR><LF> ……..18.78 lbFin of counter-clockwise torque
4.285 Nm<CR><LF>…………………..4.285 Nm of clockwise torque
The number of digits after the decimal point is dependent of the tester’s capacity and resolution. Polarity may be inverted or omitted, as shown in the table above.
Any detected errors are reported back by means of error code *10 (illegal command).
12.2 Mitutoyo BCD settings
This output is useful for connection to data collectors, printers, multiplexers, or any other device capable of accepting Mitutoyo BCD data. Individual data points may be transmitted by pressing DATA or by requesting it from the Mitutoyo communication device (if available). To enable Mitutoyo output, select the desired format – either with polarity or without polarity. The display appears as follows:
12.3 Analog Output
This output can be used for chart recorders, oscilloscopes, data acquisition systems, or any other compatible devices with analog inputs. The output produces ±1 volt at full scale of the instrument. The polarity of the signal is positive for clockwise and negative for counter-clockwise.
12.4 DATA Key Settings
To configure the functions of the DATA key, select DATA Key from the menu. The display appears as follows:
| RS232/USB Output | Outputs data via the serial and USB ports |
| Mitutoyo Output | Outputs data via Mitutoyo (Digimatic) through the serial port |
| Memory Storage | Stores a reading to memory (refer to the Memory section for details) |
Any combination of the above functions may be selected.
12.5 I/O Connector Pin Diagram (DB-15HD female)
| Pin No. | Description | Input / Output |
| 1 | Signal Ground | — |
| 2 | Counter-clockwise Overload | Output |
| 3 | RS-232 Receive | Input |
| 4 | RS-232 Transmit | Output |
| 5 | +12V DC | Input/Output |
| 6 | Analog Output | Output |
| 7 | Clockwise Overload | Output |
| 8 | Mitutoyo Clock Output Bit 2 | Output |
| 9 | Mitutoyo Data Output Bit 0 | Output |
| 10 | Mitutoyo Request Input Bit 3 | Input |
| 11 * | Set Point Pin 1 * | Output * |
| 12 * | Set Point Pin 2 * | Output * |
| 13 * | Set Point Pin 3 * | Output * |
| 14 | Do not connect | — |
| 15 | Mitutoyo Ready Output Bit 1 | Output |
The output assignments depend on several factors described in the table below. Output functions always reference the primary reading on the display, regardless of the current mode.
| Torque | Pin 11 | Pin 12 | Pin 13 |
| Upper and Lower Set Points are Clockwise | |||
| Greater than or equal to upper set point | On | Off | Off |
| Between upper and lower set points | Off | Off | On |
| Less than or equal to lower set point | Off | On | Off |
| Upper and Lower Set Points are Counter-clockwise | |||
| Greater than or equal to upper set point | Off | On | Off |
| Between upper and lower set points | Off | Off | On |
| Less than or equal to lower set point | On | Off | Off |
| Upper Set Point is Clockwise, Lower Set Point is Counter-clockwise | |||
| Greater than or equal to upper set point, in clockwise | Off | On | Off |
| Between upper and lower set points | Off | Off | On |
| Greater than or equal to lower set point, in counter-clockwise | On | Off | Off |
| Upper Set Point is Counter-clockwise, Lower Set Point is Clockwise | |||
| Greater than or equal to upper set point, in counter-clockwise | Off | On | Off |
| Between upper and lower set points | Off | Off | On |
| Greater than or equal to lower set point, in clockwise | On | Off | Off |
CALIBRATION

13.1Initial Physical Setup
The TT01 should be mounted to a fixture rugged enough to withstand a load equal to the full capacity of the tester. Suitable calibration equipment is required, and caution should be taken while handling such equipment. The AC1036 calibration kit is available from Mark-10, shown at left.
Note the circular groove in the top plate, shown at right, which accommodates a cable for suspension of deadweights. The AC1036 calibration kit includes a cable with a diameter of 0.063 in [1.6 mm] for insertion into this groove. The cable radius plus the circular groove radius is equal to 3.333 in [84.66 mm]. Commonly available Imperial deadweights may, therefore, be employed to achieve full scale Imperial (i.e. lbFin) loads. For example, a 15 lb load multiplied by 3.333 in. will produce 50 lbFin of torque.
Metric unit calibrations are also possible through the configurable calibration procedure described below:
13.2 Calibration Procedure
- Select Calibration from the The display appears as follows:

- Press DIRECTION to invert the display, if ENTER to continue. The display appears as follows:
The tester can be calibrated at up to 10 points in each direction. Enter the number of calibration points for each direction (clockwise and counter-clockwise). At least one point must be selected for each direction.
Note: To achieve the accuracy specification of ±0.3%, it is recommended to calibrate the tester at 5 or more even increments in both directions. For example, an MTT01-50 should be calibrated at 10, 20, 30, 40, and 50 lbFin loads in each direction. - To escape the Calibration menu at any time, press ESCAPE. The display appears as follows:
Selecting “Cancel” will revert back to the Calibration setup. Selecting “Exit w/o saving” will return to the menu without saving changes. - After the number of calibration points has been entered, press ENTER. The display appears as follows:

- Place the tester on a level surface free from vibration, then press ZERO. The tester will calculate internal offsets, and the display appears as follows:

- The following screen appears after the offsets have been calculated:
Attach weight fixtures (brackets, hooks, etc), as required. Do not yet attach any weights or apply any calibration loads. Press ENTER. - The display appears as follows:
Optionally exercise the torque sensor several times (at full scale, if possible), then press ENTER. - The display appears as follows:
Apply a weight equal to the full scale of the instrument, then press ENTER. - After displaying “Please wait…” the display appears as follows:
Remove the load applied in Step 8, leave the fixtures in place, then press ZERO. - The display appears as follows:
Use the UP and DOWN keys to adjust the load value as required. The load values default to even increments, as indicated by the previously entered number of data points (even increments are recommended for best results). For example, if a 50 lbFin capacity tester is calibrated, and 5 data points were selected, the load values will default to 10, 20, 30, 40, and 50 lbFin. Apply the calibration load. Then press ENTER.
Repeat the above step for the number of data points selected. - After all the clockwise calibration points have been completed, the display appears as follows:
Press ENTER. - Attach weight The following screens will step through the same procedure as with the compression direction. Proceed in the same manner.
- At the completion of the tension calibration, the display appears as follows:
To save the calibration information, select “Save & exit”. To exit without saving the data select “Exit without saving”. - Any errors are reported by the following screens:
Displayed at the start of calibration if a disallowed unit is selected.
Ensure that the load is not swinging, oscillating, or vibrating in any manner. Then try again.
The calibration weight does not match the set value.
PASSWORDS
Two separate passwords may be set to control access to the Calibration section and to the menu and other keys. To access the passwords setup screen, select Passwords from the menu. The display appears as follows:
14.1 Calibration Password
Select Calibration from the sub-menu. The display appears as follows:
To set the password, select Enabled, then Set Password. Use the UP and DOWN keys to increment and decrement the value, from 0 to 9999. When the desired value has been selected, press ENTER, then ESC to exit the sub-menu.
14.2 Menu Key Password
If enabled, a password must be provided every time the MENU key is selected. Select Menu Key from the sub-menu. Follow the same procedure as described in the previous sub-section.
14.3 Locking Out Other Keys
Other keys may be locked out individually. Select any combination of keys (MODE, ZERO, DATA) by pressing ENTER in the Passwords sub-menu. Pressing a locked key will prompt the message “KEY PROTECTED” and then revert to the previous screen.
14.4 Password Prompts
If passwords have been enabled, the following will be displayed when pressing the MENU key or accessing the Calibration section:
Use the UP and DOWN keys to select the correct password, then press ENTER to continue.
If the incorrect password has been entered, the display appears as follows:
To re-enter the password, press ESC to exit to the home screen. Then, access the desired function and enter the password again when prompted.
If the password has been misplaced, it can be reset. Press ENTER to generate a request code. The request code must be supplied to Mark-10 or a distributor, who will then provide a corresponding activation code. Enter the activation code to disable the password.
OTHER SETTINGS
15.1 Automatic Shutoff
The tester may be configured to automatically power off following a period of inactivity while on battery power. Inactivity is defined as the absence of any key presses or load changes of 100 counts or less. To access these settings, select Automatic Shutoff from the menu. The display appears as follows:
Select Disabled to disable automatic shutoff. Select Enabled to enable it. The length of time of inactivity is programmed in minutes via the Set Minutes parameter. Available settings: 5-30, in 5 minute increments.
Note: If the AC adapter is plugged in, the tester will ignore the Automatic Shutoff setting and remain powered on until the POWER key is pressed.
15.2 Backlight
Although the backlight may be turned on and off at any time by pressing the BACKLIGHT key, there are several available initial settings (applicable upon powering on the tester). To access these settings, select Backlight from the menu. The display appears as follows:
| Selection | Description |
| Off | Backlight to be off upon powering on the tester. |
| On | Backlight to be on upon powering on the tester. |
| Auto | Backlight to be on upon powering tester, but will shut off after a period of inactivity (as defined in the Automatic Shutoff sub-section). The backlight will turn on again when activity resumes. The length of time of inactivity is programmed in minutes via the Set Minutes parameter. Available settings: 1-10, in 1 minute increments. |
Note: If the AC adapter is plugged in, the tester will ignore these settings and keep the backlight on, unless the BACKLIGHT key is pressed. Selecting the On or Off setting in the Backlight menu will manually turn the backlight on or off as if the Backlight button were pressed.
15.3 LCD Contrast
The contrast of the display may be adjusted. Select LCD Contrast from the menu. The display appears as follows:
Press ENTER to modify the contrast. Select a value from 0 to 25, with 25 producing the most contrast.
15.4 Tones
Audible tones can be enabled for all key presses and alerts, such as overload, set point value reached, etc. The Set Point alert can be configured to be either a momentary tone or a continuous tone (until the load is restored to a value between the set points). To configure the functions for which audible tones will apply, select Tones from the menu. The display appears as follows:
15.5 Initial Settings
The default units and operating mode at power-on may be configured. To access this parameter, select Initial Settings from the menu. The screen will display the available modes. An example is as follows:

For available selections, refer to the Units and Home Screen And Controls sections.
15.6 Restore Default Settings
Default factory settings can be restored by selecting Restore Defaults from the menu. The settings may be found in the Specifications section. The display appears as follows:
15.7 Information / Welcome Screen
The following screen is displayed at power-up and can be accessed at any time by selecting Information:
SPECIFICATIONS
16.1 General
| Accuracy: | ±0.3% of full scale |
| Sampling rate: | 7,000 Hz |
| Power: | AC or rechargeable battery. Low battery indicator appears when battery level is low, and tester powers off automatically when power reaches critical stage. |
| Battery life: | Backlight on: up to 7 hours of continuous use / Backlight off: up to 24 hours of continuous use |
| Measurement units: | ozFin, lbFin, kgFcm, Nm, Ncm |
| Outputs: | USB / RS-232: Configurable up to 115,200 baud. Mitutoyo (Digimatic): Serial BCD suitable for all Mitutoyo SPC-compatible devices. Analog: ±1 VDC, ±0.25% of full scale at capacity. General purpose: Three open drain outputs, one input. Set points: Three open drain lines. |
| Safe overload: | 150% of full scale (display shows “OVER” at 110% and above) |
| Weight: | 8.4 lb [3.8 kg] |
| Included accessories: | Set of four posts, AC adapter, battery, USB cable, NIST-traceable certificate of calibration |
| Environmental requirements: | 40 – 100°F, max. 93% humidity, non-condensating |
| Warranty: | 3 years (see individual statement for further details) |
| Literature & Software: | Download at: www.mark-10.com/resources |
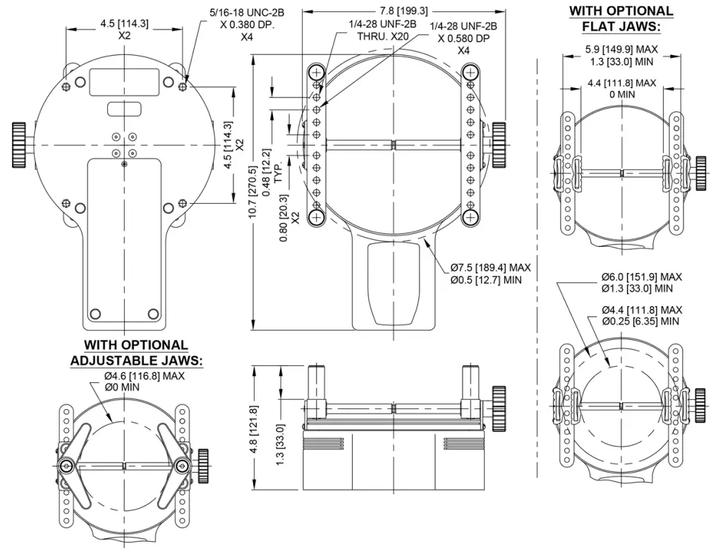
16.2 Dimensions IN [MM]

16.3 Factory Settings
| Parameter | Setting |
| Set points | |
| Upper | Disabled (defaults to 80% of full scale, clockwise, when enabled) |
| Lower | Disabled (defaults to 40% of full scale, clockwise, when enabled) |
| Filters | |
| Current | 8 |
| Displayed | 512 |
| DATA Key Functions | |
| RS-232/USB Output | Enabled |
| Mitutoyo Output | Disabled |
| Memory Storage | Enabled |
| Serial/USB | |
| RS-232 Output Selected | Disabled |
| USB Output Selected | Enabled |
| Baud Rate | 9,600 |
| Data Format | Numeric + units |
| Mitutoyo BCD Output | Disabled |
| Break Detection | Disabled |
| Threshold | 5% of full scale |
| % Drop | 50% of peak |
| Auto Zero Delay | 5 sec. |
| Auto Output Settings | All disabled |
| Auto Storage | Disabled |
| Auto Zero | Disabled |
| First, Second Peak | Disabled |
| Thresholds | 10% |
| % Drops | 50% |
| Auto Zero Delay | 5 sec. |
| Auto Output Settings | All disabled |
| Auto Store Peaks | Disabled |
| Backlight | Auto |
| Minutes | 1 |
| Automatic Shutoff | Enabled |
| Minutes | 5 |
| Tones | |
| Keys | Enabled |
| Alerts | Enabled |
| Set Points | Momentary |
| Initial Mode | Real Time |
| Units | lbFin |
| Passwords | All passwords disabled |
16.4 Capacity x Resolution
| Model No. | lbFin | ozFin | kgFcm | Ncm | Nm |
| MTT01-12 | 12 x 0.005 | 192 x 0.1 | 14 x 0.01 | 135 x 0.1 | 1.35 x 0.001 |
| MTT01-25 | 25 x 0.01 | 400 x 0.2 | 28 x 0.02 | 290 x 0.2 | 2.9 x 0.002 |
| MTT01-50 | 50 x 0.02 | 800 x 0.5 | 58 x 0.05 | 570 x 0.5 | 5.7 x 0.005 |
| MTT01-100 | 100 x 0.05 | 1600 x 1 | 116 x 0.1 | 1150 x 0.5 | 11.5 x 0.005 |
175 Vincent Ave., Lynbrook, NY 11563
web: checkline.com • tel: 516-295-4300


Selecting “Cancel” will revert back to the Calibration setup. Selecting “Exit w/o saving” will return to the menu without saving changes.

Attach weight fixtures (brackets, hooks, etc), as required. Do not yet attach any weights or apply any calibration loads. Press ENTER.
Optionally exercise the torque sensor several times (at full scale, if possible), then press ENTER.
Apply a weight equal to the full scale of the instrument, then press ENTER.
Remove the load applied in Step 8, leave the fixtures in place, then press ZERO.
Use the UP and DOWN keys to adjust the load value as required. The load values default to even increments, as indicated by the previously entered number of data points (even increments are recommended for best results). For example, if a 50 lbFin capacity tester is calibrated, and 5 data points were selected, the load values will default to 10, 20, 30, 40, and 50 lbFin. Apply the calibration load. Then press ENTER.
Press ENTER.
To save the calibration information, select “Save & exit”. To exit without saving the data select “Exit without saving”.
Displayed at the start of calibration if a disallowed unit is selected.
Ensure that the load is not swinging, oscillating, or vibrating in any manner. Then try again.
The calibration weight does not match the set value.


















