ACI EPW Interface Devices Pulse Width Modulate Instruction Manual
GENERAL INFORMATION
The EPW converts a pulse or digital PWM signal into a proportional pneumatic signal ranging from 0 to 20 psig. The pneumatic output is proportional to the signal input, either direct or reverse acting, and features a manual override potentiometer to vary the pneumatic output. The EPW offers four jumper selectable input timing ranges (see ordering grid below). Output pressure ranges are jumper shunt selectable for 0-10, 0-15 and 0-20 psig, and adjustable in all ranges. A 0-5 VDC feedback signal indicating the resultant branch line pressure is also provided. This signal varies linearly with the branch pressure range selected. The EPW is a constant bleed interface with branch exhaust responce time determinded by the bleed orifice size and pressure differentials. If power fails to the EPW, it will continure to bleed through the bleed orifice until branch pressure is zero psig.
MOUNTING INSTRUCTIONS
Circuit board may be mounted in any position. If circuit board slides out of snap track, a non-conductive “stop” may be required. Use only fingers to remove board from snap track. Slide out of snap track or push against side of snap track and lift that side of the circuit board to remove. Do not flex board or use tools.
FIGURE 1: DIMENSIONS
EPW

EPW With Gauge

WIRING INSTRUCTIONS
PRECAUTIONS
- Remove power before wiring. Never connect or disconnect wiring with power applied.
- When using a shielded cable, ground the shield only at the controller end. Grounding both ends can cause a ground loop.
- It is recommended you use an isolated UL-listed class 2 transformer when powering the unit with 24 VAC. Failure to wire the devices with the correct polarity when sharing transformers may result in damage to any device powered by the shared transformer.
- If the 24 VDC or 24VAC power is shared with devices that have coils such as relays, solenoids, or other inductors, each coil must have an MOV, DC/AC Transorb, Transient Voltage Suppressor (ACI Part: 142583), or= diode placed across the coil or inductor. The cathode, or banded side of the DC Transorb or diode, connects to the positive side of the power supply. Without these snubbers, coils produce very large voltage spikes when de-energizing that can cause malfunction or destruction of electronic circuits.
- All wiring must comply with all local and National Electric Codes.
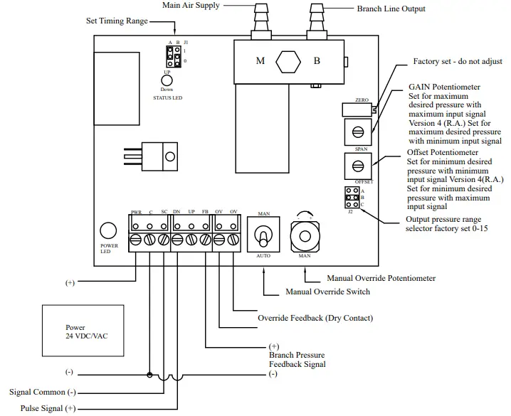
FIGURE 2: WIRING


FIGURE 4: PRESSURE OUTPUT JUMPER SETTINGS

The gauge port will accept a miniature 1/8”-27 FNPT back-ported pressure gauge to allow direct reading of branch line pressure. The gauge should be sealed by Teflon sealing tape, and should be tightened just snug, using a backup wrench to hold the manifold.
Warranty does not include malfunction due to clogged valve. Main air port is filtered with the supplied 8 micron integral-in-barb filter. Periodically check the filter for contamination and flow reduction, and clean with a brush or replace if needed (Part # PN004).
The surface between the manifold and pressure transducer is a pressure seal. DO NOT stress the circuit board or allow the manifold to move. Hold the manifold in one hand while installing pneumatic tubing onto the barbed fittings and use care when removing tubing to avoid damaging fittings or moving manifold. Minimize stress between the circuit board and the manifold by holding the manifold in one hand while installing pneumatic tubing onto the fittings, and use care when removing tubing to avoid damaging fittings or moving manifold.
The bleed orifice can be unscrewed with a ¼” hex nut driver for cleaning or inspection. Do not lose the sealing gasket or insert anything into the precision orifice. Clean by swabbing with a degreaser and blowing clean air through the orifice from the opposite direction. The color of the hex nut indicates orifice size: Brass = 0.007”.
This unit requires at least two cubic inches (minimum) of branch air line capacity (approx. 15’ of ¼” O.D. polyethylene tubing) to operate without oscillation. Main air must be minimum of 2 psig above highest desired branch output pressure.
Note: The input signal will not cause “wrap around” or start over if the upper range limit is exceeded.
FIGURE 3: PNUEMATIC TUBING INSTALLATION

CHECKOUT
SIGNAL INPUTS:
Version #1 & 4: See Figure 4 (p.4). Connect the pulse input positive (+) to the down (DN) terminal, and common to the signal common (SC) terminal. Version #2: Solidyne PWM signal and 0-10 second Duty Cycle Pulse of Barber Colman ™, Robershaw ™. No pulse within 10 seconds = minimum output. Pulse equal or exceeding 10 seconds = maximum output.
The EPW is factory calibrated at 0 psig minimum and 15 psig maximum output. This output can be re-calibrated to match the pressure range of the actuator using the GAIN and OFFSET potentiometer as follows: (Note: The ZERO potentiometer is factory set. Do not adjust.)
- Setting the input timing range: With power removed, place jumpers in the configuration that most closely matches the timing range from the controller.
- Setting the output pressure range: Apply power. Choose a pressure range on the EPW that matches or is just above maximum range of device being controlled. Example: 8-13 psi choose B (15 psi setting).
- Setting the maximum pressure: With all pneumatic and power connections made, place the Manual override switch in the “MAN” position. Turn the override pot full clockwise.
- Setting the offset: Confirm no pulse has been sent, or remove power to reset output to minimum.
Place the Manual override switch in the “AUTO” position. Turn the “OFFSET” pot until the desired minimum pressure is achieved. - Calibration can also be made by sending the appropriate timing pulse and adjusting the “OFFSET” and “SPAN” pots to the desired pressure output.
Without power, the power and the status LED will not be illuminated. Apply power and the “STATUS” LED will blink slowly (twice per second), and the EPW will be at the lowest signal input state, or 0 psig. Apply minimum and maximum input signals and measure the response. Version #1 Operation: The “STATUS” LED will flash quickly when the EPW is receiving an input pulse, at the rate of the minimum resolution of the selected pulse range, (i.e. 0.1 to 25.5 second range, the LED will flash 0.1 second on, 0.1 second off). Exception: 0.59 to 2.93 sec. range – LED remains constant. Version #2 Operation: 0.023 – seconds – 1 flash, the pulse. 0 -10 second Duty Cycle – 3 flashes, then pause. The input signal will NOT cause “wrap around” or start over if the upper range limit is exceeded. Version #4 Operation: Same as Version #1 except output is reverse acting.
The pneumatic output changes when the input pulse has been completed. Pressure output between the minimum and maximum values will be linear, therefore software algorithms should be easy to derive. The feedback signal range on all selections is 0 to 5 VDC and is proportional to the output pressure range (Factory calibrated 0-15 psig).
FIGURE 4: SIGNAL INPUTS


The EPW is a constant bleed interface and utilizes a precision orifice to maintain a measured flow of air across the valve.
Manual override: Switch the AUTO/MAN toggle switch to the MAN position. Turn the shaft on the MAN pot to increase or decrease the pneumatic output. Return AUTO/MAN switch to AUTO position when finished.
Override Terminals (OV)
When manual override switch is in manual position, contact between terminals is closed. When manual override switch is in auto position, contact between terminals is open.
WARRANTY
The EPW Series is covered by ACI’s Two (2) Year Limited Warranty, which is located in the front of ACI’S SENSORS & TRANSMITTERS CATALOG or can be found on ACI’s website: www.workaci.com.
W.E.E.E. DIRECTIVE
At the end of their useful life the packaging and product should be disposed of via a suitable recycling centre. Do not dispose of with household waste. Do not burn.
PRODUCT SPECIFICATIONS
| NON-SPECIFIC INFORMATION | |
| Supply Voltage: | 24 VAC (+/-10%), 50 or 60Hz, 24 VDC (+10%/- 5%) |
| Supply Current: | EPW: 300mAAC, 200mADC Maximum | EPW2: 350mAAC, 200mADC | EPW2FS: 500mAAC, 200mADC |
| Input Pulse Source: | Relay Contact Closure, Transistor (solid state relay) or Triac |
| Input Pulse Trigger Level (@ Impedance): | 9-24 VAC or VDC @ 750Ω nominal |
| Off Time Between Pulses: | 10 milliseconds minimum |
| Input Pulse Timing | Resolution: | EPW: 0.1-10s, 0.02-5s, 0.1-25s, 0.59-2.93s | EPWG: 0.1-10s, 0.02-5s, 0.1-25s, 0.59-2.93s | EPW Version 2: 0.023-6s or 0-10s Duty Cycle | EPWG Verison 2: 0.023-6s or 0-10s Duty Cycle | EPW Version 4: Same as version 1, reverse acting | EPWG Version 4: Same as version 1, reverse acting | 255 Steps |
| Manual/Auto Override Switch: | MAN function = output can be varied | AUTO function = output is controlled from input signal |
| Manual/Auto Override Feedback Output: | N.O. in AUTO operation (Optional: N.O. in MAN operation) |
| Feedback Output Signal Range: Output Pressure Range: | 0-5 VDC = Output Span Field Calibration Possible: 0 to 20 psig (0-138 kPa) maximum |
| Output Pressure Range-Jumper Selectable: | 0-10 psig (0-68.95 kPa), 0-15 psig (0-103.43 kPa) or 0-20 psig (137.9 kPa) |
| Air Supply Pressure: | Maximum 25 psig (172.38 kPa), minimum 20 psig (137.9 kPa) |
| Output Pressure Accuracy: | 2% full scale at room temperature (above 1 psig or 6.895 kPa) 3% full scale across operating temperature range (above 1 psig or 6.895 kPa) |
| Air Flow: | Supply valves @ 20 psig (138 kPa) main/15 psig (103 kPa) out, 2300 scim Branch Line requires 2 in3 or 33.78 cm3 (min.). Branch line min. of 15 ft of 1/4” O.D. poly tubing |
| Filtering: | Furnished with integral-in-barb 80-100 micron filter (Part # PN004) Optional standard barb (PN002) with external 5 micron in-line filter (PN021) |
| Connections: | 90° Pluggable Screw Terminal Blocks |
| Wire Size: | 16 (1.31 mm2) to 26 AWG (0.129 mm2) |
| Terminal Block Torque Rating: | 0.5 Nm (Minimum); 0.6 Nm (Maximum) |
| Connections | Pneumatic Tubing Size-Type: | 1/4″ O.D. nominal (1/8” I.D.) polyethylene |
| Pneumatic Fitting: | Removeable brass fittings for Main & Branch in machined manifold, Plugged 1/8-27-FNPT gauge port |
| Gauge Pressure Range (Gauge Models): | 0-30psig (0-200 kPa) |
| Operating Temperature Range: | 35 to 120°F (1.7 to 48.9°C) |
| Operating Humidity Range: | 10 to 95% non-condensing |
| Storage Temperature: | -20 to 150°F (-28.9 to 65.5°C) |

Automation Components, Inc.
2305 Pleasant View Road
Middleton, WI 53562
Phone: 1-888-967-5224
Website: workaci.com


















