Trotec IRO15 infrared radiant oil heater

Notes regarding the instructions
- Warning of electrical voltage
This symbol indicates dangers to the life and health of persons due to electrical voltage. - Warning of flammable substances
This symbol indicates dangers to the life and health of persons due to flammable substances. - Warning of hot surface
This symbol indicates dangers to the life and health of persons due to hot surface. - Warning
This signal word indicates a hazard with an average risk level which, if not avoided, can result in serious injury or death. - Caution
This signal word indicates a hazard with a low risk level which, if not avoided, can result in minor or moderate injury. - Note
This signal word indicates important information (e.g. material damage), but does not indicate hazards. - Info
Information marked with this symbol helps you to carry out your tasks quickly and safely. - Follow the manual
Information marked with this symbol indicates that the instructions must be observed. You can download the current version of the instructions and the- EU declaration of conformity via the following link:
IRO 15
https://hub.trotec.com/?id=43844
- EU declaration of conformity via the following link:
Safety
Read this manual carefully before starting or using the device. Always store the manual in the immediate vicinity of the device or its site of use.
- Warning
- Read all safety warnings and all instructions. Failure to follow the warnings and instructions may result in electric shock, fire and/or serious injury. Save all warnings and instructions for future reference. This device must not be used by children and persons under 16 years of age. Children shall not play with the appliance. Cleaning and user maintenance shall not be made by children under 16 years.
- Warning
- Do not use the device in rooms if persons are present who cannot leave the room independently and who are not under constant supervision.
- Do not use the device in potentially explosive rooms or areas and do not install it there.
- Do not use the device in aggressive atmosphere.
- Only put up the device in an upright, stable position on firm ground.
- Let the device dry out after a wet clean. Do not operate it when wet.
- Do not use the device with wet or damp hands.
- Do not expose the device to directly squirting water.
- Never insert any objects or limbs into the device.
- Do not cover the device during operation.
- Do not remove any safety signs, stickers or labels from the device. Keep all safety signs, stickers and labels in legible condition.
- Do not sit on the device.
- This appliance is not a toy. Keep away from children and animals. Do not leave the device unattended during operation.
- Check accessories and connection parts for possible damage prior to every use of the device. Do not use any defective devices or device parts.
- Ensure that all electric cables outside of the device are protected from damage (e.g. caused by animals). Never use the device if electric cables or the power connection are damaged!
- The mains connection must correspond to the specifications in the Technical annex.
- Insert the mains plug into a properly fused mains socket.
- Observe the device’s power input, cable length and intended use when selecting extensions to the power cable. Completely unroll extension cables. Avoid electrical overload.
- Before carrying out maintenance, care or repair work on the device, remove the mains plug from the mains socket. Hold onto the mains plug while doing so.
- Switch the device off and disconnect the power cable from the mains socket when the device is not in use.
- Do not under any circumstances use the device if you detect damages on the mains plug or power cable. If the power cable is damaged, it must be replaced by the manufacturer, its service agent or similarly qualified persons in order to avoid a hazard. Defective power cables pose a serious health risk!
- When positioning the device, observe the minimum distances from walls and other objects as well as the storage and operating conditions specified in the Technical annex.
- Keep a safety distance of at least 1 m between the device’s air outlet and all combustible materials such as textiles, curtains, beds and sofas.
- Make sure that the air inlet and outlet are not obstructed.
- Make sure that the suction side is kept free of dirt and loose objects.
- Do not place the device on combustible ground.
- Only transport the device in an upright position.
- Only use original spare parts, for otherwise safe and functional operation cannot be ensured.
- Do not use the device with a timer.
- Always ensure sufficient ventilation during operation. Only use the device in well-ventilated spaces. A regular air exchange must be ensured during operation (every 30 minutes). Incomplete combustion due to a lack of oxygen can cause carbon monoxide poisoning.
- The actuation of oil-heated infrared radiators in particular requires observance of the accident prevention regulations with regard to heating, scarfing and melting units for construction and installation work as well as compliance with the operating and maintenance instructions, the local building and fire protection regulations, and provisions stipulated by the employers’ liability insurance association as well as other health and safety regulations.
- Possible smoke development during initial start-up will wear off after approx. 30 seconds of operation.
Intended use
This device was designed for heating surfaces and objects, for the selective heating of workstations and for the drying of surfaces that are illuminated.
The device must be used exclusively in roofed outdoor areas or in well-ventilated interior spaces. The device must be used exclusively at a safe distance from combustible materials as well as at a safe distance from persons and animals, observing the technical data provided. The device must be inspected accordingly as required and in compliance with its operating conditions, however, at least once a year, by a qualified person to ensure its operational safety. The results of the inspection must be recorded in writing and must be kept until the next inspection takes place. The device is based on the functional principle of heat generation by infrared radiation. Persons and objects are heated directly. It is intended to be used without frequent site changes. The device may only be used in rooms with a sufficient fresh air supply. The device must only be operated with EL (ultra-light) fuel oil and diesel, however not with petrol, heavy fuel oil etc.
Foreseeable misuse
- The device must not be positioned or operated in areas with a high risk of fires or in potentially explosive atmospheres.
- Do not place any objects, e.g. clothing, on the device.
- Do not use the device out of doors, unless under a roof.
- The device must not be operated in rooms with an insufficient combustion air supply.
- Do not use this device in the vicinity of fuel, solvents, varnishes or other easily inflammable vapours or in rooms where these substances are stored.
- Do not use the device as a heat source for events or festivities, or in stables.
- Do not make any unauthorized modifications, alterations or structural changes to the device.
Personnel qualifications
People who use this device must:
- be aware of the dangers resulting from heat, fire hazard and insufficient ventilation when working with oil heaters.
- be aware of the dangers that occur when handling fuels such as EL fuel oil or diesel.
- have read and understood the instructions, especially the Safety chapter.
Safety signs and labels on the device
Note: Do not remove any safety signs, stickers or labels from the device. Keep all safety signs, stickers and labels in legible condition.
The following safety signs and labels are attached to the device:
| Symbols | Meaning |
![]() | This symbol located on the device indicates dangers to the life and health of persons due to emitted hot air. |
![]() | |
![]() | The label on the device indicates that the infrared radiator may exclusively be installed and actuated in well- ventilated spaces and in compliance with applicable standards. |
- The label on the device indicates that you may never use petrol as fuel. Only use clean Diesel or kerosene. Only refill fuel when the device is disconnected from the mains and has cooled down.

Residual risks
- Warning of electrical voltage
Work on the electrical components must only be carried out by an authorised specialist company! - Warning of electrical voltage
Before any work on the device, remove the mains plug from the mains socket!
Do not touch the mains plug with wet or damp hands. Hold onto the mains plug while pulling the power cable out of the mains socket. - Warning of flammable substances
- Handling fuels entails a risk of fire.
Take sufficient precautions when handling fuels such as fuel oil, kerosene or diesel. Do not spill any diesel, kerosene or fuel oil! Do not inhale the vapours nor swallow any fuel! Avoid skin contact! - Warning of hot surface
Parts of the device, especially at the air outlet, become very hot during operation. There is a danger of burning and fire. Do not touch the device during - operation! During operation observe a safety distance of at least 3 m to the device front! Observe the minimum distance from walls or other objects according to the technical data!
- Warning of hot surface
Parts of this appliance can become very hot and cause burns. Particular attention is to be paid when there are children or vulnerable persons present! - Warning of hot surface
Improper handling entails a risk of burning. Only use the device as intended! - Warning
Improper handling entails a risk of burning and electric shock. Only use the device as intended! - Warning
Dangers can occur at the device when it is used by untrained people in an unprofessional or improper way!Observe the personnel qualifications! - Warning
The device is not a toy and does not belong in the hands of children. - Warning
Risk of suffocation!
Do not leave the packaging lying around. Children may use it as a dangerous toy. - Warning
- Improper installation entails a risk of fire.
- Do not place the device on combustible ground.
- Do not place the device on high-pile carpets.
- Warning
The device must not be covered, there is an imminent fire hazard!
Behavior in the event of an emergency
- In an emergency, disconnect the device from the mains feed-in: Switch the device off and disconnect it from the mains.
- Remove persons from the danger area.
- Do not reconnect a defective device to the mains.
Overheating protection
The device is provided with a safety thermostat which is activated by overheating of the device (when exceeding the operating temperature).
Investigate the cause of overheating. If the safety thermostat does not switch in the event of overheating, the overheating protection will be tripped. In that case the device switches off completely. If so, please contact the customer service to have the overheating protection replaced.
Information about the device
Device description
The Infrared radiant oil heater IRO 15 heats objects and surfaces and is used to quickly generate instant heat. The device is based on the functional principle of heat generation by infrared radiation. The oil-heated infrared radiant heater runs on EL fuel oil or diesel, it must not be used with petrol, heavy fuel oil etc.
The device is an infrared radiant oil heater with direct combustion to be installed in roofed outdoor areas or in rooms with a sufficient fresh air supply.

| No. | Designation |
| 1 | Transport handle |
| 2 | Air outlet with cover |
| 3 | Protective grid |
| 4 | Protective plate |
| 5 | Tank |
| 6 | Foot |
| 7 | Control panel |
| 8 | Fuel filter |
| 9 | Fuel tank cap |
| 10 | Tank filling level indication |
Functional principle
An air flow is required to ensure proper combustion. It is supplied by the internal burner housing. The air enters the burner funnel and is mixed with a high-pressure fuel jet. The fuel flow is ensured by an electric pump which sucks the fuel from the tank and conveys it to the nozzle under high pressure.
Transport and storage
Note: If you store or transport the device improperly, the device may be damaged. Note the information regarding transport and storage of the device.
Transport
To make the device easier to transport, it is fitted with a carry handle.
Before transporting the device, observe the following:
- Switch the device off.
- Hold onto the mains plug while pulling the power cable out of the mains socket.
- Do not use the power cable to drag the device.
- Allow the device to cool down sufficiently.
While transporting the device, observe the following:
- Lift the device by the transport handle (1).
Storage
Before storing the device, proceed as follows:
- Switch off the device.
- Hold onto the mains plug while pulling the power cable out of the mains socket.
- Allow the device to cool down sufficiently.
When the device is not being used, observe the following storage conditions:
- dry and protected from frost and heat
- in an upright position where it is protected from dust and direct sunlight
- with a cover to protect it from invasive dust, if necessary
Assembly and start-up
Scope of delivery
- 1 x Device
- 1 x Transport handle
- 1 x Fuel filter
- 1 x Protective grid
- 1 x Protective plate
- 1 x Foot
- 1 x Oil drain plug (M12 x 20)
- 1 x Seal ring for oil drain plug (Ø12 mm)
- Screws (M5 x 25 mm)
- 4 x Nut (M5)
- 4 x Spring washer (Ø5 x 12 mm)
- Screws (M5 x 12 mm)
- 8 x Washer (Ø5 mm)
- 1 x Manual
Unpacking the device
- Open the cardboard box and take the device out.
- Completely remove the packaging.
- Fully unwind the power cable. Make sure that the power cable is not damaged and that you do not damage it during unwinding.
Assembly
Upon delivery the device is already partially preassembled. The transport handle, the protective plate, the protective grid and the frame must still be mounted.
Mounting the transport handle
Note: At delivery, the screws required for the installation are already screwed into the housing.
- Loosen the 2 screws at the housing top.
- Use the 2 screws to mount the transport handle to the top of the housing.

Mounting the protective plate
Note: At delivery, the screws required for the installation are already screwed into the housing.
- Loosen the 2 screws on the front ring.
- Push the 2 screws through the protective plate.
- Screw the protective plate tightly to the the front ring using the 2 screws.

Mounting the protective grid
- Use 4 screws to mount the protective grid to the front of the device.

Mounting the foot
Fasten the foot to the tank using 4 screws and secure the tank using the 4 matching nuts.

Positioning
A number of spatial and technical conditions have to be considered for the selection of the device’s installation site. Non-observance may impair the proper functioning of the device or the accessories or can entail risks of personal injury and property damage.
The following is to be observed for positioning:
- Do not operate the device for more than 3 month at the same place. Prior to planning the flue gas system, gather information about the national legislation and contact a responsible specialist.
- The device may only be operated on roofed over surfaces.
- The device is to be set up in a stable position on a horizontal and incombustible ground.
- The device must be set up in close proximity to a chimney, an outer wall or on an open, ventilated surface.
- The device must be connected to a properly secured mains power socket.
- The room where the device is positioned must be sufficiently ventilated.
Ensure a sufficient fresh air supply, especially when there are people or animals in the same room with the device! - The minimum distance between walls or other objects and the air inlet opening of the device must be at least 1.5 m (see figure).
There must be no walls or large objects near the device. - The inlet and outlet openings must not be covered.
- There must be a sufficient number of fire extinguishers available.

Start-up
- Check the scope of delivery of your device for completeness. If an accessory part is missing, please contact the Trotec customer service or the specialist dealer where you purchased the device.
- Check the device and its connection parts for potential damage.
- Observe the conditions described in the chapter Positioning.
- Fill the tank with EL fuel oil or diesel as described in chapter Assembly.
- Check the device for its proper condition prior to start-up and at regular intervals during application.
- Make sure that the characteristics of the power grid conform to those on the nameplate.
- Connect the power cable to a properly secured socket. On construction sites, there must be a residual current device (RCD) upstream of the socket in accordance with national regulations (in Germany: VDE 0100/0105).
The device is now ready for operation.
Filling the tank
The fuel tank cap and the filling level indication are located at the rear of the device on the tank.
- Before attempting to fill the tank, wait until the device has cooled down completely.
- Only use fuel suitable for the device (see technical data).
- Position the device on firm, level and incombustible ground.
- Unscrew the fuel tank cap (9).

- Fill the tank. In doing so, observe the filling level indication (10). Stop filling the tank just before the red range.
- Screw the fuel tank cap (9) back onto the tank. Observe the recesses at the tank opening and the protrusions at the fuel tank cap. They must be aligned when attaching the fuel tank cap. Make sure that the fuel tank cap is firmly attached to avoid leakage.

Operation
The device may only be used by accordingly instructed persons.
Operating elements

| No. | Designation | |
| 11 | Segment display | Indication of the current room temperature during operation Indication of the target temperature during the temperature adjustment |
| 12 | Operation display | Illuminated during operation. |
| 13 | On/off switch | For switching the device on and off |
| 14 | Room thermostat rotary switch | For setting the target temperature |
Switching the device on
The device continues to operate until the desired room temperature is reached.
- Set the on/off switch (13) to position I.
- The Operation display (12) is lit.
- The room temperature is shown on the Segment display (11).
- Set the Room thermostat (14) rotary switch to the desired room temperature. This value should be higher than the current room temperature.
- The target temperature is indicated on the Segment display (11) while the temperature is adjusted.
- When the temperature has been adjusted, the Segment display (11) blinks three times, then the room temperature is shown again.
- Ensure a successful ignition.
Shutdown
Warning of electrical voltage
Do not touch the mains plug with wet or damp hands.
Note:
- Damage to the device due to overheating!
- Never switch off the device by pulling the mains plug. This may lead to overheating!
- Switch off the device properly. Do not pull the mains plug before the fan motor has completely stopped.
- Switch off the device by setting the on/off switch (13) to position 0.
- Wait until the fan motor has come to a complete standstill.
- Secure the device against inadvertent switch-on by pulling the mains plug.
- Allow the device to cool down completely.
Restart after troubleshooting
During initial start-up and after the fuel oil circuit has been drained completely, the fuel oil supply to the nozzle may be insufficient. In this case, the flame monitoring system will respond and the device will be blocked. Please proceed as follows:
- Wait for approx. 1 minute.
- Switch the device on.
If the device is still not starting, proceed as follows:
- Make sure that there is fuel left in the tank.
- Please refer to the chapters General safety warnings and Errors and faults.
Errors and faults
Warning of electrical voltage
Tasks which require the device to be opened must only be carried out by authorised specialist companies or by Trotec.
Warning
- Risk of injury due to improper repair!
- Never try to make any modifications or repairs on the device.
- Unauthorized modifications can lead to serious injuries or death.
- Have a certified specialist workshop perform the repair work.
The device has been checked for proper functioning several times during production. If malfunctions occur nonetheless, check the device according to the following list.
The device does not start:
- Check the power connection.
- Check the power cable and mains plug for damages.
- Check the on-site fusing.
- The safety thermostat might have tripped due to overheating Switch the device off and let it cool down for at least 10 minutes.
The device starts running, but switches off again after a brief period:
- The pump pressure might be incorrect. Check the pressure at the pump and adjust it if necessary, see chapter Adjusting the air pressure for the pump.
- The air filter might be dirty. Clean the air filters, and replace them if necessary, see chapter Cleaning air filters and fan.
- The fuel filter might be dirty. Clean the fuel filter and replace it, if necessary, see “Cleaning” chapter, after 50 operating hours in each case.
The fan is running, but the device does not start:
- There might be no fuel in the tank. Check the filling level of the tank. Refill fuel if the tank is empty (see chapter Filling the tank).
- The pump pressure might be incorrect. Check the pressure at the pump and adjust it if necessary, see chapter Adjusting the air pressure for the pump.
The fan does not start, even though the device is connected and switched on:
- The thermostat setting might be too low. Turn up the thermostat setting.
Unclean combustion:
- The air filters might be dirty. Clean or replace the air filters, see chapter Removing filters for cleaning or replacement.
- The fuel might be of poor quality. Completely drain the fuel, see chapter Draining the tank. Refill new fuel, see chapter Filling the tank.
- The pump pressure might be incorrect. Check the pressure at the pump and adjust it if necessary, see chapter Adjusting the air pressure for the pump.
Smoke and/or sparks are emitted during first use:
- This is not a fault. These phenomena disappear after a brief runtime.
Noise emission during ignition or cooling:
- This is not a fault. The metal parts of the device expand when heated and generate noise.
Sparks and/or flame may be issued from the device during ignition:
- This is not a fault. Air might have accumulated in the lines. Keep a safety distance to the device!
The flame in the combustion chamber does not ignite:
- Check the filling level of the tank. Refill fuel if the tank is empty (see chapter Maintenance).
- Check the fuel for contaminations, e.g. dirt or water. If required, drain the fuel completely and fill in new fuel (see chapter Maintenance).
- Safety shutdown: if the flame dies during operation, the electronics and the oil pump will be switched off. Investigate the cause on the basis of the following criteria:
- For qualified personnel only! Check the ignition: The distance between the two ignition electrodes should be 4 to 5 mm.
The flame goes out during combustion:
- Make sure the air supply is unobstructed. If required, clean the air intake opening.
- Check the filling level of the tank. Refill with fuel if the tank is empty (see chapter Operation).
- Check the fuel filter and the fuel pump for dirt. If it is dirty, please contact the customer service.
- Check the fuel for contaminations and replace it if required.
- Power failure: In the event of a power failure the ignition is extinguished, the device switches off immediately. After a power failure the device will not restart automatically, it has to be started via the on/off switch.
There is a fuel leak:
- Check whether too much fuel was filled in. Drain the fuel if necessary, see chapter Draining the tank.
- Check the drain screw for tight fit and retighten it if necessary.
- Check the sealing at the drain screw and replace it if damaged.
- Check the fuel pump for leaks. If there are doubts about the proper condition of the fuel pump, please contact the customer service.
The device emits smoke or dust:
- Check the mains voltage.
- Check the fuel for contaminations and replace it if required.
- Check the tank for contaminations and drain it if required (see chapter Maintenance). Refill with clean fuel.
The flame emerges from the air outlet:
- Check the mains voltage.
- Check the fuel for contaminations and replace it if required.
- Check the tank for contaminations and drain it if required (see chapter Maintenance). Refill with clean fuel.
Note
Wait for at least 3 minutes after maintenance and repair work. Only then switch the device back on.
The device still does not operate correctly after these checks:
- Please contact the customer service. If necessary, bring the device to an authorised specialist electrical company or to Trotec for repair.
Error codes
The following error messages can be displayed on the segment display:
| Error message | Meaning | Remedy |
| F0 | The device was not switched off properly. When the mains plug was disconnected, the on/off switch was in the Iposition. | Remove the mains plug from the mains socket. Switch off the device by setting the on/off switch to the 0 position. Plug the mains plug into a suitable socket. Switch on the device by setting the on/off switch to the I position. |
| F1 | No fuel in the tank | Switch off the device and fill the tank as described in the “Filling the tank” chapter. |
| The fuel is soiled. | Switch off the device and clean the tank as described in the “Cleaning the tank” chapter. | |
| The photo cell is soiled or damaged. | Switch off the device and clean the tank as described in the chapter for “Cleaning the tank”. | |
| The fuel filter is soiled. | Switch off the device and clean the fuel filter as described in the “Cleaning the fuel filter” chapter. | |
| Ignition fault | Switch off the device and call the customer service. | |
| F2 | Defective temperature sensor / cable break | Switch off the device and call the customer service. |
| F3 | The device is overheating | Switch off the device and wait until it has cooled down. |
| The tilt protection has tripped. | Place the device on a level and stable ground and restart it. | |
| LO | Ambient temperature below -9 °C | Normal operation, no remedy required |
| CH | Continuous operation (55 °C) | Normal operation, no remedy required |
Maintenance
Maintenance intervals
| Maintenance and care interval | before every start-up | as needed | at least every 2 weeks | at least every 4 weeks | at least every 6 months | at least annually |
| Check air inlets and outlets for dirt and foreign objects and clean if necessary | X | |||||
| Check air inlet grid(s) for dirt and foreign objects and clean if necessary | X | X | ||||
| Clean the exterior | X | X | ||||
| Visually check the inside of the device for dirt | X | X | ||||
| Check for damage | X | |||||
| Check attachment screws | X | X | ||||
| Clean the fuel filter | X | X | ||||
| Clean fuel tank | X | X | ||||
| Test run | X |
Maintenance and care log
Device type: ………………………………………
Device number: ………………………………
| Maintenance and care interval | 1 | 2 | 3 | 4 | 5 | 6 | 7 | 8 | 9 | 10 | 11 | 12 | 13 | 14 | 15 | 16 |
| Check air inlets and outlets for dirt and foreign objects and clean if necessary | ||||||||||||||||
| Check air inlet grid(s) for dirt and foreign objects and clean if necessary | ||||||||||||||||
| Clean the exterior | ||||||||||||||||
| Visually check the inside of the device for dirt | ||||||||||||||||
| Check for damage | ||||||||||||||||
| Check attachment screws | ||||||||||||||||
| Clean the fuel filter | ||||||||||||||||
| Clean fuel tank | ||||||||||||||||
| Test run | ||||||||||||||||
| Comments | ||||||||||||||||
| 1. Date: …………………………….. Signature: ………………………….. | 2. Date: ……………………………… Signature: …………………………… | 3. Date: ……………………………… Signature: …………………………… | 4. Date: ……………………………… Signature: …………………………… |
| 5. Date: …………………………….. Signature: ………………………….. | 6. Date: ……………………………… Signature: …………………………… | 7. Date: ……………………………… Signature: …………………………… | 8. Date: ……………………………… Signature: …………………………… |
| 9. Date: …………………………….. Signature: ………………………….. | 10. Date: ……………………………. Signature: …………………………… | 11. Date: ……………………………. Signature: …………………………… | 12. Date: ……………………………. Signature: …………………………… |
| 13. Date: …………………………… Signature: ………………………….. | 14. Date: ……………………………. Signature: …………………………… | 15. Date: ……………………………. Signature: …………………………… | 16. Date: ……………………………. Signature: …………………………… |
Activities required before starting maintenance
Warning of electrical voltage
Do not touch the mains plug with wet or damp hands.
- Switch the device off.
- Hold onto the mains plug while pulling the power cable out of the mains socket.
- Allow the device to cool down completely.
Warning of electrical voltage
Tasks which require the device to be opened must only be carried out by authorised specialist companies or by Trotec.
Cleaning the housing
Clean the housing with a soft, damp and lint-free cloth. Make sure that no moisture enters the housing. Protect electrical components from moisture. Do not use any aggressive cleaning agents such as cleaning sprays, solvents, alcohol-based or abrasive cleaners to dampen the cloth.
Wipe the housing dry after cleaning.
For a smooth operation of the device, the combustion chamber, the burner and the fan must be cleaned regularly.
- Switch the device off as described in the Shutdown chapter.
- Wait until the device has cooled down completely.
Cleaning the tank
The tank must be cleaned every 150 – 250 operating hours. To clean the tank, proceed as follows:
- Drain the tank as described in the “Draining the tank” chapter.
- Rinse the tank using clean fuel.
- Fill the tank with clean fuel as described in the “Filling the tank” chapter.
Cleaning the ignition
The ignition must be cleaned every 1000 operating hours or if required. To clean the ignition, proceed as follows:
- Remove the upper part of the housing.
- Remove the burner.
- Clean the electrodes. Check the distance of the electrodes and adjust if necessary (see figure).

- Assemble the components in reverse order after cleaning.
Cleaning the fan
The fan must be cleaned if required. To clean the fan, proceed as follows:
- Dismantle the upper part of the housing and clean the inner section and the fan blades with a cleaning fleece and, in case of heavy soiling, with a brass brush.
- Assemble the components in reverse order after cleaning.
Clean the fuel filter
The fuel filter must be cleaned twice per heating season or if required, or replaced, if necessary. To clean or replace the fuel filter, proceed as follows:
- Remove the fuel oil filter.
- Remove the filter insert.
- Clean the filter insert with clean fuel oil. If the filter insert is heavily polluted or damaged, replace it by a new filter insert.
- Assemble the components in reverse order after cleaning.
Draining the tank

- Provide for a suitable collection container.
- Move the device to an elevated position.
- As indicated in the figure use a wrench to open the screw at the bottom of the tank.
- Drain the fuel into the collection container.
- When no more fuel is discharged, seal the drain hole again
- Ensure the tight fit of the screw and, if required, replace the seal, for otherwise fuel might leak out uncontrollably.
- Dispose of the fuel according to national regulations.
Technical annex
Technical data
| Parameter | Value |
| Method of heating | Directly + infrared |
| Operating range | -20 °C to 40 °C |
| Mains connection | 220–240 V ~ 50 Hz |
| Max. heating capacity | 20 kW |
| Nominal current | 0.48 A |
| Power consumption, max. | 0.11 kW |
| Max. fuel consumption | 1.9 l/h |
| Tank contents | 10.5 l |
| Sound level (at a distance of 1m) | 65 dB(A) |
| Protection type | IP X4 |
| Dimensions (length x width x height) | 575 x 340 x 635 mm |
| Minimum distance to walls and other objects A: top B: rear C: side D: front | 1.5 m 1.5 m 1.5 m 2.50 m |
| Weight | 18 kg |
Fuels
The following fuels are approved for the device:
- Diesel
- Kerosene
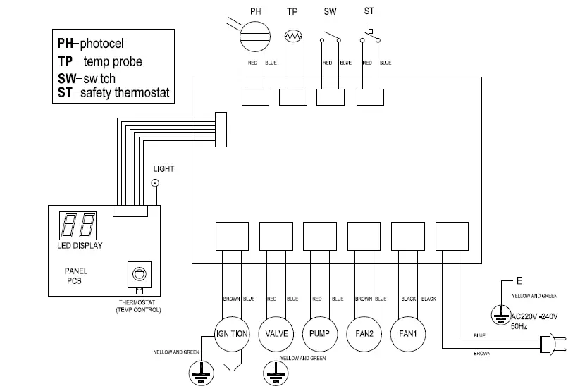
Wiring diagram

Overview and list of spare parts
Info
The position numbers of the spare parts differ from those describing the positions of the components mentioned in these instructions.

| No. | Spare Part | No. | Spare Part | No. | Spare Part |
| 1 | Oil Drain Screw | 24 | Fan | 47 | Waterproof Gasket |
| 2 | Oil Drain Sealing Ring | 25 | Air Passage | 48 | Display PBC 2 |
| 3 | Tank Support | 26 | Diffusion Cap | 49 | Rear Plastic Cover |
| 4 | Fuel Tank | 27 | Sealing Ring Fixing Plate | 50 | Light Cover |
| 5 | Oil Inlet Filter Holder | 28 | Nozzle | 51 | Display Window |
| 6 | Oil Inlet Filter | 29 | Blade For Combustion Chamber | 52 | Thermostat Adjustment Knob Nut |
| 7 | Tank Cap Shaft | 30 | Burner Head | 53 | On/Off Switch |
| 8 | Tank Cap Gasket | 31 | Ignition Needle | 54 | Thermostat Adjustment Knob |
| 9 | Fuel Tank Cap | 32 | Burner Head Connector | 55 | Power Cord |
| 10 | Brealth Cover | 33 | Power PCB 1 | 56 | Cable Fastener 6N-4 |
| 11 | Cable fastener 5N-4 | 34 | PCB Bracket | 57 | Body Rear Ring |
| 12 | Sealing Ring | 35 | Support Bracket | 58 | Sealing Ring 1 |
| 13 | Fuel Filter | 36 | Re-Set Thermostat | 59 | Sealing Ring 2 |
| 14 | Fuel Filter Ass’y | 37 | Photocell Ass’y Bracket | 60 | Air Flow Adjustment Collar |
| 15 | Oil Filter | 38 | Photocell Ass’y | 61 | Chamber Rear Cover |
| 16 | Oil Hose | 39 | Bracket For Ignition Transformer | 62 | Combustion Chamber |
| 17 | Oil Leveler | 40 | Ignition Transformer | 63 | Handle |
| 18 | Side Plate | 41 | Rotor Motor | 64 | Chamber Shield Bracket |
| 19 | Support | 42 | Fuel Pipe Ass’y | 65 | Heat Insulation Casing |
| 20 | Body Shell | 43 | Solenoid Valve | 66 | Front Cover |
| 21 | Motor | 44 | Fuel Pump | 67 | Body Front Ring |
| 22 | Air Passage Support | 45 | Electromagnetic Pump Connector | 68 | Safety Frame |
| 23 | Motor Support | 46 | Connector For Fuel | 69 | Lower Protection |
Disposal
The icon with the crossed-out waste bin on waste electrical or electronic equipment stipulates that this equipment must not be disposed of with the household waste at the end of its life. You will find collection points for free return of waste electrical and electronic equipment in your vicinity. The addresses can be obtained from your municipality or local administration. You can also find out about other return options that apply for many EU countries on the website
https://hub.trotec.com/?id=45090. Otherwise, please contact an official recycling centre for electronic and electrical equipment authorised for your country.
The separate collection of waste electrical and electronic equipment aims to enable the re-use, recycling and other forms of recovery of waste equipment as well as to prevent negative effects for the environment and human health caused by the disposal of hazardous substances potentially contained in the equipment.
Fuel oil
- The fuel oil must be drained from the device and collected.
- Fuels are to be disposed of according to the national regulations.
Declaration of conformity
Declaration of conformity in accordance with the EC Machinery Directive 2006/42/EC, Annex II, Part 1, Section A
We – Trotec GmbH – declare in sole responsibility that the product designated below was developed, constructed and produced in compliance with the requirements of the
EC Machinery Directive in the version 2006/42/EC.
- Product model / Product: IRO 15
- Product type: infrared radiant oil heater
- Year of manufacture as of: 2021
- Relevant EU directives:
- 2011/65/EU: 01/07/ 2011
- 2012/19/EU: 24/07/2012
- 2014/30/EU: 29/03/2014
- 2015/863/EU: 31/03/2015
- Applied harmonised standards:
- EN 13842:2004
- EN 55014-1:2017
- EN 55014-1:2017/A11:2020
- EN 60335-2-102:2016
- EN 61000-3-3:2013
- Applied national standards and technical specifications:
- EN 55014-2:2015
- EN 61000-3-3:2013/A1:2019
- EN 60335-1:2012/A1:2019
- EN 60335-1:2012/A2:2019
- EN 60335-1:2012/A14:2019
- EN 62233:2008
- EN IEC 61000-3-2:2019
Manufacturer and name of the authorised representative of the technical documentation:
Trotec GmbH
Grebbener Straße 7, D-52525 Heinsberg
Phone: +49 2452 962-400
E-mail: [email protected]
Trotec GmbH Grebbener Str. 7
Grebbener Str. 7
D-52525 Heinsberg
TEL: +49 2452 962-400
TEL: +49 2452 962-200
E-mail: [email protected]
WEBSITE: www.trotec.com

























