User manual
Multiplexer
WIRED ALARM INTEGRATION MODULE
Is a part of the U-Prox security alarm system
Manufacturer: Integrated Technical Vision Ltd.
Vasyl Lypkivsky str. 1, 03035, Kyiv, Ukraine
https://www.u-prox.systems/doc_multiplexer

U-Prox Multiplexer – is a wireless module designed to connect wired equpment (detectors, IR barriers, gas detectors, wired sirens etc) to wireless U-Prox control panel. Has power output, switched power output and built-in LiIon batteries to power backup. It is installed indoors.
The device is connected to the control panel and is configured with the U-Prox Installer mobile application.
https://u-prox.systems/Installer
Functional parts of the device (see picture)
| 1. Device case 2. Light indicator 3. Case back cover 4. Сonduit for wires 5. Locking screw 6. Tamper case 7. Upper part of the device, rear view | 8. Connector 9. On/off button 10. Battery compartment 11. Bottom plate of device 12. Tamper switch 13. Bottom plate connector 14. Power supply connector |
TECHNICAL SPECIFICATIONS
| Inputs | 8 (Z1 … Z8) |
| Output | 1 relay (NO C) |
| LED | +3 V |
| Power output | 2 outputs, AUX and SWA (switchable output),resettable fuse protected, 200 mA @12V |
| Power supply | 10.8 … 13.8VDC |
| Battery backup | two 2500 mAh batteries, up to 10 hours (8 wired detectors, 15 mA each) |
| Radio frequency | ISM-band wireless interface2 with several channels ITU region 1 (EU, UA): 868.0 to 868.6 MHz,bandwidth 100kHz, 20 mW max.,up to 4800m (in line of sight) ITU region 3 (AU): 916.5 to 917 MHz,bandwidth 100kHz, 20 mW max.,up to 4800m (in line of sight) |
| Communication | Secure two way communication,sabotage detection, key – 256 bits |
| Dimensions & weight | 0°C to +45°C |
| Operating temperature range | 167 х 120 х 38 mm & 0.64 kg |
| Case colour | white |
COMPLETE SET
- U-Prox Multiplexer;
- Two 18650 batteries (pre-installed);
- Quick start guide
CAUTION. RISK OF EXPLOSION IF BATTERY IS REPLACED BY AN INCORRECT TYPE. DISPOSE USED BATTERIES ACCORDING TO THE NATIONAL REGULATIONS
WARRANTY
Warranty for U-Prox devices (except batteries) is valid for two years after the purchase date.
If the device operates incorrectly, please contact [email protected] first, maybe it can be solved remotely.
REGISTRATION

RANGE TEST FOR OPTIMAL INSTALLATION LOCATION

Due to Grade 2 requirement RF link works with reduction of power in 8 dB


INDICATION IN RANGE TEST MODE

INSTALLATION

INDICATION


LED CONNECTION

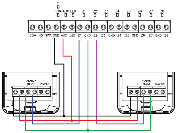
SENSORS CONNECTION

adjustable alarm sign (NO or NC) for each input
www.u-prox.systems
[email protected]
www.u-prox.systems/doc_multiplexer


















