Product Information Document
Install
DUBLIN
TCX102-WH
2 Way 10″ Loudspeaker for Portable PA and
Installation Applications (White)

- 2-way loudspeaker for portable PA and installation applications
- 250 Watts continuous, 1000Watts peak power
- High excursion 10″ low-frequency driver with low mass voice coil for improved transient response
- 1″ high-temperature dome compression driver with extended high-frequency reproduction
- Rotatable converging elliptical waveguide provides 90° H x 60° V dispersion
- M10, M8, and M6 rigging points compatible with TURBOSOUND and OmniMount* brackets
- Trapezoidal cabinet shape enables visually unobtrusive loudspeaker arrays
- Concealed pole mount socket enables mobile applications
- Integral handle for lifting and carrying
- 15mm (5/8″) birch plywood enclosure with hard wearing semi matt black paint finish
- Powder-coated perforated steel mesh grille with foam backing
- Neutrik speakON* NL4 and barrier strip connectors
- 10-Year Warranty Program*
- Designed and engineered in the U.K.
The DUBLIN TCX102-WH is a 1000 Watt compact 10″ passive two-way loudspeaker that is ideally suited for a wide range of portable or installed speech and music sound reinforcement applications. TCX102-WH consists of a trapezoidal enclosure housing a high excursion 10″ reflex-loaded low-frequency driver with low mass voice coil for an improved transient response, and a 1″ high-temperature dome compression driver mounted on a rotatable converging elliptical waveguide, which provides a 90° horizontal by 60° vertical dispersion pattern. 
Custom-Engineered Drivers
TURBOSOUND has been recognized the world over for designing and building some of the most iconic loudspeakers and subwoofers. We take meticulous care and pride in maintaining that reputation by utilizing only drivers designed specifically for each application – it’s what sets us apart from the competition. TCX102-WH high excursion 10″ low frequency and 1″ high-temperature dome compression drivers ensure truly world-class performance that will stand the test of time.
*All third-party trademarks are the property of their respective owners. Their use neither constitutes a claim of the trademark nor affiliation of the trademark owners with MUSIC Group. Product names are mentioned solely as a reference for compatibility, effects, and/or components. Warranty details can be found at music-group.com.
Rotatable Waveguide
The he TCX102-WH’s compression driver is mated to a converging elliptical waveguide that is rotatable through 90°, allowing a swap of the horizontal and vertical dispersion patterns for a smooth wavefront, while providing exceptional pattern control. This feature is especially useful for retaining wide horizontal dispersion when the enclosure is mounted horizontally due to ceiling height restrictions.
Construction and Connectivity
Constructed from 12 mm (5/8″) birch plywood, the cabinet is finished in hard-wearing semi-matte black textured paint and includes internal M10, M8 and M6 threaded rigging points for use with TURBOSOUND and industry-standard wall and ceiling brackets. A perforated steel mesh grille backed with reticulated foam protects the drive units. The rear connector panel provides two Neutrik speakON* NL4 connectors for input and link functions, which are wired in parallel to a 4-way barrier strip connector.
Discreet Implementation
When permanently installed, the TCX102-WH’s presents a discreet appearance with no visible side handles for visually unobtrusive loudspeaker arrays, while in portable applications the pole mount blanking plug can be removed for use with speaker stands or poles.
You Are Covered
We always strive to provide the best possible Customer Experience. Our products are made in our own MUSIC Tribe factory using state-of-the-art automation, enhanced production workflows, and quality assurance labs with the most sophisticated test equipment available in the world. As a result, we have one of the lowest product failure rates in the industry, and we confidently back it up with a generous Warranty program.

Frequency Response Sensitivity 1 W / 1 m

Impedance

Horizontal Beamwidth

Vertical Beamwidth

Horizontal Polar Plots

Vertical Polar Plots

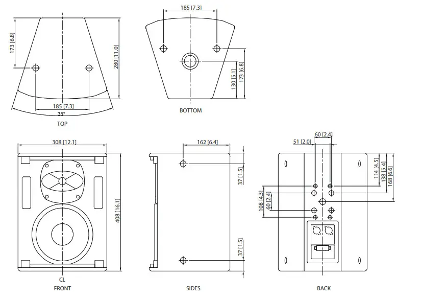
Dimensions

Mounting and Rigging
The cabinet is fitted with M6 x 4, M8 x 4, and M10 x 10 internally-threaded rigging points that allow it to be rigged with optional shoulder eyebolts and mounted in many different configurations in permanent installations. The simplest method of rigging is to use two rigging points on the top, and a single pull-back rigging point on the rear panel. Adjustment of the length of the rear cable allows the cabinet to be angled for optimum room coverage. Cabinets may also be hung upside down if required. The horn of each cabinet may be rotated 90 degrees to optimize the coverage.
The cabinet is compatible with industry-standard wall and ceiling brackets.
The cabinet has a standard pole mount receptacle that allows it to be used with an industry-standard speaker pole on top of a TCX115B or TCX118B bass cabinet. A removable plastic bung covers the pole mount socket.
Technical Specifications
| System | |
| Frequency response | 100 Hz – 20 kHz ±3 dB 68 Hz – 20 kHz -10 dB |
| Nominal dispersion | 90° H x 60° V @ -6 dB points |
| Power handling (IEC) | 250 W continuous, 1000 W peak |
| Sensitivity | 119 dB continuous, 125 dB peak |
| Maximum SPL | 117 dB continuous, 123 dB peak |
| Impedance | 8 Ω |
| Components | 1 x 10″ (254 mm) LF driver 1 x 1″ (25 mm) HF compression driver |
| Enclosure | |
| Connectors | 2 x Neutrik speakON* NL4, 1 x barrier strip terminals |
| Wiring | Pins 1+ / 1- input, pins 2+ / 2- link |
| Dimensions HWD | 488 x 366 x 332 mm (19.2 x 14.4 x 13.0″) |
| Net weight | 15.1 kg (33.2 lbs) |
| Construction | 15 mm (5/8″) birch plywood |
| Finish | Semi matt white paint (black optional) |
| Grille | Powder-coated perforated steel |
| Flying hardware | M10 x 10, M8 x 4, M6 x 4 Points |
Architecture & Engineering Specifications
The loudspeaker shall be of the full range, two-way passive type consisting of one 8″ (203 mm) LF driver and one 1″ (25 mm) HF compression driver. Performance specifications of a typical production unit shall meet or exceed the following: frequency response, measured with swept sine wave input, shall be flat within ±3 dB from 100 Hz to 20 kHz and within -10 dB from 70 Hz to 20 kHz. Nominal dispersion, at -6 dB points, shall average 90° H x 60° V, rotatable. Nominal impedance shall be 8 Ohms. Power handling shall be 200 Watts continuous, 800 Watts peak. Sensitivity, measured on axis, mean averaged over stated bandwidth, shall be 94 dB, 1 Watt @ 1 meter. Maximum SPL (peak), measured at 1 meter with the music program at the stated amplifier input, shall be 123 dB. Dimensions: 408 mm high x 308 mm wide x 280 mm deep (16.1″ x 12.1″ x 11.0″). Net weight: 10.3 kg (22.7 lbs). The loudspeaker system shall be the TURBOSOUND TCX102-WH. No other loudspeaker shall be acceptable unless submitted data from an independent test laboratory verifies that the above-combined performance/size specifications are equaled or exceeded.
![]() | ![]() |


For service, support or more information contact the TURBOSOUND location nearest you:
| Europe MUSIC Tribe Brands UK Ltd. Tel: +44156 273 2290 Email: [email protected] [email protected] [email protected] | USA/Canada MUSIC Tribe Commercial NV Inc. Tel: +1 702 800 8290 Email: [email protected] [email protected] [email protected] | Japan MUSIC Tribe Services JP K.K. Tel: +81 3 6231 0453 Email: [email protected] [email protected] [email protected] |
MUSIC Tribe accepts no liability for any loss which may be suffered by any person who relies either wholly on or in part upon any description, photograph, or statement contained herein. Technical specifications, appearances, and other information are subject to change without notice. All trademarks are the property of their respective owners. MIDAS, KLARK TEKNIK, LAB GRUPPEN, LAKE, TANNOY, TURBOSOUND, TC ELECTRONIC, TC HELICON, BEHRINGER, BUGERA, and COOLAUDIO are trademarks or registered trademarks of MUSIC Group IP Ltd.
© MUSIC Group IP Ltd. 2018 All rights reserved.





















