
![]()
C4E NUMERICAL SENSOR
User manual

General
In order to maintain and ensure the good working order of the C4E sensor, users must comply with the safety precautions and warnings featured in this manual.
Assembly and activation:
- Assembly, electrical connection, activation, operation and maintenance of the measuring system must only be carried out by specialist personnel authorized by the user of the facilities.
- Trained personnel must be familiar with and comply with the instructions in this manual.
- Make sure the power supply complies with the specifications before connecting the device.
- A clearly-labeled power switch must be installed near the device.
- Check all connections before turning the power on.
- Do not attempt to use damaged equipment: it may represent a hazard and should be labeled as faulty.
- Repairs must only be carried out by the manufacturer or by AQUALABO CONTROL’s after-sales service department.
➢ Marking on the body of the sensor:
The marking on the body of the sensor indicates the serial number of the sensor (for the traceability) and the LOGO CE.

| 1 | Datamatrix (contains the serial number) |
| 2 | Serial number C4E sensor: SN-PC4EX-YYYY X: version YYYY: number |
| 3 | CE mark |
Characteristics
Technical characteristics.
The technical characteristics can be modified without advance notice.
| Measures | |
| Measure principle | Conductivity sensor with 4 electrodes (2 graphic, 2 platinum). |
| Measure ranges conductivity | 0-200,0 µS/cm 0 –2000 µS/cm 0,00 –20,00 mS/cm 0,0 –200,0 mS/cm |
| Resolution | 0,01 to 1 according the range |
| Accuracy | +/- 1 % of the full range Beyond 100 mS/cm use appropriate buffer solution |
| Measure range salinity | 5-60 g/Kg |
| Measure range TDS -KCl | 0-133 000 ppm |
| Temperature | |
| Technology | NTC |
| Range | 0,00 °C to + 50,00°C |
| Resolution | 0,01 °C |
| Accuracy | ± 0,5 °C |
| Response time | < 5 s |
| Storage temperature | -10°C to + 60°C |
| Response time | < 5 s |
| Maximum refreshing time | Max < 1 s |
Sensor
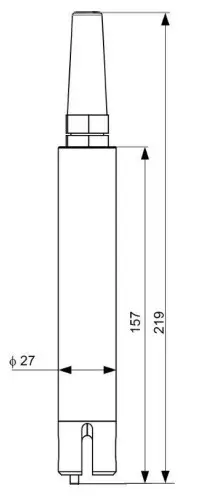
| Dimensions | Diameter : 27 mm ; Lenght : 177 mm |
| Weight | Stainless steel version 350g (sensor + cable 3 m) |
| Wetted material | Body : PVC body + DELRIN NTC : stainless steel Electrodes : platinum, graphic Cable : polyurethane jacket Steam gland : Polyamide |
| Safeway | The 4 electrodes are sensitive to deposits (some fat, hydrocarbons, biofilm, mud) |
| Maximum pressure | 5 bars |
| IP classification | IP68 |
| Connection | 9 armoured connectors, polyurethane jacket, bare-wires or waterproof Fisher connector |
| Sensor cable | Standard : 3, 7 and 15 m (other length on request). 100 m Max. Up to 100 m with junction box. |
Communication – Power supply
| Signal interface | Modbus RTU RS-485 and SDI-12 |
| Power requirements | 5 to 12 volts for cable 0-15 m 7 to 12 volts for cable >15 m Max. 13.2 V |
| Consumption | Standby 25 µA Average RS485 (1 measure/ seconde) : 6,3 mA Average SDI12 (1 measure/ seconde) : 9,2 mA Current pulse : 500 mA Heating time : 100 mS Protection against the inversions of polarity |
CE compliance.
Pursuant to the article 11 of the directive 89 / 336 / EEC relative to the electromagnetic compatibility.
We declare that the digital sensor of the range DIGISENS sensor C4E was tested and declared in compliance with the European standards :
Standard tests: EN 61326-1 edition 2013
Emission – EMC EN 55022 Class B
Immunity – EN 61000-4-3 A
EN 61000-4-2 B
EN 61000-4-6 A
EN 61000-4-4 B
Shone disturbances: EN 55011B
Identification of the measurement process: composed of :
1- one probe
2- Ponsel’s cable.
EN 61000-4-5 Not concerned for sensors with a cable lower or equal to 30 M
Commercial name : DIGISENS range
Manufacturer:
AQUALABO
90 Rue du professeur P. Milliez
94506 Champigny-sur-Marne
Responsible UE :
AQUALABO
90 Rue du professeur P. Milliez
94506 Champigny-sur-Marne
Description.
Product overview
The electrode works with a technology in 4 electrodes: an alternating current of constant-voltage is established between a primary’s pair of electrodes in graphite. The secondary’s electrodes in platinum allow of regulate the voltage imposed to primary’s electrodes to reflect of the fouling. The voltage measured between the primary’s electrodes is in function of the resistance of place and so, of the conductivity. The C4E sensor offers the following advantages:
- Low operating costs due to reduced maintenance work (no electrolyte changes)
- Greater calibration intervals due to low drift behaviour
- No polarization voltage required
- High measuring accuracy, even for low concentrations
- Rapid response times
- No minimum inflow (no oxygen consumption) The sensor features excellent interference immunity thanks to the integrated preamplifier and digital signal processing. The measured value for conductivity is automatically compensated with the temperature and transferred without interference to the connected display unit and controller via a digital interface. The sensor also includes a log book containing the last ten successful calibrations in the form of a ring buffer.
Applications
The compact and robust DELRIN sensor is particularly well suited to the following typical areas of application:
- Industrial and municipal sewage treatment plants
- Wastewater management (nitrification and de-nitrification)*
- Surface water monitoring
- Drinking water monitoring
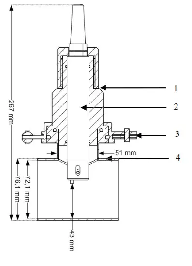
Construction and dimensions.

- PT100 Temperature sensor
- PVC Head of body with 4 electrodes inside the slot
- DELRIN Sensor body with measurement electronics
- Cable bushing
- Securely connected connection cable

Communication.
Modbus RTU registers.
The link protocol must correspond to MODBUS RTU. See document:
- Modbus_over_serial_line_V1_02.pdf
- Modbus_Application_Protocol_V1_1a.pdf
- Modbus memory for PONSEL digital Sensors : SENSOR_TramesCom_xxx_UK.xls (refer to http://www.ponselweb.com/)
The Modbus memory plane is identical for each parameter of the Sensors.
The Modbus protocol for the Sensors allows you to measure the parameter (+ temperature) of the Sensor and to calibrate the parameter (+ temperature). Furthermore, there are certain numbers of functions such as:
- Select the averaging value
- Read the Sensor description
- Return to default coefficients
- Modify the Sensor address
- Information on measures conducted (Out Of Specification measures, measures in progress, etc.).
- Date and name of the operator who performed the calibration
- etc.
To have more information on the open PONSEL’s Modbus protocol please consult the last version of the following documents :
- the pdf file : Modbus_SpecificationsVxxx-EN
- the excel file : Digital sensor Frame_XXX_UK
SDI12 frame.
A list of SDI12 registers is available for network communication. Refer to http://www.ponsel-web.com/ for more information.
Compensation
The method of temperature correction in the conductivity digital sensor C4E is a Non-linear temperature correction. The principal of this correction is that conductivity measured at the sample temperature is corrected to 25°C to give K25.

f25(T) is the temperature correction factor used for the conversion of conductivity values of natural water from T to 25°C.
With α = α025 x α S25 (at 25 °C α025 = 1.9112 %/°C) for “normal” water surface.
Standard table at 25°C of coefficients αs25 (t) :

Installation.
Sensor installation option
For the installation of the sensors in condition of immersion or in-pipe insertion, we advise to use accessories adapted and proposed by AQUALABO CONTROLE.
Accessories for immersion installation.
In immersion condition, it is necessary to maintain the sensor by the body and not to leave the sensor suspended by the cable at the risk of damaging the sensor.
AQUALABO CONTROLE proposes a range or pole (short and long version) in order to install the sensor in open basins. It can be positioned a considerable distance from the basin edge with the bracket suspended on a chain, for example.
Please note the following when planning your set-up:
- The fitting must be easily accessible to allow the sensor or the fitting itself to be maintained and cleaned regularly
- Do not allow the fitting (and thus also the sensor) to swing against and hit the basin edge
- When working with systems involving pressure and/or temperature, ensure that the fitting and sensor meet all relevant requirements
- The system designer must check that the materials in the fitting and sensor are suitable for the measurement (chemical compatibility, for instance)
| Material | PVC |
| Admissible temperature | 0 to 60 °C |
| Pressure max. | 5 bars |
➢Short pole

The short pole is available in 2 versions :
- version with elbowed shutter. The nozzle of support is included in the offer.
| PF-ACC-C-00268 | STRAIGHT SHORT POLE FOR C4E/NTU SENSOR (1495 mm, ELBOWED SHUTTER) |
- version with shutter for mounting with chain The nozzle of support is included in the offer.
| PF-ACC-C-00271 | STRAIGHT SHORT POLE FOR C4E/NTU SENSOR (1550 mm, RING SHUTTER) |
➢Long pole
The long poles are available in elbow version, for installations in aeration basin, and straight, for applications in open channel. Every pole is equipped with an elbowed shutter and with waterproofness joints. The lower part includes a nozzle which is adapted to the sensor what assures its mechanical support.

- Elbowed pole with elbowed shutter
| PF-ACC-C-00262 | 90° ELBOW LONG PERCH FOR C4E/NTU SENSOR (2955 mm, ELBOWED SHUTTER) |
- Straight long pole with elbowed shutter
| PF-ACC-C-00265 | STRAIGHT LONG POLE FOR C4E/NTU SENSOR (2745 mm, ELBOWED SHUTTER) |
➢Mounting accessories for pole.
The elements of fixation for the poles are flexible and specially studied to adapt themselves to the different configurations of assembly.

- Pole kit fixation
| NC-ACC-C-00009 | POLE FIXATION KIT FOR NUMERICAL SENSOR (ON LOW WALL) |
| NC-ACC-C-00010 | POLE FIXATION KIT FOR NUMERICAL SENSOR (ON LIFE LINE) |
| NC-ACC-C-00011 | POLE FIXATION KIT FOR NUMERICAL SENSOR (ON VERTICAL AXIS) |
| PF-ACC-C-00272 | VERTICAL AXIS FOR NUMERICAL SENSOR POLE (TO BE FIXED ON SOIL) |
Example of mounting on vertical axis

- Accessories kit for assembly of poles with chain.
| NC-ACC-C-00012 | SHORT POLE FIXATION KIT FOR NUMERICAL SENSOR (ON LOW WALL) |
| NC-ACC-C-00013 | SHORT POLE FIXATION KIT FOR NUMERICAL SENSOR (ON LIFE LINE) |
| NC-ACC-C-00014 | SHORT POLE FIXATION KIT FOR NUMERICAL SENSOR (ON VERTICAL AXIS) |
Accessories for PVC pipe-mounting.
Every system of assembly is delivered with an adapter (and the appropriate joints) and one T of assembly (90 ° for C4E sensor) to stick on a 50 mm diameter pipe. Its special design type ensures the correct inflow to the sensor, thus preventing incorrect measurements. Please note the following when planning your piping set-up:
- The fitting must be easily accessible to allow the sensor or the fitting itself to be maintained and cleaned regularly
- We recommend bypass measurements. It must be possible to remove the sensor through the use of shut-off valves
- When working with systems involving pressure and/or temperature, ensure that the fitting and sensor meet all relevant requirements
- The system designer must check that the materials in the fitting and sensor are suitable for the measurement (chemical compatibility, for instance)
![]() | (1) Adapter (2) C4E sensor (3) 50 mm pipe diameter |
Mounting system for C4E sensor (PF-ACC-C-00226)
Accessories for stainless steel pipe-mounting.
The accessories of assembly for stainless pipe are proposed with an adapter and its joints with or without the systems of clamp / Nipple. The acceptable maximum pressure for the sensors is 5 bars. The system of assembly can be delivered with or without stainless steel clamp. The adapter is compatible with a 51 mm diameter external clamp.
![]() | (1) adapter (2) C4E sensor (3) Clamp (4) Nipple to weld |
Mounting system for OPTOD sensor (PF-ACC-C-00229)
Installation of the sensor in the accessories of assembly
Insertion in a pole.
The sensor is mounted on the relevant fitting as described below, using a sensor holder, which can be used both for the short and long pole:

- Remove the protective cap on the sensor and insert the sensor (2) into the nozzle (1) as far as the stop..
- Insert the sensor cable into the fitting pipe (6) and completely feed through.

- Screw the sensor holder with the union nut (5) onto the fitting pipe (6) and tighten until handtight.
Insertion into the PVC in-pipe mounting system.

- Unscrew the union nut (3) from the PVC flow fitting (1).
- Guide the sensor cable (4) through the union nut on the fitting.
- Insert the sensor (2) into the fitting as far as the position shown in the middle image above.
- Screw the union nut onto the fitting as far as the stop.
Insertion into the Stainless steel in-pipe mounting system.

- After welding the clamp (3) on the stainless steel pipe, remove the clamp from the system and remove the PVC adapter (2).
- Unscrew the union nut (1) from the adapter.
- Guide the sensor cable through the union nut on the adapter.
- Reposition the adapter in the nipple (4), and re-screw the union nut.
Electrical connections.
The sensor could deliver within version bare wire on 3, 7, 15 m or on other length (up to 100 m).
| Power supply | |
| Power requirements | 5 to 12 volts for cable 0-15 m 7 to 12 volts for cable >15 m Max. 13.2 V |
| Consumption | Standby 25 µA Average RS485 (1 measure/ seconde) : 6,3 mA Average SDI12 (1 measure/ seconde) : 9,2 mA Current pulse : 500 mA Protection against the inversions of polarity |
Wiring diagram

Cable length up to 15m
| 1- Red | Power supply V+ |
| 2 – Blue | SDI-12 |
| 3 – Black | Power supply V- |
| 4 – Green | B ” RS-485 “ |
| 5 – White | A ” RS-485 “ |
| 6 – Green/yellow | Cable shield with Power supply V- |
Cable lenght 15 to 100 meters
| Red Purple Yellow Orange pink | Power supply V+ |
| 2 – Blue | SDI-12 |
| 3 – Black | Power supply V- |
| 4 – Green | B ” RS-485 “ |
| 5 – White | A ” RS-485 “ |
| 6 – Green/yellow | Cable shield with Power supply V- |
Note :
Never exceed a voltage of 10VDC (absolute maximum rating) on communication lines RS485, A or B, under penalty of irreversible destruction of the transceiver component RS 485.
SDI-12: respect the voltage value described in the associated standard (nominal: 5 VDC) Always connect ground + shield first.
Startup and maintenance.
Initial startup
Once the sensor is connected to your terminal, the sensor is settled in its accessory of assembly and the parameterization has been carried out on the display unit, the sensor is ready for initial startup.
➢ Note :
For measurement, you must eliminate bubbles trapped under the membrane. During the introduction of the sensor in measurement environment, wait for sensor’s temperature stabilization before measure processing.
➢ Started :
Remove the black cap of protection (by holding the sensor head downward and by unscrewing the hood towards the right).
Calibration
The calibration of the conductivity sensor is a 2-step process:
– Step 1 (offset): Expose the sensor to the air to perform the first stage of the Calibration process. The value for this first calibration standard is set to 0 0 μS/cm. – step 2 (gain): the sensor is placed in a buffer solution of known conductivity which depends of the range using.
Example of standard solutions
| Measurement range | Concentration of standard solution |
| 0.0-200.0 μS/cm | 84 μS/cm |
| 0 -2,000 μS/cm | 1,413 μS/cm |
| 0.00 – 20.00 mS/cm | 12,880 μS/cm |
| 0.0 – 200.0 mS/cm | 111.8 mS/cm |
Maintenance:
The C4E sensor uses a 4–electrode conductivity measuring principle, and care must be taken to maintain these 4 electrodes in optimal working condition. After each use, rinse the sensor before storing it.
To clean the electrodes (made from graphite and platinum), insert and retract an abrasive strip through the slot in the sensor, under a stream of running water.
AQUALABO CONTROLE After-Sales Service
AQUALABO CONTROLE 35 Rue Michel MARION 56850 CAUDAN FRANCE
Tel.: +33 (0) 1 72 87 97 93
Email: [email protected]
AQUALABO
90 Rue du Professeur P. Milliez
94506 Champigny-sur-Marne, FRANCE
Tel.: +33(0) 1 55 09 10 10
Version 1.2
Update: March 2021




















