Revolution 60V Backpack
Model No. 66000T—Serial No. 323000001 and Up
Instruction Manual
66000T 60V MAX Revolution Backpack
Form No. 345-336 Rev A
Register at www.Toro.com.
For assistance, please see www.Toro.com/support for instructional videos or contact 1-888-384-9939 before returning this product.
WARNING
CALIFORNIA
Proposition 65 Warning
The power cord on this product contains lead, a chemical known to the State of California to cause birth defects or other reproductive harm. Wash hands after handling.
Use of this product may cause exposure to chemicals known to the State of California to cause cancer, birth defects, or other reproductive harm.
Introduction
This backpack is intended to be used by homeowners and professional operators. It is designed to provide power to compatible Toro 60V handheld tools. It is designed to use Toro 60V lithium-ion battery packs. These battery packs are designed to be charged only by Toro 60V lithium-ion battery chargers. Using this product for purposes other than its intended use could prove dangerous to you and bystanders.
Model 66000T does not include a tool, battery, or a charger.
The backpack and backpack tether are not compatible with ground-engaging products (such as snow removal tools or lawn mowers).
Read this information carefully to learn how to operate and maintain your product properly and to avoid injury and product damage. You are responsible for operating the product properly and safely.
Visit www.Toro.com for more information, including safety tips, training materials, accessory information, help finding a dealer, or to register your product.
Whenever you need service, genuine the manufacturer parts, or additional information, contact an Authorized Service Dealer or the manufacturer Customer Service and have the model and serial numbers of your product ready. Figure 1 identifies the location of the model and serial numbers on the product. Write the numbers in the space provided.
Important: With your mobile device, you can scan the QR code on the serial number decal (if equipped) to access warranty, parts, and other product information.
1. Model number, serial number, and QR code location
Model No.—–
Serial No.——
Safety-Alert Symbol
The safety-alert symbol (Figure 2) shown in this manual and on the machine identifies important safety messages that you must follow to prevent accidents.
Figure 2
Safety-alert symbol
The safety-alert symbol appears above information that alerts you to unsafe actions or situations and is followed by the word DANGER, WARNING, or CAUTION.
DANGER indicates an imminently hazardous situation which, if not avoided, will result in death or serious injury.
WARNING indicates a potentially hazardous situation which, if not avoided, could result in death or serious injury.
CAUTION indicates a potentially hazardous situation which, if not avoided, may result in minor or moderate injury.
This manual uses two other words to highlight information. Important calls attention to special mechanical information and Note emphasizes general information worthy of special attention.
Safety
WARNING— When using electric gardening tools, always follow basic safety precautions to reduce the risk of fire, electric shock, and personal injury, including the following:
In addition to these instructions, always read and follow the safety warnings and instructions included with the specific tool you intend to power before operating the backpack.
IMPORTANT SAFETY INSTRUCTIONS
I. Training
- The operator of the backpack is responsible for any accidents or hazards occurring to others or their property.
- Do not allow children to use or play with the backpack, attached tool, battery pack, or battery charger; local regulations may restrict the age of the operator.
- Do not allow children or untrained people to operate or service this device. Allow only people who are responsible, trained, familiar with the instructions, and physically capable to operate or service the device.
- Before using the backpack, attached tool, battery pack, and battery charger, read all the instructions and cautionary markings on these products.
- Become familiar with the controls and proper use of the backpack, attached tool, battery pack, and battery charger.
II. Preparation
- Keep bystanders and children away from the operating area.
- Use only the battery pack specified by Toro.
Using other accessories and attachments may increase the risk of injury and fire. - Plugging the battery charger into an outlet that is not 120 V can cause a fire or electric shock. Do not plug the battery charger into an outlet other than 120 V. For a different style of connection, use an attachment plug adapter of the proper configuration for the power outlet if needed.
- Do not use a damaged or modified backpack, battery pack, or battery charger, which may exhibit unpredictable behavior that results in fire, explosion, or risk of injury.
- If the supply cord to the battery charger is damaged, contact an Authorized Service Dealer to replace it.
- Charge the battery pack with only the battery charger specified by Toro. A charger suitable for 1 type of battery pack may create a risk of fire when used with another battery pack.
- Charge the battery pack in a well-ventilated area only.
- Follow all charging instructions and do not charge the battery pack outside of the temperature range specified in the instructions.
Otherwise, you may damage the battery pack and increase the risk of fire. - Do not operate the backpack and attached tool without all guards and other safety protective devices in place and functioning properly on the backpack and tool.
- When powering a tool with the backpack, refer to the Operator’s Manual for the attached tool for additional personal protective equipment requirements.
III. Operation
- Avoid dangerous environments—Do not use the tool in rain or in damp or wet locations.
- Use the proper tool for your application—Using the backpack or attached tool for purposes other than their intended use could prove dangerous to you and bystanders.
- Prevent unintentional starting—Ensure that the switch is in the OFF position before connecting to the backpack and handling the tool. Do not carry the tool with your finger on the switch or energize the tool with the switch in the ON position.
- Operate the backpack and attached tool only in daylight or good artificial light.
- Remove the battery pack from the backpack and disconnect the tool before adjusting it or changing accessories.
- Shut off the tool, remove the battery pack from the backpack, and wait for all movement to stop before adjusting, servicing, cleaning, or storing the tool or backpack.
- Remove any battery pack(s) from the backpack whenever you leave it unattended.
- Do not force the power tool. Use the correct power tool for your application. The correct power tool will do the job better and safer at the rate for which it was designed.
- Do not overreach—Keep proper footing and balance at all times, especially on slopes. Walk, never run with the backpack.
- Stay alert—Watch what you are doing and use common sense when operating the backpack. Do not use the backpack while ill, tired, or under the influence of alcohol or drugs.
- Ensure that the ventilation openings are kept clear of debris.
- Under abusive conditions, the battery pack may eject liquid; avoid contact. If you accidently come into contact with the liquid, flush with water. If the liquid contacts your eyes, seek medical help. Liquid ejected from the battery pack may cause irritation or burns.
- Do not expose a battery pack or tool to fire or excessive temperature. Exposure to fire or temperature above 130°C (265°F) may cause explosion.
- CAUTION—A mistreated battery pack may present a risk of fire, explosion, or chemical burn.
• Do not disassemble the battery pack.
• Replace the battery pack with a genuine Toro battery pack only; using another type of battery pack may cause a fire or risk of injury.
• Keep battery packs out of the reach of children and in the original packaging until you are ready to use them.
IV. Maintenance and Storage
- Maintain the backpack with care—Keep it clean and in good repair for best performance and to reduce the risk of injury. Follow the instructions for lubricating and changing accessories. Keep handles dry, clean, and free from oil and grease.
- When the battery pack is not in use, keep it away from metal objects such as paper clips, coins, keys, nails, and screws that can make a connection from 1 terminal to another. Shorting the battery terminals may cause burns or a fire.
- Keep your hands and feet away from moving parts.
- Shut off the tool, remove the battery pack from the backpack, and wait for all movement to stop before adjusting, servicing, cleaning, or storing the backpack or tool.
- Check the backpack for damaged parts—If there are damaged guards or other parts, determine whether it will operate properly. Check for misaligned and binding moving parts, broken parts, mounting, and any other condition that may affect its operation. Unless indicated in the instructions, have an Authorized Service Dealer repair or replace a damaged guard or part.
- Keep all fasteners on the tool and backpack tight.
- Do not attempt to service or repair the backpack, attached tool, battery pack, or battery charger except as indicated in the instructions. Have an Authorized Service Dealer perform service using identical replacement parts to ensure that the product is safely maintained.
- Store an idle backpack indoors in a place that is dry, secure, and out of the reach of children.
SAVE THESE INSTRUCTIONS
Safety and Instructional Decals
Safety decals and instructions are easily visible to the operator and are located near any area of potential danger. Replace any decal that is damaged or missing.
60V MAX *DC
*60VDC MAXIMUM / 54VDC NOMINAL![]()
WARNING: To reduce risk of injury to persons, remove battery packs when not in use. Store indoors.
For use with approved TORO 60V accessories, batteries & charger models.
WARNING: Cancer and Reproductive Harm – www.P65Warnings.ca.gov.
For more information, please visit www.ttcoCAProp65.com
THE TORO COMPANY
8111 Lyndale Avenue South
Bloomington, MN 55420-1196 USA
PATENT: www.ttcopats.com
Country of Origin: China
Model: 66000T
decal145-2311
1. Warning—read the Operator’s Manual; do not expose to rain.![]()
- The battery pack is over or under the appropriate temperature range.
- Battery pack charging fault.
Product Overview

- Waist belt buckle
- Backpack tool connection
- Battery cover latch
- Battery cover
- Sternum strap buckle
Specifications
| Model | 66000T |
| Rated Voltage | 60V DC maximum, 54 VDC nominal |
| Weight (without batteries) | 4.2 kg (9.3 Ibs) |
| Charger Type | Toro 60V chargers |
| Battery Type | Toro 60V batteries |
Appropriate Temperature Ranges
| Charge/ store the battery pack at | 5°C (41°F) to 40°C (104°F)* |
| Use the battery pack at | -30°C (-22°F) to 49°C (120°F) |
| Use the backpack at | 0°C (32°F) to 49°C (120°F) |
*Charging time will increase if you do not charge the battery within this range.
Store the tool, battery pack, and battery charger in an enclosed clean, dry area.
Attachments/Accessories
A selection of Toro approved attachments and accessories is available for use with the machine to enhance and expand its capabilities. Contact your Authorized Service Dealer or authorized Toro distributor or go to www.Toro.com for a list of all approved attachments and accessories.
To ensure optimum performance and continued safety certification of the machine, use only genuine Toro replacement parts and accessories. Replacement parts and accessories made by other manufacturers could be dangerous.
Operation
Adjusting the Backpack Position
- Put on the shoulder straps, and loosely connect the hip belt buckle and the sternum strap buckle (Figure 4).
Note: The height of the sternum strap is adjustable.
1. Sternum strap adjuster and buckle
2. Shoulder strap adjuster
3. Hip belt adjuster and buckle - Tighten the hip belt so that it is snug (Figure 5).
Note: The padding of the hip belt should rest on top or on the center of your hips.
- Pull down on the shoulder strap adjuster until the straps are snug (Figure 6).

- Tighten the sternum strap so that it is snug (Figure 7).

- If the shoulder straps or load lifter straps are too tight, push up on the adjusters to lengthen the strap (Figure 8).

- If the hip belt is too tight, push sideways on the adjuster to lengthen the straps (Figure 9).

- If the sternum strap is too tight, push sideways on the adjuster to lengthen the straps (Figure 10).

- Repeat the adjustments in this procedure until the backpack position is comfortable.
Using the Backpack
WARNING
Improper use of the backpack, backpack tether, or an attached tool can create risk of injury.
Read and follow the Operator’s Manuals for the backpack and your specific tool before using the backpack tether with the backpack.
- Connect your tool to the backpack; refer to the Operator’s Manual for your tool.
Note: Refer to the Operator’s Manual for the backpack tether. - Ensure that the vent on the bottom of the backpack is clear of any dust and debris (Figure 11).
1. Backpack vent - Set the backpack down on a level surface.
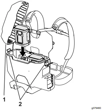
- Pull up on the latch tabs to open the latches securing the battery cover and set the cover aside.
- Line up the cavity on the back of the battery with either of the battery ports in the backpack.
- Slide the battery pack down into the backpack until the battery pack is fully seated and locked into place (Figure 12).


- Place the battery cover onto the backpack and secure it using both cover latches.
- Put on the backpack and secure the shoulder straps; refer to Adjusting the Backpack Position (page 8).
- Operate the attached tool; refer to the Operator’s Manual for your tool.
- Always remove the backpack tether from the tool and/or remove the batteries from the backpack whenever you are not using the tool.
Removing the Backpack
If there is ever an emergency and you need to rapidly remove the backpack, disconnect the quick-release buckles as follows:
- Press in on the sides of the buckles (A of Figure 13).
- Allow the buckles to disconnect (B of Figure 13).

- Remove the shoulder straps and set the backpack on the ground.
Whenever you are not using the attached tool or are transporting the backpack to or from the work area, remove the battery tether from the tool or remove battery pack(s) from the backpack.
Removing the Batteries from the Backpack
- Set the backpack down on a level surface.
- Pull up on the latch tabs to open the latches securing the battery cover and set the cover aside.
- Press down on the battery latch button and lift the battery (or batteries) up out of the backpack (Figure 14).
1. Battery latch buttons
Removing the Attached
Tool from the Backpack
Refer to the Operator’s Manual for your tool. If you are using the backpack tether, refer to the backpack tether Operator’s Manual.
Storage
Important: Store the tool, battery pack, and charger only in temperatures that are within the appropriate range; refer to Specifications (page 7).
Important: If you are storing the battery pack for the off-season, remove the battery pack from the tool and charge the battery pack until 2 or 3 LED indicators turn green on the battery. Do not store a fully charged or fully depleted battery. When you are ready to use the tool again, charge the battery pack until the left indicator light turns green on the charger or all 4 LED indicators turn green on the battery.
- Disconnect the product from the power supply (i.e., remove the plug from the power supply or the battery pack) and check for damage after use.
- Do not store the tool with the battery pack installed.
- Clean all foreign material from the product.
- When not in use, store the tool, battery pack, and battery charger out of the reach of children.
- Keep the tool, battery pack, and battery charger away from corrosive agents, such as garden chemicals and de-icing salts.
- To reduce the risk of serious personal injury, do not store the battery pack outside or in vehicles.
- Store the tool, battery pack, and battery charger in an enclosed clean, dry area.
Troubleshooting
Perform only the steps described in these instructions. All further inspection, maintenance, and repair work must be performed by an authorized service center or a similarly qualified specialist if you cannot solve the problem yourself.
| Problem | Possible Cause | Corrective Action |
| An LED indicator light on the backpack is red. | 1. The battery pack is over or under the appropriate temperature range. | 1. Disconnect the battery pack and move it to a place where it is dry and the temperature is between 5°C (41°F) and 40°C (104°F). |
| An LED indicator light on the backpack is blinking red. | 1. There is an error in the communication between the battery pack and the backpack. 2. The battery pack is damaged. | 1. Remove the battery pack from the backpack and wait 10 seconds. Install the battery pack, if the LED indicator light on the battery pack is still blinking red, try again, if the LED indicator light on the battery pack is still blinking red after 2 attempts, properly dispose of the battery pack at a battery recycling facility. 2. Properly dispose of the battery pack at a battery recycling facility and replace the battery pack. |
| The tool does not run or run continuously. | 1. The battery is not fully installed in the backpack. 2. The backpack tether is not fully installed in the tool or the backpack. 3. The battery pack is not charged. 4. The battery pack is over or under the appropriate temperature range. 5. There is moisture on the leads of the battery pack. 6. There is moisture on the leads of the backpack tether. 7. The battery pack is damaged. 8. There is another electrical problem with the backpack, tool, or battery. | 1. Remove and then replace the battery into the backpack, making sure that it is fully installed and latched. 2. Remove and then replace the backpack tether in the tool and/or the backpack, ensuring that it is fully installed and latched at both connections. 3. Remove the battery pack from the backpack and charge it. 4. Move the battery pack to a place where it is dry and the temperature is between 5°C (41°F) and 40°C (104°F). 5. Allow the battery pack to dry or wipe it dry. 6. Disconnect the backpack tether and allow it to dry or wipe it dry. 7. Properly dispose of the battery pack at a battery recycling facility and replace the battery pack. 8. Contact an Authorized Service Dealer. |
| The tool does not reach full power. | 1. The battery pack charge capacity is too low. | 1. Remove the battery pack from the backpack and fully charge the battery pack. |
| The battery pack loses charge quickly. | 1. The battery pack is over or under the appropriate temperature range. | 1. Move the battery pack to a place where it is dry and the temperature is between 5°C (41°F) and 40°C (104°F). |
Notes: ——
California Proposition 65 Warning Information
What is this warning?
You may see a product for sale that has a warning label like the following:
WARNING: Cancer and Reproductive Harm— www.p65Warnings.ca.gov.
What is Prop 65?
Prop 65 applies to any company operating in California, selling products in California, or manufacturing products that may be sold in or brought into California. It mandates that the Governor of California maintain and publish a list of chemicals known to cause cancer, birth defects, and/or other reproductive harm. The list, which is updated annually, includes hundreds of chemicals found in many everyday items. The purpose of Prop 65 is to inform the public about exposure to these chemicals.
Prop 65 does not ban the sale of products containing these chemicals but instead requires warnings on any product, product packaging, or literature with the product. Moreover, a Prop 65 warning does not mean that a product is in violation of any product safety standards or requirements. In fact, the California government has clarified that a Prop 65 warning “is not the same as a regulatory decision that a product is ‘safe’ or ‘unsafe.’” Many of these chemicals have been used in everyday products for years without documented harm. For more information, go to https://oag.ca.gov/prop65/faqs-view-all.
A Prop 65 warning means that a company has either (1) evaluated the exposure and has concluded that it exceeds the “no significant risk level”; or (2) has chosen to provide a warning based on its understanding about the presence of a listed chemical without attempting to evaluate the exposure.
Does this law apply everywhere?
Prop 65 warnings are required under California law only. These warnings are seen throughout California in a wide range of settings, including but not limited to restaurants, grocery stores, hotels, schools, and hospitals, and on a wide variety of products. Additionally, some online and mail order retailers provide Prop 65 warnings on their websites or in catalogs.
How do the California warnings compare to federal limits?
Prop 65 standards are often more stringent than federal and international standards. There are various substances that require a Prop 65 warning at levels that are far lower than federal action limits. For example, the Prop 65 standard for warnings for lead is 0.5 μg/day, which is well below the federal and international standards.
Why don’t all similar products carry the warning?
- Products sold in California require Prop 65 labelling while similar products sold elsewhere do not.
- A company involved in a Prop 65 lawsuit reaching a settlement may be required to use Prop 65 warnings for its products, but other companies making similar products may have no such requirement.
- The enforcement of Prop 65 is inconsistent.
- Companies may elect not to provide warnings because they conclude that they are not required to do so under Prop 65; a lack of warnings for a product does not mean that the product is free of listed chemicals at similar levels.
Why does the manufacturer include this warning?
the manufacturer has chosen to provide consumers with as much information as possible so that they can make informed decisions about the products they buy and use. the manufacturer provides warnings in certain cases based on its knowledge of the presence of one or more listed chemicals without evaluating the level of exposure, as not all the listed chemicals provide exposure limit requirements. While the exposure from the manufacturer products may be negligible or well within the “no significant risk” range, out of an abundance of caution, the manufacturer has elected to provide the Prop 65 warnings. Moreover, if the manufacturer does not provide these warnings, it could be sued by the State of California or by private parties seeking to enforce Prop 65 and subject to substantial penalties.
Count on it
© 2022—The Toro® Company
8111 Lyndale Avenue South
Bloomington, MN 55420
Contact us at www.Toro.com.
Printed in China
All Rights Reserved
1. Sternum strap adjuster and buckle





1. Backpack vent



















