Alpha COMMUNICATIONS AWD147 Multi-Entrance Controller

The Alpha Communications® IA502 Multi- Entrance Con-troller allows intercoms systems using the IA543, PK543, PK543A, or PK205 amplifier the ability to have multiple entry panels with the security feature of automatically de-termining the calling panel, and engaging only voice com-munications and door release for that specific entrance. The quantity of IA502s needed for a multi-entrance system is determined by subtracting 1 from the total number of entries in the system (e.g., (3) entrances would require (2) IA502 units) up to a maximum for eight entrances.
INSTALLATION PROCEDURE
When installing an entire system, it is recommended to wire the inside stations, transformer, amplifier, and door strike, and test for proper operation and all functions with one en-try panel. By doing this, it will be easier to troubleshoot any issues you may have when adding additional hardware and entrances to the system. Mount all IA502s required in a clean, dry area within 3 feet of the amplifier and away from electrical equipment that could cause noise and interference on the system. Avoid areas of excessive heat. Check all wiring for shorts and grounds before applying system power.
IA502 AND DOOR STRIKE WIRING REQUIREMENTS
Wiring from the system amplifier to the first transfer relay should consist of #18AWG wire for the D, K, and C wires and #22AWG wires for the A and ZW wires.
If additional IA502 units are needed for the installation, all wiring between the IA502s should also consist of #18AWG wire for the D, K, and C wires and #22AWG wires for all other wires.
All door release devices used on the D, K, and C wires should use #18AWG wire. Some door release configurations involving magnetic locks, integration with access control systems, or different oper-ating voltages may require a PK407A isolation relay or other optional equipment available through Alpha Communications® product distributors.
All wiring to entry panel speakers or microphones (A or M, & G wires) should be twisted and shielded #22AWG wires with all shields properly grounded at the amplifier “G” terminal to prevent interference or crosstalk between buzzer wires. Consult the wiring diagrams (pgs. 3 – 6) for the type of amplifier used for more details.
PLEASE NOTE: When running any audio wiring, please avoid being too too close to fluorescent lights, bal-lasts, dimmers, motors,other electrical wiring, or any potential source of electromagnetic interference. Terminal identifications in this manual may not be shown in the actual order as they appear on the equipment.
MULTIPLE ENTRY PANEL TO PANEL WIRING REQUIREMENTS
When connecting multiple entries in an IA543, PK543, PK543A, or PK205 system, the following wires between entry panels and/or IA502 units are required:
Each apartment that can be called from more than one panel will require a #22AWG wire connected to each calling panel so that all buttons for a specific apartment are connected to that apartment’s selective (X) wire. These wires can be run from panel to panel or from a central point near the amplifier out to the panels whichever works best for your facility layout.
All (G) wires going to each entry panel must also be commoned between all the panels. The (S) wire for the speakers (543 style) and (M) wires for the mics (PK205 style) , when used, are selective and their connection is determined by the IA502(s). Remember to use twisted/shielded #22AWG wire for these runs. Each entry panel needs a #22AWG (Z) wire from the IA502 terminal Z1 or Z2 which provides the tone to the button common for that panel. The IA502 senses the current flow through these wires to deter-mine which entry panel is being used.
BASIC OPERATION CONCEPT
When an entry button is pressed, it causes current flow through either the Z1 or Z2 terminal of the IA502, depending on the panel used to place the call.
If the calling panel is connected to the Z1 output, the IA502 senses this current and closes connections to the speaker, door release circuit, and microphone (if equipped) for that specific panel (i.e. Panel #1). If the calling panel is connected to the Z2 output, the IA502 senses this current and closes connections to the speaker, door release circuit, and microphone (if equipped) for that specific panel (i.e. Panel #2). This process disconnects the other panel so that the conversation and door release will only work with the calling panel and not release other doors in the facility when the DOOR button is pressed in an apart-ment. At this point, an internal timer circuit continues the connection for approx. 2-3 minutes to retain the con-nection for the calling entry to permit talking and listening between the visitor and apartment, and door release. If the door release is energized, this immediately cancels the timer and the IA502 reverts back to its normal position and waits for the next call.
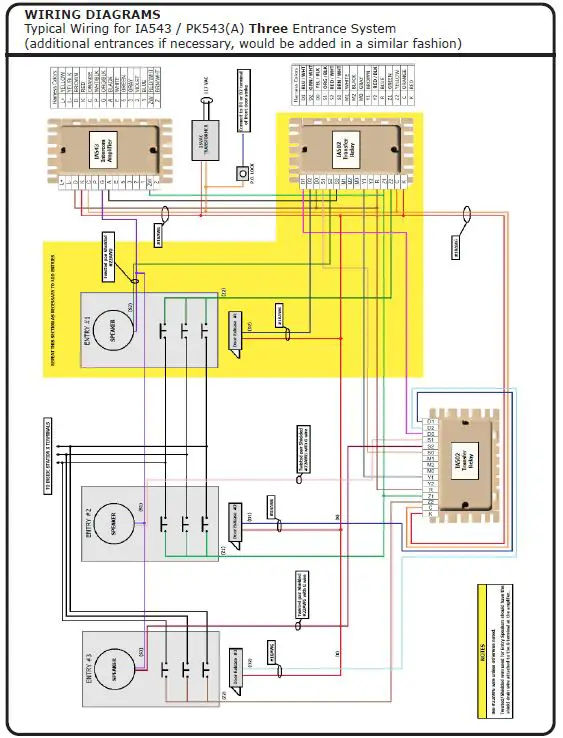
Running several IA502s in combination allows you to add additional entrances as needed for your facil-ity insuring that when one entrance is used, the other entrances voice and door release are temporarily disabled during that call. The diagram below demonstrates the concept of chaining IA502s to determine which calling panel gets the connection. Note that there is always one less IA502 than the number of entry panels, up to a maximum for eight entrances.




WIRING HINTS FOR INSTALLING IA502 TRANSFER RELAYS
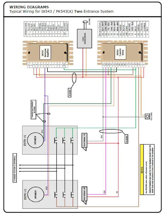
Using the IA543 or PK543/A amplifier with two entrances
- Harness Connections: When using an IA502 in a two entrance configuration, use the small harness sup-plied with the IA502 to quickly and neatly connect your IA502 directly to the amplifier.
- Speaker Connections: The S1 & S2 wires are run in a twisted/shielded #22AWG pair together with the G wire from the amplifier. Always terminate all drain wires of the shield to the G terminal at the amplifier. Note that the S1 & S2 are the switched connection and the G wires to all speakers are the common side.
- Sensing & Switching: The Z wires (ZW, Z, Z1, & Z2) are part of the ring up buzzer circuit of the ampli-fier. If an apartment call button is pressed on Entry #1, the connection is made through Z1 back to the ZW or Z to ring the apartment. Sensing this current flow tells the IA502 that Entry #1 is being used and then it switches the talk, listen, and door functions of the apartment station on at Entry #1 and off at Entry #2.

- Please note that in this configuration the M (mic) connections are not used since the speaker is used for both the talk and listen functions.
- Additional Notes for multiple transfers relays When installing a system with more than two entrances, you will use (the number of entrances – 1) to determine the number of IA502 units you will need (e.g., (4) entrances would require (3) IA502 units). Each subsequent IA502 should connect its S0 & D0 to the previous IA502’s S1 & D1. Additional connections between IA502s will be the Z1, C, K, R, and Y1. Use #18AWG wire for the K & C wires.
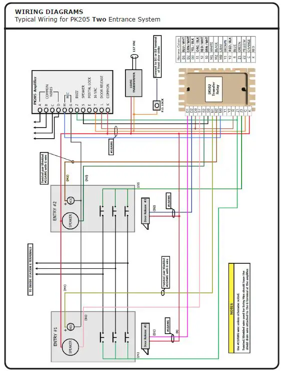
- Microphone Connections: The M1 & M2 wires are run in a twisted/shielded #22AWG pair together with the G wire from the amplifier. Always terminate all drain wires of the shield to the G terminal at the amplifier. Note that the M1 & M2 are the switched connection and the G wires to the negative side of the mics are the common side.
- Speaker Connections: Connect all speaker common wires (K) directly to the amplifier avoiding connections near the (K) on the door strike and transfer relay(s) to prevent interference.

- Sensing & Switching: The Z wires (ZW, Z, Z1, & Z2) are part of the ring up buzzer circuit of the amplifier. If an apartment call button is pressed on Entry #1, the connec-tion is made through Z1 back to the ZW or Z to ring the apartment. Sensing this current flow tells the IA502 that Entry #1 is being used and then it switches the talk, listen, and door functions of the apartment station on at Entry #1 and off at Entry #2.
- Additional Notes for multiple transfer relays When installing a system with more than two entrances, you will use (the number of entrances – 1) to de-termine the number of IA502 units you will need (e.g., (4) entrances would require (3) IA502 units). Each subsequent IA502 should connect its S0, M0, & D0 to the previous IA502’s S1, M1, & D1. Additional connections between IA502s will be the Z1, C, K, R, and Y1. Use #18AWG wire for the K & C wires.
PROGRAMMING THE DIPSWITCHES
After performing the test required in the amplifier’s instructions, do the following
- The IA502 must be programmed to operate with the amplifier being used. Locate the programming switch and set switches as follows.
- To use a 543 amplifier or PK205 amplifier, set switches 2 and 4 on and switches 1, 3 and 5 off. Failure to set the programming switches properly will result in faulty operation, but will not cause permanent damage to the IA502.
- Perform tests required in the amplifier’s instructions, then at each entrance, press a call button and ob-serve the following:
- The buzz tone should be heard at the called suite station.
- If the Entrance Tone is enabled at the amplifier, the buzz tone should be heard at the entrance panel.
- Voice communication should be possible with the called suite station.
- If the door button is pressed at the suite station, the door release should operate. When the door release time has passed, the IA502’s red test light should be off.
- If the P.O. lock adapter is installed, it may be tested by using a postal service key, or by operating the P.O. lock adapter micro switch if a key is unavailable. The door time delay on the amplifier does not affect the P.O. lock adapter.
TROUBLESHOOTING
If the system fails to operate properly, check all wiring. If the wiring is correct, check the troubleshooting points on the amplifier installation instructions. Then check the following:
- NO BUZZ Check wiring to terminal Z1 and Z2. If more than one IA502 is used, then the entrance #2 buzz wire must con-nect to all IA502’s.
- NO VOICE COMMUNICATION Check wiring to terminals S0, S1, S2, M0, M1 and M2.
- NO DOOR RELEASE Check wiring to terminals D0, D1 and D2. The IA502 has a built-in test circuit. This step should normally be unnecessary, but to test the IA502 do the following:
- Set all programming switches off.
- The red test light, located behind the wiring connector, should be off. If it is on, wait 3 minutes for time out, and it should be off.
- Set programming switch #1 on. The red test light should be on.
- Set programming switch #2 on. The red test light should be off. In a quiet location, a click may be heard as the internal relay operates.
- Set all programming switches off. The red test light should remain on for about 2 minutes. It is not neces-sary to wait for it to go off unless busy light trouble is encountered.
- Reset programming switches to the desired amplifier setting as shown in step 1 of the Test Section. Failure to set the programming switches properly will result in faulty operation.




















