INOVONICS EN5060 Best Practices for Locator Installation Guide
Introduction
When deployed as part of an Inovonics mobile duress or senior living system, EN5060 locators help determine precise floor and room location for alarm events. The following best practices will help provide optimal location results.
Planning
The following planning best practices will help achieve the best results during installation:
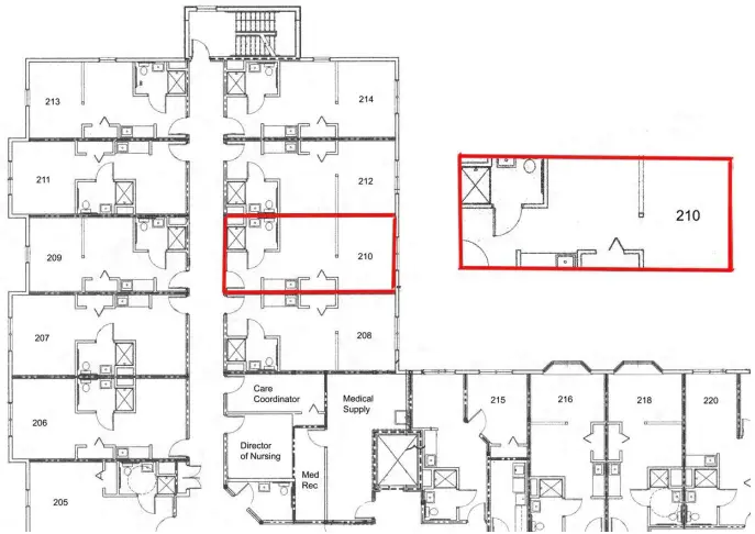
- Using facility blueprints, identify apartments with similar floorplans.
- When a good locator placement is discovered during installation and test for an apartment with a specific floorplan, it can be replicated in apartments with similar layouts.

Figure 1 Identify apartment floor plans that repeat.
- When a good locator placement is discovered during installation and test for an apartment with a specific floorplan, it can be replicated in apartments with similar layouts.
- Where possible, identify apartments with similar floorplans that repeat themselves in a vertical stack from floor to floor; such as on level one, two and three, etc.
- You will use this during installation to repeat locator placement among apartments with similar layouts that stack vertically.
Installation
For best results, pay attention to the following when installing locators:
- If vertical stacks of apartment with similar floorplans were determined during planning, install repeaters in the same locations in each apartment.
- For instance, if you have room 100 of layout type A setup with a locator, then go to room 200, and if it is also layout type A, place the locator in the same spot. Then do the same with room 300 if it is also layout type A, and etc.
- Mount locators as close to the center of the room as possible.
- Mount locators as high as possible.
- If mounting locators in an apartment:
- Mount one locator in each bedroom, and one in the center of the general living area.
- Avoid placing locators on opposite sides of the same wall.
- Mount multiple locators in large areas, as needed.
- Always mount locators in the top outlet.
- Avoid GFI outlets and bathroom outlets.
- Do not place locators behind any obstructions furniture, television, appliances, etc.
- Never plug locators into a power strip.
- Never plug locators into a switch-controlled outlet.
- When installing locators in hallways and large common areas, never mount two locators on the same wall unless they are at least thirty feet apart.
- After testing is complete, secure locators to outlets with provided screws to avoid locators accidentally being unplugged.
- This does not apply to Canadian installs.
Testing
To ensure you are receiving accurate location results during testing :
- Always use a designated test pendant.
- If you have installed repeaters in vertical stacks of apartments with similar floorplans, start testing at the lowest floor — the sub floor or ground floor — in each stack.
- As with installation, if you have rooms 100 through room 300 stacked vertically, all of which have a layout type A and all setup with locators, then start testing with room 100 and move up the stack to room 300.
- In each room with a locator, pick five spots furthest from the locator for testing.

Figure 2 Perform test from five locations in the room furthest from the locator. - While testing, wear the pendant around your neck.
- Turn your back to the locator so that you are facing away from it.
- Press the test pendant alarm button and let your hand fall away so that you avoid wrapping your hand around the pendant.
- Verify the correct location using your designated application.
- If the location results are not satisfactory, move locators in each room of the stack to a nearby outlet and try again.
- Repeat your test. If you’re satisfied with the results, move to the next unique floor plan stack.




















