
TeltoCharge Energy
Instruction Manual
TeltoCharge Energy
PLACE A STICKER WITH A SECURITY CODE HERE
To stay up-to-date with the latest information about TeltoCharge installation, please check Teltonika Energy Wiki page (scan a QR code).
IMPORTANT NOTES BEFORE INSTALLATION
Please read before installing the product
RCD DISCLAIMER
A charger must be installed together with a Residual Current Device (RCD) Type B.
To successfully use the TeltoCharge product, the customer’s electrical grid must include a dedicated RCD Type B. The RCD must be installed by a professional electrician, who installs it together with the EV charger.
The residual current device is not included in the package and must be bought separately. Legitimate options:
INSTALLATION OPTION 1
Residual current protection (RCBO) type B with tripping current 30 mA and with 32 A overcurrent protection according to at least one of the standards IEC 61009-1 or IEC 60947-2.
INSTALLATION OPTION 2
Residual current protection (RCCB or RCD) type B with tripping current 30 mA according to at least one of the standards: IEC 61008-1 or IEC 61008-1 or IEC 60947-2 or IEC 62423.
Additionally, overcurrent protection rated 32 A should be installed and has to be under at least one of the following standards: IEC 60947-2, IEC 60947-6-2, IEC 61009-1, IEC 60898 series, or IEC 60269 series. Before buying, please consult with the company which installs the product.
SPD DISCLAIMER
A charger must be installed together with a Surge Protective Device (SPD).
To successfully use the TeltoCharge product, the customer’s electrical grid must include a dedicated SPD. The SPD must be installed by a professional electrician, who installs it together with the EV charger. The surge protective device is not included in the package and must be bought separately. Legitimate options:
INSTALLATION OPTION 1
Surge protective device (SPD) type 1 with max continuous working voltage = 275 VAC and maximum transient voltage tolerance of 2500 V. Device must be certified according to the standard IEC 61643 – 11.
INSTALLATION OPTION 2
Surge protective device (SPD) combined type 1&2 with max continuous working voltage = 275 VAC and maximum transient voltage tolerance of 2500 V. Device must be certified according to the standard IEC 61643 – 11. Before buying, please consult with the company which installs the product.
GENERAL SPECIFICATIONS
| C | Dimensions without cable | 170x341x97 mm |
| D | Weight without cable | 2.8 kg |
| E | Operating temperature | -30°C – +50°C |
| F | IP rating | IP55 |
| G | IK rating | IK10 |
| H | Certification | CE |
| I | Standards | 2014/35/EU, 2014/30/EU IEC 61851-1, IEC 61851-21-2 |
ELECTRICAL SPECIFICATIONS
A AC INPUT SPECIFICATIONS | |||
| 7,4 kW | 11 kW | 22 kW | |
| B Input AC power connection | 1 phase | 1 or 3 phases | 1 or 3 phases |
| C Input voltage | (L-N) 230 ± 10% VAC | 3 phase: (L-L) 400 ± 10% VAC(L-N) 230 ± 10% VAC | |
| 1 phase: (L-N) 230 ± 10% VAC | |||
| D Rated frequency | 50 / 60 Hz | ||
| E Standby power la consumption | 4 W | ||
| F Earth (ground) fault protection | 6 ma DC | ||
| G Overvoltage w category | OVC II | ||
| H Protection against w electric shock | Class I | ||
I AC OUTPUT SPECIFICATIONS | |||
| J AC output voltage range | (r N) 230 ± 10% VAC | 3 phase: (L-L) 400 ± 10% VAC (L-N) 230 ± 10% VAC | |
| 1 phase: (L-N) 230 ± 10% VAC | |||
| K Connection w standard | Type 2 cable Type 2 socket | ||
L POWER CABLE | |||
| M Cable diameter | max 17.5 mm | ||
| N Wire cross section | 6-7.5 mm2 | ||
| O Cable type | HO5V2V2 or better | ||
PRODUCT CODE STRUCTURE
AAA-B-C-D-E-F-G-***
Example: EVC1210P4
| A Model | E V C |
| B Version | 1 |
| C Power | 0_ 7,4 kW 1 – 11 kW 2 – 22 kW |
| D Connector | 0_ socket 1- Tethered cable |
| E Connectivity | 0_ without GSM modem 1 – with GSM modem |
| F Front plate color | P – grey R – red M – brown B – white 0 – N/A |
| G Front finish | 1_ 4 – 0 – N/A |
MARKING
SAFETY WARNINGS
SAFETY WARNINGS
A – Flying debris, risk of injury
B – Risk of electric shock
C – Caution
D – Sharp elements, risk of injurious cuts
E – Special waste treatment
REQUIRED TOOLS![]()
REQUIRED TOOLS
| A – Hammer | F – Allen key 2,5 mm |
| B – Electric drill | G – Measuring tape |
| C – Pencil | H – Utility knife |
| D – Screwdriver | I – Level |
| E – Cutting pliers | J – Drill bit D6 |
INCLUDED MOUNTING PARTS![]()
INCLUDED MOUNTING PARTS
| K – Wall plugs 6×35 mm | N – Cable gland |
| L – Pan head self-tapping screws galvanized steel | O – Rubber washer |
| M – DIN912 M3x8 screws |
EV CHARGER MAIN ELEMENTS
CONNECTIONS
CONNECTIONS
A – SIM Card Slot
B – Terminal block for AC input
C – Ethernet connection
INSTALLATION PROCESS
11.1 DRILLING
DRILLING
A – Place the drilling template on the wall (make sure it is horizontal using the level) and mark the three fixing points
B – Drill holes where the fixing points are marked
C – Insert the wall plugs into the fixing holes
11.2 HOUSING INSTALLATION
HOUSING INSTALLATION
A – Fix the device on the wall by inserting the self-tapping screws (start with the top screw and make sure the housing is horizontal)
B – Make sure the cable gland is properly mounted on the cables (AC input cable and Ethernet cable)
11.3ELECTRICAL WIRING Untethered (Type 2 socket)
ELECTRICAL WIRING
A – T/N single phase set up
B – T/N three phase set up
Notice: Same electrical wiring applies to Tethered (Type 2 cable) charger.
11.4 SIM CARD INSTALLATION
SIM CARD INSTALLATION
A – Insert a nano SIM card
11.5 CLOSING THE MIDDLE PANEL
CLOSING THE MIDDLE PANEL
A – Place a middle panel on the housin(the panel must click to the housing)
B – Fix it using DIN912 M3x8 screws
11.6 CLOSING THE FRONT PLATE
CLOSING THE FRONT PLATE
A – Insert the upper part of the front plate to the fixing holes and fix the plate
B – Fix it using DIN912 M3x8 screws
C – Lock the top of the plate
D – Lock the bottom of the plate
E – Fix it using DIN912 M3x8 screws
11.7 PLUG HOLDER*
Notice: A holder is not included into the package. It is recommended to buy it separately. To comfortably hold a charging cable, wind it around the incline of a charger housing.
PLUG HOLDER
A – Place the plug holder on the wall and markthe fixing points (required height from the ground: 0.5 – 1.5 m)
B – Drill holes where the fixing points are marked
C – Insert the wall plugs into the fixing holes
D – Fix the Plug Holder on the wall by inserting the self-tapping screws
11.8 CONNECTION TO THE EV CHARGER
CONNECTION TO THE CHARGER
Step 1 – Download the Teltonika Energy App
https://apps.apple.com/us/app/teltonika-energy/id1618750750?platform=ipad

https://play.google.com/store/search?q=teltonika%20energy&c=apps
Step 2 – Pair a charger and mobile device using Bluetooth
Step 3 – Connect to the charger using the app
11.9 BASIC PARAMETERS
SET UP BASIC PARAMETERS
Step 1 – Type the EV charger name
Step 2 – Set currency
Step 3- Set average price of kWh
Step 4 – In the next window enable authorization (if needed)
Step 5 – Set installer parameters
Step 6 – Confirm changes
11.10 INSTALLER PARAMETERS
SET UP BASIC PARAMETERS
A – Installer menu can be reached via:
– first time connection wizard window (Section 9, point 5)
– app settings
B – Every time an installer will be requested to type in a security code. Originally, the code can be found on the middle plate sticker. Please remember the place if you replace it.
C – If the security code is typed correctly, the installer can reach Installer parameters. Updated and detailed explanation can be found on the Teltonika Energy Wiki page (scan a QR code).
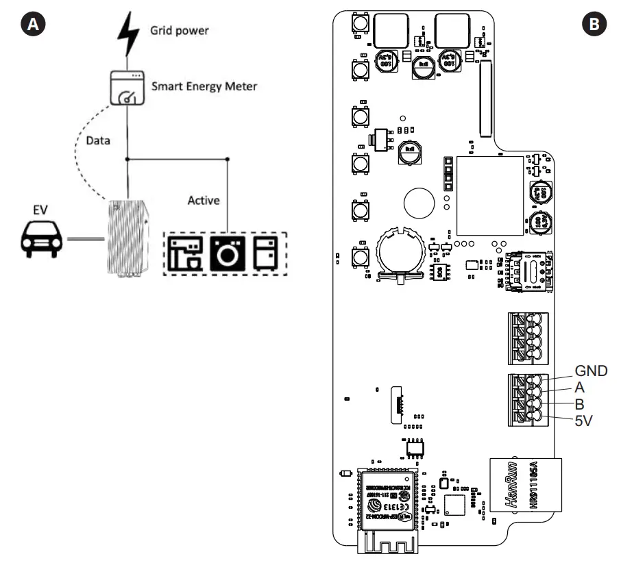
DYNAMIC LOAD BALANCING
DYNAMIC LOAD BALANCING
The product can connect with a dedicated smart meter and, according to its readings, adjust the electrical power consumption. Such functionality protects the house electrical grid from overload during peak hours and optimizes energy usage to meet users’ habits. The smart meter will always be installed in the source electrical cabinet (A). Dynamic Load Balancing checks how busy the house grid is and lets the charger know to increase or decrease charging power accordingly.
SMART METER AND TELTOCHARGE WIRING
Picture B shows where the energy meter connection pins are located. Because energy meters can have an individual pins layout, please pay attention to the pin names when placing in the TeltoCharge product. Connection points in different energy meters might vary.
SUPPORTED ENERGY METERS
We constantly test and add new supported devices to the list to ensure broader applicability and compatibility. To reach the list of all the supported Smart Energy Meters and read how to connect them properly, check a Teltonika Energy Wiki page (scan a QR code).
https://wiki.teltonika-energy.com/view/Dynamic_Load_Balancing
LED INDICATORS (ERRORS)
RED LED INDICATORS (ERRORS)
A – Input voltage Error
B – Output voltage or current fail
C – Current leakage detected
D – Connectivity Error
E – Temperature Error
F – Internal Errors (not listed)
G – Faulty connection to EV
IN CASE OF ERROR:
D error – check cable connection, disconnect it, inspect socket for damage or foreign objects and reconnect.
A, B, C, or F errors – try to reboot your
TeltoCharge device, if it does not help, make sure your power grid is not overloaded.
A, B, C, F errors – if you already attempted step 1 and 2 and it did not work, contact your installer.
SAFETY AND MAINTENANCE INSTRUCTIONS
Installation, maintenance, and servicing of the charger must be done only by the personnel with relevant qualifications under the applicable local regulations. Unauthorized installation and modifications make the manufacturer’s warranty void.
Do not use the charger if the enclosure or connector is cracked, opened, broken, or shows any other indication of damage. If the connector begins to melt or emits smoke, do not touch it. If possible, stop charging activities.
Before opening the cover or cleaning the charger, power down the device. Do not use cleaning solvents on any part of the charger. Use a clean, dry cloth to remove dust and
dirt. Do not open the cover in the rain.
Use the TeltoCharge charger under the operating parameters and within normal ambient conditions specified in the General and Electrical Specifications. Avoid installing the charger in a place that is under extreme weather conditions or is directly impacted by sunlight.
SIMPLIFIED EU DECLARATION OF CONFORMITY
Hereby, Teltonika Energy declares that TeltoCharge equipment is in compliance with Directive 2014/53/EU, Directive 2014/30/EU and Directive 2014/35/EU.
SAFETY RECOMMENDATIONS
Follow all the safety and installation instructions carefully.
Failure to follow instructions may be a safety hazard and/or cause equipment malfunction.
Any resulting damage due to disregard or actions contrary to the instructions in this manual is excluded from the product warranty.
CONNECTOR RECOMMENDATIONS AND INSTALLATION INSTRUCTIONS
Do not use if the charging cable is frayed, has broken insulation, or has any signs of damage or the vehicle plug or electrical outlet is dirty, wet, or damaged.
Do not use the charging cable with a cable adaptor or an extension cable.
Under any circumstances, do not tighten the charging cable while it is connected.
INSTALLATION INSTRUCTIONS
Ensure that the mounting surface can adequately support the weight of the charger and withstand mechanical forces associated with usage.
The charger must be permanently connected to the electrical Earth of the installation.
Do not install the charger in direct sunlight, or near flammable, explosive, or combustible materials, chemicals or solvents, gas pipes or steam outlets, radiators or batteries, and areas prone to flooding, high humidity and running water.
ELECTRICAL PROTECTION
The power supply line must be wired to an existing installation and be in accordance with local regulations.
DISPOSAL ADVICE
In accordance with the Directive 2012/19/ EC, at the end of its useful life, the product should not be disposed of as urban waste. It should be taken to a collection center or
to a distributor that provides special and differentiated waste disposal.
LEGAL NOTICE
Any information in this manual may be changed without prior notice and does not represent any obligation on the part of the manufacturer. Images in this manual are for illustration purposes only and might differ from the delivered product.





















