ROCKVILLE CC80T-Series 8 Inch Volt 2 Way In Celling Home Theater Speaker Owner’s Manual
ATTENTION:
VISIT THE ROCKVILLE SUPPORT SITE FIRST!
Who reads manuals?
Scan the QR codes or go to the URLs to access how-to video(s), the owner’s manual, and other important information you may need to get the most out of your item.
If you prefer written instructions, please read ahead!
With Rockville you get many options.

rockvillesupport.com/cc80t-white

rockvillesupport.com/cc80t-black
Missing items? If you ordered a bundle that includes more than one product and you are missing part of your bundle, then it just means your order shipped from two different warehouses. You will receive the remaining items very soon. If you have any concerns or inquiries, feel free to call our customer support center at 1-646-758-0144, 24 hours a day/7 days a week.
The CC-T series 70 volt in-ceiling speakers are perfect for any commercial application where you want to get amazing ound quality out of your music and have the ability to crank the volume really loud. It will obviously still handle your PA nnouncements and chimes, etc. We took a high quality home theater speaker and added 70 volt technology to it to give| jou the best of both worlds. With a selectable tap wattage that ranges from 2.5w all the way to 20w these speakers are great| r any commercial application.
These ceiling speakers are precision tuned for excellent audio response at high and low volumes. If you want good musical sound you really need a 2-way speaker with a dedicated tweeter or highs and a dedicated woofer for lows. These n-ceiling speakers feature polypropylene woofer cones for clear, rich mids and deep bass. Our mylar dome tweeters rovides clean, crisp highs. The included sheer grills enable flush installation and can be painted to match any décor. Our High quality spring loaded push terminals make your wiring very secure.
Please read this manual carefully for proper use of your Rockville CC-T series in-celing home theater speakers. Should ou need assistance please call our technical help line at 1-646-758-0144, 24 hours a day7 days a week.
Setting the Taps
The tap is the selector knob at the rear of the CC-T Series ‘speakers. It allows you to set how many watts the built-in transformer will allow the speaker to get from the amplifier. CC-T Series speakers have taps set at 2.5, 5, 10, 15, and 20 watts for 70-volt input. This range of taps allows for full customization of the sound for the space in which the ‘speakers are installed. In a restaurant, for example, you can ip your dining room speakers at 5 watts, the speakers in the outside seating area at 10 watts, the ones in the hallway at 2.5 watts, and the speakers in the bathrooms at 5 watts.
IAnother great feature of 70-volt speakers is that you can mix and match any type whether they are ceiling speakers (such s these), wall mounted speakers, subwoofers, etc.

Wiring

70-volt speaker set-ups allow you to run very long lines of ‘speaker wire without signal loss. Wire all the positive terminals (o the speakers to the positive 70-volt terminal of the amplifier. The negative terminals on the speaker simply get wired to the COM (negative) terminals on the amp. You do not have to worry ‘about impedance. The power is constant.
The total number of speakers muliplied by the tap value cannot exceed the output power (in watts) of your 70V amplifier. The example below shows 5 total speakers. Using the 20W taps, you will need an amplifier with at least 100 watts (5 x 20 = 100W). A good rule of thumb is to select an amplifier with 15 to 20% greater power; in this case, an amplifier that delivers about 120W.

Installation
‘Tools needed: A dry wall knife, a level, a phillips head screwdriver, and a flat head screwdriver.
- Using the included template, cut an opening in the drywall.
Note: Always allow at least %” between a wall stud and the speaker cutout or the locking tabs will not be able to swivel into place.
- To remove the grille insert a flat head screwdriver into the space between the grill and the inner lip of the speaker housing. Gently lift the grill out being careful not to bend it.

- Connect the speaker wires (be sure o observe proper polarity), set taps to the desired power setting (see diagram on the facing page), and insert the speaker into the cutout.

- Screw down each of the four Phillips head screws.The locking tabs will swivel into place and secure the unit to the rear surface of the drywall. Put in the strips of adhesive tc secure the grille.

- Replace the grill by gently pushing t onto the speaker face.

Features/Specifications
- 70 Volt Power Options: 20W, 15W, 10W, 5W, 2.5W
- 8 Ohm Power handling: 40W
- Polypropylene Cone
- Rubber Surround
- 8″ Woofer
- 1″ Aluminum Voice Coil
- 1″ Mylar Dome Tweeter
- 20 oz. Ferrite Magnet
- High Quality Spring Loaded Push Terminals
- Aim-able Swivel Tweeter
- Paintable Flush Mount Grills
- Frequency Response: 40Hz — 20kHz
- Sensitivity: 90dB @ 1w/1m
- Impedance: 8 Ohms
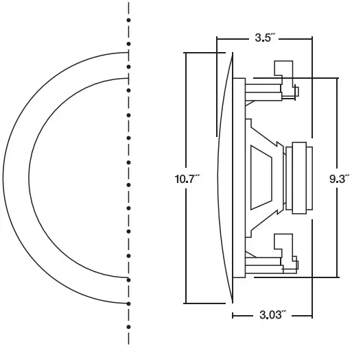
- Mounting Depth: 3.03″
- Cut-out Diameter: 9.3″
- Color: Available in White or Black (paintable)
Dimensions

























