Battery Powered Friends of Hue Switch
Manual ROB_200-027-0
User Manual
Function introduction
Important: Read All Instructions Prior to Installation
Front side
Product Data
| Switch Type | Friends of Hue Switch |
| Transmission Range | 10-30m (typical) |
| Radio Frequency | 2.4GHz |
| Power Supply | 3V(1xCR2430 battery) |
| Buttons | 4 |
| Dimensions | 40x40x11.2mm |
| Operating Temperature | -20 ℃ ~ +45℃ |
| Working Humidity | 10% ~ 95% RH non-condensing |
| Waterproof Grade | IP20 |
| Warranty | 5 years |
Product Description
The Zigbee push-button coupler is a 4-channel push-button interface for simple wall/flush type box installation. You can continue to use existing switches, irrespective of the manufacturer. It is a wireless transmitter that communicates with the Philips Hue bridge. The coupler adopts a CR2430 battery to power a built-in transmitter. This transmitter sends wireless radio signals that are used to remotely control the Philips Hue system.
Safety & Warnings
- This device contains a button lithium battery that shall be stored and disposed of properly.
- DO NOT expose the device to moisture.
The coupler can be configured through Hue App after being added to the Hue bridge. It enables to control of designated light devices in 2 designated rooms with 4 push buttons. Functions of the 4 push buttons can be configured separately through Hue App. The configurable functions include ON/OFF, dim up/dim down, and system preset scene control.
Corresponding button position of the 4 push buttons while commissioning using Hue App
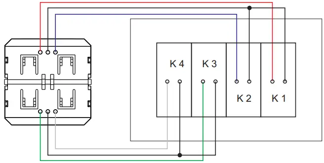
Push button wiring as follows:
Push Button 1 connecting to terminal K1
Push Button 2 connecting to terminal K2
Push Button 3 connecting to terminal K3
Push Button 4 connecting to terminal K4

Operations
- Configure your Hue Bridge correctly and add light devices to the Hue Bridge through Hue App as instructed.
- Add the Coupler to Hue Bridge
Method 1: This method is applicable for the situation where all 4 push buttons are connected.
Step 1: tap “Accessory setup” on the “Settings” page, then tap “Add accessory”, then tap “Friends of Hue switch”.

Step 2: tap a brand to select it, any brand will work. Then operate the 4 push buttons (please select the correct push buttons which correspond to the required button positions on the APP) as instructed to enable it to be added to the Hue Bridge.

Note: different Hue Bridges may instruct you to operate different buttons during adding process, the above instruction is just an example, please kindly operate the buttons as instructed by your Hue Bridge since the buttons it requires you to operate may be different from the above example.
Method 2: This method is applicable for all situations regardless of how many push buttons are connected.
Step 1: tap “Accessory setup” on the “Settings” page, then tap “Add accessory”, then tap “Friends of Hue switch”.

Step 2: Tap a brand to select it, any brand will work.
Step 3: Please select any one of the connected push buttons and use the same push button for the entire sequence.
Step 4: When the operation instruction “To connect, hold the lower-right button for 10 seconds, then release” pops up on the App, press and hold the selected push button for over 10 seconds, then release.
Step 5: Observe the App to check whether the next step operation instruction pops up. If yes, please go to step 6.
If not, short press the selected push button once and observe the App again. If the next step operation instruction pops up, go to step 6.
If not, short press the selected push button again and observe the App again, this operation shall be repeated until the next step operation instruction pops up on the App, max. repeating the operation 3 times will enable the next step operation instruction to pop up on the App.
Step 6: When the next step operation instruction “That worked! Now press the top-right and lower-left buttons at the same time.” pops up on the App, press and hold the selected push button for over 10 seconds, then release.

Select designated room/rooms to control
Step 1: Tap to select a room to be controlled by the left side on the switch, then the right side.

Configure the Switch through Hue App
Step 1: once added successfully, you can use the system-suggested setting or configure the switch as per your preferences. Just tap “Done” to use the suggested setting, or tap “change settings” to configure as instructed. 4 buttons can be configured one by one separately. Tap the button area to select the button to be configured.

Control the Light Devices in the Selected Room/Rooms with the Switch
After configuring successfully, tap “save” in the upper right corner to save the settings. Then you can use the switch to control the light devices in the selected room/rooms.
The key part of this controller is a universal, extremely rotary standard switch element that can be integrated into numerous frames by different manufacturers as below list:
| BERKER | S1, B1, B3, B7 glass |
| GIRA | Standard55, E2, Event, Esprit |
| JUNG | A500, Aplus |
| MERTEN | M-smart, M-Arc, M-Plan |
Wiring diagram


![]()


















