750 Landscape 3 Sided Electric Fires
Instruction Manual
750 Landscape, 1000 Landscape 3-Sided Electric Fires
Instructions for operation
Technical Specification
Model No.: 3062, 3083
Supply Voltage: AC 220-240V 50-60Hz
Maximum power consumption: 2KW
Power for flame effect 750: 20W (LED 15W + Motor for flame 5W)
Power for flame effect 1000: 30W (LED 25W + Motor for flame 5W)
Heat Output:
Nominal heat output (Phnom): 2KW
Minimum heat output (indicative) (Pmin): 1KW
Maximum continuous heat output (Pmax): 2KW
Auxiliary Electricity Consumption:
At nominal heat output (max): 0W
At minimum heat output (min): 0W
In standby mode (USB): 0.45 W
Type of heat output/room temperature control
| Single stage heat output and no room temperature control | No |
| Two or more manual stages, no room temperature control | No |
| With mechanic thermostat room temperature control | No |
| With electronic room temperature control | No |
| Electronic room temperature control plus day timer | No |
| Electronic room temperature control plus week timer | Yes |
Other Control Options
| Room temperature control, with presence detection | No |
| Room temperature control, with open window detection | Yes |
| With the distance control option | No |
| With adaptive start control | No |
| With working time limitation | No |
| With a black bulb sensor | No |
Important Safety Information
Read all the instructions carefully before using the appliance.
For indoor use only. This appliance is not suitable for use outside the house and is only suitable for well-insulated spaces or occasional use.
Do not use this appliance in the immediate surroundings of a bath, a shower, or a swimming pool.
Do not use this fire as a free-standing appliance. It must always be fixed to the wall, fireplace mantel, floor, etc.
This fire must not be located immediately below a socket outlet.
This appliance must be earthed.
This appliance must not be supplied through an external switching device, such as a timer, or connected to the circuit that is regularly switched on and off by the utility in order to avoid a hazard due to the inadvertent resetting of the thermal cut-out.
A non-rewireable plug fitted with a 13A fuse is supplied. Should the fuse or plug need replacing, and you are competent to do so, it must be replaced with a 13A fuse or plug being 13A BS1363A approved.
If the power cord is damaged, it must be repaired by the manufacturer, its authorized service center, or a professional person.
The meaning of this symbol
Warning: in order to avoid overheating, do not allow the appliance to be covered or let the air inlet/outlet become obstructed.
To reduce the risk of fire, keep textiles, curtains, or any other flammable material a minimum distance of 1 meter from the air outlet.
Keep the power cord away from hot surfaces and hot conditions. Do not route the power lead in front of the appliance. Do not use this fire in rooms that have explosive fumes in them (for example petrol), or if you are using solvents, glue, aerosol spray, or in flammable paints, as these may catch fire.
This appliance can be used by children aged 8 years and above and persons with reduced physical, sensory or mental capabilities or lack of experience and knowledge if they have been given supervision or instruction concerning the use of the appliance in a safe way and understand the hazards involved.
Children and vulnerable people must be supervised at all times when using this appliance, as some parts can become very hot and cause burns.
Do not use this appliance in small rooms when they are occupied by persons not capable of leaving the room on their own unless constant supervision is provided.
Cleaning and user maintenance shall not be made by children without supervision.
Children aged from 3 years and less than 8 years only can switch on / off the appliance provided that it has been placed or installed in its intended normal operating position and instructions and supervision concerning the safe way of the use of the appliance are offered. Children aged from 3 years and less than 8 years shall not plug in, regulate and clean the appliance or perform user maintenance.
This appliance shall not be played with by children.
Children of less than 3 years should be kept away unless continuously supervised.
Keep the power plug accessible after installation.
Operation Instructions
Manual Operation
When using either manual or remote control
The fire can be operated either manually via the buttons located on the front right side of the unit or by the supplied remote control. The manual ON / OFF switch located on the right-hand side of the manual buttons must be in the “I” position before trying to operate the fire
Manual Operation
Note: Before attempting any operation with the remote control, press and slide the battery door on the back of the remote to open the battery compartment. Insert the 2 x AAA batteries checking that the + and sides of the batteries match the inside of the battery compartment. Replace the battery compartment door.
Note: The unit may emit a slight harmless odour and smoke when first used. This odour and smoke is normal and is caused by the internal heating parts and will not occur again.
Note: The below functions can be controlled by either the manual buttons on the fire or the remote control. Ensure the ON / OFF switch is in the “I” position before trying to operate the fire.
Powering the fire![]()
Press the power button to supply power to all the functions of the fire and put the fire into standby mode, the current room temperature will be shown on the display. Press the power button again to turn off all functions
Note: All previous settings are held in the memory so the next time you power up the fire it will turn on with the same settings unless the power to the unit is lost
Temperature setting![]()
Adjust the temperature to the desired setting (15° to 30° range) using the Temp + and Temp buttons. The set temperature must be above the room temperature for the heating function to operate. Fig 1.
Heater Operation![]()
Press the heater button to select 2000W, H2 and a red flame symbol will be displayed. See Fig 2.
Press the heater button again to select 1000W, this time H1, and an orange flame will be displayed. See Fig 3
Press the heater button again to turn the heater off
Note: On either heat setting the heat function will turn off when the room temperature reaches the set temperature. The heater will automatically restart when the room temperature drops 3° below the set temperature as detected by the fire unit
Note: The heater fan will run for approximately 30 seconds after the heat has been turned off, this is to remove any residual heat and protect the components from potential overheating.
Open Window Function
This appliance has an “Open Window Detection Function”. When the heater is in operation H1 or H2 and the ambient temperature drops 5° within 10 minutes ECO will appear on the display and the heat function will automatically turn off. This means there is a window open or a cold draft coming into the room past the fire. Close the window and press
on the manual control panel or the remote control to restart the heater. See Fig 4.
Fuel Bed Operation![]()
Press the fuel bed button to select from seven different fuel bed color options.
Fig 5.
| 1 – OFF 2 – Red 3 – Sky Blue 4 – Orange | 5 – Blue 6 – Purple 7 – green 8 – Cycle between 2 and 7 |
Note: The last setting “8” is where the unit cycles through all seven colors. Pressing the
stops the cycling and holds the unit on one preferred color, a circle will be displayed. See Fig 6. When one of these modes has been selected, this will become the default mode when the unit is next turned on.
Press and hold
the button for 2 seconds to turn ON / OFF the downlights. ON is displayed when the downlights are on.
Brightness Operation
The brightness setting of the flame effect can also be adjusted. This is done by pressing the brightness button and selecting one of the following options. Fig 8.
H Maximum Setting
C Intermediate Setting
L Minimum Setting
Note: The brightness setting of the flame effect can only be adjusted by using the remote control
Setting The Day and Time![]()
The following can only be set using the remote control. Press the power button to turn the unit on.
Press and hold the time setting button
for two seconds to display the time and day (no numbers are shown as time has not been set) See Fig 9
Press the time setting button and the day setting will start to flash. See Fig 10.
Adjust the day setting using the Temp + Temp buttons.
Press the time setting button and the hour setting will start to flash, adjust the hour using the Temp + and Temp- buttons.
Press the time setting button and the minute setting will start to flash, adjust the minute setting using the Temp + and Temp buttons
Press the time setting button to set the time and exit the day/time setup.
Setting The Weekly Timer![]()
This timer allows for two ON / OFF periods (M1 / M2) for each day of the week.
The timer can be set using the following procedure:
Press the power button to turn the unit on.
Press and hold the timer mode button
for two seconds to enter the timer settings. The settings for the first ON / OFF period (M1) for Monday will be shown with the first ON time and hour setting flashing. See Fig 11.
Adjust the hour setting using the Temp + and Temp buttons, press the time setting button to select the minute, adjust this setting using the Temp + and Temp buttons. Press the time setting button and the display will move to the first OFF time setting. See Fig 12.
Repeat the above steps to set the first of time. Press the time setting button and the display will move to the second ON / OFF period (M2), with the second ON time setting displayed. See Fig 13.
Repeat the above steps to set the second ON / OFF period Press the time setting button and the display will move onto the first ON / OFF period (M1) for Tuesday with the first ON time setting displayed. Repeat the above steps for Tuesday’s settings and repeat the process for Wednesday to Sunday’s settings.
Having confirmed Sunday’s settings exit the timer setting, this can be done by not using the remote for 10 seconds and the unit will then default into normal operating mode. To activate the timer settings press the timer mode button until the timer symbol is displayed on the screen. See Fig 14.
Note: The time and day must be set before the timer mode can be activated. The unit can still be operated normally when in timer mode using the heater function
Note: If the power to the unit is lost then the time/day and weekly timer settings will have to be reprogrammed.
General Information
Cleaning
Allow the product to completely cool before handling or cleaning it.
- Switch off and unplug from the power supply before cleaning
- Use a soft moist cloth with or without mild soap solution and carefully clean the exterior of the product
- Do not allow water or other liquids to run into the interior of the product as this could create a fire and/or an electrical hazard
- We also recommend the periodic cleaning of this product by lightly running a vacuum cleaner nozzle over the grill to remove any dust or dirt that may have accumulated inside or on the unit.
Caution: Do not use harsh detergents, chemical cleaners, or solvents as they may damage the surface finish of the plastic components.
Battery Replacement Remote Control.
- Slide open the battery cover on the back of the remote control
- Install AAA batteries into the remote control
- Replace the battery cover

Discard leaky batteries.
Dispose of batteries in a correct manner according to local regulations.
Caution: Any battery may leak electrolyte if mixed with a different battery type if inserted incorrectly if all the batteries are not replaced at the same time, if disposed of in a fire or if an attempt is made to charge a battery not intended to be charged
Thermal Safety Cut-out
A thermal safety cut-out is incorporated in the heater to prevent damage due to overheating. This can happen if the heat outlet is restricted in any way. The heater will switch on once the obstruction has been removed and the heater has cooled. If the cut-out continues to operate intermittently the heater should be switched off and a service agent contacted.
Maintenance
Warning: Always disconnect from the power supply before attempting any maintenance
Light Emitting Diode (LED)
This fire is fitted with LED (Light Emitting Diode) bulbs in place of traditional incandescent bulbs. These generate the same light level as traditional bulbs but use a fraction of the energy consumed.
Correct Disposal of Product
This marking indicates that the product should not be disposed of with other household wastes. To prevent possible harm to the environment or human health from uncontrolled waste disposal, recycle it responsibly to promote the sustainable reuse of material resources. To return your used device please use the return and collection systems or contact the retailer where you purchased the product. They can take this product for environmentally safe recycling
Warranty Information
The manufacturer provides a warranty in accordance with the legislation of the customer’s own country of residence, with a minimum of 1 year starting from the date on which the appliance is sold to the end user. The warranty only covers defects in material or workmanship. The warranty will not apply in cases of:
- Normal wear and tear
- Incorrect use, e.g. overloading of the appliance, use of non-approved accessories
- Use of force, damage caused by external influences
- Damage caused by non-observance of the user manual e.g. connection to an unsuitable mains supply or non-compliance with the installation instructions
- Partially or completely dismantled appliances
Environment
Meaning of crossed out wheeled dustbin: Electrical appliances should not be disposed of as unsorted municipal waste. Separate collection facilities should be used in the disposal of electrical appliances. Contact your local government for information about the available collection systems. If electrical appliances are disposed of in landfills or dumps, hazardous substances can leak into the groundwater and get into the food chain, damaging your health and well-being. When old appliances are replaced by new ones, it is a legal obligation for the retailer to take back the old appliance for disposal at least free of charge.
This fire complies with the Safety Standards EN 60335-1 and EN 60335-2-30 which covers the essential requirements of the Low Voltage Directive 2014/35/EU and the EMC standards EN 55014-1; EN 55014-2; EN 61000-3-2 and EN 61000-3-3 which covers the essential requirements of the European Electro Magnetic Compatibility 2014/30/EU, and the RED standards EN300220-2, EN301489-1, EN301489-3 and EN6247 which covers the essential requirements of the European Radio Equipment Directive 2014/53/EU.
This fire complies with the Safety Standards BS 60335-1 and BS 60335-2-30 which covers the essential requirements of the Electrical Equipment (Safety) Regulations 2016 and the EMC standards BS 55014-1; BS 55014-2; BS 61000-3-2 and BS 61000-33 which covers the essential requirements of the Electro Magnetic Compatibility Regulations 2016, and the RED standards BS 300220-2, BS 301489-1, BS 301489-3 and BS 6247 which covers the essential requirements of the Radio Equipment Regulations 2017.
RoHS stands for Restriction of Hazardous Substances and impacts the entire electronics industry and many electrical products as well. The Restrictions of the Use of Certain Hazardous Substances in Electrical and Electronic Equipment Regulations 2012, originated in the European Union in 2002 and restricts the use of six hazardous materials found in electrical and electronic products. All applicable products in the EU and UK market since July 1, 2006, must pass RoHS compliance.
Electric Fire Guarantee
Be Modern Ltd. (the `Company’) provides a twelve-month guarantee in respect of electric fire (the `Product’) ranges.
1. The twelve-month Guarantee applies to:
a. All products in the ranges manufactured by the `Company’ (but subject to the exceptions below): where:
b. The product has been purchased and installed within the UK and in respect of
c. The initial installation: and in favor of
d. The original purchaser
2. Proof of Purchase must be retained by the Purchaser
3. The twelve-month Guarantee does not apply to:
a. Damage or inferior workmanship practices whilst the `Product’ is being installed
b. Damage caused by misuse of the `Product’ or where normal standards of care and use have not been complied with.
c. Damage through a malfunction or an inadequately installed electric fire.
d. Damage or defects due to misuse, accident or unauthorized alterations.
4. During the twelve months after the “Product” has been supplied, the Guarantee covers the making good (whether by repair or replacement at the Company’s option) of defects arising from defective manufacture of materials of “Product” covered in Para 1 all at no cost to the purchaser on the provision:
a. The Product has been installed as per Be Modern recommendations. The Purchaser uninstalls the Product and makes it available for collection by Be Modern.
This Guarantee does not affect your statutory rights
On requiring service the purchaser should contact the retailer who supplied your product who will assist and advise you as necessary.
Be Modern Ltd.
19/34 Bedesway Bede Industrial Estate
Jarrow Tyne and Wear
NE32 3BE
Tel: (0191) 430 0901
Fax: (0191) 430 9522
http://www.bemodern.com
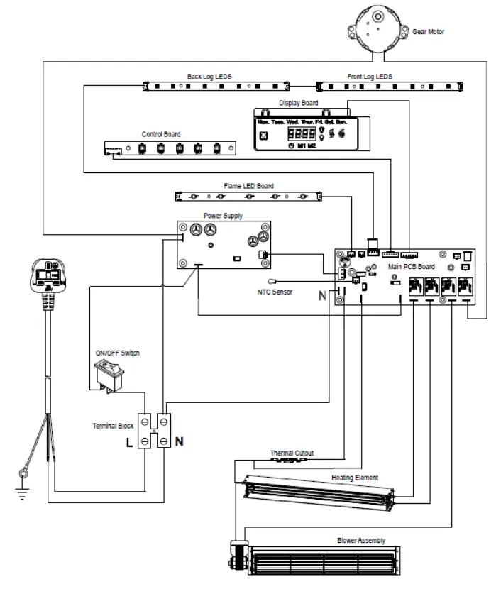
Wiring Diagram





















