XZENT X-RVC290-MK2 Colour Backup Camera

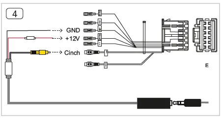
CONNECTION DIAGRAM

KEY FEATURES
- Vehicle specific high-resolution brake light rear view camera for FIAT Ducato lll (Type 250/251,2006>2014, Type X290 as of 2014) vehicles and further types based on identical vehicle chassis.
- System design integrating the original Ducato brake light to retain road use homologation.
- Separable system cable with 0.30 m + 11 m cable length
- High-quality CMOS picture sensor with low power consumption
- Detailed high contrast picture under twilight conditions Plastic injection main housing with stainless steel fixation bolts
DESCRIPTION:
This XZENT rear view camera model has been developed for use with FIAT Ducato Ill-based vehicle and motor homes in particular. This camera product deploys high quality parts and materials though out, to provide reliable operation and appropriate longevity in the target vehicles mentioned.
INSTALLATION
- Loosen the two Phillips cross recess screws.

- Remove the brake light reflector housing.
Unconnect the white system plug of the vehicle.
- Screw in and tighten the stainless steel mounting bolts by hand (5Nm). Use a dab of Loctite, if possible.

- Route the main cable from the naviceiver in the vehicle cockpit/ dashboard to the brake light opening in the upper rear section of the vehicle. For power and RCAA video signal, the XZENT X-F270 offers a direct system “connector block E” which offers switched 300mA power out’s (see installation guide of XZENT head unit).

- Connect the 3.5 mm jack output of the camera sensor to the b lack counterpart on the main wire and wrap around some isolating tape around it to prevent water entering the connector.

- Connect the system plug with the connector counterpart of the brake light reflector housing.
The rearview camera housing features a cutout directly below the camera sensor for a black foam piece. Insert the foam piece into this recess.
- Re-mount the brake light reflector housing on top of the main camera housing, using the original Philips cross-recess screws.

TECHNICAL SPECIFICATIONS
- Image device 0.33″/8.38 mm PC4089
- CMOS sensor
- Lens focal length f2
- TV system NTSC/ 60 fps
- Viewing angle 160°(D) x 125°(H) x 100°(V)
- Native sensor resolution 728 x 488 pixels (native SOC 756 x 504 HxV)
- Resolution of video-out >550 TV lines
- Frame rate 60 fields/sec.
- Signal-to-noise ratio 46.5 dB
- Light sensitivity 0.5 Lux
- Video output 1.0 Vp-p (+/-0.2 V), 75 ohms,CVBS RCA
- Dynamic range 60.7 dB
- White balance auto
- Backlight compensation auto
- Gain control auto
- Sync system auto
- Power supply DC12V (9 16 Volts)
- Current consumption 40 mA +/-10 mA (@DC12V) /480 mW
- IP protection rating IP68
- Operating temperature -20° to+70° C
CAUTION:
Use the included connection cable exclusively. Altering or replacing it will void your warranty.
The camera is water- and dustproof and has been licensed according to the international standard IP68. However, vehicle cleaning using high-pressure water and steam jet devices may still lead to damage of IP69K rated camera models by water intrusion. Keep a distance of at least one meter between the water nozzle and the camera housing.

















