A104A VS Washbasin Mounting Frame
Wash-basin installation frame – Mounting instructions


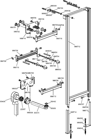
Spare Parts

Procedure
Alca plast, s.r. 0. , Bratislavska 2846 , 690 02 Breclav , Cesk republika
420 519 326 499, +420 519 323 456 — prodej CR
+420 519 361 641 — export , Fax: +420 519 330 621
e-mail: [email protected] , www.alcaplast.cz
























