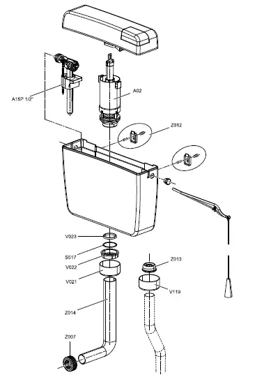
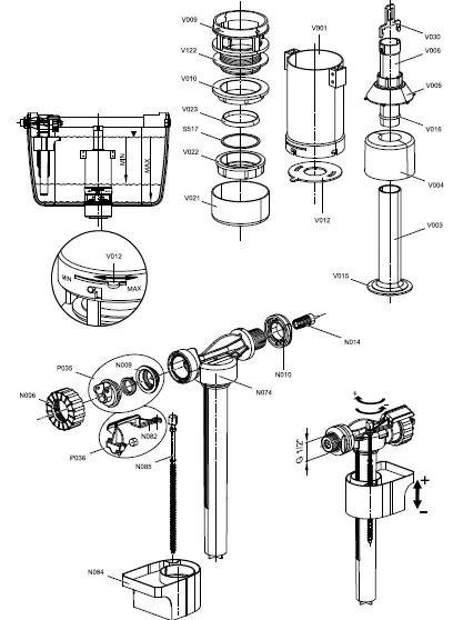
Home » Blog » Alca Plast A94 Toilet Tank Instruction Manual Alca Plast A94 Toilet Tank Instruction Manual Contents hide1 ALCA PLAST A94 Toilet Tank2 Universal WC cistern – Mounting instructions3 Spare parts4 Documents / Resources5 Related PostsALCA PLAST A94 Toilet TankUniversal WC cistern – Mounting instructionsSpare parts Documents / Resouces Download manual Here you can download full pdf version of manual, it may contain additional safety instructions, warranty information, FCC rules, etc. To access the pdf donwload links, solve the captcha. Related Manuals Alca Plast A101-1300h Toilet Wall Mounting Frame Instruction Manual Cur Aqua 009479 Toilet Seat Instruction Manual Cur Aqua 009475 Toilet Seat Instruction Manual Gerber Ghe28380ll Ultra Flush Toilet Tank Instruction Manual Alca Plast A2000 Flush Valves Instruction Manual Dometic 970 Series Portable Toilets Instruction Manual Swiss Madison Sm-st040 Touchless Tankless Toilet Instruction Manual Woltu 91ayvk0crnl Toilet Seat Instruction Manual Ove Smart Toilet Instruction Manual Duravit 42000900a1 Wall Mounted Toilet Instruction Manual Lenz 951357 Toilet Paper Holder Instruction Manual Alcaplast Am100-1000 Toilet Wall Mounting Frame Instruction Manual Eisl Ed69310db Duroplast Toilet Seat Instruction Manual Newtech 8030 Sorano Rimless Toilet Suite Instruction Manual Swiss Madison Sm-1t256 Carre One-piece Toilet Instruction Manual Duravit D1654700 One Piece Toilet Instruction Manual Newtech 8070 Casalino Toilets Instruction Manual Swiss Madison Sm-2t257 Two-piece Toilet Instruction Manual Woltu Ws2584 Family Toilet Seat Instruction Manual Kohler K-4418 Cimarron Toilet Tank Instructions