TCNM-ACM-OM110 Installation Manual

- Laser beam output window
- Power cable
Description
The TCNM-ACM-OM110 oscillating mirror is an accessory for the TCNM-AD/EX family laser scanners. It is designed to generate homogeneous and adjustable raster reading through deflection of the scanning laser beam.
The system consists of the oscillating mirror attached to the scanner and allows a surface instead of a line to be observed; versatility and reading accuracy are therefore increased in “Picket Fence” reading mode.
Some examples are given in the following cases: codes presented at different “heights” on the reading surface; and codes with printing defects.
The electronic and electromechanical components controlling the mirror movement are contained inside the rugged metal casing, which guarantees protection class IP65 when the TCNM-ACM-OM110 is mounted correctly onto the scanner.
The TCNM-ACM-OM110 is directly powered from the scanner through a connector that is accessible after removing the scanning window (see assembly instructions). It therefore operates exclusively at low power, between 10 and 30V dc
Mechanical Installation
When opening the packaging, verify the TCNM-ACM-OM110 oscillating mirror is complete and includes a set of fixture screws.
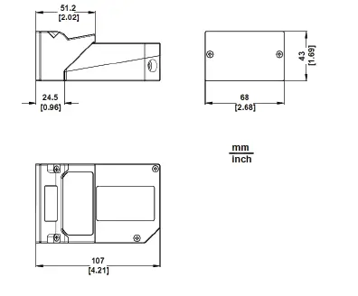
Dimensions
The following figure gives the overall dimensions of the TCNM-ACM-OM110 and may be used for its installation.

Assembly to the Scanner
Step 1. Clean the TCNM-ACM-OM110 mirror surface and output window (internally and externally) with a clean, soft cloth and alcohol before assembling it to the scanner.
CAUTION: Avoid all abrasive substances because they cause irreparable damage to the transparency of the glass.
Step 2. Remove the scanning window from the scanner.

Step 3. Bring the TCNM-ACM-OM110 close to the scanner and insert the cable into the scanner’s power connector

CAUTION: Make sure the cable doesn’t remain in the path of the mirror movement.
Step 4. Check that the seal is correctly positioned, align the TCNM-ACM-OM110 onto the scanner, and fix it using the two screws supplied.

Step 5. In the indicated space on the front side of the TCNM-ACM-OM110, apply the spare scanner serial number label provided with the scanner.

Reading Features
The reading distance of the TCNM-AD/EX series scanner with the TCNM-ACM-OM110 is shifted by 10 mm toward the scanner because of the internal optical path between the scanner and the TCNM-ACM-OM110 output window.
The reading performance also decreases in typical conditions by about 10% due to the optical signal passing through the output window of the TCNM-ACM-OM110 and the reflection on the mirror surface. The combination of these effects produces the reading diagram represented below:

The reading distance also depends on the amplitude of aperture used. In particular, wider apertures require the scanner to be closer to the code in order to read at the extreme edges of the sweep (see figure below).

Configuration
CAUTION: The TCNM-ACM-OM110 must be mounted to a TCNM-AD/EX scanner and is configurable exclusively through the GeniusPlus utility program.
CAUTION: When entering the SMART-TEACH interface on the TCNM-AD/EX, the Oscillating Mirror remains in the default fixed position (-15°) in order to make barcode reading easier while performing the SMART-TEACH functions.
The following software configuration parameters are available through GeniusPlus and described below for reference. Oscillating Mode. Defines the oscillating mode of the scanner mirror. The values are:
- Fixed. The oscillating mirror deflects the scan line at a fixed angle of deflection (-15°).
- Continuous. The scan line is deflected according to the Amplitude and Frequency settings.
Amplitude (degrees). Available only when working in continuous oscillating mode. defines the deflection range in degrees as a symmetrical oscillation with respect to the fixed angle (-15°). The values range from 10° to 40°. Frequency (Hz). Available only when working in continuous oscillating mode, defines the oscillating frequency in Hertz. The values range from 0.5 to 4.0 Hertz.
CAUTION: The maximum allowable frequency for an amplitude of 35° or more is 3 Hz.
Triggered. Allows assigning a trigger through which the oscillating mirror can be activated to work in a second reading zone according to the defined parameters. Second Zone Trigger. Defines the number of the input or the phase working as trigger. Available values are:
- Phase (available only when working in On Line operating mode)
- Input 1
- Input 2
Second Zone Trigger Level. Allows setting the active state of the trigger. When the selected state is active, the oscillating mirror starts working in the second reading zone according to the parameters set. Values are:
- Active Open
- Active Closed
Second Zone Oscillating Mode. Defines the oscillating mode of the scanner mirror to be used in the second reading zone. Values are:
- Fixed. The oscillating mirror deflects the scan line at a fixed angle of deflection (-15°).
- Continuous. The scan line is deflected according to the Second Zone Amplitude and Second Zone Frequency settings.
Second Zone Amplitude (degrees). Available only when working in Continuous Second Zone Oscillating Mode, defines the deflection range in degrees as a symmetrical oscillation with respect to the fixed angle (-15°). Values range from 10° to 40°.
Second Zone Frequency (Hz). Available only when working in Continuous Second Zone Oscillating Mode, defines the oscillating frequency in Hertz. Values range from 0.5 to 4.0 Hertz.
CAUTION: The maximum allowable frequency for an amplitude of 35° or more is 3 Hz.
Maintenance and Troubleshooting
TCNM-ACM-OM110 has no user replaceable components and, apart from periodically cleaning the output window, no particular maintenance is necessary; dust and dirt on the surface may alter the reading performance of the system.
Clean the window with soft material and alcohol, absolutely avoiding all abrasive substances.
CAUTION: Do not remain in the laser beam output zone during these procedures.
If the device does not operate correctly, verify the connection to the scanner.
Specifications
Electrical
- Operating Voltage: 10 to 30 V DC
- Input Current Max: 40 mA (RMS) at 10 V DC
1.2 A max peak current at 10 V DC at startup for max duration = 100 ms - Power Consumption Max: 1 W (RMS) @ 30 V DC
- Raster Width: Software adjustable from 10° to 40°
- Oscillation Frequency: Software adjustable from 0.5 Hz to 4 Hz
- Response Time: 1 second max
Environmental
- Operating Temperature: 0 to +45 °C (+32 to +113 °F)
- Storage Temperature: -20 to +70 °C (-4 to +158 °F)
- Humidity Max: 90% non condensing
- Vibration Resistance (EN 60068-2-6)
- -14 mm at 2-10 Hz
- -1.5 mm at 13-55 Hz
- -2 g at 70-200 Hz
- -2 hours on each axis
- Bump Resistance (EN 60068-2-29)
- 30 g; 6 ms;
- 5000 shocks on each axis
- Shock Resistance (EN 60068-2-27)
- 30 g; 11 ms;
- 3 shocks on each axis
- Protection Class (EN 60529)
- IP65 (when correctly mounted to the scanner)
Physical Features
Dimensions: 68 x 43 x 51.2 mm (2.68 x 1.69 x 2.02 in)
Weight: Approximately 160 g. (5.7 oz)
CAUTION: The features indicated are to be considered typical at an ambient temperature of 25 °C (77 °F), if not specified differently.















