METZ MUC8000 4K LED TV User Guide
PREPARATION
Unpacking and Installation
Note: The pictures are only for reference.
- Open the package.

- Take out the TV.

- Install the TV stands.

- Connect the power cord.

Standard Accessories
Note: The pictures are only for reference.
- Batteries/2

- Remote Control

- Power Cord

- Warranty Card

- Base Installation Manual

- Quick Start Guide

- Screws/4

- Base Stand

- AV inverter cable

WARNING AND PRECAUTION
Read all of the instructions before operating the set. Keep these instructions well for later use.
Important Safety Instructions
- Read these instructions— All the safety and operating instructions should be read before this product is operated.
- Keep these instructions — The safety and operating Instructions should be retained for future reference
- Heed all warnings — All warnings on the appliance and in the operating instructions should be adhered to
- Follow all instructions — All operating and use instructions should be followed.
- Do not use this apparatus near water — The appliance should not be used near water or moisture—for example, in a wet basement or near a swimming pool, and the like. • Clean only with dry cloth.
- Do not block any ventilation openings. Install in accordance with the manufacturer’s instructions.
- Do not install near any heat sources such as direct sunlight. radiators, heal registers. stoves. or other apparatus (including amplifiers{ that produce heat.
- Do not defeat the safety purpose of the polarized or grounding plug. A polarized plug has two blades with one wider than the other. A grounding plug has two blades and a third grounding prong. The wide blade or the third prong is provided for your safety. If the provided plug does not fit into your outlet. consult an electrician for replacement of the obsolete outlet.
- Protect the power cord from being walked on or pinched particularly at the plugs, convenience receptacles, and at the point where they exit from the apparatus.
- Only use allotments/access ones specified by the manufacturer.
Use only with the cart. stand, tripod, bracket, or table specified by the manufacturer, or sold with the apparatus. When a cart or rack is used. use caution when moving the cart/apparatus combination to avoid injury from tip-over.- Unplug the apparatusduring lightning storms or when unused for long periods of time.
- Refer all servicing to qualified personnel. Servicing is required when the apparatus has been damaged in any way, such as power supply cord or plug is damaged, liquid has been spilled or objects have fallen into the apparatus, the apparatus has been exposed to rain or moisture, does not operate normally, or has been dropped.
- CAUTION: These servicing instructions are for use by qualified service personnel only. To reduce the risk of electric shock. do not perform any servicing other than that contained in the operating Instructions unless you are qualified to do so.
- Do not install this equipment in a confined or building-in space such as a book case or similar unit. and remain a well ventilation conditions at open site. The ventilation should not be impeded by covering the ventilation openings with items such as newspaper, table-cloths, curtains etc.
- Please refer the information on rear enclosure for electrical and safety information before installing or operating the apparatus
- To reduce the risk of fire or electric shock, do not expose this apparatus to rain or moisture.
- The apparatus shall not be exposed to dripping or splashing and that no objects filled with liquids, such as vases, shall be placed on the apparatus. Do not use the set new dust place.
- For the terminals marked with symbol of
may be of sufficient magnitude to constitute a risk of electric shock. The external wiring connected to the terminals requires Installation by an Instructed Person or the use of ready-made leads or cords. - To prevent injury, use the stand/wall-mount bracket to securely install this apparatus on the tableAvall in accordance with the installation instructions.
- Danger of explosion If battery Is Incorrectly replaced. Replace only with the same or equivalent type.
- The battery (battery or batteries or battery pack) shall not be exposed to excessive heal such as sunshine, fire or the like.
- Excessive sound pressure from earphones and headphones can cause hearing loss. Listening to music at high volume levels and for extended durations can damage one’s hearing. In order to reduce the risk of damage to hearing, one should lower the volume to a safe, comfortable level, and reduce the amount of time listening at high levels.
- The appliance coupler is used as disconnect device, the disconnect device shall remain readily Operable.
- When not in use and during movement. please take care of the power cord set, e.g. tie up the power cord set with cable tie or something like that. It shall be free from sharp edges and the like that can cause abrasion of the power cord set. When put into use again, please make sure the power cord set being not damaged. If any damages found, please look for the service person to replace the Power Cord set specified by the manufacturer Or have the same characteristics as the original one.
- Attention should be drawn to environmental aspectsof battery disposal.
- No naked flame sources, such as lighted candles, should be placed on the apparatus. To prevent the spread of fire, keep candles or other open dames away from the apparatus at all times.
- If the apparatus have the symbol
in its rating label and the power cord has two pins, it means that the equipment is a Class II or double insulated electrical appliance. It has been designed in such a way that it does not require a safety connection to electrical earth.(Only for Class II appliance) - Warning for Apparatus containing COIN / BUTTON CELL BATTERIES (Below instruction only used for the apparatus containing a user-replaceable coin/button cell battery) WARNING: Do not Ingest the battery, Chemical Burn Hazard (The remote control supplied w ith) this product contains a coin/button cell battery. If the coin/button cell battery Is swallowed, It can cause severe internal burns in just 2 hours and can lead todeath. Keep new and used batteries away from children. If the battery compartment does not close securely. stop using the product and keep it away from children. If you think batteries might have been swallowed or placed Inside any part of the body, seek Immediate medical attention.
This lightning flash with arrowhead symbol within an equilateral triangle is Intended to alert the user to the presence of non-insulated “dangerous voltage” within the product’s enclosure that may be of sufficient magnitude to constitute a risk of electric shock.
To reduce the risk of electric shock. Do not remove cover (or back). No user serviceable pads inside. Refer to qualified service personnel.
The exclamation point within an equilateral triangle Is intended to alert the user to the presence of important operating and maintenance instructions in the literature accompanying the appliance.- The following information are recommended to be included as far as applicable where applicable:
| Refer to alternating current(AC). | Refer to stand-by or power on. | ||
| Refer to direct current(DC). | Refer to power on. | ||
| Refer to Classll equipment. | Refer to dangerous voltage. | ||
![]() | |||
WEEE Directive
Correct Disposal of this product. This marking indicates that this product should not be disposed with other household wastes throughout the EU. To prevent possible harm to the environment or human health from uncontrolled waste disposal, recycle it responsibly to promote the sustainable reuse of material resources. To return your used device, please use the return and collection systems or contact the retailer where the product was purchased. They can take this product for environmental safe recycling.
Positioning the TV
- Install Display on solid horizontal surface such as a table or desk. For ventilation, leave a space of at least 10cm free all around the set. To prevent any fault and unsafe situations, please do not place any objects on top of the set. This apparatus can be used in tropical and/or .n. moderate climates.

Note: The Picture Is only for Reference - Fix the rear of enclosure to wall(only for some countries)
- Warning: Stability Hazard A television set may fall, causing serious personal injury or death. Many injuries, particularly to children, can be avoided by taking simple precautions such as:
- ALWAYS use cabinets or stands or mounting methods recommended by the manufacturer of the television set.
- ALWAYS use furniture that can safely support the television set
- ALWAYS ensure the television set is not overhanging the edge of the supporting furniture.
- ALWAYS educate children about the dangers of climbing on furniture to reach the television set or its controls.
- ALWAYS route cords and cables connected to your television so they cannot be tripped over, pulled or grabbed.
- NEVER place a television set in an unstable location.
- NEVER place the television set on tall furniture (for example, cupboards or bookcases) without anchoring both the furniture and the television set to a suitable support. –
- NEVER place the television set on cloth or other materials that may be located between the television set and supporting furniture.
- NEVER place items that might tempt children to climb, such as toys and remote controls, on the top of the television or furniture on which the television is placed.
If the existing television set is being retained and relocated, the same considerations as above should be applied.
Mounting on a Wall
- An optional wall mount can be used with your television. Consult with your local dealer to purchase the recommended wall mount bracket. Carefully attach the wall mount bracket at the rear of the TV. Install the wall mount bracket on a solid wall perpendicular to the floor. If you are attaching the TV to other building materials, please contact qualified personnel to install the wall mount. Detailed instructions will be included with the wall mount. Please use a wall mount bracket where the device is adequately secured to the wall with enough space to allow connectivity to external devices.

- Disconnect the power before moving or installing the TV. Otherwise electric shock may occur
- Remove the stand before installing the TV on a wall mount by performing the stand attachment in reverse.
- If you install the TV on a ceiling or slanted wall, it may fall and result in severe injury. Use an authorized wall mount and contact the local dealer or qualified personnel. Otherwise it is not covered by the warranty.
- Do not over tighten the screws as this may cause damage to the TV and void your warranty.
- To prevent injury, this apparatus must be securely attached to the wall in accordance with the installation instructions.
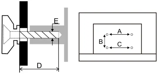
- Use the screws and wall mounts that meet the following specifications. Any damages or injuries by misuse or using an improper accessory are not covered by the warranty.
| Model Size: | 43″ | 50″ | ||||
| Top | Down | Top | Down | |||
| Screw | Diameter(mm)”E” | M6 | M6 | M6 | M6 | |
| Depth(mm) | Max | 20 | 15 | 26 | 26 | |
| Min | 12 | 5 | 22 | 22 | ||
| Quantity | 2 | 2 | 2 | 2 | ||
Note:
- The pictures are only for reference.
- For the TV sets with terminals towards the wall, in order to leave enough space to use the terminals, a plastic spacer is needed together with each screw to fix the wall mount. It is a small hollow pillar, the height of which is ?.30mm.

Precautions For Using Remote Control
- Use the remote control by pointing it towards the remote sensor. The items between the remote control and the remote sensor will interfere the normal operation.
- Do not make remote control vibrate violently. Also, do not splash liquid on the remote control, also do not put the remote control in high humidity place.
- Do not place remote control under direct sunlight which will cause deformation of the unit by heat.
- When the remote sensor is under direct sunlight or strong lighting, the remote control will not work. If so please change the lighting or TV’s position, or operate the remote control closer to the remote sensor.
- Before Bluetooth searching, please make sure you have turned external Bluetooth devices in the pairing mode. For the Bluetooth remote control supplied with the TV (may not be available), you can press and HOME buttons together to open its pairing mode. For other Bluetooth devices, please read their own instruction manuals for opening the pairing mode.
Precautions For Using Battery
Improper using of the battery will cause leakage. So please do as the following methods and use carefully.
- Please note the batteries’ polarity, to avoid short circuit.
- When the battery’s voltage is insufficient which affect the use range, you should replace new battery. Remove the batteries from the remote control unit if you do not intend to use it for a long time.
- Do not use different types of batteries (for example, Manganese and Alkaline batteries) together.
- Do not put the battery into fire, and charge or decompose the battery.
- Please dispose of batteries in compliance with relevant environmental protection regulations.
- WARNING: The batteries (battery pack or batteries installed) shall not be exposed to excessive heat such as sunshine, fire or the like.
Install Remote Control Batteries
Place two AAA size batteries in the remote control’s battery compartment, making sure to match the polarity markings inside the compartment.
TERMINAL CONNECTION
- AV IN
Receive audio and video signals from AV devices such as DVD.
- ANTENNA IN
Connect a coaxial cable to receive signal from the antenna, cable or satellite.
- USB
Connect a USB storage device.
- HDMI
Receive HD input signal from HDMI devices such as DVD.
- DIGITAL AUDIO OUT
Use an optical cable to output your TV’s audio signal to a compatible digital audio receiver.
- LAN
Wired network port.
- CI
CI card port.
Note:
- The pictures are only for references.
- Terminal quantities and names may vary depending on the region or model.
- External equipments and cables shown herein are not supplied with the TV.
REMOTE CONTROL
Note:
- The picture is only for reference.
- The image, buttons and functions of remote control may vary depending on the region or model.
- POWER
: Turn the TV on or to standby mode. - MUTE
: Mute or restore the TV sound. - Application Buttons: Access specific applications directly.
- ***Teletext Buttons***
- TEXT: Access or exit the teletext menu.
- REVEAL: Display or hide the concealed information.
- INDEX: Display index page.
- HOLD: Hold the teletext page on screen without updates or changes.
- *** USB Play Control Buttons***
- Play (►): Start the playback.
- Pause
: Pause the playback. - Fast Backward
: Fast backward the playback. - Fast Forward
: Fast forward the playback
- MIC (
): Start using the near field voice function. - SOURCE: Select the input source.
- MENU: Access the menu of quick settings.
- OK: Confirm, enter or execute the selected item, or show the list of Quick Button.
- Navigation Buttons
Navigate the menu to select the content you need. - BACK: Return to upper-level content, or exit the current screen.
- EXIT: Exit the current operation.
- HOME: Access the home page.
- GUIDE: Access the EPG interface in DTV mode.
- Volume Up/Down (VOL +/-): Adjust the sound volume.
- Program Up/Down (P n/v): Switch channels.
- SUBTITLE: Turn on or turn off the subtitle function.
- Number buttons (0-9): Select the channel directly, or input a number.
- INFO: Access the INFO interface.
- AD: Turn on or turn off the function of audio description.
- Color Buttons (R/G/Y/B): Execute the prompt function in specific mode.

BASIC OPERATION
E-Manual
E-Manual is built into your TV and can be displayed on the screen. To learn more about your TV features, access your E-Manual by referring to the following.
- Press HOME button to access the home page.
- Press
and OK button to select and enter “E-Manual” in “Apps”.
Note: The picture is only reference
Press Middle:
- In standby mode, press it to turn on the TV.
- In working status,
- Without the source list, short press it to access the source list.
- With the source list, short press it to enter the selected source.
- Long press it to exit the source list or turn the TV to standby mode.

Note: The Picture is Only for reference
Push Left/Right: Adjust the TV sound volume.
Push Upward/Downward: Switch channels, or select the input source in source list.
Eye-protection Function
Prolonged exposure to blue light may cause damage to your eyesight. This TV can protect your eyes by filtering the blue light. To enjoy it, please select <MENU —0 More —’ Picture —o Picture Mode —0 Movie> & <MENU – More —0 Picture —0 Color Temperature —• Warm>.
Note:
- Please don’t watch TV for long time, and please take a break every half an hour. looking into the distance will help your eyes have a good rest.
- Please take eye exercise regularly, which can improve blood circulation, relieve asthenopia and prevent myopia.
- The eye-protection function is only available for some models.
- Please take your actual TV set as the standard.
VOICE FUNCTION
Far Field Voice
Note: The picture is only for reference
- Switch of Far Field Microphones Turn on or turn off the microphones of far field voice function. Only after turning on the far field microphones, successfully connecting your TV to the network and signing in to your Google account, you can start to use the far field voice function by saying the hotword: “Ok Google” or “Hey Google”.
- Power Indicator Indicate the status of the TV power.
- Lit in green: working mode.
- Lit in red: standby mode.
- Unlit: power off.
- Far Field Microphone Microphones of far field voice function. It is best to keep yourself within 3 meters away from the far field microphones while using the far field voice function.
- Far Field Indicator Indicate the status of far field microphones and far field voice function.
- Lit in white: far field microphones are turned on, and far field voice function is being used.
- Unlit: far field microphones are turned on, and far field voice function is not being used.
- Lit in orange: far field microphones are turned off.
Near Field Voice
- Near Field Microphone Microphone of near field voice function. It is best to keep your mouth within 5 centimeters away from the near field microphone while using the near field voice function.
- Mic Button of Near Field Voice Function Press to start using the near field voice function. Only after successfully connecting your TV to the network, pairing the Bluetooth remote control with your TV and signing in to your Google account, you can press mic button to start using the near field voice function.

< Pair Bluetooth remote control with your TV >
For the remote control supplied with your TV, please finish pairing with your Android TV before using it for near field voice function. The pairing could be done at the first step of “Initial Setup”, or in “Settings”.
In settings, please refer to the following steps to pair the remote control:
- Select “HOME —p Settings —> Remotes & Accessories”.
- Press LEFT and HOME buttons simultaneously until there shows the name of your Bluetooth remote control on the TV searching interface.
- Press OK button to start pairing.
- It will show “Paired” after Bluetooth remote control is paired with the TV successfully.
TROUBLE SHOOTING
Before calling a service technician, please check the following table for a possible cause of the symptom and some solutions.
General Problem / Solution
- Remote control does not work
Change the batteries. Check if batteries are installed correctly. Check if main power is connected. Check if there are some items between remote sensor and remote control. - Poor Signal
This is usually caused by interference from electronic equipments or radio interference sources.
Picture & Sound / Solution
• No picture, no sound Check the signal source. Plug another electrical device into the outlet to check if it is working or turned on. Check if power plug is in good contact with the outlet.
No sound, picture OK
- If no sound, unmute the sound or increase the volume. Open the sound menu and adjust ‘Balance’.
Abnormal picture
For no color or bad picture quality, you may:
- Adjust the color option in menu settings.
- Keep the TV at a sufficient distance from other electronic products.
- Try another channel. Bad TV signal (Display mosaic or snowflakes)
- Check the signal cable and adjust the antenna.
- Fine tune the channel.
- Try anther channel.
Multimedia Player / Solution
- ‘This file is invalid’ /’Unsupported audio’ appears , or audio is normal but video is abnormal, or video is normal but audio is abnormal The media file maybe damaged, check if the file can be played on the PC.
- Check if video and audio codec is supported.
Network / Solution
- Network failure Check if the router works well. Make sure the TV has connected to the router successfully.
Browser / Solution
- Web page can not be displayed completely
Some third-party extensions of the current web page may not be supported, and please close the - current web page. Browser Is forced to be shut down
The current web page may include too many contents which cause there isn’t sufficient memory and the browser is closed.
SPECIFICATION
Note:
- Some specifications may vary by different regions or models.
- Hereby, [ Metz Consumer Electronics GmbH ] declares that the radio equipment type[ MUC8*Series ] is in compliance with Directive 2014/53/EU. The full text of the EU declaration of conformity is available at the following internet address: www.metzblue.com.
Working voltage: 100-240V-50/60 Hz
Dimensions without stand (W X H X D): 43″: 959.3×596.4×75.7mm 50″:1113x647x73.8 mm
Net weight without stand: 43″: 6.3 kg 50″: 9.0 kg
RF aerial input: Language of OSD: 75 ohm unbalanced Multiple options
System: DTV: DVB-T/T2/S/S2/C ATV: PAL/SECAM130/DK/1
Channel coverage: DVB-S/S2: [KU] 950MHz – 2150MHz [C] 5150MHZ ^ 5750MHz
DVB-7/72: 50MHz 862MHz
DVB-C: 48MHz 859MHz
ATV: 47.25MHz – 865.25MHz
Environment (only for Tropical climates zone): Working temperature: 5°C-40°C
Working humidity: 20%-80%
Storage temperature: -15″C-50°C
Storage humidity:10%-90%
Environment (only for Moderate climates zone): Working temperature: 5°C-40°C
Working humidity: 20%-80%
Storage temperature: -15°C-45°C
Storage humidity:10%-90%
| Radio Module Specifications | |||||||||||
| Wireless Network(WLAN) | |||||||||||
| Frequency Band | Transmitting Power(Max.) | ||||||||||
| 2.4G: 2412 – 2472 MHz 2422 – 2462 MHz 5G: Band I: 5180-5240 MHz 5190-5230 MHz 5210 MHz Band II: 5260-5320 MHz 5270-5310 MHz 5290 MHz Band III: 5500-5700 MHz 5510-5670 MHz 5530-5610 MHz | <20dBm | ||||||||||
| Bluetooth | |||||||||||
| Frequency Band | Transmitting Power(Max.) | ||||||||||
| 2.4020Hz-2.4800Hz | <20dBm | ||||||||||
| 1). 2). | Remark:
| ||||||||||
![]() | FR | OE | UK | IT | NI. | BE | LU | TR | |||
| IE | GR | ES | PT | AT | Fl | LI | |||||
| SE | CY | MT | PL | NU | CZ | SK | IS | ||||
| SI | EE | LV | LT | I3G | RO | 111‘ | NO | ||||
LICENSE
Google, Android TV, Google Play, Chromecast built-in, YouTube and other related marks and logos are trademarks of Google LLC.
The Adopted Trademarks HDMI, HDMI High-Definition Multimedia Interface, and the HDMI Logo are trademarks or registered trademarks of HDMI Licensing Administrator, Inc. in the United States and other countries.
For DTS patents, see http://patents.dts.com. Manufactured under license from DTS Licensing Limited. DTS, the Symbol, DTS and the Symbol together, and DTS Studio Sound are registered trademarks or trademarks of DTS, Inc. in the United States and/or other countries. CO DTS, Inc. All Rights Reserved.
Dolby, Dolby Vision, Dolby Atmos, and the double-D symbol are registered trademarks of Dolby Laboratories Licensing Corporation. Manufactured under license from Dolby Laboratories. Confidential unpublished works. Copyright (e) 2012-2020 Dolby Laboratories. All rights reserved.
Note:
- The pictures in this document are only for references.
- Appearances and specifications are subject to change without notice.
- In dry environment due to static electricity, the product may restart and return to the main OSD interface, USB player interface or the previous source mode. It is normal and please continue to operate the TV as you will.













This lightning flash with arrowhead symbol within an equilateral triangle is Intended to alert the user to the presence of non-insulated “dangerous voltage” within the product’s enclosure that may be of sufficient magnitude to constitute a risk of electric shock.


























