
USER MANUAL
LBC SERIES
BEAM CLAMP
(EN 13155)

WARNING!
This equipment should not be installed, operated, or maintained by any person who has not read and understood all the contents of this manual. Failure to read and comply with the contents of this manual may result in serious bodily injury or death and/or damage to property.
GENERAL
This user manual provides important information for all personnel involved with the safe installation, operation, and proper maintenance of this product.
When using beam clamps there are different kinds of risks that you may encounter which could result in personal injury or damage to property. It is, therefore, imperative that anyone involved in the installation, maintenance, or operation of the beam clamp is familiar with the contents of this user manual and follows the guidance set out in it.
SAFE OPERATION INSTRUCTIONS
- The beam clamp should be inspected for wear or damage prior to assembly and installation.
- NEVER use a beam clamp that is found to be defective in any way.
- Only ever attach a hoist with a rated capacity equal to or less than the capacity of the beam clamp.
- Ensure that the beam clamp is situated correctly over the center of gravity of the item being lifted.
- Do not subject the beam clamp so side loading.
- Never lift a load over people!
- Do not swing a suspended load.
- Always ensure that the beam clamp is properly tightened and that the lifting appliance is fitted correctly to the eye of the beam clamp.
- Do not modify the beam clamp in any way.
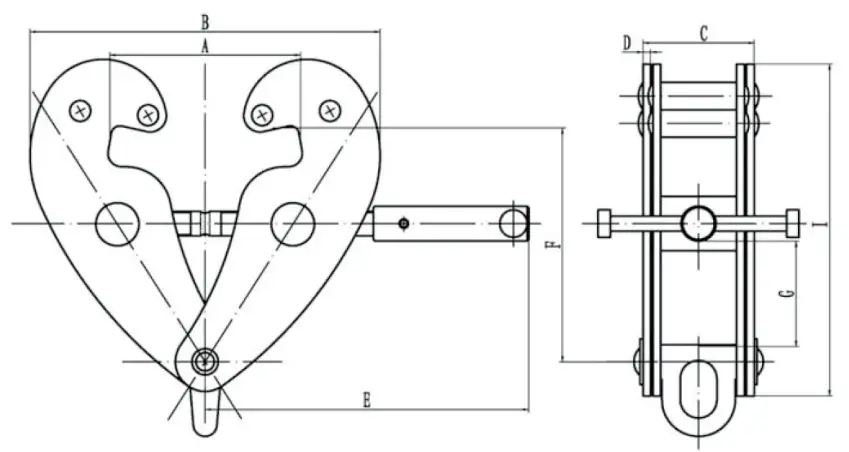
TECHNICAL SPECIFICATION

| Model | LBC-1T | LBC-2T | LBC-3T | LBC-5T | LBC-10T | |
| Capacity (t) | 1 | 2 | 3 | 5 | 10 | |
| Beam flange width (mm) | 75-230 | 75-230 | 80-320 | 90-310 | 90-320 | |
| Dimensions (mm) | A max | 270 | 270 | 350 | 350 | 365 |
| B min | 185 | 185 | 225 | 225 | 255 | |
| B max | 370 | 370 | 500 | 500 | 510 | |
| C | 80 | 85 | 117 | 125 | 158 | |
| D | 5 | 6 | 8 | 10 | 12 | |
| E | 220 | 220 | 265 | 265 | 280 | |
| F min | 90 | 90 | 140 | 140 | 170 | |
| F max | 165 | 165 | 225 | 225 | 235 | |
| G min | 25 | 25 | 45 | 45 | 50 | |
| Weight (kg) | 3.8 | 5 | 9 | 11 | 18.6 | |
EXPLODED VIEW DRAWING

| 1 Handle | 5 Screw mandrel |
| 2 Side plate | 6 Socket head cap screw |
| 3 Shackle | 7 Lever handle link cover |
| 4 Stay |
INSTALLATION
- Measure the width of the beam flange and open up the beam clamp accordingly.
- Place the beam clamp onto the beam flange and turn the threaded load bar using the handle to reduce the width until it clamps tightly on the beam.
MAINTENANCE
- Check the general condition of the beam clamp prior to use.
- In the event that any defective parts are found, remove the beam clamp from service immediately.
- Defective parts should be replaced with genuine items only.



















