SEALEY BC Series Beam Clamp 5tonne

Thank you for purchasing a Sealey product. Manufactured to a high standard, this product will, if used according to these instructions, and properly maintained, give you years of trouble free performance.
IMPORTANT: PLEASE READ THESE INSTRUCTIONS CAREFULLY. NOTE THE SAFE OPERATIONAL REQUIREMENTS, WARNINGS & CAUTIONS. USE THE PRODUCT CORRECTLY AND WITH CARE FOR THE PURPOSE FOR WHICH IT IS INTENDED. FAILURE TO DO SO MAY CAUSE DAMAGE AND/OR PERSONAL INJURY AND WILL INVALIDATE THE WARRANTY. KEEP THESE INSTRUCTIONS SAFE FOR FUTURE USE.
General
Identification
- Supplier: S ealey Power Products, Kempson Way, S uffolk Business Park, Bury St Edmunds, S uffolk, IP32 7AR.
- Model No: BC1000.V2, BC2000.V2, BC3000.V2, BC5000.V2
Technical Data
Rated Capacity
- BC1000.V2 – Safe Working Load (SWL) 1t (tested to 25% overload).
- BC1000.V2 – Working Load Limit (WLL) 1t (tested to 25% overload).
- BC2000.V2 – Safe Working Load (SWL) 2t (tested to 25% overload).
- BC2000.V2 – Working Load Limit (WLL) 2t (tested to 25% overload).
- BC3000.V2 – Safe Working Load (SWL) 3t (tested to 33% overload).
- BC3000.V2 – Working Load Limit (WLL) 3t (tested to 33% overload).
- BC5000.V2 – Safe Working Load (SWL) 5t (tested to 26% overload).
- BC5000.V2 – Working Load Limit (WLL) 5t (tested to 26% overload)
- design Capability: BC1000.V2 Test Load 25% overload.
- BC2000.V2 Test Load 25% overload.
- BC3000.V2 Test Load 33% overload.
- BC5000.V2 Test Load 26% overload.
- For a description of in-service and out-of-service conditions see S ection 3 Safety, Section 4 Maintenance and Section 6.
- design Capability: BC1000.V2 Test Load 25% overload.
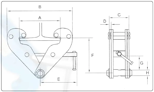
Note: Letters refer to dimensions shown in fig.1.
- Model No: BC1000.V2 BC2000.V2 BC3000.V2 BC5000.V2
- Capacity: 1000kg 2000kg 3000kg 5000kg
- A 260mm 260mm 390mm 400mm
- B 180-360mm 180-360mm 235-490mm 235-500mm
- C 64mm 74mm 103mm 110mm
- D 5mm 6mm 8mm 10mm
- E 215mm 235mm 270mm 290mm
- F 102-155mm 102-155mm 140-225mm 140-225mm
- G 25mm 25mm 45mm 45mm
- H 22mm 22mm 24mm 28mm Nett Weight: 4.2kg 4.95kg 9.1kg 10.9kg

SAFETY
- ensure that the beam clamp is in sound condition and in good working order. Take action for immediate repair or replacement of damaged parts. Use recommended parts only. The use of unauthorized parts may be dangerous and will invalidate the warranty.
- Ensure the support beam for the clamp is capable of withstanding a load of at least 1½ times the clamp safe working load.
- Keep the clamp clean for the best and safest performance.
- Locate the clamp in a suitable, well lit work area.
- Keep work area clean and tidy and free from unrelated materials.
- Ensure all non-essential persons keep a safe distance whilst the beam clamp is in use.
- Use a qualified person to lubricate and maintain the beam clamp.
- DO NOT exceed the rated capacity (safe working load) of the beam clamp.
- DO NOT allow anyone to stand or pass beneath the raised load.
- DO NOT use the beam clamp for purposes other than that for which it is intended.
- S tore the beam clamp in a dry, childproof area when not in use.
- Always ensure that the load to be slung does not exceed the rated capacity of the equipment being utilized. Also ensure that the structure to which the trolleys, clamps, hoists or blocks are attached meet or exceed the safety parameters as specified by the HSE.
- DO NOT allow the load to swing during operation and DO NOT subject the equipment, chains or straps to shock loads.
- WARNING! Failure to heed safety and warning instructions may result in damage and/or personal injury and will invalidate the
warranty.
NOTE: ENSURE YOU HAVE READ AND UNDERSTOOD THE SAFETY INSTRUCTIONS AT THE BEGINNING OF THIS SECTION BEFORE YOU OPERATE THE CLAMP
OPERATION
- (Refer to Section 5.2.1 regarding inspection before each and every use).
- Attach to a suitably rated beam that is capable of withstanding a load of at least 1½ times the clamps safe working load, open the jaws of the clamp to the required width, slide the clamp onto the beam and secure by tightening the locking bar, Connect the clamp to the load using a suitably certified sling or block. Ensure you are aware of the load weight, and check that it is within the capacity of the clamp and the sling/block or support beam.
- Lift only from directly above the load. WARNING! DO NOT LIFT THE LOAD AT AN ANGLE!
- When lowering loads be fully aware of your own and other persons’ locations in relation to the lowering load.
MAINTENANCE/ EXAMINATION/ INSPECTION
NOTE: The clamp MUST be kept clean and dry and must be maintained in accordance with these instructions.
- LUBRICATION.
- Oil threads and hinged parts monthly or when necessary.
- INSPECTION AND EXAMINATION OF CLAMP BEFORE USE.
- Before each use of the clamp you must perform an inspection for damage, loose or missing parts.
- The clamp must be examined immediately if it has been subject to an abnormal load or shock. It is recommended that such an examination is made by an authorised service agent.
- Unauthorized parts may be dangerous and will invalidate the warranty.
- Note! Please see the Definition of ‘inspection’ and ‘examination’ below. Inspection:
- Looking at the clamp for defects and checking the clamp for any signs of weakness. This is much more than a check but does not require any part of the clamp to be dismantled other than removal from the beam.
Examination: - Verification that the clamp can safely continue in service. An examination is more thorough than an inspection.
STORAGE
- Always lubricate threads and hinged parts before storing the clamp.
OWNER/ OPERATOR’S RESPONSIBILITIES
- The owner and/or operator shall study these instructions and retain them for future use.
- UNDERSTANDING INSTRUCTIONS AND WARNINGS.
- The owner and/or operator shall understand the operating instructions and warnings before operating the clamp. Warning information must be emphasised and understood. If the operator is not fluent in English, the product instructions and warnings must be read to, and discussed with, the operator in the operator’s native language by the owner, making sure the operator understands the contents.
- DAMAGED BEAM CLAMPS.
- Any clamp which appears to be damaged, badly worn, or operates abnormally MUST BE REMOVED FROM SERVICE! It is recommended that necessary repairs be made by an authorised service agent.
ENVIRONMENT PROTECTION
Recycle unwanted materials instead of disposing of them as waste. All tools, accessories and packaging should be sorted, taken to a recycling centre and disposed of in a manner which is compatible with the environment. When the product becomes completely unserviceable and requires disposal, drain any fluids (if applicable) into approved containers and dispose of the product and fluids according to local regulations.
Note: It is our policy to continually improve products and as such we reserve the right to alter data, specifications and component parts without prior notice. Please note that other versions of this product are available. If you require documentation for alternative versions, please email or call our technical team on [email protected] or 01284 757505.
Important: No Liability is accepted for incorrect use of this product.
Warranty: Guarantee is 12 months from purchase date, proof of which is required for any claim.
Sealey Group, Kempson Way, Suffolk Business Park, Bury St Edmunds, Suffolk. IP32 7AR
- 01284 757500
- 01284 703534
- [email protected]
- www.sealey.co.uk


















