LSI DQL011.1 Ultrasonic Level Sensor

Introduction
Main features
DQL011.1 is an ultrasonic sensor for measuring the height of the snowpack. The robust design of DQL011.1 makes it the ideal solution for reliable measurement of snow-depth in extreme conditions. The additional air temperature detection feature guarantees precise readings over a wide temperature range. The ultrasonic impulses emitted by this sensor deliver reliable readings even when there is a difficult reflection ratio, as is the case with powdery or fresh snow. The sensor is characterized by a high level of operating reliability, low energy consumption and ease of use in the field. It has two 4÷20 mA current analog outputs, for snow level and air temperature, and one of the RS-485 serial type with Modbus RTU protocol. DQL011.1 can be connected to LSI LASTEM data logger to other systems that use the same type of inputs.
Technical specifications
| DQL011.1 | ||
| Snow level | Principle | Ultrasonic (frequency 50 Hz) |
| Measurement range | 0.7÷10 m (snow distance from the sensor) | |
| Resolution | 1 mm | |
| Accuracy | <0.1% full scale | |
| Beam width | 12° | |
| Air temperature | Principle | Semiconductor in radiant shield |
| Measurement range | -40÷60 °C | |
| Resolution | 0.1 °C | |
| Accuracy | <0.15% | |
| General information | Power supply | 9÷28 Vdc |
| Power consumption | Typically: 40 mA, 300 mA (peak, 50 ms), 0.4 mA (stand-by) | |
| Energy consumption | 0.5 Ah/day (1 min measuring interval) | |
| Serial output | RS- 485 with Modbus RTU protocol: · Snow level · Snow distance · Air temperature · Status of snow | |
| Analog outputs | Current 2 x 4÷20 mA · Snow level or distance · Air temperature | |
| Electrical connection | 8 pin connector | |
| Operative temperature | -40÷60 °C | |
| Protection grade | IP 66 | |
| Weight | 1.2 kg | |
| Material | Aluminum | |
| Installation | H 3÷10 m (default 3 m) using DYA047 support on ∅ 45÷65 mm mast | |
| Data logger compatibility | M-Log, R-Log, E-Log, ALIEM, Alpha-Log | |
Installation
For the installation of the DQL011.1 sensor, choose a site representative of the monitored area, which is exposed to the wind as little as possible, free of buildings, trees, boulders, fences and other surrounding obstacles that could alter the measurements. The terrain must be flat or only slightly sloping. Also, for safety, the site should be safe from possible avalanches.
General safety standards
Read the following safety standards to avoid personal injuries and to prevent damages to this product or to the devices connected to it. Use this product strictly in the indicated way to avoid damages. Only the support staff is authorized to perform the setup and managing procedures. Power the instrument properly. Observe the power voltage indicated for the instrument model owned. Connect the instrument properly. Follow meticulously the wiring diagram provided with the equipment. Do not use the product if a malfunction presence is suspected. If the existence of a malfunction is suspected, do not power the instrument and ask for assistance to the qualified support staff. Before any operation on electrical connections, power, sensors and communication devices:
- turn off the power
- discharge the accumulated electrostatic charges touching a conducting material or a grounded device
Mechanical installation
It is recommended to mount the DQL011.1 sensor one meter above the maximum expected level and minimum 3 m above ground. If a snow-depth monitoring site needs to be secured by a fence, the distance between the fence and the sensor should be large enough to avoid snow build-up or snow drift. For installation, refer to the documentation supplied with the DQL011.1 sensor.
Electrical connections
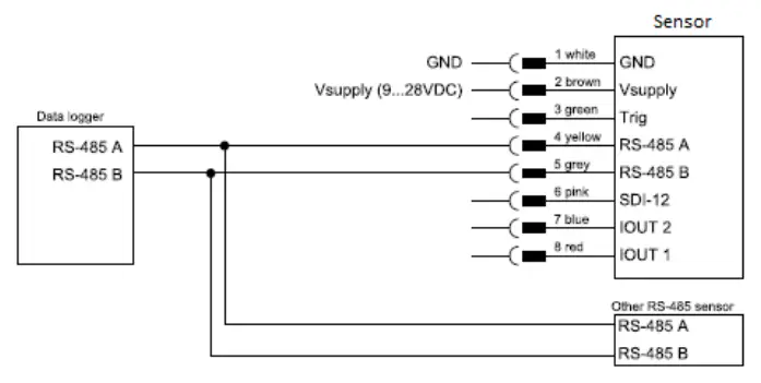
All connections are made through the 8-pole male connector located on the side of the DQL011.1 sensor. The following table shows the numbering and function of the connector contacts.
| Connector pin | Color | Signal | Description |
| 1 | White | GND | Common analog output / Negative power supply |
| 2 | Brown | V + | Positive power supply (9÷28 Vdc) |
| 3 | Green | Trig | Positive serial reception (input) |
| 4 | Yellow | RS-485 A | “DATA +” RS-485 (D+) output |
| 5 | Grey | RS-485-B | “DATA –” RS-485 (D-) output |
| 6 | Pink | SDI-12 | SDI-12 output |
| 7 | Blue | IOUT-2 | Positive analog output 2 (air temperature) |
| 8 | Red | IOUT-1 | Positive analog output 1 (level/distance) |
RS-485 serial connection

For more information about RS-485, consult l’EIA (Electronic Industries Association).
Analog output connection
The OUT 1 and OUT 2 outputs are associated respectively with the level (or distance) of the snow and the air temperature.
Connection to LSI LASTEM data loggers
To connect the wires to the LSI LASTEM data loggers, refer to the documentation supplied with the DQL011.1 sensor.
Testing and adjustment
After mounting the DQL011.1 it is advisable to adjust some parameters related to its position.
- Access to the sensor configuration (§3.1).
- Enter in Level and distance menu.
- Go to Level/distance test… to perform a test reading.
- Modify the Distance to zero level parameter according to the value read in the test of point 3.
- Press X to return to the main menu, then access to Technics and then IOUT1 settings.
- Modify the parameter IOUT1, 4-20 mA span according to the value read in the test of point 3.
- Press X to return to the main menu.
- Repeat point 3 to check the accuracy of the measurement. If necessary, repeat the adjustment procedure.
DQL011.1 Sensor configuration
DQL011.1 is already configured for use with LSI LASTEM data loggers, with both current and Modbus RTU output. These are the operating parameters:
| General settings | |
| A – Measurement trigger | All allowed (interval, trig input, serial command) |
| B – Measurement interval | 60 s |
| CD – Distance to zero level | 3000 mm |
| CE – Application | snow |
| DJA – Baudrate | 9600 bps |
| DJB – Parity, stop bits | no par, 1 stop |
| DJE – Flow control | off |
| Analog output | |
| DFA – Output status | Just during trig |
| DFB – IOUT1, function | Level |
| DFC – IOUT1, 4-20 mA span | 3000 mm |
| DFD – IOUT1, 4 mA value | 0 mm |
| DFE – IOUT2, function | value, temperature |
| Digital output | |
| DIC – Output protocol (OP) | Modbus |
| DID – OP, measurement output | Just per command |
| DII – MODBUS, device address | 1 |
Below are other parameters that differ from the default configuration
| Parameter | Value |
| CF – Moving filter, duration | 180 s |
| CG – Moving filter, type | elim. all spikes |
| DID – OP, measurement output | just per command |
| DIE – OP, information | & analysis values |
| DJC – Minimum response time | 30 ms |
| DJD – Transmitter warm-up time | 10 ms |
Access to the configuration
By means of a terminal emulation program, such as Windows Hyper terminal, it is possible to modify the sensor configuration parameters from the PC by connecting via the USB / RS-485 cable supplied.
To access the configuration, proceed as follows:
- Connect the cable with the L-connector to the sensor.
- Connect the cable wires to the USB/RS-485 converter:
- yellow: terminal A
- gray: terminal B
- Connect the cable wires to the power supply*:
- brown: + Vcc
- white: – Vcc
*E-Log and ALIEM supplies 12 Vdc on terminals 31+, 32-, while M-Log and R-Log on terminals 28-, 30+. Alpha-Log on terminals 14+, 16-.
- Connect to the PC the USB/RS-485 device supplied and identify the serial port associated to the device.
- Start the terminal emulation program and choose the serial port number identified in the previous point, then set the communication parameters to 9600 bps, 8 data bits, None Parity, 1 Stop bit, No flow control.

When the sensor is switched on, the message appears on the terminal: Boot USH-9 1_83r00 S00 D01! Init done! Press the ? key three times to access to the configuration menu. The menu items can be selected by entering the letter assigned to each item. Upon selection a submenu is opened, or the selected parameter is displayed with its unit. Changes to values are confirmed with Enter or discarded with Esc. Menus are closed with X. After closing the main menu with X the sensor performs an initialization. The meaning of the most important operating parameters is reported in the following chapters.
General settings
Measurement trigger
Measurements are initiated by one of the options listed in the table below.
| Option | Value | Description |
| 1 | Interval (default) | Measurements are initiated in a specified interval. |
| 2 | TRIG input | Measurements are triggered by the positive edge of a DC-voltage signal applied to the TRIG input (low: 0 … 0.6 V, high: 2.2 … 28 V, pulse duration must be ≥500 ms, delay between pulses must be ≥500 ms). |
| 3 | SDI-12/RS-485 | Measurements are externally triggered by commands via RS-485 or SDI-12 from, i.e., a data logger. |
| 4 | All allowed | Measurement is triggered by all options mentioned above. |
Measurement interval
An internal measurement interval can be set. If selected in menu item Measurement trigger, measurements are performed in the defined interval. However, measurement is always completed before a new one is initiated.
OP, information
The main measurement values are always included in the data output string. Additionally, special and analysis values can be included.
| Option | Value | Description |
| 1 | main values | Only the main values are returned. |
| 2 | & special values (default) | Main values and special values are returned. |
| 3 | & analysis values | Main, special and analysis values are returned. |
Level/distance measurements
Distance to zero level
It is the distance between the sensors lower edge and the ground surface (e.g. lowest point of river bed, ground without snow).
Application
It activates the settings for specific applications as listed in the following table:
| Option | Value | Description |
| 1 | snow (default) | Settings for snow applications are active. These settings include precipita- tion detection and snowfall limits (see Status limits and Advanced settings menu). Rate of change filtering (RoC, max. without precip. (./h) and RoC, max. at precip. (./h)) is active. |
| 2 | water | Settings for water application are active. Precipitation detection and rate of change filtering (RoC) are deactivated. |
| 3 | others | Settings for water and snow applications are inactive. Used for generic level/distance measurements. A constant rate of change filter (Rate of change, maximum (./h)) is active. |
ATTENTION! By default the sensor is configured for snow-depth measurements. If the instrument is used for water level monitoring, adapt its configuration for water level measurements (§3.4.2).
Moving filter, duration
Every level/distance measurement is stored internally in a buffer for filtering. This setting defines the length of the time window of which the data are stored in the buffer. If the buffer is full, the oldest value is replaced by the most recent one.
Moving filter, type
The level/distance values in the buffer can be filtered by one of the following options:
| Option | Value | Description |
| 1 | average | The mean value of all buffered values is calculated. |
| 2 | elim. neg. spikes | To eliminate negative spikes, the mean value is calculated without the 5 lowest buffered values. If the buffer size is smaller than 10, half of the val- ues are eliminated. |
| 3 | maximum | The highest value from the buffer is returned. |
| 4 | median | The median value of the buffered data is returned. |
| 5 | elim. pos. spikes | To eliminate positive spikes, the mean value is calculated without the 5 highest buffered values. If the buffer size is smaller than 10, half of the val- ues are eliminated. |
| 6 | elim. all spike (default) | To eliminate positive and negative spikes, the mean value is calculated without the 5 highest and 5 lowest buffered values. If the buffer size is smaller than 15, two third of the values are eliminated. |
Application
Configuring the DQL011.1 sensor for snow measurements
By default the sensor is configured for snow applications. This can be checked in the setting Application, which is set to snow.
If the sensor needs to be re-configured for snow applications, set:
- Application to snow.
- Moving filter, duration to 180 seconds.
- Moving filter, type to elim. all spikes.
ATTENTION! Make sure to upload the modified parameters to the sensor and test the new settings (§2.4).
Configuring the DQL011.1 sensor for water level measurements
If the sensor is used for level monitoring, set:
- Application to water.
- Moving filter, duration to 0 seconds.
- Moving filter, type to median.
ATTENTION! Make sure to upload the modified parameters to the sensor and test the new settings (§2.4)
Data output
The measurement values returned by the sensor are arranged in a fixed sequence and identified by an index. They are divided into three groups and can be selected in OP, information.
Main values
| Index | Value (measurement unit) | Description |
| 01 | Level (mm) | Level measurement. |
| 02 | Distance (mm) | Distance measurement. |
| 03 | Temperature (°C) | Air temperature measurement. |
| 04 | Status (-) | Status of snow cover, 3-digit number: · 100 snowfall · 010 snow cover emerges · 001 snow-depth limit exceeded Combinations may occur, e.g. 110, signaling that snowfall and an emerg- ing snow cover are detected. |
NOTE! Status is a logic combination of the parameters listed in menu Status limits.
Special values
| Index | Value (measurement unit) | Description |
| 05 | Precipitation (-) | Dimensionless value representing precipitation type and intensity. Its range is 0 to 1000, where 1000 is the most intensive precipitation that can be expected. The value strongly depends on the type of precipitation: wet snow that falls in large flakes gives high values, cold, small flakes give low- er values even though snowfall can be intense. Rain generally gives lower values than snow. The precipitation value is used to optimize the rate of change filter (RoC) that is affected by reflections of precipitation. It cannot substitute a rain gauge. |
| 06 | Signal quality (dB) | SNR (signal to noise ratio). |
| 07 | Std. deviation (mm) | Standard deviation of the measured level. |
| 08 | Supply voltage (V) | Power supply voltage. |
Analysis values
| Index | Value (measurement unit) | Description |
| 09 | Signal focus (dB) | Diagnostic variable. |
| 10 | Signal strength (dB) | Diagnostic variable. |
| 11 | Half-value width (%) | Diagnostic variable. |
| 12 | Noise ratio 50 (%) | Diagnostic variable. |
| 13 | Noise ratio 85 (%) | Diagnostic variable. |
| 14 | Echo amp. (-) | Diagnostic variable. |
| 15 | Var. 1 (-) | Diagnostic variable. |
| 16 | Var. 2 (-) | Diagnostic variable. |
| 17 | Var. 3 (-) | Diagnostic variable. |
| 18 | Dist. max. echo (mm) | Diagnostic variable. |
| 19 | Dist. last echo (mm) | Diagnostic variable. |
| 20 | Distance 0 C (mm) | Diagnostic variable. |
| 21 | Case temperature (°C) | Diagnostic variable. |
| 22 | Error code1 (-) | Diagnostic variable. |
Exception values
| Value | Description |
| 9999.998 | Initial value: No measurement has been performed yet (position of decimal character is irrelevant). |
| 9999.997 | Conversion error: Caused by a technical problem (position of decimal character is irrelevant). |
| 9999999 | Positive overflow. |
| -9999999 | Negative overflow. |
RS-485
OP, measurement output
The serial data output can be triggered in the following ways:
| Option | Value | Description |
| 1 | just per command | The output is only requested by commands via the RS-485 or SDI-12 inter- face. |
| 2 | after measurement (default) | The serial data output is performed automatically right after each meas- urement. |
| 3 | pos. TRIG slope | The output is triggered by a positive edge of a control signal applied to the trigger input. |
NOTE! If OP, measurement output is set to pos. TRIG slope, the data are returned with a delay of 200 ms after the trigger has been set. Make sure that your data acquisition system takes account of this lag to ensure that it receives the most recent data. The selected combination of Measurement trigger and measurement output determines the following operation modes:
| Parameter | O p e r a t i o n m o d e | ||
| Pushing | Polling | Apparent polling | |
| Measurement trigger | internal | TRIG input SDI-12/RS-485 | TRIG input SDI-12/RS-485 |
| OP, measurement output | after measurement | just per command | after measurement |
LSI Lastem data logger configuration
The DQL011.1 sensor is configured to work with both analog and digital outputs. Configure the type of sensor output based on the data logger in use.
| Sensor outputs | ||
| Data logger | Analog (2 x 4÷20 mA) | Digital (RS-485 Modbus RTU) |
| Alpha-Log | X | |
| ALIEM | X | |
| E-Log | X | X |
| M-Log | X | X |
| R-Log | X | X |
Use of analog outputs
To use the sensor with analog outputs, start the 3DOM program and proceed as follows:
- Open the current configuration of the data logger.
- Add the DQL011.1 An sensor from the sensor library.
- Then, for each measurement:
- In the General tab, adapt the name to the type of measurement selected (distance or level). If you use multiple sensors of the same type, customize the name of the measures to distinguish them from each other.
- In the Parameters tab, modify the parameters of the User scale based on the values set in the IOUT1 output of the sensor (§2.4).
- In the Elaborations tab, choose the desired elaborations.
- Save the configuration and send it to the data logger.
Use of digital output
To use the sensor with analog outputs, start the 3DOM program and proceed as follows:
- Open the current configuration of the data logger.
- Add the DQL011.1 Dig sensor from the sensor library. If the data logger in use is Alpha-Log, you will be asked to set the Modbus as input type and the communication parameters of the serial port where the sensor will be connected.
- Then, for each measurement:
- In the General tab, adapt the name to the type of measurement selected (distance or level). If you use multiple sensors of the same type, customize the name of the measures to distinguish them from each other.
- In the Elaborations tab, choose the desired elaborations.
- If the data logger in use is E-Log, set the Modbus protocol and the communication parameters of the sensor in the serial line 2 of the data logger.
- Save the configuration and send it to the data logger.
Modbus-RTU
The DQL011.1 sensor implements the Modbus protocol in RTU slave mode.
Supported commands
The sensor supports the Read input registers (0x04) command for accessing the acquired data. If the data request refers to an incorrect command or register, the sensor does not generate any response message.
Map of registers
Main value
| # Register | Register address | Data | Bytes | Format |
| 1 | 0x00 | 2.7519 hardcoded test value | 4 | float |
| 2 | 0x02 | Level (mm) | 4 | float |
| 3 | 0x04 | Distance (mm) | 4 | float |
| 4 | 0x06 | Air temperature (°C) | 4 | float |
| 5 | 0x08 | Status (-) | 4 | flaot |
Special value
| # Register | Register address | Data | Bytes | Format |
| 6 | 0x10 | Precipitation (-) | 4 | float |
| 7 | 0x12 | Signal quality (dB) | 4 | float |
| 8 | 0x14 | Std. deviation (mm) | 4 | float |
| 9 | 0x16 | Supply voltage (V) | 4 | float |
Analysis values
| # Register | Register address | Data | Bytes | Format |
| 10 | 0x18 | Signal focus (dB) | 4 | float |
| 11 | 0x20 | Signal strength (dB) | 4 | float |
| 12 | 0x22 | Half-value width (%) | 4 | float |
| 13 | 0x24 | Noise ratio 50 (%) | 4 | float |
| 14 | 0x26 | Noise ratio 85 (%) | ||
| 15 | 0x28 | Echo amp. (-) | ||
| 16 | 0x30 | Var. 1 (-) | ||
| 17 | 0x32 | Var. 2 (-) | ||
| 18 | 0x34 | Var. 3 (-) | ||
| 19 | 0x36 | Dist. max. echo (mm) | ||
| 20 | 0x38 | Dist. last echo (mm) | ||
| 21 | 0x40 | Distance 0 C (mm) | ||
| 22 | 0x42 | Case temperature (°C) | ||
| 23 | 0x44 | Error code1 (-) |
The Modbus address of the sensor is 1 while the communication parameters are set to 9600 bps, no parity, 8 bits, 1 stop bit and no flow control. For more information about the Modbus-RTU protocol, visit the website www.modbus.org.
Maintenance
Periodic maintenance
The absence of moving parts minimizes sensor maintenance. However, the device should be inspected occasionally for damage and a dirty sensor surface. To remove dirt use a wet cloth with little force.
ATTENTION! Do not use any abrasive detergent or scraping tool.
Testing
This type of testing is only required if the user wishes to verify the well functioning of each part of the instrument. Please note that these tests are not intended to establish the operational limitations of the instruments.
Functional check for 4÷20 mA current output
To check the current output, you can use the Simulate current output… function. The operation requires the use of a PC, equipped with an RS-232 port, with a terminal emulation program and the USB/RS-485 cable supplied.
- Connect the PC to the sensor and access the configuration (§3.1).
- Enter in the Technics menu, then IOUT Settings.
- Choose the Simulate current value… function and enter the level/distance value to simulate.
- Connect the multimeter to the first analog output (§2.3.2) and take the corresponding measurement.
In the table below some example value with the sensor scale set to 0÷3 m:
| Value (mm) | Level / Distance output (mA) |
| 0 | 4 / 20 |
| 1500 | 12 |
| 3000 | 4 / 20 |
Functional check for RS-485 Modbus-RTU output
The RS-485 digital output can be checked using a PC, equipped with an RS-232 serial port, with the third party mod poll program (https://www.modbusdriver.com/modpoll.html) and the USB / RS-485 cable supplied.
- Connect the PC to the sensor and access the configuration (§3.1).
- Open a DOS Prompt window and type the following command (it is assumed that the transmission parameters are set as follows: Baudrate: 9600 bps, Parity: None and that the PC serial port used is COM1):
- modpoll -a 1 -r 2 -c 5 -t 3:float COM1 [Enter]
For the list of available commands, type the command modpoll /help. [CTRL] + [C] to stop the program.
Disposal
This product is a device with high electronic content. In accordance with the standards of environmental protection and collection, LSI LASTEM recommends handling the product as waste of electrical and electronic equipment (RAEE). For this reason, at the end of its life, the instrument must be kept apart from other wastes. LSI LASTEM is liable for the compliance of the production, sales and disposal lines of this product, safeguarding the rights of the consumer. Unauthorized disposal of this product will be punished by the law.
How to contact LSI LASTEM
In case of a problem contact the LSI LASTEM technical support sending an e-mail to [email protected],
or compiling the technical support request module at www.lsi-lastem.com.
For further information refer to the addresses and numbers below:
- Phone number: +39 02 95.414.1 (switchboard)
- Address: Via ex S.P. 161 – Dosso n. 9 – 20049 Settala (MI)
- Web site: www.lsi-lastem.com
- Commercial service: [email protected]
- After-sales service: [email protected], Repairs: [email protected]


















