LSI DNB146 3 Axis Ultrasonic Anemometer

Description
Main features
DNB146 is 3-axes ultrasonic anemometer for measuring surface wind speed and wind direction. It is ideal for general meteorological applications requiring high wind speed range, no moving parts for low-maintenance or measurements with fast response even in very low-range wind speed conditions. The sensor is equipped with a magnetic compass for automatic alignment to the Magnetic North.It has 5 4÷20 mA analog outputs and a digital output on RS-485 serial with Modbus-RTU protocol. The anemometer can be connected to LSI LASTEM acquisition systems, or any other device using such kind of input.
Technical specifications
| DNB146 | ||
| Wind speed | Principle | Ultrasounds |
| Measuring range | 0÷70 m/s | |
| Resolution | 0.01 m/s | |
| Accuracy | ± 1% read value | |
| Wind direction | Principle | Ultrasounds |
| Measuring range | 0÷360° | |
| Resolution | 0.1° | |
| Accuracy | ± 1° | |
| Sonic temperature | Range | -40÷60 °C |
| Resolution | 0.1°C | |
| Accuracy | ± 1° | |
| Compass | Range | 0÷3600/10° |
| Resolution | 0.1° | |
| Accuracy | ± 1° | |
| General features | Power supply | 12÷30 Vdc |
| Power consumption | 110 mA @ 15 Vdc | |
| Serial output | RS-485: · Wind speed · Wind direction · Elevation · Sonic temperature · Compass · Errors | |
| Communication protocols | Modbus-RTU | |
| Analog outputs | 5 x 4÷20 mA (max. load 500 Ω) · Wind speed · Wind direction · Elevation · Sonic temperature · Compass | |
| General features | Electrical connection | 26-pole male connector |
| Operating temperature | -40÷60 °C | |
| Protection degree | IP 66 | |
| Weight | 1500 g | |
| Housing | Luran/aluminum | |
| Mounting | On mast ∅ 33 mm On mast ∅ 55 mm (using DNB192 adapter – not included) | |
| Data logger compatibility | Analog outputs: · M-Log code ELO008 (one quantity must be excluded) · R-Log code ELR515 (one quantity must be excluded) · E-Log · ALIEM RS-485 digital output: · Alpha-Log · E-Log code ELO3305.1 |
Installation
For the installation choose a well-exposed spot for the anemometer. The WMO (World Meteorological Or-ganization) suggests that the sensor should be assembled 10 m off the ground; in a place where the dis-tance between the anemometer and surrounding obstacles which might disturb the measurements is at least 10 times the height of those objects from the ground. As such a position is difficult to find, the WMO suggests that the sensor should be assembled in a spot which is reasonably uninfluenced by local obstruc-tions.
General safety rules
Please read the following general safety rules to avoid injuries to people and prevent damages to the prod-uct or to possible other products connected with it. To avoid any damages, use this product exclusively ac-cording to the instructions herein contained. The installation and maintenance procedures must be carried-out only by authorized and skilled service personnel. Power the instrument in a suitable manner. Pay attention and observe the power supplies like indicated for the model in your possession. Carry-out all connections in a suitable manner. Pay strict attention to the connection diagrams supplied with the instrument. Do not use the product in case of suspected malfunctions. In case of suspected malfunction, do not power the instrument and contact authorized technical support immediately. Before you carry-out any operation on electrical connections, power supply system, sensors and communi-cation apparatus:
- Disconnect the power supply.
- Discharge the accumulated electrostatic discharges touching an earthed conductor or apparatus.
Mechanical installation
- Mount the anemometer on the mast ∅ 33 mm. In case of mast ∅ 50 mm, use the DNB192 adapter.

- Screw the 26-pole fe-male connector of the cable to the anemome-ter. Ensure connection stability by tightening the connector external nut.

- The anemometer does not require positioning as the orientation is determined by the internal com-pass. However, if it must be disa-bled (§3.3), for example due to magnetic interference with sur-rounding metallic objects, it must be positioned with the metal sup-port opposite the connector facing Nord.

- Once the align-ment is complete, fix it on the sup-port mast by tight-ening the cable tie at the bot-tom of the anemometer.

Please note the following:
- The anemometer measures the provenience of the wind.
- The measure refers:
- to magnetic North if the compass is active (default condition)
- to geographical North (support reference opposite the connector) if the compass is disabled
- Geographical North differs from magnetic North indicated by the compass; the difference, called magnetic declination, depends on the area in which the sensor is installed; for example, in North America it is about 15° while in Europe it is less than 3°.
Electrical connections
All connections are performed through a 26-pole male connector situated at the bottom of the anemome-ter. The figure and the table below show numbers and function of the connector contacts:

| Pin connector | Signal | Description | Cable wire color |
| H | PWR- | Negative Power Supply | Brown |
| J | PWR- (TX+*) | Negative Power Supply (Tx B RS-422*) | Black |
| G | PWR+ | Positive Power Supply | Grey & Brown |
| K | PWR+ (TX-*) | Positive Power Supply (Tx A RS-422*) | Red |
| F | DATA + (RX+*) | Pole B RS-485 (Rx B RS-422*) | White & Green |
| W | DATA – (RX-*) | Pole A RS-485 (Rx A RS-422*) | Grey |
| X | SG | Ground RS-232 | Yellow |
| Y | TXD | Tx data RS-232 | White & Yellow |
| L | RXD | Rx data RS-232 | Yellow & Brown |
| E | OUTV1 | Analog Out voltage 1 | Pink & Brown |
| V | OUTV2 | Analog Out voltage 2 | Red & Blue |
| c | OUTV3 | Analog Out voltage 3 | Grey & Red |
| Z | OUTV4 | Analog Out voltage 4 | Brown & Green |
| M | OUTV5 | Analog Out voltage 5 | Green |
| D | REF | Analog ground | Blue |
| U | OUTmA1 | Analog Out current 1 | Pink |
| b | OUTmA2 | Analog Out current 2 | White |
| a | OUTmA3 | Analog Out current 3 | White & Grey |
| N | OUTmA4 | Analog Out current 4 | White & Red |
| C | OUTmA5 | Analog Out current 5 | Violet |
| T | Q0 | Reserved | – |
| S | Q1 | Reserved | – |
| P | Q2 | Reserved | – |
| B | Q3 | Reserved | – |
| A | Q4 | Reserved | – |
| R | SHIELD | Shielding | Shield |
RS-485 serial connection

For more information regarding RS-485, consult the EIA (Electronic Industries Association).
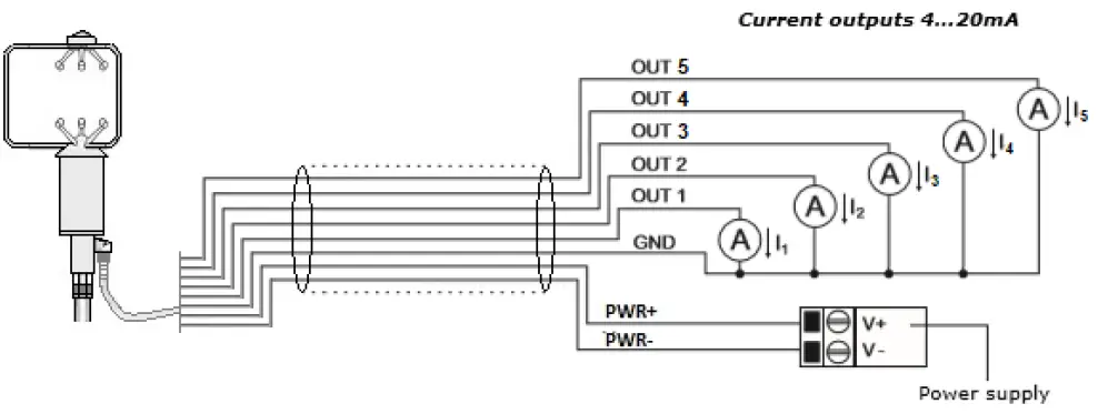
Analog Output connection

Connection to LSI LASTEM data logger
For the wiring connection to LSI LASTEM data logger see the DISACC200074 supplied with the anemometer.
Configuration
The DNB146 anemometer is ready for working with LSI LASTEM data loggers. The table below shows its configuration
| Path\Parameter | Description | Value |
| Baud | Communication speed of the serial ports | 9600 bps |
| Threshold | Minimum wind speed threshold | 0.02 m/s |
| Average interval | Time interval of the average calculation | 1 s |
| Analog output\ma-V Ranges | Analog output type and range | 4÷20 mA |
| Output quantity\user | Sensor output quantities (AN1, AN2, AN3, AN4, AN5) | 789tce (Wind speed, Wind direction, Elevation, Sonic temperature, Compass) |
| Wind Units | Wind speed unit of measurement | m/s |
| COMM Mode | Method of communication | ModBusRTU |
| COMM Mode\ModBusRTU | Serial data format | 8N1 |
| ID | Modbus address | 1 |
Connecting PC to the sensor
By means of a terminal emulation program, such as Windows Hyper terminal, it is possible to modify the sensor configuration parameters from the PC by connecting via an RS-232/RS-485 converter (not supplied). To access the configuration, proceed as follows:

- Connect the cable to the sensor.
- Connect the cable wires to the RS-232/RS-485 converter:
- White & Green: Data +
- Grey: Data –
- Connect the cable wires to the power sup-ply*:
- Grey & Brown: + Vcc
- Brown: – Vcc
E-Log supplies 12 Vdc on terminals 31+, 32-, while M-Log and R-Log on terminals 28-, 30+. Alpha-Log on terminals 14+, 16-.
- Connect the RS-232/RS-485 converter to the PC and identify the serial port number associ-ated to the device.
- Start the terminal emulation program and choose the serial port number identified in the previous point, then set the communica-tion parameters to 9600 bps, 8 data bits, None Parity, 1 Stop bit, No flow control.
Accessing the configuration
Once the anemometer has been connected to the PC (§3.1), turn on the sensor and check the reception of the values on the terminal.
Press the key ? to access the main menu. The menu items can be selected by entering the let-ter assigned to each item. Upon selection a submenu is opened or the selected parameter is displayed with its value. Changes to values are confirmed with Enter or discarded with Esc. If no key is pressed on the PC, the sensor spontaneously returns to the previous menu until exiting Setup.

Disabling compass
To disable the compass, connect the anemometer to the PC (§3.1), turn on the sensor and hold down the # key. Then proceed with the configuration for operation with manual North orientation. To position the sensor, refer to §2.2.
LSI Lastem data logger configuration
The DNB146 sensor is configured to work with both analog and digital outputs. Configure the type of sensor output based on the data logger in use.
| Sensor outputs | ||
| Data logger | Analog (5 x 4÷20 mA) | Digital (RS-485 Modbus RTU) |
| Alpha-Log | X | |
| ALIEM | X | |
| E-Log | X | X |
| M-Log | X* | X |
| R-Log | X* | X |
Use of analog outputs
To use the sensor with analog outputs, start the 3DOM program and proceed as follows:
- Open the current configuration of the data logger.
- Add the DNB146 An sensor from the sensor library.
- Then, for each measurement:
- In the General tab, if you use multiple sensors of the same type, customize the name of the measures to distinguish them from each other.
- In the Elaborations tab, choose the desired elaborations.
- Save the configuration and send it to the data logger.
Use of digital output
To use the sensor with analog outputs, start the 3DOM program and proceed as follows:
- Open the current configuration of the data logger.
- Add the DNB146 Dig sensor from the sensor library. If the data logger in use is Alpha-Log, you will be asked to set the Modbus as input type and the communication parameters of the serial port where the sensor will be connected.
- Then, for each measurement:
- In the General tab, if you use multiple sensors of the same type, customize the name of the measures to distinguish them from each other.
- In the Elaborations tab, choose the desired elaborations.
- If the data logger in use is E-Log, set the Modbus protocol and the communication parameters of the sensor in the serial line 2 of the data logger.
- Save the configuration and send it to the data logger
Modbus-RTU
The DNB146 ultrasonic anemometer implements the Modbus protocol in RTU slave mode.
Supported commands
The sensor supports the Read input registers (0x04) command for accessing the acquired data. If the data request refers to an incorrect command or register, the sensor does not generate any response message.
Map of registers
| Register # | Register address | Data | Multiplication factor | Format |
| 1 | 0x00 | Wind speed (m/s) | 100 | unsigned 16 bits |
| 2 | 0x01 | Wind direction (°) | 10 | unsigned 16 bits |
| 3 | 0x02 | Elevation (°) | 10 | signed 16 bits |
| 4 | 0x03 | Sonic temperature (°C) | 10 | signed 16 bits |
| 5 | 0x04 | compass (°) | 10 | unsigned 16 bits |
| 6 | 0x05 | Error code (-) | 1 | unsigned 16 bits |
| 7 | 0x06 | Previous error code (-) | 1 | unsigned 16 bits |
| 8 | 0x07 | Number of invalid measurement (-) | 1 | unsigned 16 bits |
To obtain the correct measurement, the received value must be divided by the relative multiplication fac-tor.
Error codes table
| Error code | Description / Anomaly |
| 1x | First pair lower transducer* error |
| 2x | First pair upper transducer error |
| 3x | Second pair lower transducer error |
| 4x | Second pair upper transducer error |
| 5x | Third pair lower transducer error |
| 6x | Third pair upper transducer error |
| x0 | None (combined with 0 for transducer too) |
| x1 | Electrical interruption transducer circuit. Transducer’s break. Obstruction of the path |
| x2 x5 | Time anomaly or wave amplitude anomaly of ultrasonic pulse |
| x7 | Compass anomaly |
| xN | Internal codes |
Sonic transducers are grouped in pairs of facing elements. For the first pair, the upper transducer is next to the metallic support which indicates the North direction. The other pairs follow anti-clockwise.
Error example:
In case of an anomaly in transducer 4, due to a physical obstruction in the measurement volume, which brings to the rejection of 2 raw measurements during a measure loop, the three numbers are: 41 0 2
Without anomalies:
0 0 0 For additional information regarding the protocol, visit the website www.modbus.org.
Maintenance
Testing
This type of testing is only required if the user wishes to verify the well functioning of each part of the anemometer. Please note that these tests are not intended to establish the operational limitations of the sensor.
Visual check
- body of the anemometer is in a level position
- there are no foreign objects in the transducer area
Operational check for 4÷20 mA output
To check the current output you need a multimeter and an air flow (you can use a hair dryer).
- Set the multimeter to measure signals in direct current (DC) and 20 mA scale.
- Referring to DISACC200074, connect the multimeter to the first output (wind speed) and power on the anemometer.
- Place the sensor where there are not wind flows (0 m/s) and read 4 mA on the multimeter.
- Subject the sensor to the air flow and read a value grater then 4 mA on the multimeter.
- Connect the multimeter to the second output (wind direction).
- Subject the sensor to the air flows with the angles 0, 90, 180 and 270° checking the correspond-ing current values as indicated in the following table:
Air flow provenience (°) Output (mA) 0 (o 360) 4 (o 20) 90 8 180 12 270 16 - Connect the multimeter to the third output (elevation).
- Subject the sensor to the air flows from bottom to top and read a value between 12 and 20 mA on the multimeter.
- Subject the sensor to the air flows from top to bottom and read a value between 4 and 12 mA on the multimeter.
- Connect the multimeter to the fourth output (sonic temperature).
- Check that the output value is congruent with the ambient temperature. Below are the current values based on some temperature values
°C mA °C mA °C mA °C mA °C mA -4 9.76 4 11.04 12 12.32 20 13.60 28 14.88 -2 10.08 6 11.36 14 12.64 22 13.92 30 15.20 0 10.40 8 11.68 16 12.96 24 14.24 32 15.52 2 10.72 10 12.00 18 13.28 26 14.56 34 15.84 - Connect the multimeter to the fifth output (compass).
- Check that the output value is congruent with the value read by the anemometer. Below are the current values based on some angle values.
| °C | mA | °C | mA | °C | mA | °C | mA | °C | mA |
| -4 | 9.76 | 4 | 11.04 | 12 | 12.32 | 20 | 13.60 | 28 | 14.88 |
| -2 | 10.08 | 6 | 11.36 | 14 | 12.64 | 22 | 13.92 | 30 | 15.20 |
| 0 | 10.40 | 8 | 11.68 | 16 | 12.96 | 24 | 14.24 | 32 | 15.52 |
| 2 | 10.72 | 10 | 12.00 | 18 | 13.28 | 26 | 14.56 | 34 | 15.84 |
Operational check for RS-485 Modbus-RTU output
Verification of the RS-485 digital output can be done using a PC in which the third-party program modpoll (https://www.modbusdriver.com/modpoll.html) is installed. For the air flow you can use a hair dryer.
- Connect the anemometer to the PC using a RS-232/RS-485 serial converter (§3.1); power on the sensor.
- Open a DOS Prompt window and type the following command (it is assumed that the transmission parameters are set as follows: Baudrate: 9600 bps, Parity: None and that the PC serial port used is COM1): modpoll -a 1 -r 1 -c 8 -t 3 COM1 [Enter] The program displays the measurement values in the following order: Wind Speed, Wind Direction, Elevation, Sonic Temperature, Compass, Error Code, Previous Error Code and Error Measurements. For the list of available commands, type the command modpoll /help. [CTRL] + [C] to stop the program.
- Subject the sensor to the air flows with the angles 0, 90, 180 and 270° and, for each angle, check the values obtained considering that the wind speed value is multiplied by 100 and the others, with the exception of the error codes, are multiplied by 10 (§5.2). Here an example with a polling rate of 5 seconds:
modpoll 3.1 – FieldTalk(tm) Modbus(R) Master Simulator Copyright (c) 2002-2011 proconX Pty Ltd Visit http://www.modbusdriver.com for Modbus libraries and tools. Protocol configuration: Modbus RTU Slave configuration…: address = 1, start reference = 1, count = 2 Communication………: COM1, 9600, 8, 1, none, t/o 1.00 s, poll rate 5000 ms Data type………….: 16-bit register, input register table — Polling slave… (Ctrl-C to stop)
- [1]: 33
- [2]: 869
- [3]: 0
- [4]:234
- [5]:1110
- [6]:0
- [7]:0
- [8]0
Periodic maintenance
The absence of moving parts minimizes the sensor maintenance.
- Clean the anemometer paying attention at the pairs of transducers.
- Check and possibly restore the integrity of the connector seal.
LSI LASTEM suggests to check the anemometer calibration every 2 years.
Accessories / Spare parts
| Code | Description |
| DNB192 | Adapter for DNB146 sensor to pole Ø 50 mm |
| SVICA2203 | ISO9001 type calibration certificate (Wind Speed) |
| SVICA2304 | ISO9001 type calibration certificate (Wind Direction) |
| SVACA2216 | ISO17025-ACCREDIA type calibration certificate (Wind Speed) |
Disposal
This product is a device with high electronic content. In accordance with the standards of environmental protection and collection, LSI LASTEM recommends handling the product as waste of electrical and elec-tronic equipment (RAEE). For this reason, at the end of its life, the instrument must be kept apart from oth-er wastes.
LSI LASTEM is liable for the compliance of the production, sales and disposal lines of this product, safeguarding the rights of the consumer. Unauthorized disposal of this product will be punished by the law.
How to contact LSI LASTEM
In case of problem contact the technical support of LSI LASTEM sending an e-mail to [email protected], or compiling the technical support request module at www.lsi-lastem.com.
For further information refer to addresses and numbers below:
- Phone number +39 02 95.414.1 (switchboard)
- Address: Via ex S.P. 161 – Dosso n. 9 – 20049 Settala, Milano
- Web site: www.lsi-lastem.com
- Commercial service: [email protected]
- After-sales service: [email protected], Repairs: [email protected]























