SDCR Secondary Damper Control Relay
INSTALLATION INSTRUCTIONS

INSTALLATION
The SDCR is shipped in a sturdy metal enclosure and the circuit board is snapped on to standoffs in the case. The cover can easily be removed for wiring by swinging up and pulling away from one side of the cover from the case.
To remove the circuit board, insert a small screwdriver in the hole on each corner of the case. Gently lift up each corner of the circuit board removing the circuit board from its standoffs. Using two screws and the mounting holes in the case, mount the case against any flat surface. Once the case is mounted, place the circuit board back on the standoffs and press each corner firmly until the board snaps into place. Wire the SDCR according to the wiring diagrams and place the cover back onto the case by aligning the top corner dimples into the indentations at the top of the case.
APPLICATION
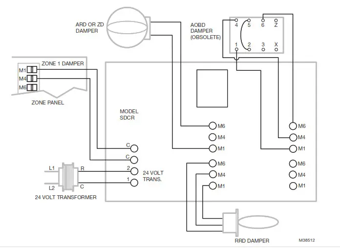
The Secondary Damper Control Relay, model SDCR, is a relay the control panel used when there are more dampers to a zone on a zone panel than the contacts are rated for. The SDCR has four damper connections. By wiring multiple ARD or ZD series dampers in parallel to the same sent of contacts, the SDCR could control up to 9 dampers max, assuming the transformer powering it has sufficient VA to handle the load.
The SDCR will open or close all dampers simultaneously. If older zone panels are used that have five motor terminals (M1, M2, M4, M5, M6) a jumper is needed from M2 to M5 on the zone that the SDCR is wired to.
OPERATION
When the SDCR is de-energized, each motor contact will have power between the M1 & M6 terminals. This will typically drive the damper closed. When the SDCR is energized with 24volts at the C and C terminals, each set of damper contacts will have 24-volt power at the M1 and M4 terminals. This will typically drive the damper open.
WIRING
Each SDCR requires an individual 24 volt AC transformer. Size the transformer to handle the load. It is recommended to oversize the transformer as nominal loads can increase when actuators are installed in a hot space such as an attic. The transformer is wired to 1 and 2 terminals at the SDCR. Different damper actuator types will wire differently. The following page shows examples of current ARD or ZD dampers wired to the SDCR as well as older AOBD (automatic Opposed Blade Dampers).

Fig. 2. Wiring an ARD, ZD, RRD, or AOBD damper to SDCR.
CHECKOUT PROCEDURE
- Check for 24 Volts A.C. across terminals 1 and 2. If there is no voltage, or less than 20 volts C., check the transformer and power supply.
- Check for 24 Volts A.C. across the C and C terminals. When there is no voltage present the SDCR is de-ener- This will provide 24 V. to each set of M1 and M6 terminals. Typically M1 and M6 are used to power the damper closed. If there is no voltage on any of the M1 to M6 terminals, remove and replace the plug-in relay. If there continues to be no power across the terminals, replace the SDCR. Note, verify the damper wires are not shorted and there are not too many dampers wired to the SDCR.
- When 24 Volts C. is present across the C and C terminals, the plug-in relay is energized. This switches 24V. Power from M1 and M6 terminals to M1 and M4 terminals, in order to power, open the dampers. If the plug-in relay is not energized, remove and replace the plug-in relay. If there continues to be no power across the terminals, replace the SDCR. Note, verify the damper wires are not shorted and there are not too many dampers wired to the SDCR.

Fig. 3. The thermostat opens the damper with a call for heat (dampers wire the same as in Fig. 2.)
NOTE: In this diagram, the thermostat only opens a damper with a call for heat. It does not turn on heating equipment.
www.resideo.com
Resideo Technologies, Inc.
1985 Douglas Drive North, Golden Valley, MN 55422 1-800-468-1502 68-0224—03 M.S. Rev. 05-21 | Printed in the United States © 2021 Resideo Technologies, Inc. All rights reserved.
This product is manufactured by Resideo Technologies, Inc. and its affiliates.

















