Honeywell 31-00572 Unitary Controller

Product Information
- The Unitary Controller is a device used for controlling various equipment. It comes with mounting instructions in multiple languages.
- The controller has multiple ports and connectors, including RS485 ports, 24VDC power outputs, and various input and output ports. It also features a 10/100 switched port for network connectivity.
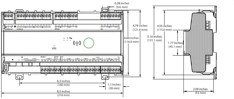
- The dimensions of the controller vary depending on the housing model. The large housing model measures approximately 4.79 inches (121.6 mm) in width, 4.55 inches (115.6 mm) in height, and 4.60 inches (116.8 mm) in depth. The small housing model measures approximately 6.3 inches (160 mm) in width, 8.5 inches (216 mm) in height, and 1.1 inches (28 mm) in depth.
Product Usage Instructions
- Ensure that you have received all the contents of the shipment, including the mounting instructions.
- Store the Unitary Controller in a suitable location.
- Connect the necessary cables and devices to the appropriate ports and connectors on the controller. Refer to the device or equipment documentation for specific requirements.
- For network connectivity, use the 10/100 switched port.
- For power supply, connect the 24VDC power output to the corresponding equipment.
- If using RS485 communication, connect devices to the RS485 ports.
- Mount the Unitary Controller according to the provided mounting instructions. Ensure that it is securely fixed in place.
- Refer to the user manual or equipment documentation for further instructions on configuring and operating the Unitary Controller.
CONTENTS OF SHIPMENT
- Controller

STORAGE AND OPERATION

DIMENSIONS

Small Housing Model

PERMISSIBLE ORIENTATIONS

DIN RAIL END STOP
DIN RAIL MOUNTING
- Mount the DIN rail on the wall/panel by using screws.

- Extend all mounting red clips to the unlock position as shown in the figure below.

- Hold the controller as shown in image below and mount the controller onto the DIN rail.

- Push all red tabs into Lock position to secure in place.
WALL MOUNTING
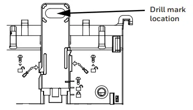
- Extend all red clips to the screw mounting position by inserting the flat blade screwdriver at a marked location and move up the tab from the lower slot to the upper slot as shown in the figure below.

- Hold the controller along the wall and mark drilling locations through the screw red clip slots, as shown in the figure below.

- Remove the controller from the wall and drill four holes at the marked locations.

- Insert anchors into the four mounting screw holes.
- Place the controller on the wall/surface so that the holes are aligned. Insert the screws into the topside holes first and fasten them with a screwdriver.
WARNING: Electrical Shock Hazard.
Can cause severe injury, death or property damage. Disconnect the power supply before beginning installation to prevent electrical shock and equipment damage. More than one power supply may have to be disconnected.
WEEE
WEEE Directive 2012/19/EC Waste Electrical and Electronic Equipment Directive
- At the end of the product life, dispose of the packaging and product in an appropriate recycling center.
- Do not dispose of the device with the usual domestic refuse.
- Do not burn the device.
REGULATION (EC) NO 1907/2006
- According to Article 33 of REACH Regulation, be informed that this product may contain components with lead (CAS: 7439-92-1) content above the threshold level of 0.1 % by weight.
WARNING: Do not install to, and/or cover a junction box having Class 1, 3, or power and lighting circuits. Do not reclassify and install as Class 1, 3, or power and lighting wiring.
CAUTION::To reduce the risk of fire or electric shock, do not interconnect the outputs of different Class 2 circuits.
RELAY SPECIFICATIONS
CAUTION: RISK OF ELECTRICAL SHOCK OR EQUIPMENT DAMAGES! It is not permitted to combine low voltage and line voltage in the relay block.
CAN RSS-GEN/CNR-GEN CANADIAN CONFORMANCE AND FCC STATEMENTS
This Class B digital apparatus complies with Canadian ICES-003.
This device complies with Industry Canada license exempt RSS standard(s). Operation is subject to the following two conditions:
- This device may not cause interference,
- This device must accept any interference, including interference that may cause undesired operation of the device.
This equipment has been tested and found to comply with the limits for a Class B digital device, pursuant to part 15 of the FCC Rules. These limits are designed to provide reasonable protection against harmful interference in a residential installation. This equipment generates, uses, and can radiate radio frequency energy and, if not installed and used in accordance with the instructions, may cause harmful interference to radio communications. However,there is no guarantee that interference will not occur in a particular installation. If this equipment does cause harmful interference to radio or television reception, which can be determined by turning the equipment off and on, the user is encouraged to try to correct interference by one or more of following measures:
- Reorient or relocate the receiving antenna.
- Increase the separation between equipment and receiver.
- Connect the equipment into an outlet on a circuit different from that to which the receiver is connected.
SPECIFICATIONS OF THE CONTROLLER

STANDARDS AND APPROVALS

REFERENCE TECHNICAL LITERATURE

CHINA ROHS TABLE

By using this Honeywell literature, you agree that Honeywell will have no liability for any damages arising out of your use or modification to, the literature. You will defend and indemnify Honeywell, its affiliates and subsidiaries, from and against any liability, cost, or damages, including attorneys’ fees, arising out of, or resulting from, any modification to the literature by you
Honeywell Building Technologies
715 Peachtree St NE Atlanta, Georgia 30308, USA
customer.honeywell.com
Honeywell Building Control
Honeywell Products and Solutions
SARL, Z.A. La Pièce, 16, 1180 Rolle Switzerland Honeywell Building Control
@U.S. Registered Trademark
© 2023 Honeywell International Inc.
31-00572-01 | Rev. 04-23

























