BLUERIDGE BPRPGE14 Series BPRPGE1442-090EP-2 90000 BTU Heating 14 SEER Gas Package Unit
INSTALLATION AND MAINTENANCE INSTRUCTIONS
WARNING
If this unit is to be installed in a mobile or manufactured home application, the duct system must be sized to achieve static pressures within the manufacturer’s guidelines. All other installation guidelines must also be followed. Failure to do so may result in equipment damage, personal injury, and improper performance of the unit.
Improper installation, adjustment, alteration, service, or maintenance can cause injury or property damage. Refer to this manual. For assistance or additional information, consult a licensed professional (or equivalent), HVAC installer, service agency, or the gas supplier.
Do not store combustible materials, including gasoline and other flammable vapors and liquids, near the unit, vent pipe, or warm air ducts. Such actions could cause property damage, personal injury, or death.
CAUTION
The installation of the unit, wiring, warm air ducts, venting, etc. must conform to the requirements of the National Fire Protection Association; the National Fuel Gas Code, ANSI Z223.1 (latest edition) and the National Electrical Code, ANSI/NFPA No. 70 (latest edition) in the United States; the Canadian Installation Codes CAN/CGA-B149.1 & .2 (latest edition) and the Canadian Electrical Code Part 1, CSA 22.1 (latest edition) in Canada; and any state or provincial laws, local ordinances, or local gas utility requirements. Local authorities having jurisdiction should be consulted before installation is made. Such applicable regulations or requirements take precedence over the general instructions in this manual.
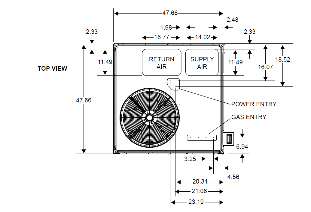
Unit Dimensions – Small Base Gas/Electric
SIDE VIEWS
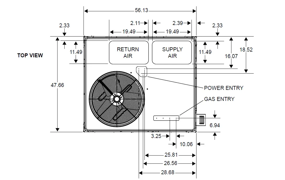
Unit Dimensions – Large Base Gas/Electric
SIDE VIEWS
Roof Curb Dimensions – Small Base Gas/Electric
NOTE – Roof deck may be omitted within confines of curb.
NOTE – If bottom entry is used, condensate from the heat exchanger may leak during warm ambient temperatures in humid climates. Ensure that bottom entry is watertight, if used.
Roof Curb Dimensions – Large Base Gas/Electric
NOTE – Roof deck may be omitted within confines of curb.
NOTE – If bottom entry is used, condensate from the heat exchanger may leak during warm ambient temperatures in humid climates. Ensure that bottom entry is watertight, if used.
Adjustable Roof Curb Dimensions – Small Base Gas/Electric
NOTE: See Clip lock 1000 installation instructions for complete
assembly and installation procedures and requirements.
NOTE- Roof deck may be omitted within confines of the curb.
NOTE – If bottom entry is used, condensate from the heat exchanger may leak during warm ambient temperatures in humid
climates. EnSure that the bottom entry is watertight if used.
Adjustable Roof Curb Dimensions – Large Base Gas/Electric
NOTE: See Cliplock 1000 installation instructions for complete assembly and installation procedures and requirements.
NOTE – Roof deck may be omitted within confines of curb.
NOTE – If bottom entry is used, condensate from the heat exchanger may leak during warm ambient temperatures in humid climates. Ensure that bottom entry is watertight, if used.
Installation
These instructions must be saved for future reference.
These units are single package air conditioners with gas heat designed for outdoor installation on a rooftop or a slab.
The units are completely assembled. All piping, refrigerant charge, and electrical wiring are factory installed and tested. The units require only electric power, gas piping, condensate drain, and duct connections, plus installation of the vent cover at the point of installation.
If components are to be added to a unit to meet local codes, they are to be installed at the dealer’s and/or customer’s expense.
The size of unit for the proposed installation should be based on heat loss/heat gain calculation made according to the methods of Air Conditioning Contractors of America (ACCA).
WARNING
In the State of Massachusetts:
This product must be installed by a licensed Plumber or Gas Fitter. When flexible connectors are used, the maximum length shall not exceed 36”. When lever-type gas shutoffs are used, they shall be T-handle type.
These installation instructions are intended as a general guide only, for use by an experienced, qualified contractor.
These units are certified by E.T.L. Testing Laboratories, Inc.:
- For use as a forced air furnace with cooling unit.
- For outdoor installation only.
- For installation on combustible material.
- For use with natural gas or propane gas. (Conversion kit required for propane gas application.)
These units are not suitable for use with conventional venting systems.
Inspection
As soon as the unit is received, it should be inspected for possible damage during transit. If damage is evident, the extent of the damage should be noted on the carrier’s freight bill. A separate request for inspection by the carrier’s agent should be made in writing.
Location
Use the following guidelines to select a suitable location for these units.
- Unit is designed for outdoor installation only. Unit must be installed so all electrical components are protected from water.
- Condenser coils must have an unlimited supply of air.
- For ground level installation, use a level prefabricated pad or use a level concrete slab. Do not tie the slab to the building foundation.
- Maintain level within a tolerance of 1/4” maximum across the entire length or width of the unit.
CAUTION Unit levelness is critical for proper float switch operation. - Do not locate the unit where the combustion air supply will be exposed to any of the following substances:
- Permanent wave solutions
- Chlorinated waxes and cleaners
- Chlorine-based swimming pool chemicals
- Water softening chemicals
- Deicing salts or chemicals
- Carbon tetrachloride
- Halogen-type refrigerants
- Cleaning solvents (such as perchloroethylene)
- Printing inks, paint removers, varnishes, etc.
- Cements and glues
- Antistatic fabric softeners for clothes dryers
- Masonry acid washing materials
- Chlorinated laundry products
- Hydrochloric acid
Use of Unit During Construction
Use of this unit as a construction heater or air conditioner is not recommended during any phase of construction. Very low return air temperatures, harmful vapors and operation of the unit with clogged or misplaced filters will damage the unit.
If this unit has been used for heating or cooling of buildings or structures under construction, the following conditions must be met or the warranty will be void:
- A room thermostat must control the unit. The use of fixed jumpers that will provide continuous heating or cooling is not allowed.
- A pre-filter must be installed at the entry to the return air duct.
- The return air duct must be provided and sealed to the unit.
- Return air temperature range between 55°F (13°C) and 80°F (27°C) must be maintained.
- Air filters must be replaced and pre-filters must be removed upon construction completion.
- The input rate and temperature rise must be set per the unit rating plate.
- The heat exchanger, components, duct system, air filters and evaporator coil must be thoroughly cleaned following final construction clean-up.
- The unit operating conditions (including airflow, cooling operation, ignition, input rate, temperature rise and venting) must be verified according to these installation instructions.
Clearances
All units require certain clearances for proper operation and service. Refer to Table 1 for the minimum clearances to combustibles, servicing, and proper unit operation. In the U.S., units may be installed on combustible floors made from wood or class A, B, or C roof covering material. In Canada, units may be installed on combustible floors. Units must be installed outdoors.
Clearance to combustibles below the unit flue is 10 inches since the flue points down.
Do not permit overhanging structures or shrubs to obstruct condenser air discharge outlet, combustion air inlet, or vent outlet.
Roof Curb Installation
If a roof curb is used, follow the manufacturer’s installation instructions and be sure that all required clearances are observed (see Clearances section).
Prior to setting the unit on the roof curb, the shipping bracket located underneath the unit must be removed. Remove the two screws in the base rail (located on the front and rear of the unit). The four screws and the bracket can be discarded. See Figure 1.
Rigging Unit
Exercise care when moving the unit. Do not remove any packaging until the unit is near the place of installation.
- Connect rigging to the unit base rails using both holes in each corner.

- All panels must be in place for rigging.
- Place field-provided spreaders in place. Spreaders must be of adequate strength and length (must exceed unit dimension by 6 inches).
Units may also be moved or lifted with a forklift. The lengths of the forks of the forklift must be a minimum of 42 inches.
CAUTION
Before lifting a unit, make sure that the weight is distributed equally on the cables so that it will lift evenly.
Unpacking
Locate the four stacking brackets at each corner of the top panel. Remove the screws that secure these brackets. All screws must be re-installed. The stacking brackets can be discarded. Remove the bag and remaining packaging material, which can be discarded. Locate the four plastic fork slot bumpers on the base rails. Remove the fasteners and bumpers and discard.
Service Access
Access to all serviceable components is provided by four removable panels: upper access panel (for blower, ID coil, and optional filter), heat exchanger access, control access panel, and compressor access.
CAUTION
As with any Mechanical equipment, personal injury can result from contact with sharp sheet metal edges. Be careful when you handle this equipment.
WARNING
This unit is charged with HFC-410A refrigerant. Operating pressures for units charged with HFC-410A are higher than pressures in units charged with HCFC-22. All service equipment MUST be rated for use with HFC-410A refrigerant.
Venting
The vent outlet must be installed in a location as to prevent building degradation and must be consistent with the National Fuel Gas Code, Z223.1 or CAN/CGA-B149.1 & .2.
The products of combustion are discharged through a screened opening on the gas heat side panel. The horizontal vent system shall terminate at least 4 feet below, 4 feet horizontally from, or 1 foot above any door, window, or gravity air inlet into the building. The vent system shall terminate at least 3 feet above any forced air inlet located within 10 feet.
The unit shall be installed in a manner such that snow accumulation will not restrict the flow of flue products.
Minimum horizontal clearance of 4 feet from electric meters, gas meters, regulator, and relief equipment is required.
In addition to the above requirements, consideration must be given to prevent unwanted ice buildup from the vent condensate. The vent should not be located on the side of a building where the prevailing winter winds could trap the moisture, causing it to freeze on the walls or on overhangs (under eaves). The vent should not be located over a sidewalk, patio, or other walkway where the condensate could cause the surface to become slippery.
The products of combustion must not be allowed to accumulate within a confined space where they may be recirculated.
Vent Hood Installation
The unit is shipped with the vent hood inside the control compartment. Locate the vent hood and attach to side of utility panel with screws provided in the instruction bag (see Figure 2).
NOTE:
If an existing gas furnace is being removed from a common venting system when this packaged unit is installed, then read and follow the instructions in the “Removal of Unit from Common Venting System” section that follows. Otherwise, you may skip this section.
Removal of Unit from Common Venting System
When an existing furnace is removed from a common venting system serving other appliances, the venting system is likely to be too large to properly vent the remaining attached appliances. The following test should be conducted with each appliance while the other appliances connected to the common venting system are not in operation.
- Seal any unused openings in the common venting system.
- Visually inspect the venting system for proper size and horizontal pitch and determine there is no blockage or restriction, leakage, corrosion, or other deficiencies which could cause an unsafe condition.
- Insofar as is practical, close all building doors and windows between the space in which the appliances remaining connected to the common venting system are located and other spaces in the building. Turn on clothes dryers and any appliance not connected to the common venting system. Turn on exhaust fans, such as range hoods and bathroom exhausts, so they will operate at maximum speed. Do not operate a summer exhaust fan. Close fireplace dampers.
- Following the lighting instructions, place the unit being inspected in operation. Adjust the thermostat so the appliance will operate continuously.
- Test for spillage at the draft control relief opening after 5 minutes of main burner operation. Use the flame of a match or candle.
- Follow the preceding steps for each appliance connected to the common venting system.
- After it has been determined that each appliance remaining connected to the common venting system properly vents when tested as outlined above, return doors, windows, exhaust fans, fireplace dampers, and any other fuel burning appliance to their previous condition of use.
- If improper venting is observed during any of the above tests, the common venting system must be corrected. See National Fuel Gas Code, ANSI Z223.1 (latest edition) or CAN/CGA B149.1 & .2 Canadian Installation Codes to correct improper operation of common venting system.
Duct System
The duct system should be designed and sized according to the methods in the Air Conditioning Contractors of America (ACCA) manual that is most appropriate to the installation application.
A closed return air duct system shall be used. This shall not preclude use of economizers or outdoor fresh air intake. It is recommended that supply and return air duct connections at the unit be made with flexible joints.
The supply and return air duct systems should be designed for the CFM and static requirements of the job. They should not be sized by matching the dimensions of the duct connections on the unit.
The unit is shipped ready for horizontal flow (side duct connections) or downflow (bottom duct connections). All units are equipped with a drain pan overflow switch that is installed and wired at the factory. Duct attachment screws are intended to go into the duct panel flanges. Duct to unit connections must be sealed and weather proofed.
For horizontal duct systems:
- Remove the duct covers on side of the unit. They can be discarded.
- Install the duct system to the unit.
For downflow duct systems:
- Remove the duct covers on side of the unit. Keep the screws and the covers as they will be re-installed later.
- Remove the downflow duct covers located inside unit. Remove the four screws securing each cover. Remove the covers from the unit. They can be discarded.
- Remove screws located between the supply and return air openings that attach the blower deck to the base pan. These screws can interfere with bottom duct connections or roof curb seals. Discard these screws.
- Install the duct system to the unit.
- Re-install the duct covers removed in Step 1.
Filters
Air filters are not supplied with the unit. A field-provided air filter must always be installed ahead of the evaporator coil and must be cleaned or replaced if necessary. Dirty filters will reduce the airflow of the unit.
An optional filter rack kit may be purchased separately for installation inside the unit’s coil compartment. Air filter sizes are shown in Table 2 for use with filter rack kit.
NOTE:
The filter rack must be installed prior to installation of the unit in applications where access to the rear panel is limited.
| Unit Model | Filter 1 | Filter 2 |
| 24, 30, 36 | 14 x 20 x 1 | 20 x 20 x 1 |
| 42, 48, 60 | 20 x 20 x 1 |
Table 2. Unit Air Filter Sizes – inches
Condensate Drain
This package unit is equipped with a 3/4” FPT coupling for condensate line connection. Plumbing must conform to local codes. Use a sealing compound on male pipe threads.
Do not operate unit without a drain trap. The condensate drain is on the negative pressure side of the blower; therefore, air being pulled through the condensate line will prevent positive drainage without a proper trap.
The condensate drain line must be properly trapped, routed to a suitable drain and primed prior to unit commissioning.
NOTE: Install drain lines and trap so they do not block service access to the unit.
The trap must be deep enough to offset the maximum static difference (generally, 3 inches (76 mm) minimum). In addition, the drain line must be supported if longer than 10 feet.
The trap must be primed at start-up.
Figure 3. Typical Condensate Drain Connection
See Figure 3 for proper drain arrangement. The drain line must pitch to an open drain or pump to prevent clogging of the line. Seal around the drain connection with suitable material to prevent air leakage into the return air system.
To prime trap, pour several quarts of water into drain, enough to fill drain trap and line.
CAUTION
Drain lines should be hand-tightened only. Do not use tools to tighten fitting into drain.
Gas Piping
Proper sizing of a gas piping depends on the cubic feet per hour of gas flow required, specific gravity of the gas, and length of run. National Fuel Gas Code Z223.1 latest edition should be followed in all cases unless superseded by local codes or gas company requirements. In Canada, refer to CAN/CGA B.149.1 & .2 (latest edition).
The heating value of the gas may differ with locality. The value should be checked with the local gas utility. For temperature rise of unit, see unit rating plate.
Gas Piping Recommendations
- A drip leg and a ground joint union must be installed in the gas piping. A ground joint union is recommended by the manifold/valve.
- When required by local codes, a manual shutoff valve may have to be installed outside of the unit.
- Use pipe thread sealing compound resistant to propane gas sparingly on male threads.
- The gas supply should be a separate line and installed in accordance with all safety codes listed on Page
- After the gas connections have been completed, open the main shutoff valve admitting normal gas pressure to the mains. Check all joints for leaks with a soapy solution or other material suitable for the purpose.
WARNING
Never use a flame to check for gas leaks. An explosion causing injury or death may occur. - The furnace and its field-supplied manual shutoff valve must be disconnected from the gas supply piping system during any pressure testing of that system at test pressures in excess of 1/2 PSIG (3.48kPa).
- A 1/8” N.P.T. plugged tapping, accessible for test gauge connections, must be installed immediately upstream of the gas supply connection to the furnace.
- After the gas connections have been completed, open the main shutoff valve admitting normal gas pressure to the mains. Check all joints for leaks with a soapy solution or other material suitable for the purpose.
Gas Connection
The gas supply line is routed through the gas entry location on the side of the unit (see Figure 4). A grommet is provided in the instruction bag and should be used to seal gas supply line to gas entry of control compartment.
NOTE: An optional bottom-entry gas kit is available for these units. See the kit instructions for proper installation details.
WARNING
The furnace must be isolated from the gas supply piping system by closing the field supplied manual shutoff valve during any pressure testing of gas supply piping system at test pressures equal to or less than 1/2 psig or 14” w.c. If the piping system is to be tested at pressures in excess of 1/2 psig, the furnace and its individual shutoff valve must be disconnected from the gas supply piping system.
NOTE: LP/Propane Units, Tanks, and Piping
Units are shipped equipped for use with natural gas, but can be converted to LP/propane in the field by an approved licensed technician. If conversion is required, use the approved conversion kit.
When converting a low NOx unit (designated by an L in some model numbers) to propane, the NOx inserts must be removed.
All LP/propane gas equipment must conform to the safety standards of the National Fire Protection Association.
For satisfactory operation, LP/propane gas pressure must be a minimum of 11” w.c. at the unit under full load.
Complete information regarding tank sizing for vaporization, recommended regulator settings, and pipe sizing is available from most regulator manufacturers and LP/propane gas suppliers.
Check all connections for leaks when piping is completed, using a soapy, non-chlorine based solution. Some soaps used for leak detection are corrosive to certain metals.
Carefully rinse piping thoroughly after completing leak detection.
NOTE: An optional bottom-entry gas kit is available for these units. See the kit instructions for proper installation details.
WARNING
The danger of explosion. Can cause injury or product or property damage. Do not use matches, candles, flame or other sources of ignition to check for leaks.
CAUTION
If a flexible gas connector is required or allowed by the authority that has jurisdiction, black iron pipe shall be installed at the gas valve and must extend outside the cabinet. The flexible connector can then be added between the black iron pipe and the gas supply line.
Electrical Wiring
See Figure 4 and Figure 5
All wiring should be done in accordance with the National Electrical Code, ANSI/NFPA No. 70 (latest edition); Canadian Electrical Code Part 1, CSA C22.1 (latest edition); or local codes where they prevail. Use wiring with a temperature limitation of 75°C minimum. Run the 208 or 230 volts, 60-hertz electric power supply through a fused disconnect switch to the control box of the unit and connect as shown in the wiring diagram located on the inside of the control access panel.
The power supply to the unit must be N.E.C. Class 1, and must comply with all applicable codes. A disconnect switch should be field provided for the unit; follow local codes to determine what type of switch to use. The switch must be separate from all other circuits. If any of the wires supplied with the unit must be replaced, the replacement wire must be of the type shown on the wiring diagram. Electrical wiring must be sized to carry the minimum circuit ampacity marked on the unit. Use copper conductors only. Each unit must be wired with a separate branch circuit and be properly fused.
NOTE: An optional bottom-entry power kit is available for these units. See the kit instructions for proper installation details.
CAUTION
When connecting electrical power and control wiring to the unit, waterproof type connectors must be used so that water or moisture cannot be drawn into the unit during normal operation.

Thermostat
The room thermostat should be located on an inside wall where it will not be subject to drafts, sun exposure, or heat from electrical fixtures or appliances. Follow the manufacturer’s instructions enclosed with the thermostat for general installation procedure. Color-coded insulated wires (#18 AWG) should be used to connect the thermostat to the unit.
Four wires are required for cooling. The heat anticipator setting is 0.75 amp.
Compressor
Units are shipped with compressor mountings factory-adjusted and ready for operation.
CAUTION Do not loosen compressor mounting bolts.
Heating Start-Up
For Your Safety, Read Before Lighting
CAUTION
Furnace is equipped with a direct ignition control. Do not attempt to manually light the burners.
Pre-Start Checklist
Complete the following checks before starting the unit:
- Check the type of gas being supplied. Be sure it is the same as listed on the unit nameplate.
- Make sure that the vent cover has been properly installed.
To Light Main Burners
- Turn off electrical power to unit.
- Turn the thermostat to lowest setting.
- Slide the gas valve switch to the “ON” position (see Figure 7).
- Turn on electrical power to the unit.
- Set the room thermostat to the desired temperature.(If the thermostat “set” temperature is above room temperature after the pre-purge time expires, main burners will light.)

To Shut Down Main Burners
- Turn off electrical power to unit.
- Slide the gas valve switch to the “OFF” position (see Figure 7).
Post-Start Checklist
After the entire control circuit has been energized and the heating section is operating, make the following checks:
- Check for gas leaks, using soapy solution, in the unit piping as well as the supply piping.
- Check for correct manifold gas pressures (see Manifold Gas Pressure Adjustment Regulator sections).
- Check the supply gas pressure. It must be within the limits shown on the rating plate. Supply pressure should be checked with all gas appliances in the building at full fire. At no time should the standby gas pressure exceed 13” w.c., nor the operation pressure drop below 5” w.c. for natural gas units or 11” w.c. for propane gas. If gas pressure is outside these limits, contact the gas supplier for corrective action.
- Adjust temperature rise to the range specified on the rating plate.
Manifold Gas Pressure Adjustment Regulator – Natural Gas
For purpose of input adjustment, the minimum permissible gas supply pressure is 5” w.c. for natural gas.
Gas input must never exceed the input capacity shown on the rating plate. The furnace is equipped for natural gas rated inputs with manifold pressure of 3.5” w.c.
The manifold pressure can be measured by shutting off the gas, removing the pipe plug in the downstream side of the gas valve, and connecting a water manometer or gauge. Under no circumstances should the final manifold pressure vary more than 0.3” w.c. from the above specified pressures. To adjust the regulator, turn the adjusting screw on the regulator clockwise to increase pressure and input or counterclockwise to decrease pressure and input. See Figure 7 to assist in locating the regulator on the gas valve.
Check the furnace rate by observing the gas meter, making sure all other gas appliances are turned off. The test hand on the meter should be timed for at least one revolution, noting the number of seconds per revolution. The heating value of the gas can be obtained from the local utility.
For example, by actual measurement, it takes 38 seconds for the hand on the 1-cubic foot dial to make a revolution with a 100,000 BTU/HR furnace running. The result is 99,750 BTU/HR, which is close to the 100,000 BTU/HR rating of the furnace.
Manifold Gas Pressure Adjustment Regulator – LP/Propane Gas
LP/propane units require a LPG regulator on both the gas valve and on the LP/propane tank.
IMPORTANT: For purpose of input adjustment, the minimum permissible gas supply pressure (inlet side of gas valve) is 11” w.c. for LP/propane.
If at any time ignition is slow and burner does not seem to be operating correctly, check manifold pressure (outlet side of the gas valve). It should be 10” to 10.5” w.c. pressure for LP/propane.
The furnace is designed to obtain rated input at 10” w.c. manifold pressure for propane.
High Altitude
The input rate shown on the rating plate is for elevations up to 2000 feet. For elevations from 2001 to 4500 feet, the input rate is reduced by 5%. For elevations above 4500 feet, refer to the National Fuel Gas Code Z223.1 (latest edition) or the Canadian Installation Codes CAN/CGA-B149.1 & B149.2 for further details.
To check this pressure:
- lide the gas valve switch to the “OFF” position (see Figure 7).
- Remove plug on valve marked “OUTLET PRESSURE.”
- Install a water manometer.
- Slide the gas valve switch to the “ON” position and initiate a call for heat. If manifold pressure must be adjusted, remove cap from pressure regulator and turn adjustment screw clockwise to increase pressure or counterclockwise to reduce pressure.
- After checking pressure, turn gas off, remove manometer fitting, and replace pipe plug and regulator cap.
- Put furnace in operation and check plug for leaks using soapy solution.
Burner and Burner Orifice Instructions
To check or change burners or burner orifices:
- Close the main manual gas shutoff valve and turn off all power to unit.
- Remove the burner access panel.
- Disconnect the union in the gas supply line upstream of the gas valve and downstream of the manual shutoff valve.
- Label wires going to the gas valve, then disconnect the wires.
- To change orifice:
- Remove screws that fasten the manifold to the burner box assembly and remove the manifold.
- Remove the orifices, then install replacement orifices.
- To reassemble: Reverse above steps, making sure orifices are inserted into the orifice holders on the back end of the burners, and that burners are level and centered on each burner opening in the vest panel.
- To remove or service burners:
- Label and disconnect the wires to the rollout switch and disconnect the igniter and flame sensor leads at the ignition control.
- Remove the screws that secure the burner box assembly to the vest panel and remove the assembly from the unit.
- Remove the screws that fasten the burner rack and bottom shield assembly to the burner box. Burners are now accessible for removal.
- To Reassemble: Reverse above steps.
- After reassembly of all parts is complete and all wires are reconnected, open the main manual gas shutoff valve; check for and correct any gas leaks. Turn electrical power on, initiate a call for heat, and check for proper burner operation.
- Install burner access panel.
Heat Anticipator
The heat anticipator setting is 0.75 amp. It is important that the anticipator setpoint be correct. Too high of a setting will result in longer heat cycles and a greater temperature swing in the conditioned space. Reducing the value below the correct setpoint will give shorter “ON” cycles and may result in the lowering of the temperature within the conditioned space.
Operation
Cooling System
The cooling system is factory-charged with HFC-R-410A. The compressor is hermetically sealed and base-mounted with rubber-insulated bolts.
Cooling Sequence of Operation
When the thermostat calls for cooling, R is closed to Y (see the wiring diagrams). This action completes the low voltage control circuit, energizing the compressor, condenser fan motor, and blower motor.
Unit compressors have internal protection. In the event there is an abnormal rise in the temperature of the compressor, the protector will open and cause the compressor to stop.
A combustion air inducer operates for the first 10 seconds of every cooling cycle to prevent insects from nesting in the flue outlet.
Blower Delay – Cooling
The circulating air blower is controlled by a timing circuit in the integrated blower/ignition control. Timings are not adjustable. Blower “ON” delay is 5 seconds after the compressor starts and blower “OFF” timing is 60 seconds after the compressor shuts down.
NOTE: There is no blower OFF delay when there is a call for G (fan only).
Cooling System Performance
This equipment is a self-contained, factory-optimized refrigerant system. The unit should not require adjustments to system charge when properly installed. If unit performance is questioned, perform the following checks.
| Cooling System Performance Values | ||
| Model | Suction Superheat +/- 3° | Liquid Subcooling +/- 2° |
| 2 Ton | 13 | |
| 2.5 Ton | 16 | |
| 3 Ton | 14 | |
| 3.5 Ton | 14 | |
| 4 Ton | 16 | |
| 5 Ton | 17 | |
| Based on outdoor ambient temperature of 82°F, and indoor entering air of 80°F db, 67°F wb. | ||
Table 3.
Ensure unit is installed per manufacturer’s instructions and that line voltage and air flow are correct. Refer to Table 3 for proper performance value. The indoor metering device varies by model. When checking performance of a unit using an orifice for metering, refer to the suction superheat value to judge performance. When checking performance of a unit that uses an expansion valve for metering, refer to the subcooling value to judge system performance. If the measured performance value varies from table value allowance, check internal seals, service panels and duct work for air leaks, as well as restrictions and blower speed settings. If unit performance remains questionable, remove system charge, evacuate to 500 microns, and weigh in refrigerant to nameplate charge. It is critical that the exact charge is re-installed. Failure to comply will compromise system performance. If unit performance is still questionable, check for refrigerant-related problems, such as blocked coil or circuits, malfunctioning metering device or other system components.
Continuous Fan
With the proper thermostat and sub-base, continuous blower operation is possible by closing the R to G circuit. Cooling blower delay is also functional in this mode.
Heating Sequence of Operation
When the thermostat calls for heating, R is closed to W. The following describes the gas heating sequence of operation.
- A call for heat from the room thermostat starts the combustion air blower and the circulating air blower.
- When the speed of the combustion air blower reaches proper RPM, the pressure switch closes, initiating a pre-purge period (30 seconds nominal).
- When the pre-purge period has expired, the ignition control energizes the main gas valve and spark electrode for a period of 10 seconds.
- If the flame sensor does not sense that a flame has been established in the 10-second interval, then the ignition control will de-energize the gas valve, and begins a 30 second inter-purge period, then initiates another trial for ignition.
- The ignition control is designed to repeat this “trial for ignition” a total of three times. If, at the end of the third trial, flame still has not been established, then the ignition control will try to light again 1 hour later. The
1- hour retry is indefinite. The ignition control can be reset by interrupting the unit power or the thermostat circuit. - Once flame sense has been established, the circulating air blower is energized after a 30 second blower on delay.
- When the thermostat is satisfied, the combustion air blower and gas valve are de-energized. The circulation air blower will continue to run for a short period after the furnace is shut down.
Blower Delay – Heating
- The circulating air blower “OFF” delay is 120 seconds after shutting down the burners. This delay is not adjustable.
- The circulating air blower “ON” delay is 120 seconds after “W” signal is received to allow the furnace to warm up.
Safety Controls
The control circuit includes the following safety controls:
Limit Control
This control is located behind the heat exchanger access panel and is designed to open at abnormally high circulating air temperatures. It resets automatically. The limit control operates when a high temperature condition, caused by inadequate airflow, occurs. This closes the main gas valve.
Pressure Switch
If the combustion air blower should fail, the pressure switch prevents the spark electrode and gas valve from being energized.
Flame Sensor
If the ignition control does not receive a signal from the flame sensor indicating that the burners have established flame, the gas valve closes after the 10-second trial for ignition period.
Rollout Switch
The switch is located on the top of the burner box. In the event of a sustained main burner rollout, the rollout switch shuts off the ignition control and closes the main gas valve. To reset, push the button on top of the switch.
Secure Owner’s Approval
When the system is functioning properly, secure the owner’s approval. Show the owner the location of all disconnect switches and the thermostat. Instruct the owner on how to start and stop the unit and how to adjust temperature settings within the limitations of the system.
Maintenance
Periodic inspection and maintenance normally consists of changing or cleaning the filters and cleaning the evaporator coil. On occasion, other components of the furnace may also require cleaning.
WARNING
Shut off all electrical power to the unit before conducting any maintenance procedures. Failure to do so could cause personal injury.
Filters
Filters are not supplied with the unit. Inspect once a month. Replace disposable or clean permanent type as necessary. Do not replace permanent type with disposable.
Motors
Indoor and outdoor fan and vent motors are permanently lubricated and require no maintenance.
Evaporator Coil
Dirt and debris should not be allowed to accumulate on the evaporator coil surface or other parts in the air circuit. Cleaning should be as often as necessary to keep coil clean. Use a brush, vacuum cleaner attachment, or other suitable means. If water is used to clean the coil, be sure the power to unit is shut off prior to cleaning. Care should be used when cleaning the coil so that the coil fins are not damaged.
Do not permit the hot condenser air discharge to be obstructed by overhanging structures or shrubs.
Condenser Coil
Clean condenser coil annually with water and inspect monthly during the cooling season.
Condenser coil may need to be cleaned at startup in case oil from the manufacturing process is found on the condenser coil.
Burners
To clean the burners, first remove them from the furnace as explained in the Burner and Burner Orifice Instructions section. Vacuum and/or brush as required.
Vent Outlet
Visually inspect vent outlet periodically to make sure that there is no buildup of soot or dirt. If necessary, clean to maintain adequate opening to discharge flue products.
Heat Exchanger
With proper combustion adjustment, the heat exchanger of a gas-fired furnace will seldom need cleaning. Sooting of a gas appliance is highly irregular and once cleaned, the cause of the sooting must be determined. If the heat exchanger should become sooted, it can be cleaned as follows:
- Remove the burner assembly as outlined in the Burner and Burner Orifice Instructions section.
- Remove the combustion blower.
- At the bottom of the heating section, remove the screws holding the flue collector box. Carefully remove the flue collector box without ripping the adjacent insulation.
- Using a wire brush on a flexible wand, brush out the inside of each heat exchanger from the burner inlet and flue outlet ends.
- Brush out the inside of the flue collector box.
- Run the wire brush down the heat exchanger tubes from the flue collector end.
- If soot buildup is excessive, remove the vent motor and clean the wheel and housing. Run the wire brush down the flue extension at the outlet of the vent housing.
- After brushing is complete, blow all brushed areas with air. Vacuum as needed.
- Replace parts in the reverse order they were removed in Steps 1 through 3.
- When replacing the flue collector box, be careful so as not to tear the adjoining insulation.
- Assure that all joints on the vent side of the combustion system are air tight. Apply a high temperature (+500°F) sealing compound where needed.
Control System Diagnostics
| LED Status | Flashing Rate | Fault Description |
| Slow Flash | One flash per second | Normal operation: No call for heat |
| Fast Flash | Two flashes per second | Normal operation: Call for heat |
| 2 Flash | Two flashes in second with 1-second pause | System lockout: Failed to detect or sustain flame |
| 3 Flash | Three flashes in 1.5 seconds with 1-second pause | Pressure switch senses incorrect pressure or gas valve coil is open. |
| 4 Flash | Four flashes in 2 seconds with 1-second pause | High limit or rollout switch open |
| 5 Flash | Five flashes in 2.5 seconds with 1-second pause | Flame sensed and gas valve not energized |
| Steady | — | Internal failure: Micro-controller failure; self-check |
Table 4. Fault Codes
Table 5. Cooling Performance – Gas/Electric Models
| 80 DB / 67 WB Deg. Return Air | Air Temperature Entering Evaporator Coil, Degree F | ||||||||||||
| Cooling Input (1000 BTU) | Pressure | 65° | 70° | 75° | 80° | 82° | 85° | 90° | 95° | 100° | 105° | 110° | 115° |
| 24 |
Suction | 135 | 136 | 137 | 139 | 139 | 141 | 143 | 146 | 148 | 150 | 152 | 154 |
| 30 | 135 | 137 | 140 | 142 | 143 | 145 | 147 | 150 | 152 | 154 | 155 | 157 | |
| 36 | 135 | 137 | 140 | 142 | 143 | 144 | 147 | 149 | 151 | 152 | 154 | 155 | |
| 42 | 129 | 132 | 135 | 139 | 140 | 141 | 143 | 145 | 146 | 147 | 148 | 149 | |
| 48 | 132 | 136 | 139 | 143 | 144 | 145 | 146 | 147 | 149 | 151 | 152 | 154 | |
| 60 | 130 | 131 | 133 | 134 | 135 | 136 | 139 | 141 | 144 | 146 | 149 | 152 | |
| 24 |
Liquid | 250 | 266 | 282 | 298 | 304 | 318 | 340 | 363 | 388 | 413 | 438 | 463 |
| 30 | 247 | 269 | 292 | 314 | 323 | 336 | 358 | 380 | 406 | 432 | 457 | 483 | |
| 36 | 250 | 275 | 301 | 326 | 336 | 351 | 375 | 399 | 423 | 446 | 470 | 493 | |
| 42 | 248 | 271 | 293 | 316 | 325 | 339 | 362 | 385 | 411 | 436 | 462 | 487 | |
| 48 | 265 | 286 | 308 | 329 | 338 | 352 | 376 | 400 | 427 | 455 | 482 | 509 | |
| 60 | 256 | 276 | 296 | 316 | 324 | 340 | 365 | 386 | 415 | 438 | 473 | 503 | |



INSTALLATION AND MAINTENANCE INSTRUCTIONS


























