![]()

Mounting Instructions
www.heidenhain.de/documentation
Warnings

Note: Mounting and commissioning are to be conducted by a qualified specialist under compliance with local safety regulations. Use the blowing feature only when the working space is closed.
Calibrate the touch probe with the calibration cycle of the control before commissioning. Tastsystem vor Inbetriebnahme mit Kalibrierzyklus der Steuerung kalibrieren.

Do not drop the touch probe.
Approval for radio transmission
For operation in radio mode (see page 18).
General information
Transceiver unit characteristics:
Operation frequency: 2400-2483,5 MHz
Modulation: O-QPSK
USA
(FCC ID YJKTSX6TTX6)?
FCC User information (the USA only)
acc. Section 15.19
This device complies with Part 15 of the FCC Rules. Operation is subject to the following two conditions:
(1) this device may not cause harmful interference, and
(2) this device must accept any interference received, including interference that may cause undesired operation.
acc. Section 15.21
Changes or modifications not expressly approved by the party responsible for compliance could void the user’s authority to operate the equipment.
acc. Section 15.105
NOTE: This equipment has been tested and found to comply with the limits for a Class B digital device, pursuant to part 15 of the FCC Rules. These limits are designed to rovide reasonable protection against harmful interference in a residential installation. This equipment generates, uses and can radiate radio frequency energy and, if not installed and used in accordance with the instructions, may cause harmful interference to radio communications. However, there is no guarantee that interference will not occur in a articular installation. If this equipment does cause harmful interference to radio or television reception, which can be determined by turning the equipment off and on, the user is encouraged to try to correct the interference by one or more of the following measures:
– Reorient or relocate the receiving antenna.
– Increase the separation between the equipment and receiver.
– Connect the equipment into an outlet on a circuit different from that to which the receiver is connected.
– Consult the dealer or an experienced radio/ TV technician for help.
Europe 
DR. JOHANNES HEIDENHAIN GmbH hereby declares that the TS 760 touch probe system is in compliance with the essential requirements and other relevant provisions of Directive 2014/53/EU.
The EC Declaration of Conformity can be requested from
DR. JOHANNES HEIDENHAIN GmbH
Dr.-Johannes-Heidenhain-Straße 5
83301 Traunreut, Germany or www.heidenhain.de
Canada IC: (11148A-TSX6TTX6)?
RSS Gen Issue 3 Sect. 7.1.3
This device complies with Industry Canada licence-exempt RSS standard(s). Operation is subject to the following two conditions:
(1) this device may not cause interference, and
(2) this device must accept any interference, including interference that may cause undesired operation of the device.
Approval for radio transmission For operation in radio mode (see page 20.)
Japan (204-360008)? Other countries upon request
Items supplied:*) Items supplied depend on the product variant

To be ordered separately:


Battery exchange:
Please dispose of the batteries properly. Adhere to the legal regulations of your country.
Use a coin to open the battery compartment.
Then perform any other necessary actions.
For max. operating time, HEIDENHAIN recommends 3.6 V lithium batteries, 1/2 AA. Alkaline batteries or NiMH accumulators with 1 to 4 V can also be used.

Ensure correct polarity!

The stylus must hang loose for the self-calibration
Setting the operating mode
For operation in radio transmission mode, please refer to the SE 66x Mounting Instructions.
Only for commissioning in radio transmission mode. Set rotary switch to position 2, insert batteries. The device is ready for pairing for 15 sec.

Note: Recenter, see pages 26 and 28
| Switch position | Activation | Transmission | Transmission unit |
| 1 *) | 1)IR | IR | SE 540 , SE 64x , SE 660 , SE 661 |
| 2 **) | 2)RF | IR, RF | E 660 4) SE 6614) |
| 3 | IR | IR | IR |
| 4 – 6 | Keine Belegung Not assigned | Pas d’affectation | Non occupatoLibre |
IR=
1) Infrared
2) RF= Radio
3)SE 540: as of ID 626001-xx
SE 640: as of ID 631225-xx
SE 642: as of ID 652792-01
) Shipping condition
4) For transmission unit settings, please refer to the corresponding operating instructions.
**) EnDat transmission with SE 661**)
5) SE 540: earlier than 3)
5) SE 640: earlier than 3)
Taper exchange

Secure the thread with Loctite 222/S8

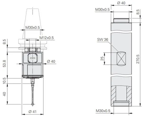
Dimensions

Stylus exchange
Note: Recenter, see pages 26 and 28
Electronic centering With automatic calibration cycle of the control
Required for:
– New touch probe
– After stylus exchange
– After a collision with collision protection

Mechanical centering Spindle or tool-setting device

Only necessary if electronic centering is not possible
Centering option 2, with pin wrench *) :

Only necessary if electronic centering is not possible
Status of the touch probe

| Touch probe ready, stylus at rest | |
| Touch probe ready, stylus deflected | |
| Possible error. Contact HEIDENHAIN service agency |
![]()
DR. JOHANNES HEIDENHAIN GmbH
Dr.-Johannes-Heidenhain-Strage 5
83301 Traunreut, Germany
+49 8669 31-0 +49 8669 32-5061
E-mail: [email protected]
Technical support Is +49 8669 32-1000
Measuring systems ‘
+49 8669 31-3104
E-mail: service.ms-[email protected]
NC support
+49 8669 31-3101
E-mail: service.nc-s[email protected]
NC programming
+49 8669 31-3103
E-mail: [email protected]
PLC programming
+49 8669 31-3102
E-mail: [email protected]
APP programming e +49 8669 31-3106
E-mail: [email protected]
www.heidenhain.de

















