R32 or R410A
AIR CONDITIONER (MULTI TYPE)
Installation Manual
Indoor Unit
For commercial use
Model name: 1-Way Cassette type
MMU-UP0151YHP-E/MMU-UP0181YHP-E
MMU-UP0241YHP-E/MMU-UP0271YHP-E

Original instruction
Please read this Installation Manual carefully before installing the Air Conditioner.
- This Manual describes the installation method of the indoor unit.
- For installation of the outdoor unit, follow the Installation Manual attached to the outdoor unit.
ADOPTION OF R32 or R410A REFRIGERANT
This Air Conditioner has adopted a refrigerant HFC (R32 or R410A) which does not destroy the ozone layer.
Be sure to check the refrigerant type for outdoor unit to be combined, and then install it.
„Maschinenlärminformations-Verordnung – 3. GPSGV, der höchste Schalldruckpegel beträgt 70 dB(A) oder weniger gemäss EN ISO 7779.“
Information
If U series models (TU2C-Link) are combined with models other than U series (TCC-Link), the wiring specifications and maximum number of connectable indoor units will be changed. Pay attentions to their communication specifications when carrying out the installation, maintenance, or repair. For its details, refer to the “Electrical connection” in this Manual.
Product information of ecodesign requirements. (Regulation (EU) 2016/2281) http://ecodesign.toshiba-airconditioning.eu/en
Thank you for purchasing this Toshiba air conditioner.
Please read carefully through these instructions that contain important information which complies with the Machinery Directive (Directive 2006/42/EC), and ensure that you understand them.
After completing the installation work, hand over this Installation Manual as well as the Owner’s Manual provided with the outdoor unit to the user, and ask the user to keep them in a safe place for future reference.
Generic Denomination: Air Conditioner
Definition of Qualified Installer or Qualified Service Person
The air conditioner must be installed, maintained, repaired and removed by a qualified installer or qualified service person. When any of these jobs is to be done, ask a qualified installer or qualified service person to do them for you.
A qualified installer or qualified service person is an agent who has the qualifications and knowledge described in the table below.
| Agent | Qualifications and knowledge which the agent must have |
| Qualified installer | • The qualified installer is a person who installs, maintains, relocates and removes the air conditioners made by Toshiba Carrier Corporation. He or she has been trained to install, maintain, relocate and remove the air conditioners made by Toshiba Carrier Corporation or, alternatively, he or she has been instructed in such operations by an individual or individuals who have been trained and is thus thoroughly acquainted with the knowledge related to these operations. • The qualified installer who is allowed to do the electrical work involved in installation, relocation and removal has the qualifications pertaining to this electrical work as stipulated by the local laws and regulations, and he or she is a person who has been trained in matters relating to electrical work on the air conditioners made by Toshiba Carrier Corporation or, alternatively, he or she has been instructed in such matters by an individual or individuals who have been trained and is thus thoroughly acquainted with the knowledge related to this work. • The qualified installer who is allowed to do the refrigerant handling and piping work involved in installation, relocation and removal has the qualifications pertaining to this refrigerant handling and piping work as stipulated by the local laws and regulations, and he or she is a person who has been trained in matters relating to refrigerant handling and piping work on the air conditioners made by Toshiba Carrier Corporation or, alternatively, he or she has been instructed in such matters by an individual or individuals who have been trained and is thus thoroughly acquainted with the knowledge related to this work. • The qualified installer who is allowed to work at heights has been trained in matters relating to working at heights with the air conditioners made by Toshiba Carrier Corporation or, alternatively, he or she has been instructed in such matters by an individual or individuals who have been trained and is thus thoroughly acquainted with the knowledge related to this work. |
| Qualified service person | • The qualified service person is a person who installs, repairs, maintains, relocates and removes the air conditioners made by Toshiba Carrier Corporation. He or she has been trained to install, repair, maintain, relocate and remove the air conditioners made by Toshiba Carrier Corporation or, alternatively, he or she has been instructed in such operations by an individual or individuals who have been trained and is thus thoroughly acquainted with the knowledge related to these operations. • The qualified service person who is allowed to do the electrical work involved in installation, repair, relocation and removal has the qualifications pertaining to this electrical work as stipulated by the local laws and regulations, and he or she is a person who has been trained in matters relating to electrical work on the air conditioners made by Toshiba Carrier Corporation or, alternatively, he or she has been instructed in such matters by an individual or individuals who have been trained and is thus thoroughly acquainted with the knowledge related to this work. • The qualified service person who is allowed to do the refrigerant handling and piping work involved in installation, repair, relocation and removal has the qualifications pertaining to this refrigerant handling and piping work as stipulated by the local laws and regulations, and he or she is a person who has been trained in matters relating to refrigerant handling and piping work on the air conditioners made by Toshiba Carrier Corporation or, alternatively, he or she has been instructed in such matters by an individual or individuals who have been trained and is thus thoroughly acquainted with the knowledge related to this work. • The qualified service person who is allowed to work at heights has been trained in matters relating to working at heights with the air conditioners made by Toshiba Carrier Corporation or, alternatively, he or she has been instructed in such matters by an individual or individuals who have been trained and is thus thoroughly acquainted with the knowledge related to this work. |
Definition of Protective Gear
When the air conditioner is to be transported, installed, maintained, repaired or removed, wear protective gloves and “Safety” work clothing.
In addition to such normal protective gear, wear the protective gear described below when undertaking the special work detailed in the table below.
Failure to wear the proper protective gear is dangerous because you will be more susceptible to injury, burns, electric shocks and other injuries.
| Work undertaken | Protective gear worn |
| All types of work | Protective gloves “Safety” working clothing |
| Electrical-related work | Gloves to provide protection for electricians and from heat Insulating shoes Clothing to provide protection from electric shock |
| Work done at heights (50 cm or more) | Helmets for use in industry |
| Transportation of heavy objects | Shoes with additional protective toe cap |
| Repair of outdoor unit | Gloves to provide protection for electricians and from heat |
These safety cautions describe important matters concerning safety to prevent injury to users or other people and damages to property. Please read through this manual after understanding the contents below (meanings of indications), and be sure to follow the description.
| Indication | Meaning of Indication |
| Text set off in this manner indicates that failure to adhere to the directions in the warning could result in serious bodily harm (*1) or loss of life if the product is handled improperly. | |
| Text set off in this manner indicates that failure to adhere to the directions in the caution could result in slight injury (*2) or damage (*3) to property if the product is handled improperly. |
*1: Serious bodily harm indicates loss of eyesight, injury, burns, electric shock, bone fracture, poisoning, and other injuries which leave aftereffect and require hospitalization or long-term treatment as an outpatient.
*2: Slight injury indicates injury, burns, electric shock, and other injuries which do not require hospitalization or long-term treatment as an outpatient.
*3: Damage to property indicates damage extending to buildings, household effects, domestic livestock, and pets.
MEANINGS OF SYMBOLS DISPLAYED ON THE UNIT
| WARNING (Risk of fire) | This mark is for R32 refrigerant only. Refrigerant type is written on nameplate of outdoor unit. In case that refrigerant type is R32, this unit uses a flammable refrigerant. If refrigerant leaks and comes in contact with fire or heating part, it will create harmful gas and there is risk of fire. | |
| Read the OPERATIONS MANUAL carefully before operation. | ||
| Service personnel are required to carefully read the OPERATIONS MANUAL and INSTALLATION MANUAL before operation. | ||
| Further information is available in the OPERATIONS MANUAL, INSTALLATION MANUAL, and the like. | ||
Warning indications on the air conditioner unit
| Warning indication | Description |
| WARNING ELECTRICAL SHOCK HAZARD Disconnect all remote electric power supplies before servicing. | |
| WARNING Moving parts. Do not operate unit with grille removed. Stop the unit before the servicing. | |
| CAUTION High temperature parts. You might get burned when removing this panel. | |
| CAUTION Do not touch the aluminium fins of the unit and ionizer PIN of Air purifier. Doing so may result in injury. | |
| CAUTION BURST HAZARD Open the service valves before the operation, otherwise there might be the burst. |
Precautions for safety
The manufacturer shall not assume any liability for the damage caused by not observing the description of this manual.
WARNING
General
- Before starting to install the air conditioner, read through the Installation Manual carefully, and follow its instructions to install the air conditioner.
- Only a qualified installer or service person is allowed to do installation work. Inappropriate installation may result in water leakage, electric shock or fire.
- Do not use any refrigerant different from the one specified for complement or replacement. Otherwise, abnormally high pressure may be generated in the refrigeration cycle, which may result in a failure or explosion of the product or an injury to your body.
- Before opening the air inlet grille of the indoor unit or service panel of the outdoor unit, set the circuit breaker to the OFF position. Failure to set the circuit breaker to the OFF position may result in electric shocks through contact with the interior parts. Only a qualified installer(*1) or qualified service person(*1) is allowed to remove the air inlet grille of the indoor unit or service panel of the outdoor unit and do the work required.
- Before carrying out the installation, maintenance, repair or removal work, set the circuit breaker to the OFF position.
Otherwise, electric shocks may result. - Place a “Work in progress” sign near the circuit breaker while the installation, maintenance, repair or removal work is being carried out. There is a danger of electric shocks if the circuit breaker is set to ON by mistake.
- Only a qualified installer(*1) or qualified service person(*1) is allowed to undertake work at heights using a stand of 50 cm or more or to remove the air inlet grille of the indoor unit to undertake work.
- Wear protective gloves and safety work clothing during installation, servicing and removal.
- Do not touch the aluminium fin of the unit. You may injure yourself if you do so. If the fin must be touched for some reason, first put on protective gloves and safety work clothing, and then proceed.
- Do not climb onto or place objects on top of the outdoor unit.
You may fall or the objects may fall off of the outdoor unit and result in injury. - When work is performed at heights, use a ladder which complies with the ISO 14122 standard, and follow the procedure in the ladder’s instructions. Also wear a helmet for use in industry as protective gear to undertake the work.
- Before cleaning the filter or other parts of the outdoor unit, set the circuit breaker to OFF without fail, and place a “Work in progress” sign near the circuit breaker before proceeding with the work.
- Before working at heights, put a sign in place so that no-one will approach the work location, before proceeding with the work.
Parts and other objects may fall from above, possibly injuring a person below. While carrying out the work, wear a helmet for protection from falling objects. - Do not use the refrigerant other than R32 or R410A.
For the refrigerant type, check the outdoor unit to be combined. - The refrigerant used by this air conditioner, follow to the outdoor unit.
- The air conditioner must be transported in stable condition.
If any part of the product is broken, contact the dealer. - When the air conditioner must be transported by hand, carry it by two or more people.
- Do not move or repair any unit by yourself. There is high voltage inside the unit. You may get electric shock when removing the cover and main unit.
- This appliance is intended to be used by expert or trained users in shops, in light industry, or for commercial use by lay persons.
Selection of installation location
- When the air conditioner is installed in a small room, provide appropriate measures to ensure that the concentration of refrigerant leakage occur in the room does not exceed the critical level.
- Do not install in a location where flammable gas leaks are possible. If the gas leak and accumulate around the unit, it may ignite and cause a fire.
- To transport the air conditioner, wear shoes with additional protective toe caps.
- To transport the air conditioner, do not take hold of the bands around the packing carton. You may injure yourself if the bands should break.
- Install the indoor unit at least 2.5 m above the floor level since otherwise the users may injure themselves or receive electric shocks if they poke their fingers or other objects into the indoor unit while the air conditioner is running.
- Do not place any combustion appliance in a place where it is directly exposed to the wind of air conditioner, otherwise it may cause imperfect combustion.
Installation
- When the indoor unit is to be suspended, the designated hanging bolts (M10 or W3/8) and nuts (M10 or W3/8) must be used.
- Install the air conditioner securely in a location where the base can sustain the weight adequately. If the strength is not enough, the unit may fall down resulting in injury.
- Follow the instructions in the Installation Manual to install the air conditioner. Failure to follow these instructions may cause the product to fall down or topple over or give rise to noise, vibration, water leakage or other trouble.
- Carry out the specified installation work to guard against the possibility of high winds and earthquake. If the air conditioner is not installed appropriately, a unit may topple over or fall down, causing an accident.
- If refrigerant gas has leaked during the installation work, ventilate the room immediately. If the leaked refrigerant gas comes in contact with fire, noxious gas may generate.
- Use forklift to carry in the air conditioner units and use winch or hoist at installation of them.
Refrigerant piping
- Install the refrigerant pipe securely during the installation work before operating the air conditioner. If the compressor is operated with the valve open and without refrigerant pipe, the compressor sucks air and the refrigeration cycles is over pressurized, which may cause an injury.
- Tighten the flare nut with a torque wrench in the specified manner. Excessive tighten of the flare nut may cause a crack in the flare nut after a long period, which may result in refrigerant leakage.
- After the installation work, confirm that refrigerant gas does not leak. If refrigerant gas leaks into the room and flows near a fire source, such as a cooking range, noxious gas may be generated.
- When the air conditioner has been installed or relocated, follow the instructions in the Installation Manual and purge the air completely so that no gases other than the refrigerant will be mixed in the refrigerating cycle. Failure to purge the air completely may cause the air conditioner to malfunction.
- Nitrogen gas must be used for the airtight test.
- The charge hose must be connected in such a way that it is not slack.
Electrical wiring
- Only a qualified installer(*1) or qualified service person(*1) is allowed to carry out the electrical work of the air conditioner.
Under no circumstances must this work be done by an unqualified individual since failure to carry out the work properly may result in electric shocks and/or electrical leaks. - To connect the electrical wires, repair the electrical parts or undertake other electrical jobs, wear gloves to provide protection for electricians and from heat, insulating shoes and clothing to provide protection from electric shocks.
Failure to wear this protective gear may result in electric shocks. - Use wiring that meets the specifications in the Installation Manual and the stipulations in the local regulations and laws.
Use of wiring which does not meet the specifications may give rise to electric shocks, electrical leakage, smoking and/or a fire. - Connect earth wire. (Grounding work) Incomplete grounding causes an electric shock.
- Do not connect earth wires to gas pipes, water pipes, and lightning conductor or telephone earth wires.
- After completing the repair or relocation work, check that the earth wires are connected properly.
- Install a circuit breaker that meets the specifications in the Installation Manual and the stipulations in the local regulations and laws.
- Install the circuit breaker where it can be easily accessed by the agent.
- When installing the circuit breaker outdoors, install one which is designed to be used outdoors.
- Under no circumstances the power wire must not be extended.
Connection trouble in the places where the wire is extended may give rise to smoking and/or a fire. - Electrical wiring work shall be conducted according to law and regulation in the community and Installation Manual.
Failure to do so may result in electrocution or short circuit.
Test run
- Before operating the air conditioner after having completed the work, check that the electrical control box cover of the indoor unit and service panel of the outdoor unit are closed, and set the circuit breaker to the ON position. You may receive an electric shock if the power is turned on without first conducting these checks.
- If there is any kind of trouble (such as an error display has appeared, smell of burning, abnormal sounds, the air conditioner fails to cool or heat or water is leaking) has occurred in the air conditioner, do not touch the air conditioner yourself but set the circuit breaker to the OFF position, and contact a qualified service person. Take steps to ensure that the power will not be turned on (by marking “out of service” near the circuit breaker, for instance) until qualified service person arrives.
Continuing to use the air conditioner in the trouble status may cause mechanical problems to escalate or result in electric shocks or other trouble. - After the work has finished, use an insulation tester set (500V Megger) to check the resistance is 1MΩ or more between the charge section and the non-charge metal section (Earth section). If the resistance value is low, a disaster such as a leak or electric shock is caused at user’s side.
- Upon completion of the installation work, check for refrigerant leaks and check the insulation resistance and water drainage.
Then conduct a test run to check that the air conditioner is operating properly.
Explanations given to user
- Upon completion of the installation work, tell the user where the circuit breaker is located. If the user does not know where the circuit breaker is, he or she will not be able to turn it off in the event that trouble has occurred in the air conditioner.
- If the fan grille is damaged, do not approach the outdoor unit but set the circuit breaker to the OFF position, and contact a qualified service person to have the repairs done. Do not set the circuit breaker to the ON position until the repairs are completed.
- After the installation work, follow the Operations Manual to explain to the customer how to use and maintain the unit.
Relocation
- Only a qualified installer(*1) or qualified service person(*1) is allowed to relocate the air conditioner. It is dangerous for the air conditioner to be relocated by an unqualified individual since a fire, electric shocks, injury, water leakage, noise and/or vibration
may result. - When carrying out the pump-down work shut down the compressor before disconnecting the refrigerant pipe.
Disconnecting the refrigerant pipe with the service valve left open and the compressor still operating will cause air or other gas to be sucked in, raising the pressure inside the refrigeration cycle to an abnormally high level, and possibly resulting in rupture, injury or other trouble.
CAUTION
This Air Conditioner has adopted a refrigerant HFC (R32 or R410A) which does not destroy the ozone layer.
- As the R32 or R410A refrigerant is easily affected by impurities such as moisture, oxidized film, oil, etc., due to the high pressure, be careful not to allow the moisture, dirt, existing refrigerant, refrigerating machine oil, etc., to get mixed up in the refrigeration cycle during the installation work.
- A special tool for the R32 or R410A refrigerant is required for installation.
- Use a new and clean piping materials for the connecting pipe so that moisture and dirt are not mixed together during the installation work.
- When using existing pipes, follow the Installation Manual enclosed with the outdoor unit.
(*1) Refer to the “Definition of Qualified Installer or Qualified Service Person.”
Accessory parts
Accessory parts
| Part name | Q’ty | Shape | Usage |
| Installation Manual | 1 | This manual | (Hand over to customers) (For other languages that do not appear in this Installation Manual, please refer to the enclosed CD-R.) |
| CD-ROM | 1 | — | Installation Manual |
| Heat insulating pipe | 2 | For heat insulation of pipe connecting section | |
| Installation pattern | 1 | — | For confirmation of ceiling opening and indoor unit position |
| Installation gauge | — | For positioning of ceiling position | |
| Washer | 4 | For hanging-down unit | |
| Eccentric washer | 4 | For hanging-down unit | |
| Hose band | 1 | For connecting drain pipe | |
| Flexible hose | 1 | For adjusting center of drain pipe | |
| Heat insulator | 1 | For heat insulation of drain connecting section |
Separate sold parts
- The Ceiling panel and remote controller are sold separately. For the installation of these products, follow the Installation Manuals supplied with them.
- The wireless type remote controller is designed to be installed by attaching a wireless remote controller kit (sold separately) to the standard panel. (The wireless remote controller kit consists of a wireless remote controller and adjust corner caps with a receiver section.)
Selection of installation place
WARNING
- Install the air conditioner at enough strong place to withstand the weight of the unit.
If the strength is not enough, the unit may fall down resulting in injury. - Install the air conditioner at a height 2.5 m or more from the floor.
If you insert your hands or others directly into the unit while the air conditioner operates, it is dangerous because you may contact with revolving fan or active electricity.
CAUTION
Do not install the air conditioner in a location subject to a risk of exposure to a combustible gas.
If a combustible gas leaks and stays around the unit, a fire may occur.
Upon approval of the customer, install the air conditioner in a place that satisfies the following conditions.
- Place where the unit can be installed horizontally.
- Place where a sufficient servicing space can be ensured for safety maintenance and check.
- Place where drained water will not cause any problem.
Avoid installing in the following places.
- Place exposed to air with high salt content (seaside area), or place exposed to large quantities of sulfide gas (hot spring).
(Should the unit be used in these places, special protective measures are needed.) - A restaurant kitchen where a lot of oil is used or place near machines in a factory (Oil adhering to the heat exchanger and resin part in the indoor unit may reduce the performance, generate mist or dew drop, or deform or damage resin parts.)
- Places where iron or other metal dust is present. If iron or other metal dust adheres to or collects on the interior of the air conditioner, it may spontaneously combust and start a fire.
- Place where organic solvent is used nearby.
- Place where the discharged air blows directly into the window of the neighbour house. (Outdoor unit)
- Place where noise of the outdoor unit is easily transmitted.
(When install the outdoor unit on the boundary with the neighbour, pay due attention to the level of noise.) - Place with poor ventilation. (Before air ducting work, check whether value of air volume, static pressure and duct resistance are correct.)
- Do not use the air conditioner for special purposes such as preserving food, precision instruments, or art objects, or where breeding animals or growing plants are kept. (This may degrade the quality of preserved materials.)
- Place where any of high-frequency appliances (including inverter devices, private power generators, medical equipment, and communication equipment) and inverter-type fluorescent light is installed.
(A malfunction of the air conditioner, abnormal control, or problems due to noise to such appliances / equipment may occur.) - When the wireless remote controller is used in a room equipped with an inverter-type fluorescent light or at a place exposed to direct sunlight, signals from the remote controller may not be received correctly.
- Place near a door or window exposed to humidity outside air. (Dew dropping may form.)
- Place where special spray is used frequently.
Installation space
(Unit: mm)
Secure the specified space in the figure for installation and servicing.
Selection of installation place
In case of continued operation of the indoor unit under high-humidity conditions as described below, dew may condense and water may drop.
Especially, high-humidity atmosphere (dew point temperature: 23°C or more) may generate dew inside the ceiling.
- Unit is installed inside the ceiling with slated roof.
- Unit is installed at a location using inside of the ceiling as fresh air take-in path.
- Unit is installed in the kitchen.
Advice
- If installing a unit at such place, put insulating material (glass wool, etc.) additionally on all the positions of the indoor unit which come to contact with high-humidity atmosphere.
REQUIREMENT
When the humidity inside the ceiling seems to be higher than 80%, attach a heat insulator to the side (top) surface of the indoor unit. (Use a heat insulator that is 10 mm or more thick.)
Ceiling height
| Model | Possible installed ceiling height |
| UP0151 to UP0271 | Up to 3.2 m |
If height of ceiling exceeds 2.8 m, hot air becomes difficult to reach the floor surface, and then the change of setup of high ceiling is necessary.
For the change method of high ceiling, refer to the application control, “Installing indoor unit on high ceiling” in this Manual.
Height list of ceiling possible to be installed
| Model | UP0151 to UP0271 | SET DATA |
| Standard (Factory default) | Up to 2.8 m | 0000 |
| High ceiling (1) | Up to 3.2 m | 0001 |
The lighting time of the filter sign (notification of filter cleaning) on the remote controller can be changed according to installation conditions.
When it is difficult to obtain satisfactory heating due to location place of the indoor unit or the structure of the room, the detection temperature of heating can be raised.
For change the setup time, refer to the application control, “Filter sign setting” and “To secure better effect of heating” in this Manual.
Installation
CAUTION
Strictly comply with the following rules to prevent damage of the indoor units and human injury.
- Do not put a heavy article on the indoor unit. (Even units are packaged)
- Carry in the indoor unit as it is packaged if possible. If carrying in the indoor unit unpacked by necessity, be sure to use buffering cloth, etc. to not damage the unit.
- To move the indoor unit, hold the hooking metals (4 positions) only.
Do not apply force to the other parts (refrigerant pipe, drain pan, foamed parts, or resin parts, etc.). - Carry the package by two or more persons, and do not bundle it with plastic band at positions other than specified.
- To install vibration isolation material to hanging bolts. Confirm that it dose not increase the unit vibration.
External dimensions
(Unit: mm)

| Model MMU- | A | B |
| UP0151, UP0181 | Ø6.35 | Ø12.7 |
| UP0241, UP0271 | Ø9.52 | Ø15.88 |
Opening a ceiling and
installation of hanging bolts
- Consider the piping / wiring after the unit is hung when determining the location of the indoor unit installation and orientation.
- After the location of the indoor unit installation has been determined, open the ceiling and install hanging bolts.
- The dimensions of the ceiling opening and hanging bolt pitches are given in the outline drawing and the attached installation pattern.
- When a ceiling already exists, lay the drain pipe, refrigerant pipe, indoor unit / outdoor unit connection wires, and remote controller wires to their connection locations before hanging the indoor unit.
Procure hanging bolts and nuts for installing the indoor unit (these are not supplied).
| Hanging bolt | M10 or W3/8 | 4 pieces |
| Nut | M10 or W3/8 | 12 pieces |
Using the installation pattern
(accessory)
The installation pattern is provided inside the packaging cap.
<For existing ceiling>
Use the installation pattern positioning a ceiling opening and hanging bolts.
<For new ceiling>
Use the installation pattern to position the ceiling opening when hanging a ceiling.
- After the hanging bolts have been installed, install the indoor unit.
- Hook the four holes in the installation pattern to the panel fixing screws of the indoor unit.
- When hanging a ceiling, open the ceiling along the outside dimensions of the installation pattern.

Treatment of ceiling
The ceiling differs according to structure of building.
For details, consult your constructor or interior finish contractor.
In the process after the ceiling board has been
removed, it is important to reinforce ceiling foundation (frame) and to keep horizontal level of installed ceiling correctly in order to prevent vibration of ceiling board.
- Cut and remove the ceiling foundation.
- Reinforce the cut surface of ceiling foundation, and add ceiling foundation for fixing the end of ceiling board.
Installation of hanging bolt
Use M10 hanging bolts (4 pcs, locally procured).
Matching to the existing structure, set pitch according to size in the unit external view as shown below.
New concrete slab
Install the bolts with insert brackets or anchor bolts.
Steel frame structure
Use existing angles or install new support angles.
Existing concrete slab
Use a hole-in anchors, hole-in plugs, or a hole-in bolts.
Installation of ceiling opening and hanging bolt

- Attach a nut (M10 or W3/8: not supplied) and the Ø34 washer (supplied) to each hanging bolt.
- Insert a washer on both sides of the T groove of the hanging bracket of the indoor unit, and hang the indoor unit.
- Check that the four sides of the indoor unit are level using a level vial (levelness: 5 mm or less).
- Detach the installation gauge (accessory) from the installation pattern.
- Using the installation gauge, check and adjust the positional relation between the indoor unit and the ceiling opening.
(How to use the installation gauge is printed on the gauge.)

Installation of ceiling panel
(Sold separately)
Install the ceiling panel according to Installation Manual attached with it after piping / wiring work has completed.
Check that installation of indoor unit and ceiling opening part is correct, and then install it.
REQUIREMENT
- Joint the connecting sections of ceiling panel, ceiling surface, ceiling panel and indoor unit closely.
Any gap between them will cause air leakage and the generate condensation or water leakage. - Remove the adjust corner caps at the four corners of the ceiling panel, and then install the ceiling panel onto the indoor unit.
- Make sure that the claws of the four adjust corner caps are securely fit.
* Improper fitting of the claws may cause water leakage.
Installation of remote
controller (Sold separately)
For installation of the wired remote controller, follow the Installation Manual attached with the remote controller.
- Pull out the remote controller cord together with the refrigerant pipe or drain pipe.
Be sure to pass the remote controller cord through upper side of the refrigerant pipe and drain pipe. - Do not leave the remote controller at a place exposed to the direct sunlight and near a stove.
Wireless type
(Sold separately)
The sensor of indoor unit with wireless remote controller can receive a signal by distance within approx. 7 m. Based upon it, determine a place where the remote controller is operated and the installation place.
- Operate the remote controller, confirm that the indoor unit receives a signal surely, and then install it.
- Keep 1 m or more from the devices such as television, stereo, etc.
(Disturbance of image or noise may generate.) - To prevent a malfunction, select a place where is not influenced by a fluorescent light or direct sunlight.
- Two or more (Up to 6 units) indoor units with wireless type remote controller can be installed in the same room.

Drain piping
CAUTION
Following the Installation Manual, perform the drain piping work so that water is properly drained, and apply a heat insulation so as not to cause a dew dropping.
Inappropriate piping work may result in water leakage in the room and wet of furniture.
Piping / Heat insulating material
Require the following materials for piping and heat insulating at site.
| Piping | Hard vinyl chloride pipe VP25 (Outer dia. : Ø32 mm) |
| Heat insulator | Foam polyethylene : Thickness 10 mm or more |
Flexible hose
Use the attached flexible hose to adjust centre discrepancy of the hard vinyl chloride pipe or to adjust the angle.
- Do not use the flexible hose as stretched, or do not deform it more extent than that in the following figure.
- Be sure to fix the soft end of the flexible hose with the attached hose band.
- Use the flexible hose on a horizontal level.

REQUIREMENT
- Be sure to perform heat insulation of the drain pipes of the indoor unit.
- Never forget to perform heat insulation of the connecting part with the indoor unit.
An incomplete heat insulation causes dew dropping. - Set the drain pipe with downward slope (1/100 or more), and do not make swelling or trap on the piping.
It may cause an abnormal sound.
- For length of the traversing drain pipe, restrict to 20 m or less.
In case of a long pipe, provide support brackets with interval of 1.5 to 2 m in order to prevent waving.
- Set the collective piping as shown in the below figure.

- Be sure not to apply force to the connecting part of the drain pipe.
- The hard vinyl-chloride pipe cannot be directly connected to the drain pipe connecting port of the indoor unit.
For connection with the drain pipe connecting port, be sure to use / fix the attached flexible hose with the hose band, otherwise a damage or water leak is caused on the drain pipe connecting port.

Adhesive inhibited :
Use the attached flexible hose and hose band for connecting the drain hose to the clear drain socket.
If applying the adhesive, socket will be damaged and cause water leakage.
Connecting drain pipe
- Connect a hard socket (locally procured) to the hard socket of the attached supplied flexible hose.
- Connect a drain pipe (locally procured) to the connected hard socket.
REQUIREMENT
- Connect hard vinyl chloride pipes securely using an adhesive for vinyl chloride to avoid water leakage.
- It takes some time until the adhesive is dried and hardened (refer to the manual of the adhesive).
Do not apply stress to the joint with the drain pipe during this time period.
Drain up
When a down-gradient cannot be secured for the drain pipe, drain-up piping is possible.
- The height of the drain pipe must be 500 mm or less rom the bottom of the ceiling.
- Take the drain pipe out of the drain pipe joint with the indoor unit in 300 mm or less, and bend up the pipe vertically.
- Immediately after the pipe is bent up vertically, lay the pipe making a down-gradient.
- Set downward grading immediately after raising up vertically.

Check the draining
In the test run, check that water drain is properly performed and water does not leak from the connecting part of the pipes.
Be sure to check draining also when installed in heating period.
Using a pitcher or hose, pour water (1500 to 2000 cc) into the suction port before installation of the ceiling panel.
Pour water gradually so that water does not spread on the motor of the drain pump.
CAUTION
Pour water gently so that it does not spread around inside the indoor unit, which may cause a malfunction.
- After the electric work has finished, pour water during COOL mode operation.
- If the electric work has not yet finished, pull out the float switch connector (CN34: Red) from the electrical control box, and check draining by plugging the single phase 208 to 240V power to the terminal blocks (L) and (N).
If doing so, the drain pump motor operates.
(Never apply 208 to 240V to (Uv (U1)), (Uv (U2)), (A), (B) otherwise a trouble of P.C. Board occurs.) - Test water drain while checking the operation sound of the drain pump motor.
(If the operation sound changes from continuous sound to intermittent sound, water is normally drained.)
After the check, the drain pump motor runs, connecting the float switch connector.
(In case of check by pulling out the float switch connector, be sure to return the connector to the original position.)

Heat insulating
- As shown in the figure, cover the flexible hose and hose band with the attached heat insulator up to the bottom of the indoor unit without gap.
- Cover the drain pipe seamlessly with a heat insulator locally procured so that it overlaps with the attached heat insulator of the drain connecting section.
* Direct the slits and seams of the heat insulator upward to avoid water leakage.
Refrigerant piping
CAUTION
When the refrigerant pipe is long, provide support brackets at intervals of 2.5 m to 3 m to clamp the refrigerant pipe. Otherwise, abnormal sound may be generated.
Permissible piping length and height difference
They vary depending on the outdoor unit. For details, refer to the Installation Manual attached to the outdoor unit.
CAUTION
IMPORTANT 4 POINTS FOR PIPING WORK
- Reusable mechanical connectors and flared joints are not allowed indoors. When mechanical connectors are reused indoors, sealing parts shall be renewed. When flared joints are reused indoors, the flare part shall be refabricated.
- Tight connection (between pipes and unit)
- Evacuate the air in the connecting pipes by using VACUUM PUMP.
- Check the gas leakage. (Connected points)
Pipe size
Model name | UP0151, UP0181 type | UP0241, UP0271 type | |
| Pipe size | Gas side | 12.7 mm | 15.9 mm |
| Liquid side | 6.4 mm | 9.5 mm | |
Connecting refrigerant piping
Flaring
- Cut the pipe with a pipe cutter.
Remove burrs completely.
Remaining burrs may cause gas leakage. - Insert a flare nut into the pipe, and flare the pipe.
As the flaring sizes of R32 or R410A differ from those of refrigerant R22, the flare tools newly manufactured for R32 or R410A are recommended.
However, the conventional tools can be used by adjusting projection margin of the copper pipe.
Projection margin in flaring: B (Unit: mm)
| Outer dia. of copper pipe | Tool used | Conventional tool used |
| 6.4, 9.5 | 0 to 0.5 | 1.0 to 1.5 |
| 12.7, 15.9 | 0 to 0.5 | 1.5 to 2.0 |

Flaring diameter size: A (Unit: mm)
| Outer dia. of copper pipe | A +0 –0.4 |
| 6.4 | 9.1 |
| 9.5 | 13.2 |
| 12.7 | 16.6 |
| 15.9 | 19.7 |

CAUTION
- Do not scratch the inner surface of the flared part when removing burrs.
- Flare processing under the condition of scratches on the inner surface of flare processing part will cause refrigerant gas leak.
- Check that the flared part is not scratched, deformed, stepped, or flattened, and that there are no chips adhered or other problems, after flare processing.
- Do not apply refrigerating machine oil to the flare surface.
* In case of flaring for R32 or R410A with the conventional flare tool, pull it out approx. 0.5 mm more than that for R22 to adjust to the specified flare size. The copper pipe gauge is useful for adjusting projection margin size. - The sealed gas was sealed at the atmospheric pressure so when the flare nut is removed, there will no “whooshing” sound: This is normal and is not indicative of trouble.
- Use two wrenches to connect the indoor unit pipe.

- Use the tightening torque levels as listed in the following table.
| Outer dia. of connecting Pipe (mm) | Tightening torque (N•m) |
| 6.4 | 14 to 18 (1.4 to 1.8 kgf•m) |
| 9.5 | 34 to 42 (3.4 to 4.2 kgf•m) |
| 12.7 | 49 to 61 (4.9 to 6.1 kgf•m) |
| 15.9 | 63 to 77 (6.3 to 7.7 kgf•m) |
Tightening torque of flare pipe connections
Incorrect connections may cause not only a gas leak, but also a trouble of the refrigeration cycle.
Align the centres of the connecting pipes and tighten the flare nut as far as possible with your fingers. Then tighten the nut with a spanner and torque wrench as shown in the figure.
CAUTION
Tightening with an excessive torque may crack the nut depending on installation conditions.
Evacuation
Perform vacuuming from the charge port of valve of the outdoor unit by using a vacuum pump.
For details, follow to the Installation Manual attached to the outdoor unit.
- Do not use the refrigerant sealed in the outdoor unit for evacuation.
REQUIREMENT
For the tools such as charge hose, use those manufactured exclusively for R32 or R410A.
Refrigerant amount to be added
For addition of the refrigerant, add refrigerant “R32 or R410A” referring to the attached Installation Manual of outdoor unit.
Use a scale to charge the refrigerant of specified amount.
REQUIREMENT
- Charging an excessive or too little amount of refrigerant causes a trouble of the compressor.
Charge the refrigerant of specified amount. - A personnel who charged the refrigerant should write down the pipe length and the added refrigerant amount in the F-GAS label of the outdoor unit. It is necessary to fix the compressor and refrigeration cycle malfunction.
Open the valve fully
Open the valve of the outdoor unit fully.
A 4 mm-hexagonal wrench is required for opening the valve.
For details, refer to the Installation Manual attached to the outdoor unit.
Gas leak check
Check with a leak detector or soap water whether gas leaks or not, from the pipe connecting section or cap of the valve.
REQUIREMENT
Use a leak detector manufactured exclusively for HFC refrigerant (R32, R134a, R410A, etc).
Airtight test / Air purge, etc.
For airtight test, air purge, addition of refrigerant, and gas leak check, refer to the Installation Manual attached to the outdoor unit.
REQUIREMENT
Do not supply power to the indoor unit until the airtight test and vacuuming are completed.
(If the indoor unit is powered on, the pulse motor valve is fully closed, which extends the time for vacuuming.)
Heat insulation process
Apply heat insulation for the pipes separately at liquid side and gas side.
For the heat insulation to the pipes at gas side, be sure to use the material with heat-resisting temperature 120°C or higher.
Using the attached heat insulation material, apply the heat insulation to the pipe connecting section of the indoor unit securely without gap.
REQUIREMENT
- Apply the heat insulation to the pipe connecting section of the indoor unit securely up to the root without exposure of the pipe. (The pipe exposed to the outside causes water leak.)
- Wrap heat insulator with its slits facing up (ceiling side).

Electrical connection
WARNING
- Use the specified wires for wiring connection to the terminals. Securely fix them to prevent external forces applied to the terminals from affecting the terminals.
Incomplete connection or fixation may cause a fire or other trouble. - Connect earth wire. (grounding work) Incomplete earthing cause an electric shock.
Do not connect earth wires to gas pipes, water pipes, lightning conductor or telephone earth wires. - Appliance shall be installed in accordance with national wiring regulations.
Capacity shortage of power circuit or incomplete installation may cause an electric shock or a fire.
CAUTION
- The wire size and wire length of the communication line differs depending on the outdoor unit series to be connected.
- If incorrect / incomplete wiring is carried out, it will cause an electrical fire or smoke.
- Install an earth leakage breaker that is not tripped by shock waves.
If an earth leakage breaker is not installed, an electric shock may be caused. - Use the cord clamps attached to the product.
- Do not damage or scratch the conductive core and inner insulator of power and control wires when peeling them.
- Use the power supply wire and control wires of specified thickness, type, and protective devices required.
- Do not connect 208 to 240V power to the terminal blocks (Uv (U1)), (Uv (U2)), (A), (B) for control wiring.
(Otherwise, the system will fail.) - Perform the electric wiring so that it does not come to contact with the high-temperature part of the pipe.
The coating may melt resulting in an accident. - Be careful of fan operation when the circuit breaker is turned on. When the leak detector is connected in combination with the R32 outdoor unit, if the refrigerant leak detection sensor detects the refrigerant leak, a fan automatically rotates even while an air conditioner stops. Be careful not to be injured by the fan.
REQUIREMENT
- For power supply wiring, strictly conform to the Local Regulation in each country.
- For wiring of power supply of the outdoor units, follow the Installation Manual of each outdoor unit.
- After connecting wires to the terminal blocks, provide a trap and fix wires with the cord clamp.
- Run the refrigerant piping line and communication line in the same line.
- Do not turn on the power of the indoor unit until vacuuming of the refrigerant pipes completes.
Power supply wire and communication wires specifications
Power supply wire and communication wires are locally procured.
For the power supply specifications, follow to the table below. If capacity is little, it is dangerous because overheat or burnout may be caused.
For specifications of the power capacity of the outdoor unit and the power supply wires, refer to the Installation
Manual attached to the outdoor unit.
Indoor unit power supply
- For the power supply of the indoor unit, prepare the exclusive power supply separated from that of the outdoor unit.
- Arrange the power supply, circuit breaker, and main switch of the indoor unit connected to the same outdoor unit so that they are commonly used.
- Power supply wire specification: Cable 3-core 2.5 mm², in conformity with Design 60245 IEC 57.
Power supply
| Power supply | 220-240V ~, 50 Hz 208-230V ~, 60 Hz | ||
| Power supply switch / circuit breaker or power supply wiring / fuse rating for indoor units should be selected by the accumulated total current values of the indoor units. | |||
| Power supply wiring | Below 50 m | 3 ×2.5 mm² (power supply and earth) | |
Control wiring, Central controller wiring
- 2-core with non-polarity wires are used for the Control wiring between indoor unit and outdoor unit and Central controller wiring.
- To prevent noise trouble, use 2-core shield wire.
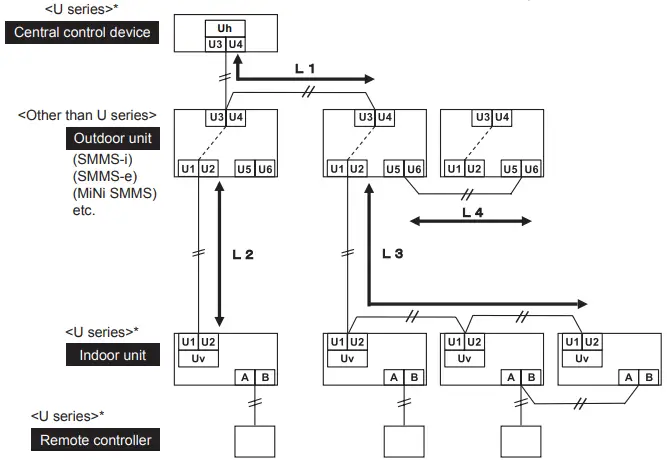
Communication line
TU2C-Link models (U series) can be combined with TCC-Link models (other than U series).
For details of communication type, refer to the following table.
Communication type and model names
| Communication type | TU2C-Link (U series and future models) | TCC-Link (Other than U series) |
| Outdoor unit | Other than U series MMY-MAP*** , MMY-SAP*** MCY-MHP * * * | |
| Indoor unit | Other than U series MM*-AP*** | |
| Wired remote controller | Other than U series | |
| Wireless remote controller kit & receiver unit | This letter indicates U series model. | Other than U series |
| Remote sensor | This letter indicates U series model. | Other than U series |
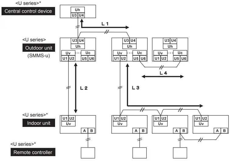
U series outdoor unit: SMMS-u, SMMS∞, SHRM-A, MiNi-SMMS
Other than U series outdoor unit: SMMS-i, SMMS-e, SHRM-e, SMMS-7 etc.
<In the case of combining with outdoor units of Super Modular Multi System u series (SMMS-u)>
Follow the wiring specifications in the table below even when units other than U series are mixed in the indoor units and remote controllers to be connected.
| Uv line and Uc line (L2, L3, L4) (2-core shield wire, non-polarity) | Wire size : 1.0 to 1.5 mm² (Up to 1000 m) |
| Uh line (L1) (2-core shield wire, non-polarity) | Wire size : 1.0 to 1.5 mm² (Up to 1000 m) 2.0 mm² (Up to 2000 m) |
- U (v, h, c) line means of control wiring.
Uv line : Between indoor and outdoor units.
Uh line : Central control line.
Uc line : Between outdoor and outdoor units. - Uv line and Uc line are independent from another refrigerant line. Total length of Uv and Uc lines (L3 + L4) in each refrigerant line is up to 1000 m.
REQUIREMENT
For connection of Uv line / Uc line or Uh line, wire each line using wires with the same type and size.
If different wire types and size are mixed and used in a system, communication trouble is caused.
[Uh line]
L1 = Up to 2000 m
[Uv and Uc line]
L2 = Up to 1000 m
(L3 + L4) = Up to 1000 m

* Even if the indoor units, the remote controllers, and the central control device are models other than U series, their system diagrams for the wiring specifications are the same as the system diagram above.
<In the case of combining with outdoor units other than Super Modular Multi System u series (SMMS-u)>
| Control wiring between indoor units, and outdoor unit (L2, L3) (2-core shield wire, non-polarity) | Wire size : 1.25 mm² (Up to 1000 m) 2.0 mm² (Up to 2000 m) |
| Central control line wiring (L1) (2-core shield wire, non-polarity) | |
| Control wiring between outdoor units (L4) (2-core shield wire, non-polarity) | Wire size : 1.25 to 2.0 mm² (Up to 100 m) |
- The length of the communication line (L1+L2+L3) means the total length of the inter-unit wire length between indoor and outdoor units added with the central control system wire length.
REQUIREMENT
For connection of between indoor and outdoor units line / between outdoor and outdoor units line or central control line, wire each line using wires with the same type and size. If different wire types and size are mixed and used in a system, communication trouble is caused.
[Communication line]
(L1 + L2 + L3) = Up to 2000 m
L4 = Up to 100 m
* Even if the indoor units, the remote controllers, and the central control device are models other than U series, their system diagrams for the wiring specifications are the same as the system diagram above.
Wire connection
REQUIREMENT
- Be sure to connect the wires matching the terminal numbers. Incorrect connection causes a trouble.
- Be sure to pass the wires through the bushing of wiring connection port of the indoor unit.
- Keep a margin (Approx. 100 mm) on a wire to hang down the electrical control box at servicing, etc.
- The low-voltage circuit is provided for the remote controller. (Do not connect the high-voltage circuit)
- Make a loop on the wire for margin of the length so that the electrical control box can be taken out during servicing.
- Remove the cover of the electrical control box by taking off the mounting screw and pushing the hooking section.
(The cover of the electrical control box remains hanged to the hinge.) - Connect the power supply wire and remote controller wire to the terminal block of the electrical control box.
- Tighten the screws of the terminal block, and fix the wires with cord clamp attached to the electrical control box.
(Do not apply tension to the connecting section of the terminal block.) - Mount the cover of the electrical control box without pinching wires.
(Mount the cover after wiring on the ceiling panel.)

Remote controller wiring
Strip off approx. 9 mm the wire to be connected.
Wiring diagram
- 2-core with non-polarity wire is used for the remote controller wiring and group remote controllers wiring.
| Remote controller wiring, remote controller inter-unit wiring | Wire size: 0.5 mm² to 2.0 mm² |
| Total wire length of remote controller wiring and remote controller inter-unit wiring = L + L1 + L2 + … Ln | In case of one remote controller | Up to 500 m |
| In case of two remote controller | Up to 400 m | |
| Max. length of each remote control wiring between indoor units = L1, L2, … , Ln | Up to 200 m | |
CAUTION
- The remote controller wire (Communication line) and AC 220V wires cannot be parallel to contact each other and cannot be stored in the same conduits. If doing so, a trouble may be caused on the control system due to noise or other factor.
- If U series models (TU2C-Link) are combined with models other than U series (TCC-Link), the wiring specifications and maximum number of connectable indoor units will be changed. Pay attentions to their communication specifications when carrying out the installation, maintenance, or repair. For its details, refer to the “Communication line” in Electrical connection.
Max. number of connectable indoor units, and communication type
| Unit type | ||||||||
| Outdoor unit | U series | U series | U series | U series | * | * | * | * |
| Indoor unit | U series | U series | * | * | U series | U series | * | * |
| Remote controller | U series | * | U series | * | U series | * | U series | * |
| Communication type | TU2C-Link | TCC-Link | ||||||
| Max. number of connectable units | 16 | 8 | ||||||
* : Other than U series
REQUIREMENT
After carrying out installation of additional indoor unit, relocation, or repairing, set the addresses again.
For its detail, refer to the Installation Manual attached to the outdoor unit.
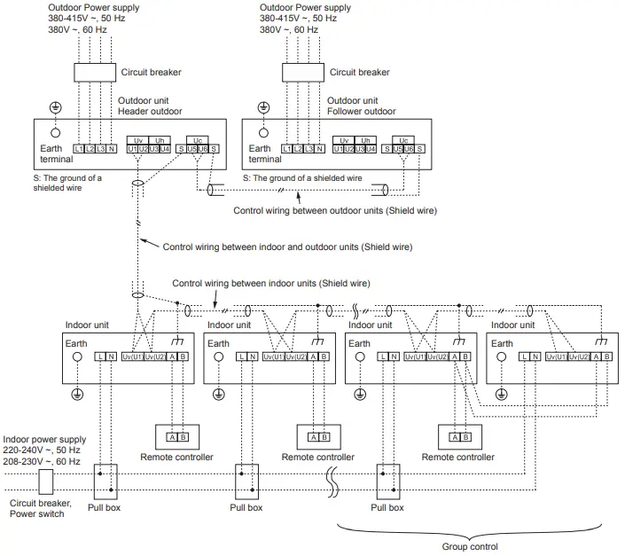
Wiring between indoor and outdoor units
NOTE
A wiring diagram below is an example for connection to SMMS-u series. For connecting to other outdoor unit series, refer to the Installation Manual attached to the outdoor unit to be connected.
Wiring example

Address setup
Set up the addresses as per the Installation Manual supplied with the outdoor unit.
Wiring on the ceiling panel
According to the Installation Manual of the ceiling panel, connect the connector (20P: White) of the ceiling panel to the connector (CN510: White) on P.C. Board of the electrical control box.
Applicable controls
REQUIREMENT
When the air conditioner is used for the first time, it will take some moments after the power has been turned on before the remote controller becomes available for operations: This is normal and is not indicative of trouble.
- Concerning the automatic addresses (The automatic addresses are set up by performing operations on the outdoor interface circuit board.) While the automatic addresses are being set up, no remote controller operations can be performed. Setup takes up to 10 minutes (usually about 5 minutes).
- When the power is turned on after automatically address setup, It takes up to 10 minutes (usually about 3 minute) for the outdoor unit to start operating after the power has been turned on.
Before the air conditioner was shipped from the factory, all units are set to [STANDARD] (factory default).
If necessary, change the indoor unit settings. The settings are changed by operating the wired remote controller.
* The settings cannot be changed using only a wireless remote controller and simple remote controller by itself so install a wired remote controller separately as well.
Applicable controls setup
(settings at the site)
Remote controller model name:
RBC-ASCU11-E
Basic procedure
Be sure to stop the air conditioner before making settings.
(Change the setup while the air conditioner is not working.)
CAUTION
Set only the Code No. shown in the following table:
Do NOT set any other Code No.
If a Code No. not listed is set, it may not be possible to operate the air conditioner or other trouble with the product may result.
- Push and hold menu button and [
] setting button simultaneously for 10 seconds or more.
• After a while, the display flashes as shown in the figure. “ALL” is displayed as indoor unit numbers during initial communication immediately after the power has been turned on.
- Each time [
] [
] setting button is pushed, indoor unit numbers in the group control change cyclically. Select the indoor unit to change settings for.
• The fan of the selected indoor unit runs.
The indoor unit can be confirmed for which to change settings. - Push OFF timer button to confirm the selected indoor unit.

- Push the menu button to make Code No.
[ **]flash.ChangeCodeNo.[**]with[
] [
] setting button. - Push the menu button to make Set data [****] flash. Change Set data [****] with [
] [
] setting button. - Push OFF timer button.
By doing so, the setup is completed.
• To change other settings of the selected indoor unit, repeat from Procedure 4. - When all the settings have been completed, push ON/OFF button to determine the settings.
“
” flashes and then the display content disappears and the air conditioner enters the normal stop mode. (The remote controller is unavailable while “
” is flashing.)
• To change settings of another indoor unit, repeat from Procedure 1.
Installing indoor unit on high ceiling
When an indoor unit is installed on a ceiling higher than the standard height, make the high-ceiling setting for fan speed adjustment.
Follow to the basic operation procedure
(1 → 2 → 3 → 4 → 5 → 6).
- For the CODE No. in Procedure 4, specify [5d].
- Select the SET DATA for Procedure 5 from the
“Height list of ceiling possible to be installed” table in this manual.
Remote controller-less setting
Change the high-ceiling setting with the DIP switch on the receiver section P.C. Board.
For details, refer to the manual of the wireless remote controller kit. The settings can also be changed with the switch on the indoor microcomputer P.C. Board.
* Once the setting is changed, setting to 0001 is possible, however setting to 0000 requires a setting data change to 0000 using the wired remote controller (separately sold) with the normal switch setting (factory default).
| SET DATA | SW501-1 | SW501-2 |
| 0000 (Factory default) | OFF | OFF |
| 0001 | ON | OFF |
To restore the factory defaults
To return the DIP switch settings to the factory defaults, set SW501-1 and SW501-2 to OFF, connect a separately sold wired remote controller, and then set the data of CODE No. [5d] to “0000”.
Change of lighting time of filter sign
According to the installation condition, the lighting time of the filter sign (Notification of filter cleaning) can be changed.
Follow the basic operation procedure
(1 → 2 → 3 → 4 → 5 → 6).
- For the CODE No. in Procedure 3, specify [01].
- For the SET DATA in Procedure 4, select the SET DATA of filter sign lighting time from the following table.
| SET DATA | Filter sign lighting time |
| 0000 | None |
| 0001 | 150 H |
| 0002 | 2500 H (Factory default) |
| 0003 | 5000 H |
| 0004 | 10000 H |
To secure better effect of heating
When it is difficult to obtain satisfactory heating due to installation place of the indoor unit or structure of the room, the detection temperature of heating can be raised. Also use a circulator, etc. to circulate heat air near the ceiling.
Follow the basic operation procedure
(1 → 2 → 3 → 4 → 5 → 6).
- For the CODE No. in Procedure 3, specify [06].
- For the SET DATA in Procedure 4, select the SET DATA of shift value of detection temperature to be set up from the table below.
| SET DATA | Detection temp shift value |
| 0000 | No shift |
| 0001 | +1°C |
| 0002 | +2°C (Factory default) |
| 0003 | +3°C |
| 0004 | +4°C |
| 0005 | +5°C |
| 0006 | +6°C |
Group control
In a group control, a remote controller can control up to maximum 8 units.
- For wiring procedure and wiring method of the individual line (Identical refrigerant line) system, refer to “Electric work” in this Manual.
- Wiring between indoor units in a group is performed in the following procedure.
Connect the indoor units by connecting the remote controller inter-unit wires from the remote controller terminal blocks (A/B) of the indoor unit connected with a remote controller to the remote controller terminal blocks (A/B) of the other indoor unit.
(Non-polarity) - For address setup, refer to the Installation Manual attached to the outdoor unit.
Remote controller sensor
The temperature sensor of the indoor unit senses room temperature usually. Set the remote controller sensor to sense the temperature around the remote controller. Select items following the basic operation procedure (1 → 2 → 3 → 4 → 5 → 6).
- Specify [32] for the CODE No. in Procedure 3.
- Select the following data for the SET DATA in Procedure 4.
| SET DATA | 0000 | 0001 |
| Remote controller sensor | Not used (factory default) | Used |
When
flashes, the remote controller sensor is defective.
Select the SET DATA [0000] (not used) or replace the remote controller.
Test run
Before test run
- Before turning on the circuit breaker, carry out the following procedure.
1) By using insulation tester (500VMΩ), check that resistance of 1MΩ or more exists between the terminal block L to N and the earth (grounding).
If resistance of less than 1MΩ is detected, do not run the unit.
2) Check the valve of the outdoor unit being opened fully. - To protect the compressor at activation time, leave power-ON for 12 hours or more for operating.
- Before starting a test run, be sure to set addresses following the Installation Manual supplied with the outdoor unit.
Requirements for turning thermostat OFF
Cooling operation
- When the outdoor/suction air temperature is lower than or equal to 19°C.
- When the outdoor/suction air temperature is lower than or equal to 3°C above the set temperature.
Heating operation
- When the outdoor/suction air temperature is lower than or equal to -10°C
- When the outdoor/suction air temperature is higher than or equal to 15°C.
- When the outdoor/suction air temperature is higher than or equal to 3°C above the set temperature.
Execute a test run
- When a fan operation is to be performed for an individual indoor unit, turn off the power, short circuit CN72 on the circuit board, and then turn the power back on. (Set the operation mode to “fan” to operate the unit.) When the test run has been performed
using this method, be sure to release the short circuit of CN72 after the test run is completed.
Operate the unit with the remote controller as usual.
For the procedure of the operation, refer to the Owner’s Manual attached to the outdoor unit.
A forced test run can be executed in the following procedure even if the operation stops by thermostatOFF.
In order to prevent a serial operation, the forced test run is released after 60 minutes have passed and returns to the usual operation.
CAUTION
- Do not use the forced test run for cases other than the test run because it applies an excessive load to the devices.
Wired remote controller
Be sure to stop the air conditioner before making settings.
(Change the setup while the air conditioner is not working.)
- Push and hold OFF timer button and [
] setting button simultaneously for 10 seconds or more. [TEST] is displayed on the display part and the test run is permitted.
- Push ON/OFF button.
- Push menu button to select the operation mode. Select [
Cool] or [
Heat]with [
] [
] settingbutton,andthenpush menu button (three times) again to determine the operation mode.• Do not run the air conditioner in a mode other than [Cool] or [Heat].
• The temperature setting function does notwork during test run.• The check code is displayed as usual. - After the test run, push OFF timer button to stop a test run.([TEST] disappears on the display and the air conditioner enters the normal stop mode.)

Wireless remote controller (RBC-AX33UYP-E)
Test run (forced cooling operation)
REQUIREMENT
Finish the forced cooling operation in a short time because it applies excessive strength to the air conditioner.
How to perform forced cooling operation
- When TEMPORARY button is pushed for 10 seconds or more, “Pi!” sound is heard and the operation changes to a forced cooling operation. After approx. 3 minutes, a cooling operation starts forcedly.
Check cool air starts blowing. If the operation does not start, check wiring again. - To stop a test operation, push TEMPORARY button once again (approx. 1 second).
• Check wiring / piping of the indoor and outdoor units in forced cooling operation.

Maintenance
CAUTION
Before maintenance, be sure to turn off the leakage breaker.
Cleaning of air filter
- If
is displayed on the wired remote controller, maintain the air filter. - Clogging of the air filter reduce cooling / heating performance.
Cleaning of panel and air filter
Preparation:
- Turn off the air conditioner by the remote controller.
- Open the air inlet grille.
• Slide the hook of the air inlet grille outward, and open the air inlet grille slowly while holding it.

Cleaning of air filters
If the air filters are not cleaned, it not only reduce the cooling a performance of air conditioner but causes a failure in the air conditioner such as water falling in drops.
Preparation:
- Stop the operation by remote controller.
- Dismount the air filter.

Use a vacuum cleaner to remove dust from the filters or wash them with water.
- After rinsing the air filters with water, dry them in the shade.
- Set the air filter into the air conditioner.
Clean the panel and air filter with water:
- Wipe down the panel and air filter with a sponge or towel moistened with a kitchen detergent. (Do not use any metallic brush for cleaning.)
- Carefully rinse the panel and air filter to wash out the detergent.
- After rinsing the panel and air filter with water, dry it in the shade.
- Close the air inlet grille.
• Close the air inlet grille, slide the hook inward, and fix the air inlet grille securely.
- Push
button.
• “FILTER
” disappears.
CAUTION
- Do not start the air conditioner while leaving the panel and air filter removed.
- Push the filter reset button. ( indication will be turn off.)
REQUIREMENT
Be sure to clean the heat exchanger with pressurized water.
If a commercially available detergent (strong alkaline or acid) cleaning agent is used, the surface treatment of the heat exchanger will be marred, which may degrade the self cleaning performance.
For details, contact the dealer.
Periodic Maintenance
For environmental conservation, it is strongly recommended that the indoor and outdoor units of the air conditioner in use be cleaned and maintained regularly to ensure efficient operation of the air conditioner.
When the air conditioner is operated for a long time, periodic maintenance (once a year) is recommended.
Furthermore, regularly check the outdoor unit for rust and scratches, and remove them or apply rustproof treatment, if necessary.
As a general rule, when an indoor unit is operated for 8 hours or more daily, clean the indoor unit and outdoor unit at least once every 3 months. Ask a professional for this cleaning / maintenance work.
Such maintenance can extend the life of the product though it involves the owner’s expense.
Failure to clean the indoor and outdoor units regularly will result in poor performance, freezing, water leakage, and even compressor failure.
Inspection before maintenance
Following inspection must be carried out by a qualified installer or qualified service person.
| Parts | Inspection method |
| Heat exchanger | Access from inspection opening and remove the access panel. Examine the heat exchanger if there is any clogging or damages. |
| Fan motor | Access from inspection opening and check if any abnormal noise can be heard. |
| Fan | Access from inspection opening and remove the access panel. Examine the fan if there are any waggles, damages or adhesive dust. |
| Filter | Go to installed location and check if there are any stains or breaks on the filter. |
| Drain pan | Access from inspection opening and remove the access panel. Check if there is any clogging or drain water is polluted. |
Maintenance List
| Part | Unit | Check (visual / auditory) | Maintenance |
| Heat exchanger | Indoor / outdoor | Dust / dirt clogging, scratches | Wash the heat exchanger when it is clogged. |
| Fan motor | Indoor / outdoor | Sound | Take appropriate measures when abnormal sound is generated. |
| Filter | Indoor | Dust / dirt, breakage | •Wash the filter with water when it is contaminated. •Replace it when it is damaged. |
| Fan | Indoor | •Vibration, balance •Dust / dirt, appearance | •Replace the fan when vibration or balance is terrible. •Brush or wash the fan when it is contaminated. |
| Air intake / discharge grilles | Indoor / outdoor | Dust / dirt, scratches | Fix or replace them when they are deformed or damaged. |
| Drain pan | Indoor | Dust / dirt clogging, drain contamination | Clean the drain pan and check the downward slope for smooth drainage. |
| Ornamental panel, louvers | Indoor | Dust / dirt, scratches | Wash them when they are contaminated or apply repair coating. |
| Exterior | Outdoor | •Rust, peeling of insulator •Peeling / lift of coat | Apply repair coating. |
Troubleshooting
If a problem occurs with the air conditioner, the OFF timer indicator alternately shows the check code and the indoor Unit No.
in which the problem occurred.
Troubleshooting history and confirmation
You can check the troubleshooting history with the following procedure if a problem occurs with the air conditioner.
(The troubleshooting history records up to 4 incidents.)
You can check it during operation or when operation is stopped.
- If you check the troubleshooting history during OFF timer operation, the OFF timer will be canceled.
| Procedure | Description of operation | |
| 1 | Push the OFF timer button for over 10 seconds and the indicators appear as an image indicating the troubleshooting history mode has been entered. If [ • [01: Order of troubleshooting history] appears in the temperature indicator. • The OFF timer indicator alternately shows the [check code] and the [indoor Unit No. ] in which the problem occurred. | ![]() |
| 2 | Each time the setting button is pushed, the recorded troubleshooting history is displayed in sequence. The troubleshooting history appears in order from [01] (newest) to [04] (oldest). CAUTION In the troubleshooting history mode, DO NOT push the Menu button for over 10 seconds, doing so deletes the entire troubleshooting history of the indoor unit. | ![]() |
| 3 | After you have finished checking, push the ON/OFF button to return to the regular mode. • If the air conditioner is operating, it remains operated even after the ON/OFF button has been pushed. To stop its operation, push the ON/OFF button again. | |
Check method
On the wired remote controller, central control remote controller and the interface P.C. Board of the outdoor unit (I/F), a check display LCD (Remote controller) or 7-segment display (on the outdoor interface P.C. Board) to display the operation is provided. Therefore the operation status can be known. Using this self-diagnosis function, a trouble or position with error of the air conditioner can be found as shown in the table below.
Check code list
The following list shows each check code. Find the check contents from the list according to part to be checked.
- In case of check from indoor remote controller: See “Wired remote controller display” in the list.
- In case of check from outdoor unit: See “Outdoor unit 7-segment display” in the list.
- In case of check from indoor unit with a wireless remote controller: See “Sensor block display of receiving unit” in the list.
: Lighting,
: Flashing,
: Goes off
ALT: Flashing is alternately when there are two flashing LED.
SIM: Simultaneous flashing when there are two flashing LED.
I/F: Interface P.C. Board
| Check code | Wireless remote controller | Check code name | Judging device | |||||
| Wired remote controller display | Outdoor unit 7•segment display | Sensor block display of receiving unit | ||||||
| Auxiliary code | Operation | Timer | Ready | Flash | ||||
| E01 | — | — | Communication trouble between indoor unit and remote controller (Detected at remote controller side) | Remote controller | ||||
| E02 | — | — | Remote controller transmission trouble | Remote controller | ||||
| E03 | — | — | Communication trouble between indoor unit and remote controller (Detected at indoor unit side) | Indoor unit | ||||
| E04 | — | — | Communication circuit trouble between indoor / outdoor unit (Detected at indoor unit side) | Indoor unit | ||||
| E06 | E06 | No. of indoor units in which sensor has been normally received | Decrease of No. of indoor units | I/F | ||||
| — | E07 | — | Communication circuit trouble between indoor / outdoor unit (Detected at outdoor unit side) | I/F | ||||
| E08 | E08 | Duplicated indoor unit addresses | Duplicated indoor unit addresses | Indoor unit • IfF | ||||
| E09 | — | Duplicated master remote controllers | Remote controller | |||||
| E10 | — | — | Communication trouble between indoor unit MCU | Indoor unit | ||||
| E11 | — | — | Communication trouble between Application control kit and indoor unit | Indoor unit Application control kit | ||||
| E12 | E12 | 01 Indoor : Outdoor units communication 02: Outdoor : Outdoor units communication | Automatic address start trouble | I/F | ||||
| E15 | E15 | — | No indoor unit during automatic addressing | I/F | ||||
| E16 | E16 | 00: Capacity over 01: No. of connected units | Capacity over / No. of connected indoor units | I/F | ||||
| E17 | — | — | Communication trouble between indoor unit and Flow Selector unit | Indoor unit | ||||
| E18 | — | — | Communication trouble between header and follower units | Indoor unit | ||||
| E19 | 00: Header is not detected 02: Two or more header units | Outdoor header units quantity trouble | I/F | |||||
| E20 | E20 | 01:Outdoor unit of other line connected 02:Indoor unit of other line connected | Other line connected during automatic address | I/F | ||||
| E23 | E23 | — | Sending trouble in communication between outdoor units Trouble in number of heat storage units (trouble with reception) | I/F | ||||
| E25 | E25 | — | Duplicated follower outdoor addresses | I/F | ||||
| E26 | E26 | No. of outdoor units which received signal normally | Decrease of No. of connected outdoor units | I/F | ||||
| E28 | E28 | Detected outdoor unit number | Follower outdoor unit trouble | I/F | ||||
| E31 | E31 | *1 Inverter quantity information | Inverter communication trouble | I/F | ||||
| F01 | — | ALT | Indoor unit TCJ sensor trouble | Indoor unit | ||||
| F02 | — | — | ALT | Indoor unit TC2 sensor trouble | Indoor unit | |||
| F03 | — | — | ALT | Indoor unit TC1 sensor trouble | Indoor unit | |||
| Check code | Wireless remote controller | Check code name | Judging device | |||||
| Wired remote controller display | Outdoor unit 7•segment display | Sensor block display of receiving unit | ||||||
| Auxiliary code | Operation | Timer | Ready | Flash | ||||
| F04 | F04 | — | ALT | TD1 sensor trouble | I/F | |||
| F05 | F05 | — | ALT | TD2 sensor trouble | I/F | |||
| F6 | F06 | 01:TE1 sensor 02:TE2 sensor 03:TE3 sensor | ALT | TE1,TE2 or TE3 sensor trouble | I/F | |||
| F07 | F07 | 1:TL1 sensor 2:TL2 sensor 3:TLS sensor | ALT | TL1,TL2 or TL3 sensor trouble | I/F | |||
| F08 | F08 | — | ALT | TO sensor trouble | I/F | |||
| F09 | F09 | 01:TG1 sensor 02:TG2 sensor 03:TG3 sensor | ALT | TG1,TG2 or TG3 sensor trouble | I/F | |||
| F10 | — | — | ALT | Indoor unit TA sensor trouble | Indoor unit | |||
| F11 | — | — | ALT | TF sensor trouble | Indoor unit | |||
| F12 | F12 | 01: TS1 sensor 03:TS3 sensor 04:TS3 sensor disconnect | ALT | TS1 or TS3 sensor trouble | I/F | |||
| F13 | F13 | 1* : Compressor 1 side 2* : Compressor 2 side | ALT | TH sensor trouble | Compressor inverter | |||
| F15 | F15 | — | ALT | Outdoor unit temp. sensor miswiring (TE. TL) | I/F | |||
| F16 | F16 | — | ALT | Outdoor unit pressure sensor miswiring (Pd. Ps) | I/F | |||
| F22 | F22 | — | ALT | TD3 sensor trouble | I/F | |||
| F23 | F23 | — | ALT | Ps sensor trouble | I/F | |||
| F24 | F24 | – | ALT | Pd sensor trouble | I/F | |||
| F29 | — | — | s 1 m | Indoor unit other trouble | Indoor unit | |||
| F30 | F30 | — | Sim | Occupancy sensor trouble | Indoor unit | |||
| F31 | F31 | — | S I M | Indoor unit EEPROM trouble | I/F | |||
| 1-101 | HOI | 1* : Compressor 1 side 2* : Compressor 2 side | Compressor break down | Compressor inverter | ||||
| 1102 | H02 | 1* : Compressor ‘I side 2* : Compressor 2 side | Compressor trouble (lock) | Compressor inverter | ||||
| 1103 | H03 | 1* : Compressor 1 side 2* : Compressor 2 side | Current detect circuit system trouble | Compressor inverter | ||||
| 1104 | H04 | — | Compressor 1 case thermostat operation | I/F | ||||
| 1-105 | H05 | — | TD1 sensor miswiring | I/F | ||||
| H06 | H06 | — | Low pressure protective operation | I/F | ||||
| H07 | H07 | — | Oil level doom detective protection | I/F | ||||
| H08 | HOB | 01:TK1 sensor trouble 02:TK2 sensor trouble 03:TK3 sensor trouble 04:TK4 sensor trouble 05:TK5 sensor trouble | Oil level detective temp. sensor trouble | I/F | ||||
| H14 | H14 | — | Compressor 2 case thermostat operation | I/F | ||||
| H15 | H15 | — | TD2 sensor miswiring | I/F | ||||
| H16 | H16 | 01:TK1 oil circuit system trouble 02: TK2 oil circuit system trouble 03: TK3 oil circuit system trouble 04:TK4 oil circuit system trouble 05:TK5 oil circuit system trouble | Oil level detective circuit trouble | I/F | ||||
| Check code | Wireless remote controller | Check code name | Judging device | |||||
| Wired remote controller display | Outdoor unit 7-segment display | Sensor block display of receiving unit | ||||||
| Auxiliary code | Operation | Timer | Ready | Flash | ||||
| H17 | H17 | 1 Compressor I side 2 Compressor 2 side | Compressor trouble (Step out) | I/F | ||||
| H125 | H25 | — | TD3 sensor miswiring | I/F | ||||
| J02 | — | — | SIM | Communication trouble between control boards in Flow Selector unit | Indoor unit | |||
| J03 | — | — | SIM | Duplicated Flow Selector unit addresses | Indoor unit | |||
| J10 | J10 | Detected indoor unit address | SIM | Flow Selector unit overflow trouble | Indoor unit | |||
| J11 | — | — | SIM | Flow Selector unit temperature sensor (TCS) trouble | ||||
| J29 | — | — | SIM | Refrigerant leak detection sensor trouble | Indoor unit | |||
| J30 | J30 | Detected indoor unit address *Not displayed depending on the DN code (I.DN) setting | SIM | Refrigerant leak detection | Indoor unit | |||
| J31 | — | — | SIN | Refrigerant leak detection sensor exceeding its life of the product | Indoor unit | |||
| L02 | L02 | Detected indoor unit address | S11.1 | Model mismatch of indoor and outdoor unit Indoor unit incompatible with A2L (R32) refrigerant | I/F | |||
| L03 | — | — | S11.1 | Indoor unit centre unit duplicated | Indoor unit | |||
| L04 | L04 | — | SIM | Outdoor unit line address duplicated | I/F | |||
| LO5 | — | — | SIM | Duplicated indoor units with priority (Displayed in indoor unit with priority) | I/F | |||
| LO6 | LO6 | No. of indoor units with priority | SIM | Duplicated indoor units with priority (Displayed in unit other than indoor unit with priority) | I/F | |||
| L07 | — | — | SIM | Group line in individual indoor unit | Indoor unit | |||
| LOB | LO8 | — | SIM | Indoor unit group /Address unset | Indoor unit. liF | |||
| L09 | — | — | SIM | Indoor unit capacity unset | Indoor unit | |||
| L10 | L10 | — | SIM | Outdoor unit capacity unset | I/F | |||
| L11 | L11 | Detected indoor unit addres | SIM | Flow Selector unit not connected | I/F | |||
| L12 | L12 | 01: Flow Selector unit installation trouble | SIM | Flow Selector unit system trouble | I/F | |||
| L13 | L13 | Detected indoor unit addres | SIM | Safety device setting unmatch | I/F | |||
| L14 | L14 | Detected indoor unit addres | SIM | Safety device nonconformity | I/F | |||
| L17 | L17 | — | SIM | Outdoor unit type mismatch trouble | I/F | |||
| L18 | L18 | Detected indoor unit address | SIM | Flow selector unit trouble | I/F | |||
| L20 | — | — | SIM | Duplicated central control addresses | Indoor unit | |||
| L22 | — | — | SIM | There is a DX-kit (heat source capacity command) non-compliant machine in the group (DDC control. TA control and TF control are mixed) | Indoor unit | |||
| 124 | L24 | 1:Duplication of Flow Selector unit address 2:Indoor unit operation tion mode priority | SIM | Flow Selector unit setting trouble | I/F | |||
| L28 | L28 | — | SIM | Too many outdoor units connected | I/F | |||
| L29 | L29 | *1 Inverter quantity information | SIM | No. of inverter trouble | I/F | |||
| L30 | L30 | Detected indoor unit address | SIM | Indoor unit outside interlock | Indoor unit | |||
| — | L31 | — | — | Extended 1/C trouble | I/F | |||
| P01 | — | — | ALT | Indoor fan motor trouble | Indoor unit | |||
| P03 | P03 | — | ALT | Discharge temp. TD1 trouble | I/F | |||
| PO4 | PO4 | 1* : Compressor 1 side 2* : Compressor 2 side | ALT | High-pressure SW system operation | Compressor inverter | |||
| P05 | P05 | 1* : Compressor 1 side 2* : Compressor 2 side | ALT | Phase missing detection / Power failure detection Inverter DC voltage trouble (compressor) | I/F | |||
| P07 | 1* : Compressor 1 side 2* : Compressor 2 side 04: Heat sink | Heat sink overheat trouble Heat sink dew condensation trouble | Compressor inverter. I/F | |||||
| Check code | Wireless remote controller | Check code name | Judging device | |||||
| Wired remote controller display | Outdoor unit 7-segment display | Sensor block display of receiving unit | ||||||
| Auxiliary code | Operation | Timer | Ready | Flash | ||||
| P10 | P10 | Detected indoor unit address | ALT | Indoor unit overflow trouble | Indoor unit | |||
| P I I | P11 | — | ALT | Outdoor heat exchanger freezing trouble | I/F | |||
| P12 | — | — | ALT | Indoor unit fan motor trouble | Indoor unit | |||
| P13 | P13 | — | ALT | Outdoor liquid back detection trouble | I/F | |||
| P15 | P15 | 01:TS condition 02:TO condition | ALT | Gas leak detection | I/F | |||
| P16 | P16 | 01:PMVS 02:PMV6 03:SV7 | ALT | Injection circuit trouble | I/F | |||
| P17 | P 17 | — | ALT | Discharge temp. TD2 trouble | I/F | |||
| P18 | P18 | — | ALT | Discharge temp. TD3 trouble | I/F | |||
| P19 | P19 | 0#: 4-way valves 1#: 4-way valve1 2#: 4-way valve2 *Put in outdoor unit No. in [#] mark. | ALT | 4-way valve inverse trouble | I/F | |||
| P20 | P20 | — | ALT | High-pressure protective operation | I/F | |||
| P22 | P22 | 1 * : Compressor 1 side 2 * : Compressor 2 side | ALT | Outdoor unit fan inverter trouble | Fan inverter | |||
| P26 | P26 | 1 * : Compressor 1 side 2 * : Compressor 2 side | ALT | IPM short protection trouble | Compressor inverter | |||
| P29 | P29 | 1* : Compressor 1 side 2* : Compressor 2 side | ALT | Compressor position detective circuit system trouble | Compressor inverter | |||
| P31 | – | – | ALT | Other indoor unit trouble (Group follower indoor unit trouble) | Indoor unit | |||
• For details about check codes determined with an Interface P.C. Board or an Inverter P.C. Board, refer to the Installation Manual of the outdoor unit.
*1 Inverter quantity information
(SMMS-e, SMMS-7, SMMS-u, SMMS∞, SHRM-A)
| No | Compressor Inverter | Fan Inverter | Trouble | ||
| 1 | 2 | 1 | 2 | ||
| 01 | Compressor 1 | ||||
| 02 | Compressor 2 | ||||
| 03 | Compressor 1 + Compressor 2 | ||||
| 08 | Fan1 | ||||
| 09 | Compressor 1 + Fan1 | ||||
| 0A | Compressor 2 + Fan1 | ||||
| 0B | Compressor 1+ Compressor 2+ Fan1 | ||||
| 10 | Fan2 | ||||
| 11 | Compressor 1 + Fan2 | ||||
| 12 | Compressor 2 + Fan2 | ||||
| 13 | Compressor 1+ Compressor 2+ Fan2 | ||||
| 18 | Fan1 + Fan2 | ||||
| 19 | Compressor 1 + Fan1 + Fan2 | ||||
| 1A | Compressor 2 + Fan1 + Fan2 | ||||
| 1B | All | ||||
Trouble detected by central control device
| Check code | Wireless remote controller | Check code name | Judging device | |||||
| Central control device indication | Outdoor unit 7-segment display | Sensor block display of receiving unit | ||||||
| Auxiliary code | Operation | Timer | Ready | Flash | ||||
| C05 | — | — | — | Sending trouble in central control device | Communication Link | |||
| C06 | — | — | — | Receiving trouble in central control device | Communication Link | |||
| C12 | — | — | — | Batch alarm of general-purpose equipment control interface | General-purpose equipment I/F | |||
| P30 (L20) | Differs according to trouble contents of unit with occurrence of alarm | Group control follower unit trouble | Communication Link | |||||
| — | — | (L20 is displayed.) | •Duplication addresses of indoor units in central control device •With the combination of air conditioning system, the indoor unit may detect the check code of L20 | |||||
| SO1 | — | — | — | Receiving trouble in central control device | Central control device | |||
Specifications
| Model | Sound power level (dBA) | Weight (kg) Main unit (Ceiling panel) | |
| Cooling | Heating | ||
| MMU-UP0151YHP-E | • | 15 (5) | |
| MMU-UP0181YHP-E | • | • | 15 (5) |
| MMU-UP0241YHP-E | • | • | 16 (5) |
| MMU-UP0271YHP-E | • | • | 16 (5) |
Notice code
- Notice code is a function only in TC2U-Link communication.
- When the outdoor or indoor unit detects its conditions requiring caution or maintenance, this function notices you to check your units with the spanner mark (Notice code mark) on the wired remote controller or central controller display.
- Even while the notice code mark is displayed, the air conditioner can operate normally.
- A maximum of 5 notice codes can be issued simultaneously in one system (line).

How to check Notice code No.
- Stop the operation of the air conditioner and push the Menu button and OFF timer button at the same time for 10 seconds or more.
- The unit number of the indoor unit is displayed at the bottom left of the screen. Change it with the [
] [
] setting button and push the OFF timer button to confirm. - The history number is displayed in the center of the screen, and the Notice code No. is displayed in the lower left.
[
] [
] You can switch the history with the setting button (a maximum of 5 notice codes). - Push the ON / OFF button to return to the operation stop screen.
Notice code list
| Notice code No. | Item | Content |
| 203 | ba dead Flow Selector unit battery | The battery kit connected to the Flow Selector unit has reached the end of its life. |
| 204 | Leak detector life advance display | The leak detector will soon reach the end of its life. |
Declaration of Conformity
| Manufacturer: | TOSHIBA CARRIER (THAILAND) CO., LTD. 144 / 9 Moo 5, Bangkadi Industrial Park, Tivanon Road, Tambol Bangkadi, Amphur Muang, Pathumthani 12000, Thailand |
| TCF holder: | TOSHIBA CARRIER EUROPE S.A.S Route de Thil 01120 Montluel FRANCE |
Hereby declares that the machinery described below:
| Generic Denomination: | Air Conditioner |
| Model / type: | MMU-UP0151YHP-E, MMU-UP0181YHP-E, MMU-UP0241YHP-E, MMU-UP0271YHP-E |
| Commercial name: | Super Modular Multi System Air Conditioner Super Heat Recovery Multi System Air Conditioner Mini-Super Modular Multi System Air Conditioner (MiNi-SMMS series) |
Complies with the provisions of the Machinery Directive (Directive 2006/42/EC) and the regulations transposing into national law
| Name: | Masaru Takeyama |
| Position: | GM, Quality Assurance Dept. |
| Date: | 14 March, 2022 |
| Place Issued: | Thailand |
NOTE
This declaration becomes invalid if technical or operational modifications are introduced without the manufacturer’s consent.
Declaration of Conformity
| Manufacturer: | TOSHIBA CARRIER (THAILAND) CO., LTD. 144 / 9 Moo 5, Bangkadi Industrial Park, Tivanon Road, Tambol Bangkadi, Amphur Muang, Pathumthani 12000, Thailand |
| TCF holder: | TOSHIBA CARRIER UK LTD. Porsham Close Belliver Industrial Estate Roborough Plymouth Devon PL6 7DB United Kingdom |
Hereby declares that the machinery described below:
| Generic Denomination: | Air Conditioner |
| Model / type: | MMU-UP0151YHP-E, MMU-UP0181YHP-E, MMU-UP0241YHP-E, MMU-UP0271YHP-E |
| Commercial name: | Super Modular Multi System Air Conditioner Super Heat Recovery Multi System Air Conditioner Mini-Super Modular Multi System Air Conditioner (MiNi-SMMS series) |
Complies with the provisions of the Supply of Machinery (Safety) Regulations 2008
| Name: | Masaru Takeyama |
| Position: | GM, Quality Assurance Dept. |
| Date: | 14 March, 2022 |
| Place Issued: | Thailand |
NOTE
This declaration becomes invalid if technical or operational modifications are introduced without the manufacturer’s consent.
Warnings on Refrigerant Leakage
Check of Concentration Limit
The room in which the air conditioner is to be installed requires a design that in the event of refrigerant gas leaking out, its concentration will not exceed a set limit.
Refrigerant R32
The refrigerant R32 which is used in the air conditioner is mildly flammable. In Europe and areas where IEC standards apply, EN/IEC 60335-2-40 is the applicable standard. The refrigerant R32 does not have the toxicity of ammonia, and is not restricted by laws to be imposed which protect the ozone layer. If this appliance is connected with the outdoor unit containing R32 refrigerant, refer to the Installation and Owner’s Manual attached to the outdoor unit.
Refrigerant R410A
The refrigerant R410A which is used in the air conditioner is safe, without the toxicity or combustibility of ammonia, and is not restricted by laws to be imposed which protect the ozone layer. However, since it contains more than air, it poses the risk of suffocation if its concentration should rise excessively. Suffocation from leakage of R410A is almost non-existent. With the recent increase in the number of high concentration buildings, however, the installation of multi air conditioner systems is on the increase because of the need for effective use of space, individual control, energy conservation by curtailing heat and carrying power etc.
Most importantly, the multi air conditioner system is able to hold a large amount of refrigerant compared with conventional individual air conditioners. If a single unit of the multi conditioner system is to be installed in a small room, select a suitable model and installation procedure so that if the refrigerant accidentally leaks out, its concentration does not reach the limit (and in the event of an emergency, measures can be made before injury can occur).
In a room where the concentration may exceed the limit imposed by the local regulation, create an opening with adjacent rooms, or install mechanical ventilation or isolation, combined with a gas leak detection device, which complies with the local regulatory requirements.
The concentration calculation method is as given below. Please note the concentration limit between R32 and R410A refrigerant differs.
Refrigerant Concentration Limit shall be in accordance with local regulations.
▼ NOTE 1
If there are 2 or more refrigerating systems in a single refrigerating device, the amounts of refrigerant should be as charged in each independent device.
For the amount of charge in this example:
The possible amount of leaked refrigerant gas in rooms A, B and C is 10 kg.
The possible amount of leaked refrigerant gas in rooms D, E and F is 15 kg.
▼ NOTE 2
The standards for minimum room volume are as follows.
- No partition (shaded portion)
IMPORTENT - When there is an effective opening with the adjacent room for ventilation of leaking refrigerant gas (opening without a door, or an opening 0.15% or larger than the respective floor spaces at the top or bottom of the door).

- If an indoor unit is installed in each partitioned room and the refrigerant piping is interconnected, the smallest room of course becomes the object. But when a mechanical ventilation is installed interlocked with a gas leakage detector in the smallest room where the density limit is exceeded, the volume of the next smallest room becomes the object.

▼ NOTE 3
System compliance has been completed to IEC60335-2-40 Ed6. If EN378 compliance is required please refer separately to EN378 for guidance.
Confirmation of indoor unit setup
Prior to delivery to the customer, check the address and setup of the indoor unit, which has been installed in this time and fill the check sheet (Table below).
Data of four units can be entered in this check sheet. Copy this sheet according to the No. of the indoor units. If the installed system is a group control system, use this sheet by entering each line system into each Installation Manual attached to the other indoor units.
REQUIREMENT
This check sheet is required for maintenance after installation. Fill this sheet and then pass this Installation Manual to the customers.
Indoor unit setup check sheet
| Indoor unit | Indoor unit | Indoor unit | Indoor unit | |||||||||
| Room name | Room name | Room name | Room name | |||||||||
| Model | Model | Model | Model | |||||||||
| Check indoor unit address. (For check method, refer to APPLICABLE CONTROLS in this manual.) ‘ In case of a single system, it is unnecessary to enter the indoor address. (CODE NO.: Line (12), Indoor (13), Group [14), Central control [03)) | ||||||||||||
| Line | Indoor | Group | Line | Indoor | Group | Line | Indoor | Group | Line | Indoor | Group | |
| Central control address | Central control address | Central control address | Central control address | |||||||||
| Various setup | Various setup | Various setup | Various setup | |||||||||
| Have you changed high ceiling setup” If not, fill check mark [x] in [NO CHANGE), and fill check mark [x) in [ITEM] if changed, respectively. (For check method, refer to APPLICABLE CONTROLS in this manual.) ‘ In case of replacement of jumper blocks on indoor microcomputer P.C. Board, setup is automatically changed. | ||||||||||||
| High ceiling setup (CODE No. [5d)) ■ NO CHANGE (0000) ■ STANDARD (0001) ■ HIGH CEILING 1 (0002) ■ HIGH CEILING 3 (0003) | High ceiling setup (CODE No. [5d)) ■ NO CHANGE (0000) ■ STANDARD (0001) ■ HIGH CEILING 1 (0002) ■ HIGH CEILING 3 (0003) | High ceiling setup (CODE No. [5d)) ■ NO CHANGE [0000] ■ STANDARD [0001] ■ HIGH CEILING 1 [0002] ■ HIGH CEILING 3 [0003] | High ceiling setup (CODE No. [5d)) ■ NO CHANGE [0000) ■ STANDARD [0001) ■ HIGH CEILING 1 [0002) ■ HIGH CEILING 3 [0003) | |||||||||
| Have you changed lighting time of filter sign? If not, fill check mark [x] in (NO CHANGE], and fill check mark [x] in ( TEM) if changed, respectively. (For check method, refer to APPLICABLE CONTROLS in this manual.) | ||||||||||||
| Filter sign lighting time (CODE No. [01)) ■ NO CHANGE ■ NONE (0000) ■ 150H (0001) ■ 2500H (0002) ■ 5000H (0003) ■ 10000H (0004) | Filter sign lighting time (CODE No. [01]) ■ NO CHANGE ■ NONE (0000) ■ 150H (0001) ■ 2500H (0002) ■ 5000H (0003) ■ 10000H 100041 | Filter sign lighting time (CODE No. [01]) ■ NO CHANGE ■ NONE [0000] ■ 150H [0001] ■ 2500H [0002] ■ 5000H [0003] ■ 10000H [0004] | Filter sign lighting time (CODE No. (01)) ■ NO CHANGE ■ NONE [0000) ■ 150H [0001) ■ 2500H [0002) ■ 5000H [0003) ■ 10000H [0004) | |||||||||
| Have you changed detected temp. shift value? If not, fill check mark [x] in (NO CHANGE), and fill check mark [x] in [ITEM) if changed, respectively. (For check method, refer to APPLICABLE CONTROLS in this manual.) | ||||||||||||
| Detected temp, shift value setup (CODE NO. (06)) ■ NO CHANGE ■ NO SHIFT (0000) ■ +1°C (0001) ■ +2°C [0002) ■ +3°C (0003) ■ +4°C (0004) ■ +5°C [0005) ■ +6°C [0006) | Detected temp, shift value setup (CODE NO. (06)) ■ NO CHANGE ■ NO SHIFT (0000 ■ +1°C (0001 ■ +2°C (0002 ■ +3°C (0003 ■ +4°C (0004 ■ +5°C [0005 ■ +6°C [0006 | Detected temp, shift value setup (CODE NO. [06)) ■ NO CHANGE ■ NO SHIFT [0000] ■ +1°C [0001] ■ +2°C [0002] ■ +3°C [0003] ■ +4°C [0004] ■ +5°C [0005] ■ +6°C [0006) | Detected temp, shift value setup (CODE NO. (06)) ■ NO CHANGE ■ NO SHIFT [0000) ■ +1°C [0001) ■ +2°C [0002) ■ +3°C [0003) ■ +4°C [0004) ■ +5°C [0005) ■ +6°C [0006) | |||||||||
| Incorporation of parts sold separately | Incorporation of parts sold separately | Incorporation of parts sold separately | Incorporation of parts sold separately | |||||||||
| Have you incorporated the following parts sold separately? If incorporated, fill check mark (x) in each [ITEM]. (When incorporating, the setup change is necessary in some cases. For setup change method, refer to Installation Manual attached to each part sold separately.) | ||||||||||||
| ■ Others ( ) ■ Others ( ) | ■ Others ( ) ■ Others ( ) | ■ Others ( ) ■ Others ( ) | ■ Others ( ) ■ Others ( ) | |||||||||
Appendix
Work instructions
The existing R22 and R410A piping can be reused for inverter R32 product installations.
WARNING
Confirming the existence of scratches or dents on the existing pipes and confirming the reliability of the pipe strength are conventionally referred to the local site.
If the specified conditions can be cleared, it is possible to update existing R22 and R410A pipes to those for R32 models.
Basic conditions needed to reuse existing pipes
Check and observe the presence of three conditions in the refrigerant piping works.
- Dry (There is no moisture inside of the pipes.)
- Clean (There is no dust inside of the pipes.)
- Tight (There are no refrigerant leaks.)
Restrictions for use of existing pipes
In the following cases, the existing pipes should not be reused as they are. Clean the existing pipes or exchange them with new pipes.
- When a scratch or dent is heavy, be sure to use new pipes for the refrigerant piping works.
- When the existing pipe thickness is thinner than the specified “Pipe diameter and thickness,” be sure to use new pipes for the refrigerant piping works.
• The operating pressure of refrigerant is high. If there is a scratch or dent on the pipe or a thinner pipe is used, the pressure strength may be inadequate, which may cause the pipe to break in the worst case.
* Pipe diameter and thickness (mm)Pipe outer diameter Ø6.4Ø 9.5 Ø12.7 Ø15.9 Thickness R32, R410A 0.8 0.8 0.8 1.0 R22 - When the outdoor unit was left with the pipes disconnected, or the gas leaked from the pipes and the pipes were not repaired and refilled.
• There is the possibility of rain water or air, including moisture, entering the pipe. - When refrigerant cannot be recovered using a refrigerant recovery unit.
• There is the possibility that a large quantity of dirty oil or moisture remains inside the pipes. - When a commercially available dryer is attached to the existing pipes.
• There is the possibility that copper green rust hasbeen generated. - When the existing air conditioner is removed after refrigerant has been recovered.
Check if the oil is judged to be clearly different from normal oil.
• The refrigerator oil is copper rust green in color: There is the possibility that moisture has mixed with the oil and rust has been generated inside the pipe.
• There is discolored oil, a large quantity of residue, or a bad smell.
• A large quantity of shiny metal dust or other wear residue can be seen in the refrigerant oil. - When the air conditioner has a history of the compressor failing and being replaced.
• When discolored oil, a large quantity of residue, shiny metal dust, or other wear residue or mixture of foreign matter is observed, trouble will occur. - When temporary installation and removal of the air conditioner are repeated such as when leased etc.
- If the type of refrigerator oil of the existing air conditioner is other than the following oil (Mineral oil), Suniso, Freol-S, MS (Synthetic oil), alkyl benzene (HAB, Barrel-freeze), ester series, PVE only of ether series.
• The winding-insulation of the compressor may deteriorate.
NOTE
The above descriptions are results have been confirmed by our company and represent our views on our air conditioners, but do not guarantee the use of the existing pipes of air conditioners that have adopted R32, R410A in other companies.
Curing of pipes
When removing and opening the indoor or outdoor unit for a long time, cure the pipes as follows:
- Otherwise rust may be generated when moisture or foreign matter due to condensation enters the pipes.
- The rust cannot be removed by cleaning, and new pipes are necessary.
| Placement location | Term | Curing manner |
| Outdoors | 1 month or more | Pinching |
| Less than 1 month | Pinching or taping | |
| Indoors | Every time |

Carrier (Thailand) Co., Ltd.
144 / 9 Moo 5, Bangkadi Industrial Park, Tivanon Road,
Tambol Bangkadi, Amphur Muang, Pathumthani 12000, Thailand
1131450101-1




This letter indicates U series model.
This letter indicates U series model.






IMPORTENT












