FLETCHER Framemaster™ Point Driver

FRAMING
OPERATION
Your FrameMaster is factory set for framing points. Order #08-950 is available in boxes of 3,000.
INSERTING FRAMING POINTS
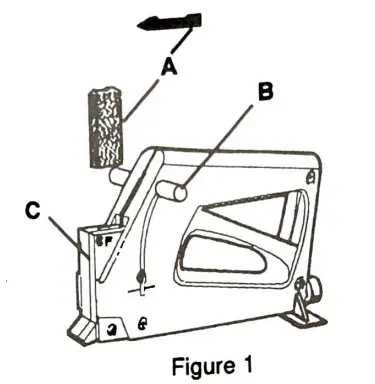
- To insert a stack of framing points (A) pull follower knobs (B) up and rotate to the locked position. Figure 1.

- Insert the points into the slot in the magazine (C) and release the follower knob so it can apply pressure to the stack of points. Figure 2.

- Reload points when the follower knob reaches the RELOAD position (D). There are 100 points per stack.
PRESSURE ADJUSTMENT
The pressure adjustment (E) will affect the depth of penetration of the point in wood. Although factory set accomodates most frames, the depth can be increased by turning the knob clockwise and decreased by adjust- ing it counterclockwise. Figure 3.
WARNING: Do not operate the FrameMaster unless the nose is against the wood, otherwise, the point may injure you or someone nearby.
GLAZING
CHANGING THE MAGAZINE FOR GLAZING POINTS
The magazine (F) must be removed, inverted and reinstalled to convert to glazing points (G) which are shorter than framing points. Replacement glazing points, order #08-980. are 100 per stack and 5,000 per box.
- Raise the folower knob and lock it out of the way as you would when loading points. Remove any points still in the magazine.
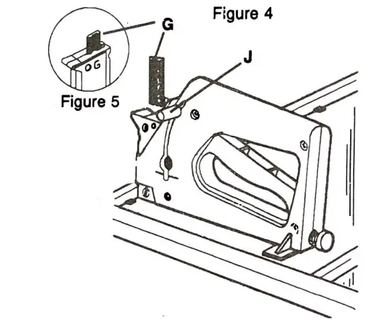
- Remove the screw and nut (H) at the nose of the FrameMaster and slide the magazine out the front. Fiqure 4.

- Turn the magazine upside down and reinsert it. Replace the screw and nut and tighten firmly. You will now see the G stamped on the upper side of the magazine. Figures 5 & 6.

INSERTING GLAZING POINTS
The glazing points must be loaded in the front of the magazine cavity. Figure 5. Release the follower (J) to apply pressure to the top of the stack of points.
CAUTION
Do not use framing points in the glazing position or glazing points in the framing position. Note the symbols on the top left of the magazine, F for framing and G for glazing.
GENERAL OPERATION OF THE FRAMEMASTER
Whether framing or glazing, back up the wood with a firm object to
- assure proper penetration of the point and avoid shocking the frame.
- ALWAYS keep the magazine loading area free of foreign matter
MAINTENANCE AND TROUBLESHOOTING

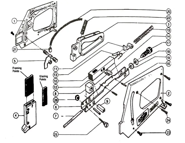
PARTS LIST























