![]()
KEUCO 53926 Plan Blue Thermostatic Mixer for Shower Instruction Manual

53926 011001
53926 171001
53926 371001
53926 511001
Mounting instruction

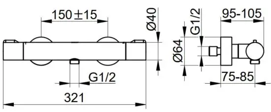
Mounting dimensions

Important information
please read!
These instructions are for both the installer for installation and the user for operation and maintenance of the product. After installation, please hand them over to the user to keep.
Symbols and explanations

Intended use

Technical specifications
- Flow at 3 bar pressure: approx. 25 l/min.
- Pressure: min. 0.5 bar/recommended 1-5 bar
- Operating pressure max. 10 bar
- Test pressure: 16 bar
- Recommended hot water inlet temperature: max. 65°C
- Water connection:
cold = right
hot = left
Avoid pressure differences between the cold and hot water feeds.
Install a pressure reducer for static pressures above 5 bar.
Installation dimensions, refer to page 2
Installation, refer to picture 1 on page 12
Flush potable water pipes thoroughly before and after installation (observe EN 806 and 1717, as well as DIN 1988).
Test connections for leaks with water pressure.
Assemble in reverse order.
– Thermostat cartridge torque: 10 Nm
– Headpart torque: 10 Nm
– Screw connection torque: 10 Nm
For spare parts with order numbers, refer to page 15.
For warranty and care information please refer to the attached warranty and care instructions.







Spare parts


KEUCO UK Ltd.
57 Sheffi eld Road
Dronfi eld
S18 2GF Derbyshire
Phone: +44 (0) 1442 865 220
E-Mail: [email protected]
US
VELLA LLC
d. b. a. KEUCO NORTH AMERICA
4485 Tench Road / Ste 1121
Suwanee
Georgia 30024
Phone: +1 (877) 281-8260
E-Mail: [email protected]
Read More About This Manual & Download PDF:



















