PAC CH1AJKIT Integration Upgrade Kit

Introduction and Features
The CH1AJKIT is a feature upgrade kit for Jeep Wrangler JK’s equipped with the PAC SR-JK11H Installation Kit and Stinger HEIGH10. All modules and cables are included to retain factory features and add additional vehicle information. Plug & Play wiring harnesses allow for quick and easy installation without the need to cut or splice any wiring. Data integration with the vehicle and the HEIGH10 radio allows for the retention and addition of the following features: vehicle performance gauges and information, off-road information, factory amplifier retention and steering wheel controls.
Important Notes
We recommend reading this manual thoroughly to familiarize yourself with the entire process prior to beginning the installation. Although this kit does not require any modifications to the vehicle, it does require following the steps as shown to ensure it is installed correctly with no damage to the vehicle.
- This kit is designed for vehicles that currently have a Stinger HEIGH10 installed using the PAC SR-JK11H Wrangler Installation Kit. For new installations of the HEIGH10, the PAC SRK-JK11H Installation Kit is recommended.
- For HEIGH10 installations that are “universally” installed (not using the SR-JK11H kit) in JK’s, the CH1AJKIT upgrade will work, although some components mentioned in this guide may not be present.
Recommended Tools
- Plastic Panel Tool
- 7mm, 10mm Sockets
- Ratchet
- Ratchet Extension
- Phillips Screwdriver
Included Components

- PAC-LINK/Speed Sen Harness (10P-RADIO-HAR)
- 2014-2018 CAN Harness (JK14-CAN-HAR)
- Main Wiring Harness (SRK-CH1A-HAR)
- 6” Data Harness (10P-2-10P-6)
- 2011-2013 CAN Harness (JK07-CAN-HAR)
- PAC-LINK Module (PL1)
- Radio Replacement Interface Module (CH1A-SRK)
- Two-Sided Tape (3x)
NOTE: Along with the CH1AJKIT components, additional previously installed wire harnesses and adapters from the PAC SR-JK11H kit and Stinger HEIGH10 (UN1810) kit will also be re-used in the installation.
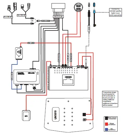
Wiring Diagram Overview

Disassembly
Step 1
Remove the front frame by first releasing the side clips at the locations indicated by arrows.
Step 2
Using a very thin pry tool or similar, carefully release the side clips as shown on both sides.
Step 3
Once the side clips are disengaged, swing the bottom edge upwards to unhook the top of the frame and remove.
Step 4
Using a magnetic Phillips screwdriver, remove the two mounting screws on the left and right sides of the mounting panel.
Step 5
While holding the display with one hand, insert a soft plastic panel tool under either bottom corner and slightly pry up to release the display panel.
Step 6
Disconnect the two display cables from the back of the display.
Step 7
Remove the knee bolster panel below the steering column using a plastic trim tool to release the upper left and right clips and swing panel downward to disengage lower tabs.
Step 8
Remove the two 7mm screws from the bottom edge of the radio/instrument cluster trim panel on both sides of the steering column.
Step 9
Remove the two 10mm bolts from the metal plate and remove the plate.
Step 10
From the back, push to release the power window switches or storage pocket below the radio. Disconnect the connector on the back of the switch assembly.
Step 11
Remove the 7mm screw inside the switch opening.
Step 12
Remove the rubber mat from the storage tray above the radio and remove the 7mm screw underneath.
Step 13
Starting below the radio, reach into the window switch opening and firmly grasp the lower bezel and pull the bezel to release the lower retaining clips.
Step 14
Using the storage tray and area over the gauges, pull the top edge of the panel to release the upper retaining clips. Lower the steering wheel and remove the panel.
Step 15
Remove the four 7mm screws securing the radio module and pull the radio from the sub-dash.
Step 16
Unplug in the two USB cables and the GPS antenna from the radio module.
Step 17
Disconnect the AM/FM antenna adapter. Unplug the vehicle’s gray 22-pin radio plug from the main harness.
NOTE: Unplug any additional components (cameras, amplifier, satellite radio etc.) and remove the radio module.
Radio Module and Harness Preparation
Step 1
Unplug any remaining plugs and adapters from the HEIGH10 radio module and set to the side. Remove the RP4-CH21 interface if attached to the radio module.
Step 2
Connect the three connectors on the SRK-CH1A-HAR Main Harness to the indicated ports on the CH1A-SRK module.
Step 3
Referencing the sticker on the back, connect the fourth connector to the appropriate port. Amplified if the vehicle has a factory amplifier, Non-Amplified for base audio.
Step 4
Connect one end of the 6” Data Harness (10P-2-10P-6-HAR) to the CH1A-SRK Expansion Port and the other end to either port on the PAC-LINK (PL1)
Step 5A
If the HEIGH10 10-pin Multi Camera Harness was previously installed, connect the 3-pin PAC-LINK lead on the harness to the PAC-LINK (PL1)
Step 5B
If the 10-pin Multi Camera Harness was not installed, connect the 3-pin PAC-LINK lead on the included 10P-RADIO-HAR to the PL1

Step 6
Connect the pink SPEED SEN lead on the Main Harness to the pink SPEED SEN lead on the 10-pin Radio Harness.

Step 7
On the SRK-CH1A-HAR Main harness, plug the 16PIN Radio harness and the 6PIN Steering Wheel Control harness into the HEIGH10 radio module.

Step 8
Plug in the 10-pin radio harness. Plug in the gray LVDS and black 8-pin display cable connectors into the radio module.
Step 9
Apply supplied two-sided tape to the back of the CH1A interface and the PL1 as shown.
Step 10
Stick the PL1 to the top of the radio module as shown.
NOTE: The CH1A module will be positioned once the radio assembly is installed in the vehicle.
In-Vehicle Harness Connections and Preparation
Step 1A
2011-2013 Models: On the wire harness running below the steering column, locate the black 2-pin connector shown. Unplug the connector and plug each end into the matching connector on the JK07-CAN-HAR T-Harness.
Step 1B
2014-2018 Models: On the wire harness running below the steering column, locate the gray 2-pin connector shown. Unplug the connector and plug each end into the matching connector on the JK14-CAN-HAR T-Harness.
Step 2
Once the CAN T-Harness is connected, route the 2-pin twisted lead up to the radio opening.
Radio Unit Installation
Step 1
Before connecting and mounting the radio assembly, ensure you have the 2-pin CAN harness, USB cables, GPS and AM/FM antenna connectors accessible.
Step 2
Plug in the two USB cables and connect the GPS antenna to the radio module.
Step 3
Connect the AM/FM antenna adapter. Connect the vehicle’s gray 22-pin radio plug to the SRK-CH1A-HAR main harness.
Step 4
Connect the 2-pin connector coming from the CAN T-Harness to the DATA CON connector on the SRK-CH1A-HAR main harness.
Step 5
Connect any additional components (camera, amps, SXM) and tuck excess cables, wires and connectors to the sides, not directly behind the radio.
Step 6
With the two display cables and the CH1A-SRK harness and module routed over the top of the radio module, slide the assembly into place. Take caution that no wiring gets pinched between metal brackets.
Step 7
The top support bracket on the radio assembly needs to go over the top of the factory radio support bracket with the factory nut centered in the bracket cut-out.
Step 8
Once in position, install two screws to hold the radio assembly in place. We recommend testing the radio functions before completely reassembling the vehicle.
Step 9
Connect the two display cables to the back of the display.

Step 10
Once the radio display is connected, power up the radio and check functionality…
Volume, Balance, Fade
AM/FM Reception
Bluetooth*
USB
Apple Carplay
Android Auto
Steering Wheel Controls
Vehicle Info Screens
Camera(s)
*If the External Microphone is not installed, the setting must be changed from External (Default) to Internal in the Phone Settings: Main Menu > Phone > Settings
Unplug the two display cables from the back of the display after function test is complete
Step 11
Reinstall any remaining 7mm screws to secure the radio assembly. Stick the CH1A-SRK module to the face of the radio module as shown.
Step 12
Lower the steering wheel and align and reinstall the instrument cluster / radio panel. Ensure that all retaining clips are fully seated.
Step 13
Reinstall the factory 7mm screw in the upper storage tray. If using the clip-on nut, use the #10-24 X ½” Phillips machine screw to secure.
Attaching the Display Panel
Step 1
Apply a piece of removable tape across the bottom of the radio opening to protect the dash panel during installation.
Step 2
Connect the two display cables to the back of the display.
Step 3
Confirm the four side mounting screws are installed flush and not protruding beyond the thickness of the plastic.
Step 4
To attach the display assembly, align the location ribs on the sides of the mounting panel to the side brackets to center the panel side to side.
Step 5
Holding the mounting panel at the sides:
- Position the bottom edge almost touching the air vents.
- Firmly push the assembly against the dash panel.
- Slide the assembly up until it snaps in place.
Note: Once the locking clips engage, the panel will stay in place.
Step 6
Once the display panel is locked into place, use a Phillips screwdriver to tighten the two mount screws on the left and right sides of the mounting panel.
Step 7
Install the front frame by hooking at the top first, then snapping in the sides and bottom. Remove the tape by pulling downward.
Reinstall the remaining screws, panels and switch pod to complete the installation.
Product Updates (Firmware)
Firmware Updates (PAC RadioPRO ADVANCED)
The CH1A-SRK can be updated with new firmware as it becomes available. Please visit www.pac-audio.com/firmware for available updates.
Firmware Updates (Stinger HEIGH10)
To update the Stinger radio firmware, refer to the HEIGH10 product page at: www.stingerelectronics.com/products/heigh10
Reset / Restoring Interface Factory Settings
You can restore the RadioPRO interface module to factory default settings by pressing and holding the programming button on the side of the module until the status LED starts blinking red. Once the LED starts blinking red, release the button. You must release the button while the LED is blinking red in order to perform the reset. This reset will restore all settings to factory defaults.
Technical Support
Email: [email protected]
Phone: 866-931-8021
International: 727-592-5991
© 2022 AAMP Global. All rights reserved. PAC is a Power Brand of AAMP Global.
AAMP Global is not affiliated with FCA US LLC. Jeep® is a registered trademark of FCA US LLC. The terms OEM, Jeep®, Wrangler®, and Gladiator® all terms are used strictly for identification purposes only. It is not implied that any part listed is a product of, or approved by, Fiat Chrysler Automobiles.


















