Ifm GI855S Fail Safe Inductive Sensor Instruction
Preliminary notes
You will find instructions, technical data, approvals and further information using the QR code on the unit / packaging or at www.ifm.com.
Symbols used
- Instruction
- Reaction, result
- Cross-reference
- LED on
- LED off
- LED flashes
Important note
Non-compliance can result in malfunction or interference
Safety instructions
- The unit described can be installed as a subcomponent in a safety-related system.
- The operator is responsible for the safety-related system.
- The system manufacturer undertakes to perform a risk assessment and to create documentation in accordance with legal and normative requirements to be provided to the operator and user of the system. This documentation must contain all necessary information and safety instructions for the operator, the user and, if applicable, for any service personnel authorized by the architect of the system.
- The system manufacturer is responsible for the functioning of the application programs.
- If the sensor is damaged, the safety-related function cannot be guaranteed. Errors caused by damage will not cause transition to the safe state.
- If necessary, the system manufacturer has to obtain an approval from the competent supervisory and test organizations for the system’s fail-safe functions according to the applicable regulations.
- For applications of functional safety, the system manufacturer must assure the conformity of the system and the corresponding application programs in accordance with the applicable regulations. Certification by a competent organization may be required.
- Read this document before setting up the product and keep it during the entire service life.
- The product must be suitable for the corresponding applications and environmental conditions without any restrictions.
- Only use the product for its intended purpose (Ò Functions and features).
- If the operating instructions or the technical data are not adhered to, personal injury and/or damage to property may occur.
- The manufacturer assumes no liability or warranty for any consequences caused by tampering with the product or incorrect use by the operator.
- Installation, electrical connection, set-up, operation and maintenance of the product must be carried out by qualified personnel authorised by the machine operator.
It must be ensured that the safety requirements of the respective application correspond to the requirements stated in these instructions.
WARNING
Failure of the safety function
When used outside of the defined environmental conditions, the safety-related function of the sensor cannot be guaranteed.
Use only in accordance with the defined environmental conditions (→ Technical data).
Observe the following requirements:
- Take appropriate measures for a permanent and safe fixing (→ Installation).
- In case of lateral damping in the area of the safe switch-off distance of < sao, the target must stay there until the safe state of the complete system is achieved. Note the response time for safety-related faults of the sensor!
- The safe fixing must be regularly maintained at suitable intervals (cyclical inspection). Document maintenance actions (time, persons etc.).
- Adhere to EN 14,119 for interlocking devices associated with guards. Adhere to the principle of normally closed operation for all external safety circuits connected to the system.
- In case of faults within the fail-safe sensor which result in the defined safe state: Take measures to maintain the safe state when the complete control system continues to be operated.
- Replace damaged units
Items supplied
• 1 safety sensor with 2 fixing nuts
• 1 original operating instructions
If one of the above-mentioned components is missing or damaged, please contact one of the ifm branch offices.
Functions and features
The device detects metal without contact .Safety-related function SF: The safe state (output stage switched off; Logic “0”) is achieved in case of damping that is shorter than the safe switch-off distance (→ 9 Technical data).
- Observe the notes on the installation (→ 6 Installation).
The device is a proximity sensor with defined behaviour under fault conditions (PDDB) according to IEC 60947-5-3.
The device conforms to Performance Level d according to EN ISO 13849-1 as well as to the requirements SIL 2 according to IEC 61508 and meets SILcl 2 according to IEC 62061.
The unit corresponds to the classification I1A30SP2 to IEC 60947-5-2 for flush installation (→ 6 Installation).
The device has been certified by TÜVNord.
Function

- LED yellow
- Safe switch-off distance sao
- Inadmissible zone
- Enable zone
- Target
Enable zone
The outputs (OSSDs) are only enabled when undamming in the enable zone > 14,5 mm. The change of switching states of the outputs is carried out in the inadmissible zone (3). Below the safe switch-off distance the sensor is damped and the outputs (OSSDs) are switched off.
Take measures to ensure that the target does not remain in the inadmissible zone.
If damped with a reference target of 30 x 30 mm made of FE360 and flush installation to IEC 60947-5-2, the safe switch-off distance is < 8 mm.
WARNING
Failure of the safety function
The safe switch-off distance is different if targets which deviate from the reference target in terms of material, form and size are used.
Check whether the safety-related function of the sensor is guaranteed under the given operating conditions.
Safe switch-off distance for specific materials*:
| Material | Safe switch-off distance sao (mm) |
| FE360 (ST37) | 0…8 |
| stainless steel | 0…5,6 |
| aluminium | 0…3,2 |
| brass | 0…4 |
| copper | 0…3,2 |
* Typical values for damping with a reference target of 30 x 30 mm and flush installation to IEC 60947-5-2 at an ambient temperature of 20 °C.

x axis: ratio actual target / reference target
Switch-on curve Sao
Good repeatability of the switch point means: the closer the target is positioned to the sensing face, the better.

- Typical switch-on curve (for slow approach)
- Typical switch-off curve (for slow approach)
- Poor repeatability
- Good repeatability
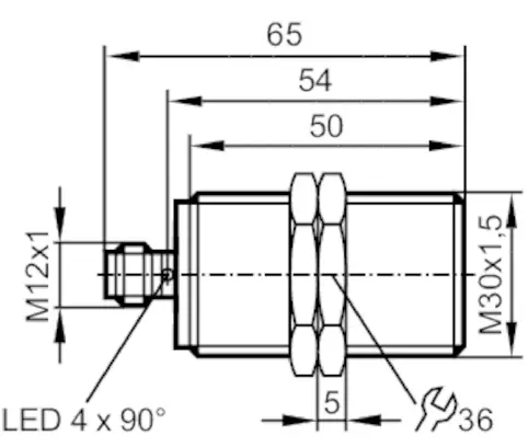
Mounting
The sensor can be mounted flush according to IEC 60947-5-2, type I1A30SP2
- Ensure that the device and the target cannot come loose.
- Tighten the supplied fastening nuts to a maximum tightening torque of 50 Nm.
WARNING
Failure of the safety function
If the sensor or the target comes loose in its fixture, the sensor can no longer fulfil its safety function.
- The mounting position of the sensor must not change due to mechanical stress, vibrations or temperature changes.
- Ensure that the sensor and target are securely fastened.
Observe the following installation conditions (dimensions in mm):

Tighten the socket according to the manufacturer’s indications. Observe the tightening torque for the ifm socket (e.g. EVxxxx: 0.6…1.5 Nm).
Electrical connection
The unit must be connected by a qualified electrician. The national and international regulations for the installation of electrical equipment must be adhered to. Voltage supply according to EN 50178, SELV, PELV. The sensor can be damaged if energized during connection.
- Disconnect power. Also, disconnect any independently supplied relay load circuits.
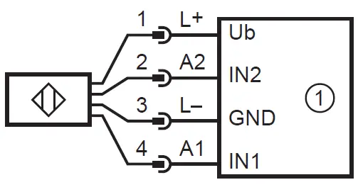
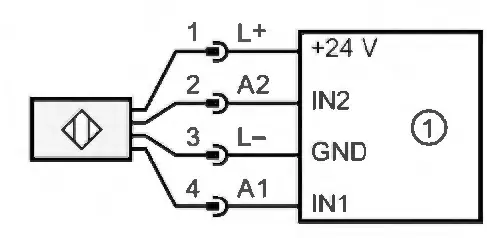
- Supply voltage: connect L+ to pin 1 and L- to pin 3 of the connector.
If used in accordance with EN 61131-2, the supply voltage including residual ripple must be between 19.2 and 30 V DC. Connect the unit as follows:

- safety-related logic unit
Operation
Switching state of the outputs
The safe state
The safe state is when the output is switched off (zero-current state: Logic “0”) of at least one of the outputs A1 or A2 (OSSDs).
If one of the outputs A1 or A2 is switched off, the subsequent safety-related logic unit must bring the complete system into the state defined as safe.
The switched state
If the target is in the enable zone and if there is no sensor error, both outputs A1 and A2 (OSSDs) are enabled (logic “1”).
Output characteristics
The interface of the devices complies with interface type C class 1 according to the ZVEI position paper CB24I Ed. 2.0.x.
| Interface type | Suitable interface type | ||
| Source | C1 | Receiver | C1 |
Identification key
Cross fault / short circuit
- A cross fault between both outputs (A1 and A2) is detected by the fail-safe sensor and results in the outputs (OSSD) being switched off after 4 s at the latest. The outputs A1 and A2 remain switched off until the error has been removed or a voltage reset has been carried out.
- A cross fault (short circuit) between output A2 and the supply voltage results in the other output A1 being switched off after 4 s at the latest.
- The subsequent safety-related logic unit (e.g. safe PLC or safety relay) must be able to detect faults via dual-channel evaluation (e.g. “stuck-at faults”). The monitored hazardous area may only be enabled if both inputs of the safety-related logic unit were previously switched off at the same time (logic “0”).
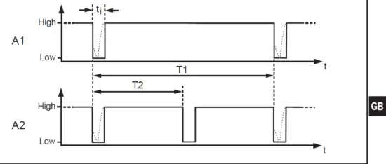
Response times
| Response time on safety request (removal from the enable zone) | ≤ 5 ms |
| Response time when approaching the enable zone (enable time) | ≤ 5 ms |
| Risk time / response time for safety-related faults | ≤ 100 ms |
| Simultaneity of switching on and off of the outputs in case of a safety request | ≤ 1 ms |
| Test pulse duration ti on A1 and A2 | ≤ 1 ms |
| Test pulse interval T1 on A1 | < 4 s |
| Test pulse interval T2 on A2 | < 2 s |

LED display
| LED | Operating status | Outputs | A1 | A2 |
| no voltage supply | both outputs switched off | 0 | 0 | |
| overvoltage | both outputs switched off | 0 | 0 | |
| sensor fault (→ 10 Troubleshooting) | one output or both outputs switched off | 0 1 0 | 1 0 0 | |
| target is at safe switch-off distance from the sensor | both outputs switched off | 0 | 0 | |
| target is in the enable zone | both outputs enabled | 1 | 1 |
Technical data

connection

Troubleshooting
| Problem | Possible cause | Troubleshooting |
| No LED display | No voltage supply | Apply voltage |
| The device does not switch, not even after undamping and redamping | The device was brought into the safe state (logic “0”). Cause:
|
|
Maintenance, repair and disposal
If used correctly, no maintenance and repair measures are necessary. Only the manufacturer is allowed to repair the unit.
After use dispose of the device in an environmentally friendly way in accordance with the applicable national regulations.
Terms and abbreviations
| OSSD | Output Signal Switching Device | Output signal switch element |
| PDDB | Proximity devices with defined behaviour under fault conditions | Näherungsschalter mit einem definierten Verhalten unter Fehlerbedingungen |
| PFH (PFHD) | Probability of (dangerous) Failure per Hour | Probability of a (dangerous) failure per hour. |
| PL | Performance Level | PL to EN ISO 13849-1 |
| SIL | Safety Integrity Level | Safety Integrity Level SIL 1-4 to IEC 61508 The higher the SIL, the lower the probability that a safety function will fail. |
| SILcl | Safety Integrity Levelclaim limit | Safety Integrity Level c laimlimit (according to IEC 62061) |
| TM | Mission time | Duration of use according to EN 60947-5-3 (= max. service life) |

Preliminary notes


















