HR0029 Temperature and Humidity Sensor Module

Product Information
The HR0029 Temperature and Humidity Sensor Module is a DHT11 digital temperature and humidity sensor that provides a calibrated digital signal output of the temperature and humidity combined sensor. It operates on a power supply of 3.5V to 5.5V and outputs both temperature and humidity serial data. The module has a high-performance 8-bit microcontroller connected to a resistive element and a sense of wet NTC temperature measurement devices which ensure high reliability and long-term stability. The product has precise calibration, low-cost, fast response, anti-interference ability, and long-distance signal transmission.
Specifications
- Operating Voltage: 3.5V to 5.5V
- Operating Current: N/A
- Output: Temperature & Humidity Serial Data
- Temperature Range: 0℃ to 50℃
- Humidity Range: 20% to 90% RH
- Resolution: Temperature: ±2℃, Humidity: ±5%RH
- Accuracy: Temperature: ±2℃, Humidity: ±5%RH
- Pin Connections: 1 – Vcc, 2 – Data, 3 – Ground
Product Usage
- Connect the HR0029 module to your circuit using the pin connections (1 – Vcc, 2 – Data, 3 – Ground).
- Apply a power supply of 3.5V to 5.5V to the module.
- Read the temperature and humidity data from the module’s serial output data.
- The module can be used in various applications such as HVAC, dehumidifiers, testing and inspection equipment, consumer goods, automotive, automation, data loggers, weather stations, home appliances, humidity regulator, medical and other relevant humidity measurement and control.
- Ensure that the temperature range is within 0℃ to 50℃ and the humidity range is within 20% to 90% RH for accurate readings.
TEMPERATURE AND HUMIDITY SENSOR MODULE – HR0029

| Specifications | ||
| Function | Temperature & Humidity Sensor | |
| Model | DHT11 | |
| Operating Voltage | 3.5 to 5.5 V | |
| Operating current | 0.3 mA (measuring) | |
| 60 uA (standby) | ||
| Output | Serial data | |
| Temperature Range | 0°C to 50°C | |
| Humidity Range | 20% to 90% | |
| Resolution | Temperature & Humidity – 16-bit | |
| Accuracy | ±1°C and ±1% | |
| Pin Connections | ||
| 1 – Vcc | Power supply 3.5V to 5.5V | |
| 2 – Data | Outputs both Temperature & Humidity serial Data | |
| 3 – Ground | Connected to the ground of the circuit |
Product Overview
DHT11 digital temperature and humidity sensor is a calibrated digital signal output of the temperature and humidity combined sensor. It uses a dedicated digital modules capture technology and the temperature and humidity sensor technology to ensure that products with high reliability and excellent long-term stability. Sensor includes a resistive element and a sense of wet NTC temperature measurement devices, and with a high-performance 8-bit microcontroller connected .

Applications
HVAC, dehumidifiers, testing and inspection equipment, consumer goods, automotive, automation, data loggers, weather stations, home appliances, humidity regulator, medical and other relevant humidity measurement and control.
Product Highlights
Low-cost, long-term stability, relative humidity and temperature measurement, excellent quality, fast response, anti-interference ability, long distance signal transmission, the digital signal output, precise calibration.
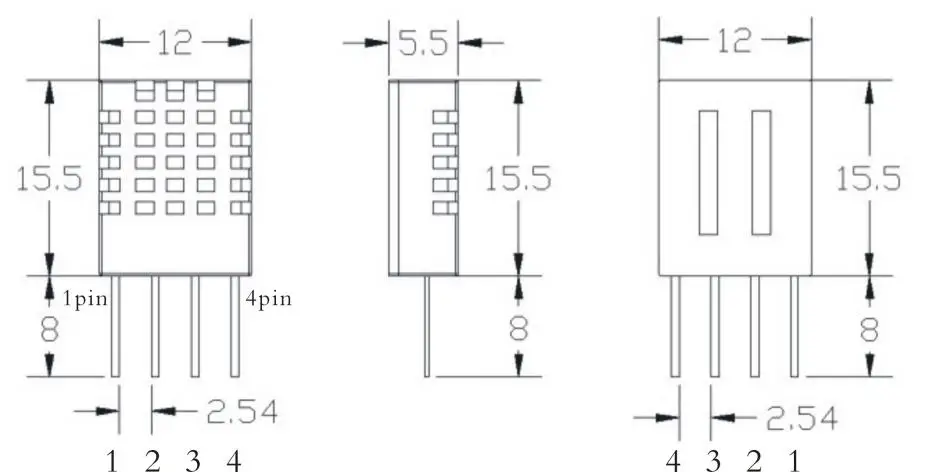
Dimensions (Unit: mm) 
Parameters
- Relative Humidity
- Resolution:16Bit
- Repeatability:±1%RH
- Accuracy:25℃ ±5%RH
- Interchangeability:Fully interchangeable
- Response time:1/e (63%)25℃ 6s
- 1m/s Air 6s Hysteresis:<±0.3%RH
- Long-term stability:<±0.5%RH/yr
Temperature
- Resolution:16Bit
- Repeatability:±1℃ Accuracy:25℃ ±2℃
- Response time:1/e (63%) 10S
- Electrical Characteristics Power supply: DC 3.3~5.5V
- Supply current: Measure 0.3mA Standby 60μA
- Sampling period: Secondary Greater than 2 seconds
Pin Description
- VDD supply 3.3 ~ 5.5V DC
- DATA serial data, single-bus
- NC NC
- GND grounding, power negative
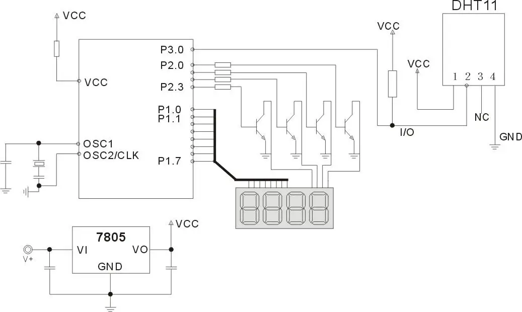
Typical circuit
Connecting the typical application circuit shown above the microprocessor and DHT11, DATA pull-up and microprocessor I/O port.
- A typical application circuit recommended cable length shorter than 20 meters with a 5.1K
pull-up resistor when greater than 20 meters when the pull-up resistor to reduce the actual situation. - When using a 3.3V voltage supply cable length must not be greater than 100cm. Otherwise it will lead to lack of line drop sensor supply, causing measurement bias.
- Temperature and humidity values are read out every last measurement result, want to get real-time data, to be read twice in a row, but not recommended repeatedly read sensors, each sensor reading interval of more than 5 seconds to obtain accurate data.
Serial Communications Description (single-wire bidirectional)
- Single Bus Description
DHT11 device uses a simplified single-bus communication. Single bus that only one data line, the data exchange system, are controlled by a single bus is complete. Device (master or slave) through an open-drain or tri-state port is connected to the data line to allow the device to send data when not able to release the bus, and let other devices use the bus; single bus usually requires external approximately 5.1kΩ pull up resistor, so that when the bus is idle, the state is high. Because they are master-slave structure, only the host calls a slave, a slave to answer, so the host access devices must strictly follow the sequence of a single bus, if there is a sequence of confusion, the device will not respond to the host. - Single bus transfer data bit definition
DATA is used for communication between the microprocessor and DHT11 and synchronization, single-bus data format, a 40-bit data transfer, high first-out.
Data formats:
8bit humidity integer data + 8bit decimal data +8 bit temperature and humidity data + 8bit temperature decimal integer data +8 bit parity bit.
Note: The fractional portion wherein the temperature and humidity of 0. - Parity bit data definition
“8bit humidity decimal integer data + 8bit humidity temperature data +8 bit decimal integer data + 8bit temperature data” 8bit parity bit is equal to the result of the end of eight.
Example One:40 receives the data to:
0011 0101 0000 0000 0001 1000 0000 0000 0100 1101
High humidity 8 Low humidity 8 High temperature 8 Low temperature 8 Parity bit
Calculated as follows:
0011 0101+0000 0000+0001 1000+0000 0000= 0100 1101
Receive data is correct:
Humidity: 0011 0101=35H=53%RH
Temperature:0001 1000=18H=24℃
Example Two: The received data is 40:
0011 0101 0000 0000 0001 1000 0000 0000 0100 1001
High humidity 8 High humidity 8 High temperature 8 High temperature 8 Parity bit
Calculated as follows:
0011 0101+0000 0000+0001 1000+0000 0000= 0100 1101
01001001 is not equal to 01001101
The received data is not correct, give up, again receiving data. - Data Timing Diagram
Hosts (MCU) after sending a start signal, DHT11 transition from a low-power mode to high-speed mode, the host until after the end of the start signal, DHT11 send a response signal, send 40bit data acquisition and trigger a letter. Signal transmission shown in fig.
Data Timing Diagram
Note: The host reads temperature and humidity data from DHT11 always previous measurements, such as the two measured time interval is long, please read twice in a row is the second time in real time temperature and humidity values.
- Peripheral reading step
Communication between master and slave can be completed by the following steps (peripherals (such as a microprocessor) to read step DHT11 data).
Step one:
DHT11 after power (power after DHT11 1S to wait to cross the unstable state during this period can’t send any commands), test environment temperature and humidity data, and record data while the data lines DATA DHT11 pulled by a pull-up resistor remains high; DHT11 this time the DATA pin is the input state, always detect external signals.
Step two:
Microprocessor I / O output while the output is set to low, and low retention time can’t be less than 18ms, then the microprocessor I / O is set to enter the state, due to the pull-up resistor, the microprocessor I / O that the data lines DHT11 also will go high, waiting to answer DHT11 signals transmitted signal as shown:
The host sends a start signal
Step three:
DHT11 the DATA pin when external signals detected low, waiting for the external signal low end, after a delay DHT11 the DATA pin is an output, the output low as 80 microseconds response signal, followed by the output of 80 micro-notify the second high peripheral is ready to receive data, the microprocessor I / O at this time in the input state detecting I / O with low (DHT11 echo signal) to the wait for 80 microseconds high data receiving and sending signals as shown:
Step four:
The 40 bit data output by the DHT11 DATA pin, the microprocessor according to the change of I/O level receive 40 bits of data, a data format of “0”: high level and low level of 50 microseconds and 26-28 microsecond, format data “1”: low level 50 microsecond plus 70 microsecond high. Bit data “0”, “1” format signal as shown in fig:
End signal:
DHT11 the DATA pin output 40-bit data, the continued output low 50 microseconds after the entry into the state, due to the pull-up resistor attendant goes high. But DHT11 temperature and humidity inside the test-retest data, and record the data, awaiting the arrival of an external signal.
Application Information
- Working and storage conditions
The proposed scope of work may result in up to 3% RH temporary drift of the signal. Return to normal working conditions, the sensor calibration status will slowly recover. To speed up the recovery process can be found in “recovery process.” The use of the product will accelerate the aging process for a long time under abnormal operating conditions.
Avoid placing components on a long-term condensation and dry conditions and the following environments.- A. smoke
- B. Acid or oxidizing gases such as sulfur dioxide, hydrochloric acid
Recommended Storage Environment- Temperature:10~40℃
- Humidity:60% RH or less
- Effects of exposure to chemical substances
Sensing resistive humidity sensor will be disturbed chemical vapor layer, the diffusion layer in the induction of chemicals may cause drift and measurement sensitivity. In a clean environment, slowly release contaminants out. The recovery process described below to accelerate the process.
High concentrations of chemical pollution can cause damage to the sensor sensing layer completely. - Temperature Effect
Relative humidity of the gas is largely dependent on temperature. Therefore, when measuring the humidity should be possible to ensure that the humidity sensor works at the same temperature. If you share a printed circuit board with electronic components heat released in the sensor should be installed as far as possible away from the electronic components, and installed at the bottom of the heat source, while maintaining a well-ventilated enclosure. To reduce the thermal conductivity sensor and a copper plating layer of the printed circuit board should be as minimal other portions, and leaving a gap between them. - Light effects
Prolonged exposure to sunlight or strong ultraviolet radiation, will reduce performance. - Recovery process
Placed under extreme operating conditions or chemical vapor sensors, through the following process, you can return it to the state calibration. <2 hours (drying) under 10% RH humidity conditions; then at 20-30 ℃ and> 45 ℃ and humidity under 70% RH conditions were maintained for more than 5 hours. - Wiring Precautions
DATA signal wire quality will affect the communication distance and communication quality, we recommend using a high-quality shielded cable. - Soldering Information
Manual welding, at a temperature of 300 ℃ maximum contact time must be less than 10 seconds. - Product upgrades
For details, please consult our technical department。 - License Agreement
Without the prior written permission of the copyright holder, shall not in any form or by any means, whether electronic or mechanical (including photocopying), for any part of this manual maybe reproduced, nor may its contents be communicated to a third party. The contents are subject to change without notice.
Aosong Electronics Co., Ltd. and third-party ownership of the software, users only be used in the signing of a contract or license the software. - Warnings and personal injury
Do not use this product as safety or emergency stop devices, as well as due to the failure of the product could result in personal injuries to any of the other applications. The product shall not apply unless there is a particular purpose or use authorization. Before installation, handling, use or maintenance of the product to the reference product data sheets and application notes. Failure to comply with this recommendation could result in death or serious injury. The resulting company will not be liable for all damages in personal injury and death, and thus exempt from any claims against the company managers and employees and affiliated agents, distributors, etc. that may arise, including: a variety of costs, damages costs, attorney fees, and so on. - Quality Assurance
The company offers a three-month quality assurance (calculated from the date of shipment from) their direct purchasers of the product. Data sheet of the company published the technical specifications of the product shall prevail. If the warranty period, the product is proved to be defective quality, the company will provide free repair or replacement. Users must satisfy the following conditions:- Product is found defective within 14 days written notice to the Company;
- Product should be returned to the purchaser to pay the company;
- Shelf life of the product should be.
The company only to those used in compliance with the technical condition and defects of products is responsible for. Company for its products used in those special applications without any warranty, guarantee or written statement. The company applied to the product or its products reliability of the circuit does not make any promises.
Aosong Guangzhou Electronics Co., Ltd.
Order by phone:4006 305378
Enterprise QQ:4006305378
EMAIL: www.aosong.com




















