Mircom MIX-DH3000 Series Alpha Intelligent Duct Detectors

Description
Mircom’s MIX-DH3000 Series Intelligent Smoke Duct Detectors are the latest analog addressable innovation for early detection of smoke and products of combustion present in air moving through HVAC ducts in Commercial, Industrial, and Residential applications.
The Duct Detectors are designed to prevent the recirculation or spread of smoke by air handling systems, fans, and blowers. Complete systems may be shut down via the building’s fire alarm control panel (FACP) in the event of smoke detection.
The MIX-DH3000 Series are Low-Flow Ionization and Photoelectric air duct smoke detectors that are capable of sensing smoke in air velocities from 100 to 4,000 feet per minute (0.5 to 20.32 m/sec). Low-flow technology can detect smoke at air speed velocities of 100 feet per minute or greater, while continuing the same reliable performance to 4,000 feet per minute.
The MIX-DH3000 Series are designed and built to meet all local code requirements, as well as the NFPA and ICC standards regarding HVAC supply and return duct smoke detectors. Output terminals are provided for a remote alarm indicator accessory.
Features
- Low-Flow Technology: Both Ionization and Photoelectric models listed for velocities between 100-4000 ft./min
- Both Ionization and Photoelectric models listed for high temperature applications
- Units supplied with slide-in MIX-ADD Address Card for easy device addressing
- Patent pending “No-Tools Required” front or rear loading and removing sampling/exhaust tubes
- Patent pending “Test Port Valve” allows for aerosol smoke testing without cover removal
- Clear cover fitted with four captive “No-Tools Required” thumbscrews
- Instantaneous cover removal trouble indication
- Vertical terminal block for easier wiring
- Steady red LED on detector head indicates alarm
- More wiring space than competitive models
- Footprint allows easy retrofit in many applications without additional drilling
- Duct wall gaskets on back of enclosure are pre-installed
- External mounting tabs do not require cover removal to install
- Colored cover gasket indicates proper cover seal
- Large terminal connection screws
- Alpha Series interchangeable “plug-in” UL268 photoelectric or ionization heads
- Advanced detector head design yields internal dust filtering
- No additional screens or filters to clean
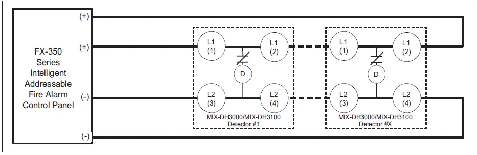
- Compatible with FX-350 Fire Alarm Control Panels
- Complete wiring details permanently attached to unit
MIX-DH3000R/MIX-DH3100R (with relay)
- Operating voltages: 24VAC or 24VDC
- In-line terminal block for easier wiring
- Remote accessories available
- Includes green pilot and red alarm visual indicators
- One set of 15A form “C” alarm contacts
Specifications
MIX-DH3000R/MIX-DH3100R Specifications
- MIX-DH3000R/MIX-DH3100R Class “B” Wiring Diagram

- MIX-DH3000R/MIX-DH3100R Class “A” Wiring Diagram

Engineer Specifications
- Air duct smoke detectors shall be Mircom MIX-DH3000 Series. For ionization detectors the model number is MIX-3000R.For photoelectric detectors the model number is MIX-3100R. The detectors shall be listed by Underwriters Laboratories per UL 268A.
- The detectors shall operate at air velocities from 100 feet per minute to 4,000 feet per minute and at temperatures of no greater than 140°F (60°C).
- Visual indication of alarm and power must be provided on the detector front.
- A manual relay/test switch located on the front of the device shall be provided.
- Detector head shall not require additional filters or screens which must be maintained, and shall include both a standby and alarm visual indication.
- The housing shall contain a detector base which will accept photoelectric or ionization detector heads as well as a means of detector addressing.
- Terminal connections shall be of the screw type, a minimum of #6 screw (#12 to #22 AWG compatible). Terminals shall be provided for remote alarm indication. All wiring must comply with local codes and regulations.
- A method of smoke testing the detector without removing the cover must be provided.
- All unit, remote accessory, and common function connection designations must be permanently affixed to the unit.
- Cover and sampling/exhaust tube installation or removal must not require the use of tools.
- Sample and exhaust tubes shall be capable of removal/installation from the front and/or rear of the detector for inspection/maintenance.
Electrical Specifications
| Air Velocity | 100 to 4,000 ft./min. | ||
| Ambient Temperature | MIX-DH3000 | 32ºF to 150ºF (0ºC to 66ºC) | |
| MIX-DH300R | |||
| MIX-DH3100 | 32ºF to 140ºF (0ºC to 60ºC) | ||
| MIX-DH3100R | |||
| Humidity | 10% to 95% R.H. Non-Condensing/Non-Freezing | ||
| Wiring | #12 to #22 AWG terminals | ||
| Material | Grey plastic backbox,clear plastic cover | ||
| Dimensions | L-13½” X H-4½” X D-2 ¼” | ||
| Max. Net Weight | MIX-DH3000 / MIX-DH3100 | 2 lbs. | |
| MIX-DH3000R / MIX-DH3100R | 2¼ lbs. | ||
| Radioactive Element | For MIX-DH3000/MIX-DH3000R (Ionization) Americium 241; 0.9 Micro-Curie Do Not Expose to Corrosive Atmospheres | ||
| Hardware | 7” exhaust tube, sampling tube end cap, mounting template and mounting hardware included | ||
MIX-DH3000R/MIX-DH3100R Electrical Specifications
- Relay Contact Ratings
Alarm Contacts Resistive Load Inductive Load 1 set form “C” rated at 15 Amps @125VAC 10 Amps @ 277VAC
7 Amps @ 30VDC
¼ HP @ 125/250VAC (NC) ⅓ HP @ 125/250VAC (NO)
- Control Board Power Requirements (without accessories)
Standby 24VAC 105 mA 24VDC 26 mA
Terminal Connections


Remote Accessory Wiring


Remote Accessories
The MS-RA and MRTS-KAPR remote accessories are designed to be used with Mircom’s Duct Smoke Detectors to provide visual indication on the detector as well as remote test/reset functions. The MS-RA provides an LED indicator while the MRTS-KAPR is equipped with LEDs and a test/reset switch. Enabling the “Test” switch on the MRTS-KAPR provides a local alarm indication on the duct detector but not at the fire alarm control panel. Both models are constructed of attractive, durable brushed stainless steel and mount on a standard single gang electrical backbox.
- Power Requirements: Alarm LED 15mA @ 24VDC Pilot LED 15mA @ 24VDC
- Dimensions: 4 ½” (114.3mm)H x 2 ¾”(69.85mm)W
Ordering Information
| Model | Description |
| MIX-DH3000 | Alpha Intelligent Ionization Low-Flow Duct Smoke Detector |
| MIX-DH3000R | Alpha Intelligent Ionization Low-Flow Duct Smoke Detector with relay |
| MIX-DH3100 | Alpha Intelligent Photoelectric Low-Flow Duct Smoke Detector |
| MIX-DH3100R | Alpha Intelligent Photoelectric Low-Flow Duct Smoke Detector with relay |
| MSTN-1.0 | Sampling tube for 12” or less duct width |
| MSTN-2.5 | Sampling tube for 6” to 2.5’ duct width |
| MSTN-5.0 | Sampling tube for 2.5’ to 5.0’ duct width |
| MSTN-10.0 | Sampling tube for 5.0’ to 10.0’ duct width |
| MRTS-KAPR | Remote Alarm LED (Red), Pilot LED (Green) and Key-Operated Test/Reset Switch on a Single Gang Plate |
| MS-RA | Remote Alarm LED (Red) on a Single Gang Stainless Steel Plate |
Canada
25 Interchange Way Vaughan, Ontario L4K 5W3
Telephone: (905) 660-4655 Fax: (905) 660-4113
Web page: http://www.mircom.com
U.S.A.
4575 Witmer Industrial Estates Niagara Falls, NY 14305
Toll Free: (888) 660-4655
Fax Toll Free: (888) 660-4113



















