IMADA HTGA-TFX Series Built-in Torque Gauge

IMADA CO., LTD.
Built-in Torque Gauge HTGS-TFX/HTGA-TFX series
- Flange type reaction torque sensor with through holes for easy installation
- Achieves high repeatability with fast sampling for peak and continuous data
- Ideal for both integration and handheld use with easy-to-read OLED display
- Accurate yet budget solution with indicator and sensor combined
- Data management with included software and analysis with optional graphing software
HTGS-TFX/HTGA-TFX series (Next Series *1)
* IP (Ingress Protection) is a standard which is based on IEC Standard for solid foreign materials, electric devices for water and cabinet.
*1 Next Series is a generic term for IMADA force gauges and testing devices with upgraded functions and performances. (See page 2 for details.)
Features
Suitable for Integration | Indicator Ideal for both Handheld and Integration | Indicator and Sensor Combined Ready-to-Measure |
|
|
|
Testing Examples
The torque value is measured by installing it to a spot where a torsional force is applied in production or inspection equipment, such as integrating into a torque tester or a torque control system of a production line. Custom-made jigs are available to meet a wide variety of torque measurement needs.
Main Features
| High repeatability with fast sampling for peak and continuous data | |
Comparison of destructive test results by sampling speed*
sampling speed 2000 Hz 100 Hz | High sampling rate of 2000 Hz contributes to accurate results, capturing small changes and accurate peak values by following rapid changes of force. Optional graph drawing software (page 6) enables plotting of the measured data at sampling speed of 2000 times/sec. It also visualizes minute force changes, which is ideal for analysis and evaluation. |
| Clear OLED display with a variety of display mode | |
![]() | The OLED display provides excellent contrast and high visibility, which reduces errors in reading measurement results. The display screen can be divided into three sections, allowing customizing the display contents, such as calendar, bar graph and comparator setting values on the top and bottom. In addition, it has various display capabilities such as a multi-language setting menu and overload warning display. |
| Enhanced measurement by external output and functions | |
![]() | With a wide range of data output options such as USB, wireless, serial communication, and analog output, it enhances features of measurement, including data management on a PC and interlocking with various devices. Examples include controlling external equipment (e.g. stopping the machine at a specified torque value) and creating an inspection device linked to the production process to improve the efficiency of the inspection process. |
| Easy data acquisition and management with the included software | |
| USB cable and software Force Logger are included and therefore data management is easily performed together with measurement. It also allows configuring of the indicator as well as changing measurement conditions. (Refer to page 5 for the system requirements.) Optional graphing software Force Recorder series are also available to analyze the results. |
| Improved expandability with Next Series | |
![]() IMADA-Connected (https://www.imada connected.com/) | Next Series is a generic term for IMADA measurement devices with upgraded functions and performances with modifications. As well as the increased measurement stability achieved from further noise reduction to the measurement circuit, firmware update becomes available on the user support site, IMADA-Connected. On the website, related data such as software and instruction manuals can also be downloaded. |
Additional Functions of HTGA-TFX series
| Angle Output Function | USB Flash Drive for Data Storage | 1st and 2nd Peak/ |
![]() |
|
|
| By connecting with a customized angle meter, the angle value can be measured and displayed at the top. It is also possible to output the angle data to a PC by using the dedicated software. | Continuous and single data (with button operation) can be saved in USB flash drive (sold separately) in CSV format. Data acquisition is possible even without PC. | 1st and 2nd peak value can be measured (image of 1st/2nd peak as above). The statistics such as the Max/Min stored in HTGA can be shown on the display. |
Specifications
Model | HTGS-TFX series | HTGA-TFX series |
| Features | Standard model with various functions | Advanced model with additional functions of HTGS series such as input/output angles and saving to USB flash drive, etc. |
| Capacity | See [Models] | |
| Accuracy | +/- 1.0%F.S. +/-1digit | |
| Unit | N-m, N-cm, kgf-m, kgf-cm, lbf-in, ozf-in (*1) | |
| Display | 4-digit Organic EL | |
| Display Update | 16/sec | |
| Sampling Rate | 2000 data/sec at maximum (*2) | |
| Battery | Nickel-hydrogen battery – Operating time: 6.5 hours (2 hours full charge) (*3) | |
| Safe Overload Rating | Approx.200% | |
| Angle Range | – | 0.1 to 9999.9° (*4) |
| Operating Environment | Temperature: 0 to +40 degree Celsius, Humidity: 20 to 80%RH | |
| Cable | Approx. 2m | |
| Weight | Indicator: 490g Load Cell: 63g | |
| Dimensions | See [Dimensions] | |
| Protection Rating (*5) | IP64 | |
| Functions | Customized display (header and footer), Peak hold (clockwise and counter- clockwise), Internal 1000 points data memory, Comparator (judgment of OK or NG), Reversible display, Sign inversion, Zero clear timer, +NG alarm, Off timer (auto power off), Dumping, Time display, setting lock | |
| – | 1st/2nd peak, Angle detection at torque peak value (*4), Angle zero reset at selected torque (*4) | |
| Output | USB, RS232C, ±2VDC analog output (D/A), Comparator 3 steps (-NG/OK/+NG), Overload alarm | |
| – | Sub comparator 2 steps (output of large or small judgment), USB flash drive, angle (*4) | |
| Overload Warning | Approx.110%F.S. (Warning message and alarm) | |
| External Connecting Switch | Power ON/OFF, send and hold, zero reset, peak and real-time switchable | |
| Accessories | AC adapter, inspection certificate, CD driver (including data logging software), USB cable, carrying case, L wrench, | |
| – | USB flash drive adapter (*6)- | |
- These are the specifications for international model. Note that available units are different from Japanese domestic model.
- The recording rate to USB flash drive is selectable among 1, 50 and 100/sec.
- The battery is consumed faster when connected to USB flash drive or an angle meter.
- Angle meter is necessary to activate these functions.
- IP is only approved for the load cell part. The indicator, the connector parts, and cable are not secured.
- USB flash drive is not included.
Models
| Model | Capacity | Display | Resolution | |
| HTGS-TFX-5N | HTGA-TFX-5N | 5N-m (500N-cm) | 5.000N-m (500.0N-cm) | 0.001N-m (0.1N-cm) |
| HTGS-TFX-10N | HTGA-TFX-10N | 10N-m (1000N-cm) | 10.00N-m (1000N-cm) | 0.01N-m (1N-cm) |
Included Software
Data Acquisition Software: Force Logger | |
| Main Functions
Operating Environment
|
Custom-made Cables
Other Custom-made Solutions and Support
To meet diverse torque measurement needs, we propose the optimal solution according to the customer’s measurement conditions and samples. Custom-made solutions are flexibly offered to serve specific needs, such as integration into equipment, or designing a jig to hold a specific sample. Please feel free to contact us.
Optional Cables
Optional Cables | ||
Analog Cable (3m) | CB-108 | To connect to a multi meter, oscilloscope |
RS232C Cable (3m) | CB-208 | To connect to a PC having its own system |
| Contact point cable (3m) | CB-808 | To connect to external equipment such as PLC |
Open end cable (3m) | CB-908 | Output cable for loose wire 37 pin (useful for connection with unique equipment) |
| Cable with Terminal Block | CTB-A | To connect to external equipment such as PLC |
Graphing Software: Force Recorder Series | ||
|
* Refer to each specification sheet for further information. | |
Wireless Data Transmit System WL01 Series | Battery for Replacement BP-308 | |
|
| |
| Transmits and receives measured data from remote locations | Rechargeable battery pack for replacement | |
Alternative Torque Measurement Solutions
Sensor Interchangeable eZ-Connect series | ||
| Desk Type Amplifier eFA Plus2 | Handheld Type Amplifier eZT | Flange Type Torque Load Cell eTFX series |
| ![]() | ![]() |
| Sensor interchangeable box shaped desk type amplifier ideal for integration | Sensor interchangeable handheld type amplifier | Sensor interchangeable flange type torque load cell to use connected with eFA Plus2 or eZT |
Handheld Torque Gauge HTGS/HTGA series | Screw Cap Torque Tester DTXS/DTXA series | |
|
| |
| Hand-held type torque gauge for measuring torque of rotary switches, tightening/loosening bolts, etc. | Desktop type screw cap torque tester for measuring opening torque of screw caps such as PET bottles | |
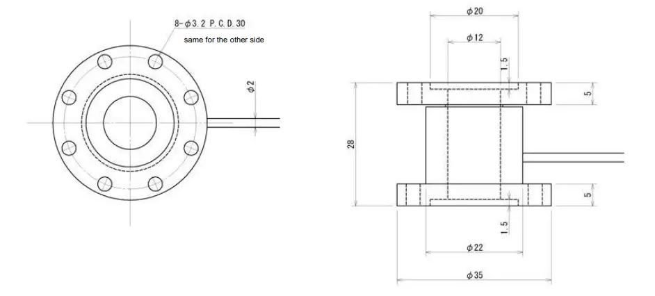
Dimensions
Indicator

Load Cell

Cautions
- Information in this document is subject to change without prior notice.
- This document introduces product descriptions and handling precautions, and it does not guarantee the features
or safety mentioned therein. - This product is designed for force measurement purpose only.
- Do not copy and use this content without authorization.
- Do not apply force more than its capacity or from incorrect direction to the measuring shaft.
- Do not use this product in the environments including fierce temperature changes, high temperature, high humidity, near water, dusty place
IMADA CO., LTD.
Visit our website for more information on a wide range of product specifications, measurement applications and videos.
99 Jinnoshinden-cho aza Kanowari Toyohashi
Japan 441-8077
Tel: +81-(0)532-33-3288
Fax: +81-(0)532-33-3866
E-mail: [email protected]
Website: https://www.forcegauge.net/en/











![Included Software]](https://static-data1.manualsee.com/2/img/97/8500702/2023/06/IMADA-HTGA-TFX-Series-Built-in-Torque-Gauge-User-Manual-15.png)


























