Hydraulic Force Gauge
User Manual

PCE-HFG Hydraulic Force Gauge
Safety notes
Please read this manual carefully and completely before you use the device for the first time. The device may only be used by qualified personnel and repaired by PCE Instruments personnel. Damage or injuries caused by non-observance of the manual are excluded from our liability and not covered by our warranty.
- The device must only be used as described in this instruction manual. If used otherwise, this can cause dangerous situations for the user and damage to the meter.
- The instrument may only be used if the environmental conditions (temperature, relative humidity, …) are within the ranges stated in the technical specifications. Do not expose the device to extreme temperatures, direct sunlight, extreme humidity or moisture.
- Do not expose the device to shocks or strong vibrations.
- The case should only be opened by qualified PCE Instruments personnel
- Never use the instrument when your hands are wet.
- You must not make any technical changes to the device.
- The appliance should only be cleaned with a damp cloth. Use only pH-neutral cleaner, no abrasives or solvents.
- The device must only be used with accessories from PCE Instruments or equivalent.
- Before each use, inspect the case for visible damage. If any damage is visible, do not use the device
- Do not use the instrument in explosive atmospheres.
- The measurement range as stated in the specifications must not be exceeded under any circumstances
- Non-observance of the safety notes can cause damage to the device and injuries to the user.
- Do not transport the force gauge when it is attached to the manometer as the manometer could detach and damage the force gauge.
- Avoid penetration of escaping oil into the soil and ground water.
We do not assume liability for printing errors or any other mistakes in this manual.
We expressly point to our general guarantee terms which can be found in our general terms of business.
If you have any questions, please contact PCE Instruments. The contact details can be found at the end of this manual.
Specifications
2.1 General technical specifications
| Specification | Description |
| Measurement range | 0 … 25000 N |
| Measuring accuracy | ±1.85 % f. s. |
| Resolution | 20… 1000 N |
| Units | N, kN |
| Type of force | Static compressive force |
| Force application | Axial or vertical application |
| Material | Stainless steel |
| Memory | Integrated drag indicator for maximum value recording |
| Operating time | Permanent, operation without auxiliary power |
| Display | Analogue force manometer |
| Mounting aid | 2 x M6 screw mounting for axial fixing |
| Inner ring diameter | ⌀27 mm |
| Main dimensions | 180 mm x 105 mm x 35 mm (L x W x H) |
| Operating conditions | 0 °C… +50 °C 20 %… 90 % RH non-condensing |
| Storage conditions | 10 °C… +60 °C 20 %… 90 % RH non-condensing |
| Weight | approx. 1.6 kg |
2.2 Models
| Specification | PCE-HFG 1K | PCE-HFG 2.5K | PCE-HFG 10K | PCE-HFG 2 |
| Measurement range | 0… 1,000 N | 0… 2,500 N | 0… 10,000 N | 0… 25,000 |
| Measuring accuracy | ±2.5 % f. s. | ±1.85 % f. s. | ±1.85 % f. s. | ±1.85 % f. s |
| Resolution | 20 N | 100 N | 200 N | 1000 N |
| Unit | N | N | kN | kN |
The measuring accuracy is composed of the reading error of analogue dial instruments of at least
±0.25 % f. s. and the accuracy class of the manometer of ±1.6 % f. s.
2.3 Delivery contents
1 x force gauge PCE-HFG Series
1 x carrying case
1 x compression die adaptor
1 x quick start guide
General information
3.1 Applications
The hydraulic ring force gauges of the PCE-HFG series can be used variably for measuring axial forces or bearing forces as well as vertical forces during maintenance and adjustment work. The special feature of the force gauge is the 27 mm ring aperture with an axial screw mounting. With the ring aperture in the force gauge, measurements can be made on guide rails, shafts and also bolts of hydraulic presses, for example. With the insertable compression die adaptor, the force gauge can be converted from a ring force gauge to a compression die force gauge within seconds and used for measuring industrial machines, for example. The force gauge can be used wherever applied forces are to be measured. With its integrated drag indicator, the force gauge can save the respective maximum measured value.
3.2 Operating principle
The force gauge works on the basis of the principle of force transmission. The forces applied to the compression die can be measured and displayed via the closed hydraulic system. The external forces generate a hydraulic pressure inside the force gauge. The oil acts as a transmission medium and transmits the forces to the manometer. On the manometer scale, these forces are displayed in Newton. The test instrument is adjusted to the display by the design of the housing and the compression die. Opening the closed hydraulic system falsifies the measuring results and a new adjustment must be made.
Note: Make sure that the closed hydraulic system is not opened.
3.3 Force application
The hydraulic ring force gauges of the PCE-HFG series are only designed for pressure forces perpendicular to the compression die. Any loading with transverse forces, ending moments and torques can tilt or displace the compression die and thus cause a permeability between the die and the housing. In general, the higher friction results in a greater measurement error.
Note: Avoid any loading with transverse forces, bending moments and torques.
The force gauge is used to measure static pressure forces. Dynamic forces can only be displayed at very low frequencies. The transducer should always be loaded and unloaded slowly. Ensure that the measurement range is generally not exceeded. Sudden pressure surges and over-range may destroy the manometer.
Note: Avoid sudden loading and unloading of the die.
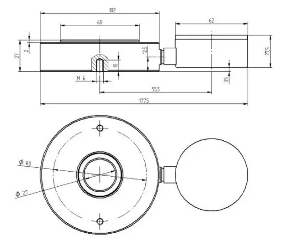
System description
The hydraulic ring force gauges of the PCE-HFG series are available as four versions. The versions differ in the measurement range, the unit of force display and the scale resolution. Further information is explained in chart 2.2 Models. The geometry is identical for all models.
4.1 Device
Manometer (class 1.6)- Measuring scale (N, kN)
- Force indicator
- Integrated drag indicator
- Compression die adaptor
- Housing of force transducer
- Die ring
- Compression die
4.2 Dimensions in mm

The dimensions apply to all models of the PCE-HFG series.
Operation
Due to the design-related frictional forces prevailing in the manometer and the inertia of the indicator needle, measurements may be inaccurate. Especially after a longer period of non-use of the hydraulic ring force gauge, this inertia can occur at the indicator.
To ensure the accuracy of the measurement, load and unload the compression die several times before measuring. You can eliminate any remaining inaccuracies by “knocking” on the black housing of the manometer.
Maintenance
If the operating and safety instructions are observed, the force gauge is very low-wear and does not require any maintenance over a longer period of time. To achieve this, the force gauge must be protected from coarse contamination and the closed hydraulic system must not be opened. To check the measuring accuracy, however, the hydraulic force gauge must be sent to the manufacturer at regular intervals (annually) for inspection and recalibration.
Warranty
You can read our warranty terms in our General Business Terms which you can find here: https://www.pce-instruments.com/english/terms.
Disposal
For the disposal of batteries in the EU, the 2006/66/EC directive of the European Parliament applies.
Due to the contained pollutants, batteries must not be disposed of as household waste. They must be given to collection points designed for that purpose.
NOTE for the disposal of waste oil
Dispose of escaping oil via your local recycling centre.
In order to comply with the EU directive 2012/19/EU we take our devices back. We either re-use them or give them to a recycling company which disposes of the devices in line with law. For countries outside the EU, batteries and devices should be disposed of in accordance with your local waste regulations.
If you have any questions, please contact PCE Instruments.
PCE Instruments contact information
| Germany PCE Deutschland GmbH Im Langel 4 D-59872 Meschede Deutschland Tel.: +49 (0) 2903 976 99 0 Fax: +49 (0) 2903 976 99 29 i[email protected] www.pce-instruments.com/deutsch | United Kingdom PCE Instruments UK Ltd Unit 11 Southpoint Business Park Ensign Way, Southampton Hampshire United Kingdom, SO31 4RF Tel: +44 (0) 2380 98703 0 Fax: +44 (0) 2380 98703 9 [email protected] www.pce-instruments.com/english |
| Italy PCE Italia s.r.l. Via Pesciatina 878 / B-Interno 6 55010 Loc. Gragnano Capannori (Lucca) Italia Telefono: +39 0583 975 114 Fax: +39 0583 974 824 [email protected] http://www.pce-nstruments.com/italiano | United States of America PCE Americas Inc. 1201 Jupiter Park Drive, Suite 8 Jupiter / Palm Beach 33458 FL USA Tel: +1 (561) 320-9162 Fax: +1 (561) 320-9176 [email protected] |
User manuals in various languages can be found by using our product search on: www.pce-instruments.com Specifications are subject to change without notice.
© PCE Instruments
References
France.fr : Actualités, destinations et infos du tourisme en France
iberica.es
Make an offer on the domain instruments.co.uk - Domains.co.uk
Computer Instruments | Home
Discover Italy: Official Tourism Website - Italia.it
PCE(北京)科技有限公司
Industrial Measurement Products and Solutions | PCE Instruments
PCE Deutschland GmbH Prüfgeräte vom Hersteller | PCE Instruments
PCE Brookhuis B.V. | PCE Instruments
PCE Americas Inc. : Test Instruments | PCE Instruments
PCE Iberica S.L. Instrumentación | PCE Instruments
PCE Instruments France | PCE Instruments
PCE Italia s.r.l. / Strumenti di Misura | PCE Instruments
PCE Teknik Cihazlar Paz. Tic. Ltd.Şti. | PCE Instruments
PCE Deutschland GmbH Prüfgeräte vom Hersteller | PCE Instruments
PCE Americas Inc. : Test Instruments | PCE Instruments

Manometer (class 1.6)


















