
IS10n User Manual
Distribution Date: May 1st, 2021
Copyright 2021 by Adamson Systems Engineering Inc.; all rights reserved
This manual must be accessible to the person operating this product. As such, the product owner must store it in a safe place and make it available upon request to any operator.
The resale of this product must include a copy of this manual.
This manual can be downloaded from https://www.adamsonsystems.com/en/support/downloads-directory/is-series/is10n
Declarations
EU Declaration of Conformity
Adamson Systems Engineering declares that the products stated below are in conformance with the relevant fundamental health and safety criteria of the applicable EC directive(s), in particular:
Directive 2014/35/EU: Low Voltage Directive
IS10n – 973-0008, 973-0009, 973-0011, 973-5008,
973-5009, 973-5011
Directive 2006/42/EC: Machinery Directive
IS10 & IS119 Support Frame – 930-0028, 930-0035, 930-5028
Extended Beam – 930-0021, 930-5021
Moving Point Extended Beam – 930-0033, 930-5033
IS10 Micro Frame – 930-0030, 930-5030
Line Array H-Clamp – 932-0037
Signed at Port Perry, ON. CA – May 1st, 2021![]()
Brock Adamson (President & CEO)
ADAMSON SYSTEMS ENGINEERING, Inc.
1401 Scugog Line 6, Port Perry (ON), L9L 1B2, Ontario,
Canada T: +1 905 982 0520, F: +1 905 982 0609
Email: [email protected]
Website: www.adamsonsystems.com
Safety & Warnings
Read these instructions, keep them available for reference. This manual can be downloaded from
https://www.adamsonsystems.com/en/support/downloads-directory/is-series/is10n
Heed all warnings and follow all instructions.
A qualifi ed technician must be present during the installation and use of this product. This product is capable of producing extremely high sound pressure levels and should be used according to the specifi ed local sound level regulations and good judgment. Adamson Systems Engineering will not be liable for damages caused by any possible misuse of this product.
Servicing is required when the loudspeaker has been damaged in any way, such as when the loudspeaker has been dropped; or when for undetermined reasons the loudspeaker does not operate normally. Inspect your products regularly for any visual or functionality irregularities.
Protect the cabling from being walked on or pinched.
Read the appropriate IS-Series Rigging Manual before installing the product.
Pay attention to rigging instructions included in both Blueprint AV™ and the IS-Series Rigging Manual.
Use only with the rigging frames/accessories specifi ed by Adamson, or sold with the loudspeaker system.
This speaker enclosure is capable of creating a strong magnetic fi eld. Please use caution around the enclosure with data storage devices such as hard drives.
In an effort to continuously improve its products, Adamson releases updated accompanying software, presets and standards for its products. Adamson reserves the right to change the specifications of its products and the content of its documents with no prior notice.
IS10n Sub Compact Line Array
- The IS10n is a sub-compact line array enclosure designed for extended throw capabilities. It contains two symmetrically arrayed 10” transducers and a 4” compression driver mounted on an Adamson sound chamber. The high-frequency sound chamber is designed to couple multiple cabinets across the entire intended frequency band without loss of coherence
- The operational frequency range of the IS10n is 60 Hz to 18 kHz. The use of proprietary technologies such as controlled Summation Technology and Advanced Core Architecture allows high maximum SPL and maintains a consistent nominal horizontal dispersion pattern of 80° down to 400 Hz.
- The enclosure has an unobtrusive visual design that blends seamlessly into the surrounding space, is made of marine-grade birch plywood, and has a four-point rigging system. Without sacrificing low resonance to the composite material, the IS10n is able to maintain a low weight of 25.6 kg / 56.5 lbs.
- Up to twenty IS10n can be flown in the same array when using the IS10 & IS119 Support Frame and up to 4 when using the IS10 Micro Frame. Nine rigging positions are available allowing vertical inter-cabinet splay angles from 0° to 10°. Always consult Blueprint AV™ and the IS-Series Line Array Rigging Manual for correct rigging positions (including ground stacking options) and installation procedures.
- The IS10n is intended to be used as a standalone system or with the IS119 companion subwoofer, which brings the usable frequency range down to 30 Hz. The IS10n can also be paired with other IS-Series subwoofers.
- The IS10n is designed for use with Lab. Gruppen’s D-Series line of installation amplifiers. The nominal impedance of the IS10n is 8 Ω per band, maximizing amplifier efficiency.
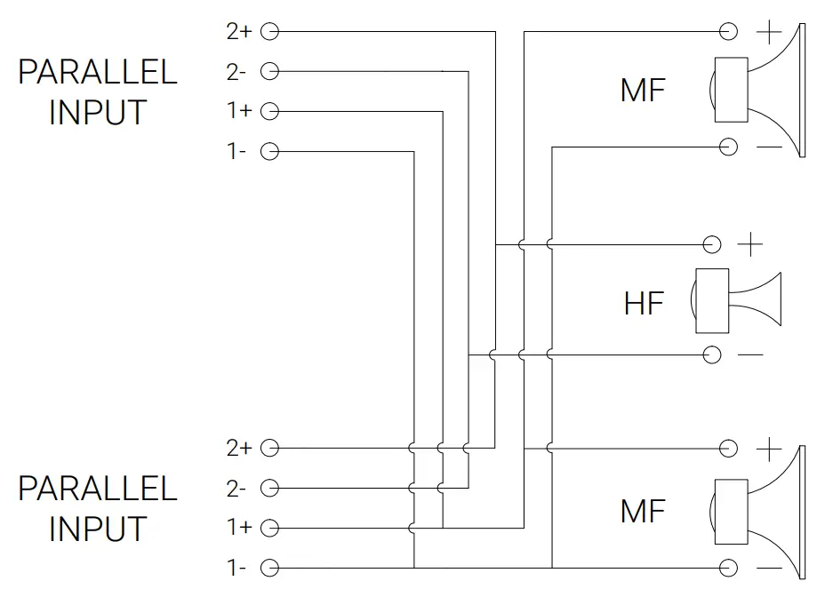
Wiring
- The IS10n (973-0008, 973-5008) comes with 2x Neutrik Speakon™ NL4 connections, wired in parallel.
- The IS10nb (973-0009, 973-5009) comes with an external barrier strip.
- Pins 1+/- are connected to the 2x ND10-LM MF transducers, wired in parallel.
- Pins 2+/- are connected to the NH4TA2 HF transducer.


IS10n & IS10nb Internal Wiring (IS10nb only has one input)
Amplification
The IS10n is paired with Lab.Gruppen D-Series amplifiers. Maximum quantities of the IS10n or IS10n paired with the IS119 per amplifier model are shown below. For a master list, please refer to the Adamson Amplification Chart, found on our website. https://adamsonsystems.com/support/downloads-directory/design-and-control/e-rack/283-amplification-chart-9/file

Presets
The Adamson LoadLibrary (https://www.adamsonsystems.com/support/downloads-directory/design-and-control/erack/245-adamson-load-library-5-0-1/file) contains
presets designed for a variety of IS10n applications. Each preset is intended to be phase-aligned within the EQ overlap region with IS-Series subwoofers.
IS10n cabinets can be installed in an array with regular IS10 cabinets, however, IS10n cabinets cannot share the same presets with IS10 cabinets.
When cabinets and subwoofers are positioned separately, phase alignment should be measured with suitable software.
![]() | ![]() | ![]() |
| IS10n Compact Intended for use with an an array of 4 IS10n | IS10n Short Intended for use with an an array of 5-6 IS10n | IS10n Array Intended for use with an an array of 7-11 IS10n |
Control
Array Shaping overlays (found in the Array Shaping folders of the Adamson LoadLibrary) can be recalled in the EQ section of Lake Controller to adjust the contour of the array. Recalling the appropriate EQ overlay or preset for the number of cabinets being used will give the standard Adamson frequency response of your array, compensating for different low-frequency coupling.
Tilt overlays (found in the Array Shaping folders of the Adamson LoadLibrary) can be used to alter the overall acoustic response of an array. Tilt overlays apply a filter, centered at 1kHz, which reaches the noted decibel cut or boost at the extreme ends of the listening spectrum. For example, a +1 Tilt will apply +1 decibel at 20kHz and -1 decibel at 20Hz. Alternately, a -2 Tilt will apply -2 decibels at 20kHz and +2 decibels at 20Hz.
Please refer to the Adamson PLM & Lake Handbook for detailed instructions on recalling Tilt and Array Shaping overlays. https://adamsonsystems.com/support/downloads-directory/design-and-control/e-rack/205-adamson-plmlake-handbook/file
Weatherized
IS-Series weatherized models add an additional layer of environmental and corrosion protection to Adamson’s already durable cabinet design. Weatherized enclosures are ideal for marine and coastal venues, outdoor stadiums, open-air performance spaces, and other permanent outdoor installations.
IS-Series weatherized cabinets feature the following additional protective features.
Corrosion resistance
Corrosion resistance extends the lifetime performance of your system in outdoor venues where water, salt, and acidity can impact durability and function.
All structural steel elements of Adamson weatherized cabinets – including rigging and rigging links – are made of a high yield strength stainless steel alloy that offers 100% corrosion resistance.
Cabinet hardware is made of non-plated stainless steel, designed to provide exceptional rust and corrosion resistance, particularly in high-saline environments.
Environmental sealing
Additional protection of the cabinet helps ensure that loudspeaker performance isn’t impeded by the harsh environments in which your system is deployed.
To guard against water and particle intrusion, the same two-part polyurea coating that gives Adamson cabinets their life-extending exterior protection is applied to the interior of the enclosure, creating a complete seal.
Weatherized models feature an exterior coating with a distinctively smooth finish that allows for easy cleaning and removal of contaminants like dirt, grime, saltwater or sand.
To protect against dust and other particles, a fine stainless steel mesh has been added to all points of entry including behind the front grille screens.
Cabling for the IS-Series weatherized cabinets is pre-wired and protected inside a gasket-sealed jack plate, with gland nuts in place to seal the connection points.
Technical Specifications
IS10n Horizontal Pattern – Grey = -6 dB, Black = -12 dB
| Frequency Range (+/- 3dB) | 60 Hz – 18 kHz |
| Nominal Directivity (-6 dB) H x V | 80° x 10° |
| ** Maximum Peak SPL | 141.3 dB |
| Components LF | 2x ND1O-LM 10″ Neodymium Driver |
| Components HF | Adamson NH4TA2 4″ Diaphragm / 1.5″ Exit Compression Driver |
| Nominal Impedance LF | 8 0 (2 x 16 0) |
| Nominal Impedance HF | 8 0 |
| Power Handling (AES / Peak) LF | 700 / 2800 W |
| Power Handling (AES / Peak) HF | 160 / 640 W |
| Rigging | Integrated Rigging System |
| Connection | 2x Speakon’ NL4 or Barrier Strips |
| Height Front (mm / in) | 300 / 11.8 |
| Height Back (mm / in) | 175 / 6.9 |
| Width (mm / in) | 737 / 29 |
| Depth (mm / in) | 518 / 20.4 |
| Weight (kg / Ibs) | 25.6 / 56.5 |
| Colour | Black & White (Standard), RAL Colours (On-Demand) |
| Processing’ | Lake |
** 12 dB crest factor pink noise at 1m, free field, using specified processing and amplification
























