S 10
USER MANUAL
Distribution Date: Aug 15,2022

S10 Line Array System
S10 User Manual
Distribution Date: August 15, 2022
Copyright 2022 by Adamson Systems Engineering Inc.; all rights reserved
This manual must be accessible to the person operating this product. As such, the product owner must store it in a safe place and make it available upon request to any operator.
This manual can be downloaded from
https://adamsonsystems.com/support/downloads-directory/s-series/S10
Safety & Warnings
Read these instructions, keep them available for reference.
This manual can be downloaded from
https://adamsonsystems.com/support/downloads-directory/s-series/S10
Heed all warnings and follow all instructions.
A qualifi ed technician must be present during the installation and use of this product. This product is capable of producing extremely high sound pressure levels and should be used according to the specifi ed local sound level regulations and good judgement. Adamson Systems Engineering will not be liable for damages caused by any possible misuse of this product.
Servicing is required when the loudspeaker has been damaged in any way, such as when the loudspeaker has been dropped; or when for undetermined reasons the loudspeaker does not operate normally. Inspect your products regularly for any visual or functionality irregularities.
Protect the cabling from being walked on or pinched.
View the S-Series Rigging Tutorial video and/or read the S-Series Rigging Manual before suspending the product.
Pay attention to rigging instructions included in both Blueprint and the S-Series Rigging Manual.
Use only with the rigging frames/accessories specifi ed by Adamson, or sold with the loudspeaker system.
This speaker enclosure is capable of creating a strong magnetic fi eld. Please use caution around the enclosure with data storage devices such as hard drives.
In an effort to continuously improve its products, Adamson releases updated accompanying software, presets and standards for its products. Adamson reserves the right to change the specifications of its products and the content of its documents with no prior notice.
S10 Sub Compact Line Array

- The S10 is a sub-compact, 2-way, full range line array enclosure designed for extended throw capabilities. It +contains two symmetrically arrayed 10” transducers and a 4” compression driver mounted on an Adamson waveguide.
- Up to 20 S10 can be flown in the same array when using the Sub-Compact Support Frame (930-0020).
- Due to the use of Controlled Summation Technology, the S10 maintains a consistent nominal horizontal dispersion pattern of 110° down to 250Hz.
- The high frequency waveguide is designed to couple multiple cabinets across the entire intended frequency band without loss of coherence.
- There are 9 rigging positions available, spanning 0° to 10°. Always consult Blueprint AV™ and the S-Series Rigging Manual for correct rigging positions and proper rigging instructions.
- Adamson’s use of proprietary techologies such as Controlled Summation Technology and Advanced Cone Architecture give the S10 an extremely high maximum SPL.
- The nominal impedance of the S10 is 8 Ω per band.
- The operational frequency range of the S10 is 60Hz to 18kHz, +/- 3 dB.
- The S10 is intended to be used as a standalone system or with other S-Series products. The S10 is designed to pair easily and coherently with all Adamson subwoofers.
- The wooden enclosure is made of marine grade birch plywood, and has an aluminum and steel rigging system mounted on each corner. Without sacrificing low resonance to composite material, the S10 is able to maintain a low weight of 27 kg / 60 lbs.
- The S10 is designed for use with Lab.gruppen’s PLM+ Series amplifiers.
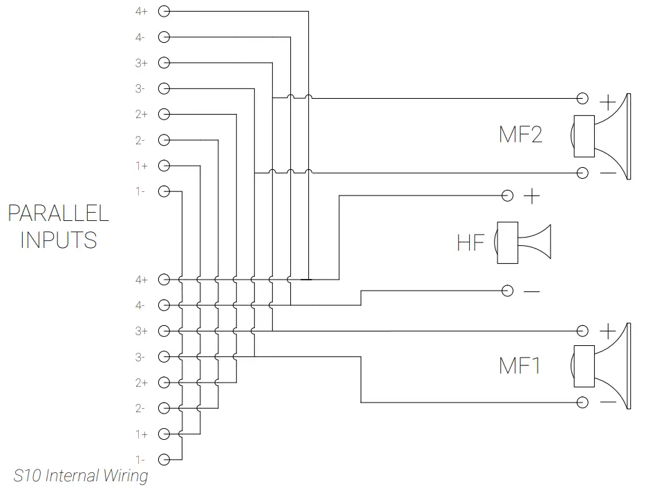
Wiring
- The S10 (973-0003) comes with 2x Neutrik Speakon™ NL8 connections, wired in parallel.
- Pins 3+/- are connected to the 2x ND10-LM MF transducers, wired in parallel.
- Pins 4+/- are connected to the NH4TA2 HF transducer.
- Pins 1+/- and 2+/- are not connected.
THE ADAMSON S10
SUB COMPACT LINE ARRAY

S10 Jackplate

Amplification
The S10 is paired with Lab Gruppen PLM+ Series amplifiers.
Maximum quantities of the S10, or S10 paired with S119 per amplifier model are shown below.
For a master list, please refer to the Adamson Amplification Chart, found here, on the Adamson website.

Presets
The Adamson Load Library, contains presets designed for a variety of S10 applications. Each preset is intended to be phase-aligned with either the S118 or S119 subwoofers within the EQ overlap region.
For a master list, please refer to the Adamson PLM & Lake Handbook.
When cabinets and subwoofers are positioned separately, phase alignment should be measured with suitable software.
| S10 Lipfill Intended for use with a single S10 | |
| S10 Compact Intended for use with an array of 4 S10 over 2 or 3 subs | |
| S10 Short Intended for use with an array of 5-6 S10 | |
| S10 Array Intended for use with an array of 7-11 S10 | |
| S10 Large Intended for use with an array of 12 or more S10 |
Control
Array Shaping overlays (found in the Array Shaping folders of the Adamson Load Library) can be recalled in the EQ section of Lake Controller to adjust the contour of the array. Recalling the appropriate EQ overlay or preset for the number of cabinets being used will provide the standard Adamson frequency response of your array, compensating for different low-frequency coupling.
Tilt overlays (found in the Array Shaping folders of the Adamson Load Library) can be used to alter the overall acoustic response of an array. Tilt overlays apply a filter, centred at 1kHz, which reaches the noted decibel cut or boost at the extreme ends of the listening spectrum. For example, a +1 Tilt will apply +1 decibel at 20kHz and -1 decibel at 20Hz. Alternately, a -2 Tilt will apply -2 decibels at 20kHz and +2 decibels at 20Hz.
Please refer to the Adamson PLM & Lake Handbook for detailed instructions on recalling Tilt and Array Shaping overlays.
Dispersion

Technical Specifications
| Frequency Range (+/- 3dB) | 60 Hz – 18 kHz |
| Nominal Directivity (-6 dB) H x V | 110° x 10° |
| Maximum Peak SPL** | 141.3 dB |
| Components LF | 2x ND1O-LM 10′ Kevlar0 Neodymium Driver |
| Components HF | Adamson NH4TA2 4′ Diaphragm / 1.5′ Exit Compression Driver |
| Nominal Impedance LF | 2 x 16 Ω (8 Ω) |
| Nominal Impedance HF | 8Ω |
| Power Handling (AES / Peak) LF | 2x 350 / 2x 1400 W |
| Power Handling (AES / Peak) HF | 160 / 640 W |
| Rigging | SlideLock Rigging System |
| Connection | 2x Speakonw NL8 |
| Height Front (mm / in) | 265 / 10.4 |
| Height Back (mm / in) | 178 / 7 |
| Width (mm / in) | 737 / 29 |
| Depth (mm / in) | 526 / 20.7 |
| Weight (kg / lbs) | 27 / 60 |
| Processing | Lake |
** 12 dB crest factor pink noise at 1m, free field, using specified processing and amplification

Accessories
There are a number of accessories available for the Adamson S10 line array cabinets The list below is only a few of the accessories available.
Sub-Compact Support Frame (930-0025)
Support frame for S7, CS7, S118, and CS118 enclosures

Extended Beam (930-0021)
Accomodates greater array articulation

Moving Point Extended Beam (930-0033)
Extension beam with continuously adjustable pick point

Sub-Compact Underhang Adapter Kit (931-0010)
Suspends S10/S10n/CS10/
CS10n enclosures with the use of the Sub-Compact Support Frame (part no. 930-0020) from E-Series 3-way line source enclosures

Extended Lifting Plates (930-0033)
Lifting plates with fine resolution pick points for single point hangs

Line Array H-Clamp (932-0047)
Horizontal articulator clamp to be used with S-Series/CS-Series/IS-Series line array rigging frames

Declarations
EU Declaration of Conformity
Adamson Systems Engineering declares that the products stated below are in conformance with the relevant fundamental health and safety criteria of the applicable EC Directive(s), in particular:
Directive 2014/35/EU: Low Voltage Directive
973-0003 S10
Directive 2006/42/EC: Machinery Directive
930-0020 Sub-Compact Support Frame
930-0021 Extended Beam
930-0033 Moving Point Extended Beam
931-0010 Sub-Compact Underhang Adapter Kit
932-0035 S10 Lifting Plate with 2 Pin
932-0043 Extended Lifting Plates
932-0047 Line Array H-Clamp
Signed at Port Perry, ON. CA – August 15, 2022
Brock Adamson (President & CEO)
ADAMSON SYSTEMS ENGINEERING, Inc.
1401 Scugog Line 6
Port Perry, Ontario, Canada
L9L 0C3
T: +1 905 982 0520, F: +1 905 982 0609
Email: [email protected]
Website: www.adamsonsystems.com
S- Series



















