POTTER SCA-10070 100W 25V 70V Single Channel Amplifier Owner’s Manual
Features
- 25W, 50W and 100W amplifier
- 25VRMS and 70VRMS audio power
- 8 Class A or 8 Class B speaker outputs
- P-Link device
- Single channel and dual channel amplifiers
- 120VAC or 240VAC with battery charger circuit
- Maximum of 31 amplifiers
Description
The SCA and DCA amplifiers are a new addition to the Potter proprietary P-Link device catalog. Potter offers seven variations of amplifiers with wattages up to 100W to support small, medium, and hi-rise applications. The amplifiers have the capability to distribute up to two audio channels simultaneously across multiple speaker zones. Each amplifier is supplied with a stacker terminal block to provide accommodations for 8 Class B or 8 Class A speaker outputs. The SCA and DCA amplifiers offer output power at 25VRMS and 70VRMS.
Up to 31 amplifiers can be linked to the IPA-4000V panel and offer up to 248 Class B or Class A speaker outputs.
The DCA-10025 (Dual Channel, 100W, 25VRMS Amplifier) maybe programmed to provide an extraordinary 200W for single channel applications via Potter Fire Panel Programmer.
The 70V-1000 converter module will extend output power to 70VRMS on the DCA dual channel amplifiers. The BUA-1000 backup amplifier provides a failsafe solutions for potential lapse in service and compatible with the DCA dual channel amplifiers.
Technical Specifications
| Standby Current | SCA-2525 – 58 mA SCA-2570 – 58 mA SCA-5025 – 58 mA SCA-5070 – 58 mA SCA-10070 – 60 mA DCA-5025 – 48 mADCA-10025 – 48 mA |
| Alarm Current | SCA-2525 – 608 mA SCA-2570 – 608 mA SCA-5025 – 608 mA SCA-5070 – 608 mA SCA-10070 – 766 mA DCA-5025 – 520 mA DCA-10025 – 520 mA |
| Operating Temperature | 0°C-49°C (32°F-120°F) |
| Operating Humidity Range | 10%-93% @ 30°C (86°F) noncondensing humidity |
| Maximum P-Link Length | 6500 ft. |
| Maximum V-Link Length | 6500 ft. |
| Maximum Amplifiers | 31 |
| Size (WxHxD) | SCA Enclosures (WxHxD) – 16” x 17” x 3 7/8” DCA Enclosures (WxHxD) – 19” x 27 3/8” x 4 5/8” |
Installation
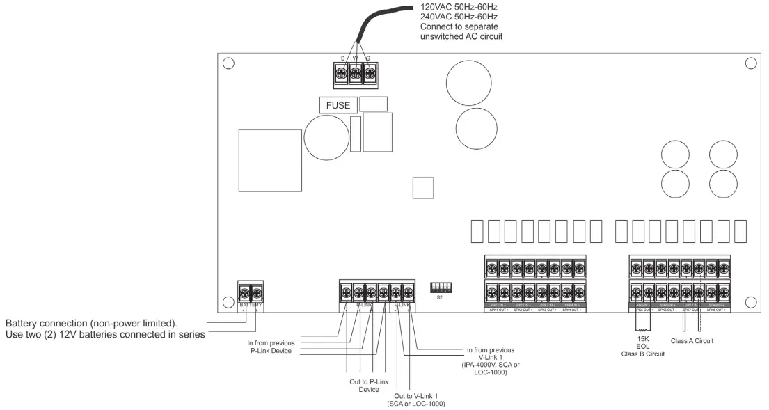
The SCA and DCA amplifiers communicate in conjunction with the IPA4000V using a RS-485 connection via P-Link. The SCA amplifiers are equipped with one V-Link and the DCA amplifiers provide two V-Link to receive audio from the IPA-4000V.
Accessory List
| Model | Description | Accessories |
| SCA-2525 | SINGLE CHANNEL 25W, 25V AMPLIFIER | None |
| SCA-2570 | SINGLE CHANNEL 25W, 25V OR 70V SELECTABLE AMPLIFIER | None |
| SCA-5025 | SINGLE CHANNEL 50W, 25V AMPLIFIER | None |
| SCA-5070 | SINGLE CHANNEL 50W, 25V OR 70V SELECTABLE AMPLIFIER | None |
| SCA-10070 | SINGLE CHANNEL 100W, 25V OR 70V SELECTABLE AMPLIFIER | None |
| DCA-5025 | DUAL CHANNEL 50W, 25V AMPLIFIER | 70V-1000BUA-1000 |
| DCA- 10025 | DUAL CHANNEL 100W, 25V AMPLIFIER | 70V-1000BUA-1000 |
Wiring Options
SCA-2525, SCA-2550, SCA-5025 and SCA-5070 Connections
SCA-10070 Connections
Class A P-Link Wiring
Class B P-Link Wiring
Class A V-Link 1 Wiring
Class B V-Link 1 Wiring
Class A V-Link 1 and V-Link 2 Wiring
Class B V-Link 1 and V-Link 2 Wiring
Ordering Information
| Model | Description | Stock No. |
| SCA-2525 | SINGLE CHANNEL 25W, 25V AMPLIFIER | 3520667 |
| SCA-2570 | SINGLE CHANNEL 25W, 25V OR 70V SELECTABLE AMPLIFIER | 3520668 |
| SCA-5025 | SINGLE CHANNEL 50W, 25V AMPLIFIER | 3520662 |
| SCA-5070 | SINGLE CHANNEL 50W, 25V OR 70V SELECTABLE AMPLIFIER | 3520663 |
| SCA-10070 | SINGLE CHANNEL 100W, 25V OR 70V SELECTABLE AMPLIFIER | 3520666 |
| DCA-5025 | DUAL CHANNEL 50W, 25V AMPLIFIER | 3520659 |
| DCA- 10025 | DUAL CHANNEL 100W, 25V AMPLIFIER | 3520660 |
Costumer Support
Potter Electric Signal Company, LLC
St. Louis, MO
Phone: 800-325-3936
www.pottersignal.com



















