TEAC AP-701B Stereo Power Amplifier

IMPORTANT SAFETY INSTRUCTIONS
CAUTION: TO REDUCE THE RISK OF ELECTRIC SHOCK, DO NOT REMOVE THE COVER (OR BACK). NO USER-SERVICEABLE PARTS INSIDE. REFER SERVICING TO QUALIFIED SERVICE PERSONNEL.
The lightning flash with the arrowhead symbol, within an equilateral triangle, is intended to alert the user to the presence of uninsulated “dangerous voltage” within the product’s enclosure that may be of sufficient magnitude to constitute a risk of electric shock to persons.
The exclamation point within an equilateral triangle is intended to alert the user to the presence of important operating and maintenance (servicing) instructions in the literature accompanying the appliance.
WARNING: TO PREVENT FIRE OR SHOCK HAZARDS, DO NOT EXPOSE THIS APPLIANCE TO RAIN OR MOISTURE.
CAUTION
- DO NOT REMOVE THE EXTERNAL CASES OR CABINETS TO EXPOSE
THE ELECTRONICS. NO USER-SERVICEABLE PARTS ARE INSIDE. - IF YOU ARE EXPERIENCING PROBLEMS WITH THIS PRODUCT, CONTACT THE STORE WHERE YOU PURCHASED THE UNIT FOR A SERVICE REFERRAL. DO NOT USE THE PRODUCT UNTIL IT HAS BEEN REPAIRED.
- USE OF CONTROLS OR ADJUSTMENTS OR PERFORMANCE OF PROCEDURES OTHER THAN THOSE SPECIFIED HEREIN MAY RESULT IN HAZARDOUS RADIATION EXPOSURE.
- Read these instructions.
- Keep these instructions.
- Heed all warnings.
- Follow all instructions.
- Do not use this apparatus near water.
- Clean only with dry cloth.
- Do not block any ventilation openings. Install in accordance with the manufacturer’s instructions.
- Do not install near any heat sources such as radiators, heat registers, stoves, or other apparatus (including amplifiers) that produce heat.
- Do not defeat the safety purpose of the polarized or grounding-type plug. A polarized plug has two blades one wider than the other. A grounding-type plug has two blades and a third grounding prong. The wide blade or the third prong are provided for your safety. If the provided plug does not fit into your outlet, consult an electrician for the replacement of the obsolete outlet.
- Protect the power cord from being walked on or pinched particularly at plugs, convenience receptacles, and the point where they exit from the apparatus.
- Only use attachments/accessories specified by the manufacturer.
- Use only with the cart, stand, tripod, bracket, or table specified by the manufacturer, or sold with the apparatus. When a cart is used, use caution when moving the cart/apparatus combination to avoid injury from tip-over.
- Unplug this apparatus during lightning storms or when unused for long periods of time.
- Refer all servicing to qualified service personnel. Servicing is required when the apparatus has been damaged in any way, such as power-supply cord or plug is damaged, liquid has been spilled or objects have fallen into the apparatus, the apparatus has been exposed to rain or moisture, does not operate normally, or has been dropped.
- The apparatus draws nominal non-operating power from the AC outlet with its POWER or STANDBY/ON switch not in the ON position.
- The mains plug is used as the disconnect device; the disconnect device shall remain readily operable.
- Caution should be taken when using earphones or headphones with the product because excessive sound pressure (volume) from earphones or headphones can cause hearing loss.
Caution
- Do not expose this apparatus to drips or splashes.
- Do not place any objects filled with liquids, such as vases, on the apparatus.
- Do not install this apparatus in a confined space such as a bookcase or similar unit.
- The apparatus should be located close enough to the AC outlet so that you can easily reach the power cord plug at any time.
- If the product uses batteries (including a battery pack or installed batteries), they should not be exposed to sunshine, fire or excessive heat.
- CAUTION for products that use replaceable lithium batteries: there is a danger of explosion if a battery is replaced with an incorrect type of battery. Replace only with the same or equivalent type.
WARNING
Products with Class! construction are equipped with a power supply cord that has a grounding plug. The cord of such a product must be plugged into an AC outlet that has a protective grounding connection.
IN USA/CANADA, USE ONLY ON 120V SUPPLY.\
Included accessories
Check to be sure the box contains all the included items shown below.
Please contact the store where you purchased this unit if any of these items are missing or have been damaged during transportation.
Power cord × 1
Foot pads × 3
Owner’s manual (this document, including warranty) × 1
- For information about the warranty, users living in the USA and Canada should see pages 44–45 and the back cover (warranty document). Users living in Europe and other regions should see page 45.
Using the TEAC International Site
You can download updates for this unit from the TEAC International Site:
https://teac.jp/int/
Click Language at the top right of the page and select the desired country or region to access a page in the corresponding language.
Maintenance
Wipe dirt from the top cover and other panel surfaces using a soft cloth that has been slightly dampened with a diluted neutral cleaner.
Do not wipe with chemical cleaning cloths, thinner or other chemical agents. Doing so could damage the surface.
For your safety, disconnect the power cord from the outlet before cleaning.
Before use
Placement precautions
- Place the unit in a stable location near the audio system that will be used with it.
- Do not install this unit in a location that could become hot. This includes places that are exposed to direct sunlight or near a radiator, heater, stove or other heating equipment. Moreover, do not place it on top of an amplifier or other equipment that generates heat. Doing so could cause discoloration, deformation or malfunction.
Also avoid locations that are subject to vibrations or exposed to excessive dust, cold, or moisture. - When installing this unit, leave a little space (at least 3Â cm or 1″) between it and the walls and other devices in order to allow good heat dissipation.
If you put it in a rack, for example, leave at least 5 cm (2″) open above and 10 cm (4″) open behind it. Failure to provide these gaps could cause heat to build up inside and result in fire. - Do not place CDs, CD-Rs, cassette tapes, other audio equipment o Do not place CDs, CD-Rs, cassette tapes, other audio equipment
- Do not put the cloth on top of the unit or place the unit on top of bedding or thick carpets. Doing so could cause the unit to overheat and damage it.
- Do not move the unit during use.
- The voltage supplied to the unit should match the voltage printed on the back of the unit. If you are in any doubt regarding this matter, consult an electrician.
- Do not open the body of the unit as this might result in damage to the circuitry or cause electric shock. If a foreign object should get into the unit, contact your dealer.
- When removing the power plug from the wall outlet, always pull directly on the plug; never yank on the cord.
Note about pinpoint feet
High-precision metal pinpoint feet are attached to the bottom plate of this unit.
The pinpoint feet and their stands are loose, but the stands support the unit when it is placed, effectively dispersing vibrations.
The included foot pads are intended to protect the surface where the unit is placed. Apply them to the bottoms of the foot stands to avoid scratching the surface where the unit is placed.
Names and functions of parts (front)
- STANDBY/ON switch
Use to put the unit into standby mode or turn it on. - Level meters
These show the output levels.
The level meters are illuminated when the amplifier output is on. - Status indicator
This shows the status of the unit.- Lit
Muted - Blinking
Amplifier protection circuit operating (amplifier output off)
- Lit
- Dimmer switch (¦)
Use this to change the brightness of the level meters (page 13). - METER gain switch
Use this to change the level meter operation (page 13). - INPUT selection switch
Use this to switch between RCA and XLR inputs (page 13).
Do not switch this when the unit is on.
Failure to do so could result in sudden loud noises that could damage speakers and harm your hearing.
Names and functions of parts (back)
- SPEAKER terminals
Speakers that have nominal impedances between 4 Ω and 8 Ω
are supported.
Use commercially-available speaker cables to connect
the speakers. - Analog audio input (INPUTS) connectors
Use these to input stereo analog audio. Connect these connectors to the audio output connectors of a preamplifier or another device such as a DAC that has a preamplifier function. oo This unit’s XLR connectors are 2: HOT.
Use commercially-available audio cables for connections.
RCA: RCA cables
XLR: XLR cables
OUTPUT MODE switch
This sets the output mode.
STEREO: stereo power amplifier (page 9)
BI-AMP: mono bi-amplifier (page 10)
IMPORTANT
Always disconnect speakers before changing the output mode. Reconnect the speakers after changing the mode.
Using with STEREO output mode
Connect this unit’s R input connector to the R output connector of the audio output device, and this unit’s L input connector to the L output connector of the other device (page 9).
Using with BI-AMP output mode
Connect this unit’s L connector to the L or R connector of the audio output device. The R connector of this device is not used (page 10). - 12V TRIGGER connectors
Use these to control power from an external source.
Do not connect anything to these connectors when not using them (page 11).
Use commercially-available mono mini plug cables for connections. - SOFTWARE maintenance port
This is used for maintenance. Do not connect anything to this
port unless instructed to do so by our service department. - AUTO POWER SAVE switch
This unit has an automatic power-saving function.
If the automatic power saving function is set to on, the unit will automatically enter standby mode if there is no audio input for about 30 minutes. - Power inlet (~IN)
Connect the supplied power cord here.
After all other connections are complete, connect the power cord’s plug to a wall outlet.
Do not use any power cord other than the one included with this unit. The use of other power cords could result in fire or electric shock.
unplug the cord from the outlet when not using the unit for a long time.
Connecting speakers
Notes about speaker cables
- Use commercially-available speaker cables to connect the speakers.
- Use the shortest speaker cables possible. The longer the cable, the greater the resistance value and the more that damping performance is reduced. Moreover, length also increases inductance and capacitance, degrading the sound quality of high frequencies.
- Use left and right speaker cables that have the same length.
Precautions when connecting speakers - Connect the power plugs after all connections have been made.
- Carefully read the manuals of the devices that you are connecting and follow their instructions when making connections.
- When the left and right grounds are shared in a subwoofer with a built-in amplifier, for example, use might not be possible depending on connection conditions.
ATTENTION
- This unit supports speakers that have a nominal impedance of 4 Ω – 8 Ω. If speakers with lower impedance ratings are used, the protection circuit could operate, causing the sound output to stop. In some cases, their use could even cause damage to this unit or the speakers.
- This unit’s red terminal is positive (¥) and its black terminal is negative (^). Generally, the ¥ wire of the speaker cable is marked to distinguish it from the ^ wire of the cable. Connect the marked wire to the red ¥ terminal and the unmarked wire to the black ^ terminal.
- If the exposed end of a core wire in a speaker cable contacts another cable or terminal, a short could occur.
- Never allow speaker cables to cause a short.
- To prevent hum and noise, avoid bundling the cables together with the AC power cord or other cables.
How to connect speakers
Using bare speaker wires
- Remove about one centimeter (1/2″) of insulation from the ends of the speaker cables and twist the core wires well.
- Turn the terminal caps counterclockwise to loosen them.
- Insert the wires into the holes in the terminal posts and turn the terminal caps clockwise to securely connect them.
Connect them so that the wire insulation is not touching the terminal. - Confirm that the cables are fastened securely by gently pulling them.
Using spade connectors
Insert the connectors between the caps and bases of the terminals.
Then, tighten the caps securely.

- When connecting speakers with spade connectors, they should have inside diameters of at least 8 mm.
Using banana plugs
Connection is also possible using commercially-available banana plugs. First, connect the banana plugs to the speaker cables and then connect the plugs to the terminals.
- Keep the caps tightened when in use.
- Carefully read the instructions for the banana plugs that you are using.
ATTENTION
Notice the European model
In accordance with European safety regulations, connecting banana plugs to speaker terminals is not allowed on European models.
The holes into which banana plugs could be inserted have been covered with black caps. Connect speakers using bare wires or spade connectors.
If a black cap should become separated from its terminal, return it to its original position.
Connections
CAUTION
This unit does not have a volume adjustment function. Connect this unit to a preamplifier or another device such as a DAC that has a preamplifier function, and use that device to adjust the volume. If you connect this unit to a device that cannot be used to adjust the output volume, you will not be able to adjust the volume during playback. The sound might be output from the speakers at a very loud volume, which could harm hearing or damage equipment.
The use of this unit’s two built-in amplifier channels depends on the OUTPUT MODE switch setting. Connection examples for each mode are provided below.
Complete all other connections before setting the STANDBY/ON switch to ON.
- Carefully read the manuals of the devices that you are connecting and follow their instructions when making connections.
- do not bundle connecting cables with power cords. Doing so could cause noise.
- Connect all plugs completely.
Using STEREO output mode
Set the OUTPUT MODE switch to STEREO.
Connection example
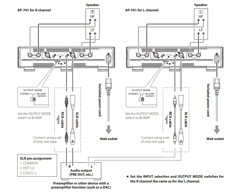
Using BI-AMP output mode
This unit can be used as a mono bi-amplifier.
Set the OUTPUT MODE switches on the units for the L and R channels to BI-AMP.
In BI-AMP mode, use two of these units for stereo playback.
What is the bi-amp connection?
This method operates amplifiers independently for low-frequency and high-frequency speaker units.
NOTE
- Sound input through the analog audio INPUTS L connectors will be output from both the L and R SPEAKER terminals.
ATTENTION
- Bi-amplification is not possible with speakers that do not have both low-frequency (LF) and high-frequency (HF) connectors.
- When using bi-amp connections, remove speaker terminal links and disconnect the connections between speaker ¥ connectors and between ^ connectors.
- Do not connect anything to the unit’s analog audio INPUTS R connectors.
Doing so could result in damage.
Connection example
Synchronizing the power supply with external devices (trigger function)
The power supply of this unit can be synchronized with a connected preamp or other device that supports trigger functions.
Use commercially-available mono mini plug cables for connections.
ATTENTION
To use the trigger function, set this unit’s STANDBY/ON switch to ON.
12V TRIGGER connectors
IN
Connect this to the trigger output connector of a preamp or other device. This will make the power operation of that preamp or other device control this unit, putting it in standby and turning it on.
THRU (through output)
Signals input through the IN connector are output unchanged. By connecting this to a device that supports trigger input (e.g. a power amplifier or subwoofer), its power supply can also be synchronized with the device connected to this unit’s IN connector.
Basic operation
In order to protect the speakers, turn the power for systems that this unit is connected to on and off in the following order.
NOTE
This explanation assumes that a preamplifier is connected to this unit.
Connection example
Turning the power on
- Minimize the volume of the preamplifier.
If using a device that cannot have its volume adjusted when it is off, minimize the volume after turning it on. - Turn the source device on.
- Turn the preamplifier on.
- Turn this unit on.

The status indicator will light and the mute function will be activated. When the amplifier operation stabilizes, the indicator will become unlit and the mute function will be deactivated. - Start playback on the source device, and adjust the volume on the preamplifier.
Adjust the preamplifier volume after the status indicator becomes unlit.
Turning the power off
- If a source device is playing, stop playback.
- Minimize the volume of the preamplifier.
- Put the unit into standby mode.

- Turn the preamplifier off.
- Turn the source device off.
Dimmer
You can change the brightness of the level meters.
The dimmer switch (¦) has three positions. The switch position sets the brightness as follows.
Changing level meter operation
The METER gain switch has three positions. The switch position sets the operation as follows.
When level meter operation is +20 dB, needle movement will be greater than usual.
Switching inputs
The INPUT selection switch has two positions. The switch position sets the input as follows.
Do not switch this when the unit is on.
Failure to do so could result in sudden loud noises that could damage speakers and harm your hearing.
Automatic power saving function
This unit has an automatic power-saving function. If the automatic power saving function is set to on, the unit will automatically enter standby mode if there is no audio input for about 30 minutes.
Troubleshooting
If you experience a problem with the unit, please take a moment to review the following information before requesting service. If it still does not operate correctly, contact the retailer where you purchased the unit.
The unit does not turn on.
- Check that the power cord is completely plugged into the power outlet. If the outlet is switched, confirm that the switch is in the ON position.
- Connect a different electrical device to the outlet to confirm that it is supplying power.
Noise occurs.
- Place the unit as far away as possible from TVs, microwave ovens and other devices that have strong magnetism.
There is a humming noise. - If a connecting cable is near a power cord, fluorescent light or similar cause of interference, increase the distance between them as much as possible.
No sound is output.
- Use the preamplifier volume knob to adjust the volume (page 12).
- Use the preamplifier to select the source that you want to hear (page 12).
- Reconfirm the connections with other equipment.
- Check the INPUT selection switch setting.
The status indicator is blinking and no sound is output. - the ¥ and ^ speaker cables might have shorted. Set the STANDBY/ON switch to STANDBY, and check the speaker connections.
Sound output stops suddenly and the status indicator is blinking.
- The protection circuit might have activated due to high temperature, excessive load or another cause. Set the STANDBY/ON switch to STANDBY, check the power and speaker connections, and wait several minutes before setting it to ON again.
If this unit is becoming hot, increase the amount of space between it and walls and other devices to increase the dissipation of heat.
Automatic power saving caused the unit to enter standby.
- Set the STANDBY/ON switch to STANDBY once and then set it to ON again
Specifications
Amplifier
Maximum effective output
- STEREO or BI-AMP operation. . . . . . . . . . . . . . . . . . . . . . 260 W + 260 W (4 Ω, 1 kHz, JEITA) 170 W + 170 W (8 Ω, 1 kHz, JEITA)
Rated output
- STEREO or BI-AMP operation. . . . . . . . . . . . . . . . . . . . . . 230 W + 230 W(4 Ω, 1% THD, 1 kHz) 135 W + 135 W (8 Ω, 1% THD, 1 kHz)
- Allowable speaker impedance. . . . . . . . . . . . . . . . . . . . . . . . . . . . . . . . 4–8 Ω
- Total harmonic distortion. . . . . . . . . . . . . . . . . . . . . . . . . . . . . . . . . . . 0.003 % (8 Ω, 1 kHz, 55 W, JEITA)
- S/N ratio. . . . . . . . . . . . . . . . . . . . . . . . . . . . . . . . . . . . . . . . . . . . . . . . . . . . . 110 dB (8 Ω, 1 kHz, IHF-A)
- Frequency response. . . . . . . . . . . . . . . . . . . 10 Hz – 50 kHz (+0 dB, −6 dB) (8 Ω, JEITA)
Input sensitivity
- RCA connectors. . . . . . . . . . . . . . . . . . . . . . . . . . . . . . . . . . . . . . . . . . . . . 1.6 V
- XLR connectors. . . . . . . . . . . . . . . . . . . . . . . . . . . . . . . . . . . . . . . . . . . . . 1.6 V
Input impedance
- RCA connectors. . . . . . . . . . . . . . . . 32 kΩ (during STEREO operation)
- 16 kΩ (during BI-AMP operation)
- XLR connectors. . . . . . . . . . . . . . . . . 64 kΩ (during STEREO operation) 3 2 kΩ (during BI-AMP operation)
External control
- Trigger input (12V TRIGGER IN). . . . . . . . . . . . . . . . . . . . . . . . . . . . . . . . . . . . . .1 (3.5mm mono mini jack)
- Input level. . . . . . . . . . . . . . . . . . . . . . . . . . . . . . . . . . . . . . . . . . . . . 12 V, 1 mA
- Trigger output (12V TRIGGER THRU). . . . . . . . . . . . . . . . . . . . . . . . . . . . . . . . .1 (3.5mm mono mini jack
General
Power supply
- Model for Europe. . . . . . . . . . . . . . . . . . . . . . . . AC 220–240 V, 50/60 Hz
- Model for USA/Canada. . . . . . . . . . . . . . . . . . . . . . . . . . . AC 120 V, 60 Hz
- Power consumption
- Model for Europe. . . . . . . . . . . . . . . . . . . . . . . . . . . . . . . . . . . . . . . . . . . 95 W
- Model for USA/Canada. . . . . . . . . . . . . . . . . . . . . . . . . . . . . . . . . . . . . 97 W
- External dimensions (W × H × D, including protrusions) 444 × 111.3 × 348.2 mm (17 1/2” × 4 1/2” × 13 3/4”)
- Weight
- Model for Europe. . . . . . . . . . . . . . . . . . . . . . . . . . . . . . 10.1 kg (22 3/8 lb)
- Model for USA/Canada. . . . . . . . . . . . . . . . . . . . . . . . . 9.9 kg (21 7/8 lb)
- Operating temperature range . . . . . . . . . . . . . . . . . . . . . . . . +5°C to +35°C
- Operating humidity range. . . . . . . . . . . . . 5% – 85% (no condensation)
Storage temperature range. . . . . . . . . . . . . . . . . . . . . . . . . . −20°C to +55°C
Included accessories
- Power cord × 1
- Foot pads × 3
- Owner’s manual (this document, including warranty) × 1
- For information about the warranty, users living in the USA and Canada should see pages page 44–45 and the back cover (warranty document). Users living in Europe and other regions should see page 45.
- Design and specifications are subject to change without notice.
- Weight and dimensions are approximate.
- Illustrations in this manual might differ slightly from production models.
Model for the USA
Supplier’s Declaration of Conformity
Model number: AP-701
Trade name: TEAC
Responsible party: Pioneer & Onkyo U.S.A. Corporation
Address: 22828 Lockness Avenue, Torrance, CA 90501 U.S.A. Telephone number: 1-201-785-2600
This device complies with Part.15 of FCC Rules. Operation is subject to the following two conditions: (1) this device may not cause harmful interference, and (2) this device must accept any interference received, including interference that may cause undesired operation.
Information
This equipment has been tested and found to comply with the limits for a Class B digital device, pursuant to Part 15 of the FCC Rules. These limits are designed to provide reasonable protection against harmful interference in a residential installation. This equipment generates, uses, and can radiate radio frequency energy and, if not installed and used in accordance with the instructions, may cause harmful interference to radio communications. However, there is no guarantee that interference will not occur in a particular installation. If this equipment does cause harmful interference to radio or television reception, which can be determined by turning the equipment off and on, the user is encouraged to try to correct the interference by one or more of the following measures:
- Reorient or relocate the equipment and/or the receiving antenna.
- Increase the separation between the equipment and the receiver.
- Connect the equipment to an outlet on a circuit different from that to which the receiver is connected.
- Consult the dealer or an experienced radio/TV technician for help.
CAUTION
Changes or modifications not expressly approved by the party responsible for compliance could void the user’s authority to operate the equipment.
Model for Canada
Industry Canada’s Compliance Statement:
This Class B digital apparatus complies with Canadian ICES-003.
Model for Europe
This product complies with the European Directives request, and the other Commission Regulations.
For European Customers
Disposal of electrical and electronic equipment and batteries and/or accumulators
- All electrical/electronic equipment and waste batteries/accumulators should be disposed of separately from the municipal waste stream via collection facilities designated by the government or local authorities.
- By disposing of electrical/electronic equipment and waste batteries/accumulators correctly, you will help save valuable resources and prevent any potential negative effects on human health and the environment.
- Improper disposal of waste electrical/electronic equipment and batteries/accumulators can have serious effects on the environment and human health because of the presence of hazardous substances in the equipment.
- The Waste Electrical and Electronic Equipment (WEEE) symbols, which show wheeled bins that have been crossed out, indicate that electrical/electronic equipment and batteries/accumulators must be collected
and disposed of separately from household waste.
If a battery or accumulator contains more than the specified values of lead (Pb), mercury (Hg), and/or cadmium (Cd) as defined in the Battery Directive (2006/66/EC, 2013/56/EU), then the chemical symbols for those elements will be indicated beneath the WEEE symbol. - Return and collection systems are available to end users. For more detailed information about the disposal of old electrical/electronic equipment and waste batteries/accumulators, please contact your city office, waste disposal service, or the shop where you purchased the equipment.
FAQS
Is Teac a good audio brand?
Whilst originating with a tape recorder, TEAC has evolved to become an acclaimed brand known for their high quality amps, DAC’s, CD players, turntables and other hi-fi components which we have available at Audio Affair. The 300 range is series of hi-fi components designed for class leading performance.
An amp that is deemed “identical” to another in a test situation, may sound completely different in a normal listening environment. It is these differences that are the hardest to deal with, since we do not always measure some of the things that can have a big influence on the sound.
The Wattage of the light is the amount of energy it takes to produce a certain amount of light. The higher the wattage, the brighter the light, but also the more power it uses.
High-end amplifiers produce better linearity, meaning their output is unchanged from the original signal they receive, apart from being amplified. Amplifier gain is another factor that can cause some sounds to be better amplified than others.
Generally, the speakers in expensive amps are louder and made with better quality. This means you can properly hear the mids and bass when playing. Tube amps are more expensive than solid state. Tube amps are great in producing natural tone and can handle high volume and distortion without issues.
TEAC is not a valid scrabble word.
For home use your amp should be around 20W. For most gigs and live performances in venues that hold around 100 people, you should have either a 20W tube amp, or a 40W solid state amp if you’re playing without a band. If you’re playing with a drummer, you’ll likely need a 100W solid state amp, or a 50W valve amp.
TEAC is one of four divisions of TEAC Corporation, a $200 million manufacturing company headquartered in Japan.
TASCAM is the professional audio division of TEAC Corporation, headquartered in Santa Fe Springs, California. TASCAM established the Home Recording phenomenon by creating the “Project Studio” and is credited as the inventor of the Portastudio, the first cassette-based multi-track home studio recorders.
Training & Education Advisory Committee.
Class A design is the least efficient but has the highest sound fidelity. Class B design is a little more efficient, but has a lot of distortion. Class AB design packs a punch with power efficiency and superb sound. Class D design offers the highest efficiency but isn’t quite as high-fidelity.
Power Amps from different brands and sometimes the same brand have their own distinctive sound. Some have a warm smooth sound, while others may sound bright and/or harsh. The type of music you prefer can make a difference in which you prefer. Two different 200 wpc amps can sound totally different.
Since its start in 1953, TEAC has been producing huge range of products to the world.






















