FRIAHUKZ-LCAC-01 Inverter Condensing Unit Control Module
Installation Guide
FRIAHUKZ-LCAC-01 Inverter Condensing Unit Control Module
OWNER’S AND INSTALLATION MANUAL
Inverter Condensing Unit Control Module
FRIAHUKZ-LCAC-01
IMPORTANT NOTE: Read this manual carefully before installing or operating your new air conditioning unit. Make sure to save this manual for future reference.
Introduction
FRIAHUKZ-LCAC-01 cont rol module enables t o control inverter type outdoor unit without the needs of aircondit ioner fact ory produced indoor unit . It gives possibilit y t o cont rol out door unit capacit y and st at e t o produce heat or cooling for AHU or w at er heat er/ cooler.
FRIAHUKZ-LCAC-01 cont rol module enables to control invert er condensing unit capacit y bet w een 0 – 10%~100% by ext ernal input 0~10VDC signal.
Dry contact signal is used to cont rol outdoor unit to work in cooling or heat ing mode.
The installat ion and operat ion of outdoor unit as well cont roller must be done according to t he manuals (i.e. User ‘s manual, Installat ion manual, Technical Specificat ion, Service M anual).
Specification and packing list
| Model | FRIAHUKZ-LCAC-01 | |
| Casing | Plastic | |
| Dimension (h x w x d) | 61 x100 x191mm | |
| Weight | 0.4KG | |
| Operation Temperature Range | -25 — +45 C | |
| Operation Humidity Range | 40-90 % | |
| Power Supply | 230VAC, 1 Phase, 50/60Hz | |
| Voltage Range | 208-240V | |
| Fuse | 15A, 250V | |
| Resistance class | IP54 | |
| Packing list | Box body | 1 piece |
| Box cover | 1 piece | |
| Anti-water seal between box body and box cover | 1 piece | |
| Temp sensor | 1 piece | |
| Gland | 3 pieces | |
| Manual | 1 piece | |
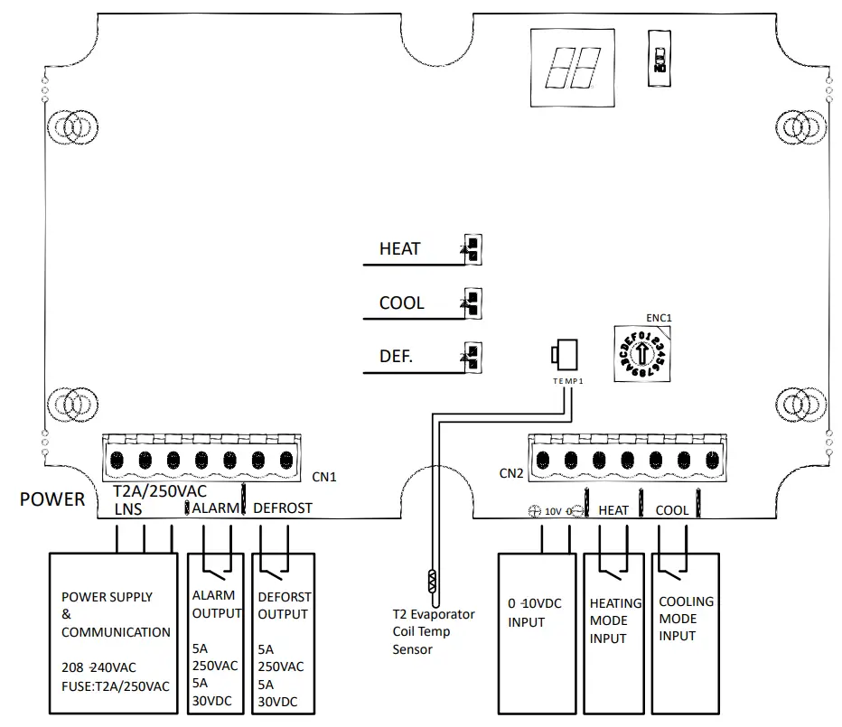
System design

Function and Setting

Connection Terminal Introduction:
L, N, S–-Power Supply and communicat ion w it h outdoor unit 230V,1-phase, 50Hz. Cable dimension 3×1.0 mm2.
ALARM —digit al out put 5A-250VAC or 5A-30VDC. W hen outdoor unit has malfunct ion signal is act ivated.
DEFROST-–digit al out put 5A-250VAC or 5A-30VDC. When outdoor unit is in defrost mode is act ivated.
TEM P1-— T2 temp sensor (evaporator coil temperat ure sensor) terminal. Temp sensor must be placed at middle of heat changer.
0-10V–-Analog input terminal to cont rol outdoor unit capacity.
| Analog input | Capacity output | LED display |
| 0-0.5V | 0% | None(Unit stopped) |
| 0.5-1.5V | 10% | digit 1 |
| 1.5-2.5V | 20% | digit 2 |
| 2.5-3.5V | 30% | digit 3 |
| 3.5-4.5V | 40% | digit 4 |
| 4.5-5.5V | 50% | digit 5 |
| 5.5-6.5V | 60% | digit 6 |
| 6.5-7.5V | 70% | digit 7 |
| 7.5-8.5V | 80% | digit 8 |
| 8.5-9.5V | 90% | digit 9 |
| 9.5-10.5V | 100% | digit 10 |
Warning:
Negative(0/-) and Positive(10/+) terminals can not be mixed, otherwise it may destroy this control module. Signal input can not exceed 10.5VDC, otherwise it may destroy this control module.
COOL—Digital input. When terminals are closed, the unit will run in cooling mode and “COOL” LED will be on. Terminal A is Positive(+) and terminal B is Negative(-)
HEAT-–Digital input . When terminals are closed, t he unit w ill run in heat ing mode and ” HEAT” LED w ill be on.Terminal C is Posit ive(+) and terminal D is Negat ive(-)
Note: Terminal B and D are connected as one Negat ive(-), so 3 cables to cont rol cooling/ heat ing are feasible.
ENC1 – knob for mult i split connect ion to select indoor unit capacit y. This knob is for mult i indoor unit s connect ion only. This knob w ill not work at one indoor to one outdoor connect ion.
| Knob selection | Indoor unit capacity |
| 0 | 2,0 kW unit |
| 1 | 2,6 kW unit |
| 2 | 3,2kW unit |
| 3 | 3,5 kW unit |
| 4 | 5,3 kW unit |
| 5 | 7,1 kW unit |
| 6 | 7,1 kW unit |
| 7 | 9,0 kW unit |
| 8 | 10,5 kW unit |
| 9 | 14,0 kW unit |
| A-F | 16,0 kW unit |
LED lamps introduction:
HEAT LED is lightened w hen t he unit is operat ing in heat ing m ode.
COOL LED is lightened w hen t he unit is operat ing in cooling m ode.
DEF LED is light ened w hen unit is in defrost mode
Malfunction and Error Code
| Error Code | Malfunction or Protection |
| E1 | communication error with outdoor unit. |
| E5 | evaporator coil temperature sensor T2 malfunction |
| F0 | current overload protection |
| F1 | outdoor unit ambient temperature sensor T4 malfunction |
| F2 | outdoor unit condenser pipe temperature sensor T3 malfunction |
| F3 | outdoor unit compressor discharge temperature sensor TP malfunction |
| F4 | outdoor unit EEPROM parameter error |
| F5 | outdoor unit fan speed is operating outside of the normal range |
| F6 | outdoor unit T2b temperature sensor malfunction |
| P0 | IPM malfunction or IGBT over-strong current protection |
| P1 | over voltage or over low voltage protection |
| P2 | top temperature protection of compressor |
| P3 | outdoor low temperature protection |
| P4 | compressor protection or malfunction |
| – | multi split indoor units cooling/heating mode conflict |
| P6 | low pressure protection of compressor |
For troubleshooting, please refer to outdoor unit factory technical manual and solution.
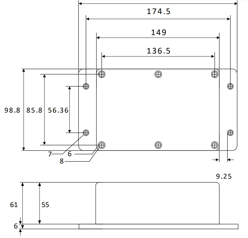
Dimensions(mm)
Appendix 1 Temperature Sensor Resistance Value Table (°C–K)
| °C | K Ohm | °C | K Ohm | °C | K Ohm | °C | K Ohm |
| 20 | 115.266 | 20 | 12.6431 | 60 | 2.35774 | 100 | 0.62973 |
| -19 | 108.146 | 21 | 12.0561 | 61 | 2.27249 | 101 | 0.61148 |
| -18 | 101.517 | 22 | 11.5 | 62 | 2.19073 | 102 | 0.59386 |
| -17 | 96.3423 | 23 | 10.9731 | 63 | 2.11241 | 103 | 0.57683 |
| -16 | 89.5865 | 24 | 10.4736 | 64 | 2.03732 | 104 | 0.56038 |
| -15 | 84.219 | 25 | 10 | 65 | 1.96532 | 105 | 0.54448 |
| -14 | 79.311 | 26 | 9.55074 | 66 | 1.89627 | 106 | 0.52912 |
| -13 | 74.536 | 27 | 9.12445 | 67 | 1.83003 | 107 | 0.51426 |
| -12 | 70.1698 | 28 | 8.71983 | 68 | 1.76647 | 108 | 0.49989 |
| -11 | 66.0898 | 29 | 8.33566 | 69 | 1.70547 | 109 | 0.486 |
| -10 | 62.2756 | 30 | 7.97078 | 70 | 1.64691 | 110 | 0.47256 |
| -9 | 58.7079 | 31 | 7.62411 | 71 | 1.59068 | 111 | 0.45957 |
| -8 | 56.3694 | 32 | 7.29464 | 72 | 1.53668 | 112 | 0.44699 |
| -7 | 52.2438 | 33 | 6.98142 | 73 | 1.48481 | 113 | 0.43482 |
| -6 | 49.3161 | 34 | 6.68355 | 74 | 1.43498 | 114 | 0.42304 |
| -5 | 46.5725 | 35 | 6.40021 | 75 | 1.38703 | 115 | 0.41164 |
| -4 | 44 | 36 | 6.13059 | 76 | 1.34105 | 116 | 0.4006 |
| -3 | 41.5878 | 37 | 5.87359 | 77 | 1.29078 | 117 | 0.38991 |
| -2 | 39.8239 | 38 | 5.62961 | 78 | 1.25423 | 118 | 0.37956 |
| -1 | 37.1988 | 39 | 5.39689 | 79 | 1.2133 | 119 | 0.36954 |
| 0 | 35.2024 | 40 | 5.17519 | 80 | 1.17393 | 120 | 0.35982 |
| 1 | 33.3269 | 41 | 4.96392 | 81 | 1.13604 | 121 | 0.35042 |
| 2 | 31.5635 | 42 | 4.76253 | 82 | 1.09958 | 122 | 0.3413 |
| 3 | 29.9058 | 43 | 4.5705 | 83 | 1.06448 | 123 | 0.33246 |
| 4 | 28.3459 | 44 | 4.38736 | 84 | 1.03069 | 124 | 0.3239 |
| 5 | 26.8778 | 45 | 4.21263 | 85 | 0.99815 | 125 | 0.31559 |
| 6 | 25.4954 | 46 | 4.04589 | 86 | 0.96681 | 126 | 0.30754 |
| 7 | 24.1932 | 47 | 3.88673 | 87 | 0.93662 | 127 | 0.29974 |
| 8 | 22.5662 | 48 | 3.73476 | 88 | 0.90753 | 128 | 0.29216 |
| 9 | 21.8094 | 49 | 3.58962 | 89 | 0.8795 | 129 | 0.28482 |
| 10 | 20.7184 | 50 | 3.45097 | 90 | 0.85248 | 130 | 0.2777 |
| 11 | 19.6891 | 51 | 3.31847 | 91 | 0.82643 | 131 | 0.27078 |
| 12 | 18.7177 | 52 | 3.19183 | 92 | 0.80132 | 132 | 0.26408 |
| 13 | 17.8005 | 53 | 3.07075 | 93 | 0.77709 | 133 | 0.25757 |
| 14 | 16.9341 | 54 | 2.95896 | 94 | 0.75373 | 134 | 0.25125 |
| 15 | 16.1156 | 55 | 2.84421 | 95 | 0.73119 | 135 | 0.24512 |
| 16 | 15.3418 | 56 | 2.73823 | 96 | 0.70944 | 136 | 0.23916 |
| 17 | 14.6181 | 57 | 2.63682 | 97 | 0.68844 | 137 | 0.23338 |
| 18 | 13.918 | 58 | 2.53973 | 98 | 0.66818 | 138 | 0.22776 |
| 19 | 13.2631 | 59 | 2.44677 | 99 | 0.64862 | 139 | 0.22231 |
Oficina Central
Blasco de Garay, 4-6
08960 Sant Just Desvern Barcelona
Tel: +34 93 480 33 22
http://vvvvw.frigicoll.es
Frigicoll France SARL
Parc Silic-Immeuble Panama
45 rue de Villeneuve
94150 Rungis
Tel. +33 9 80 80 15 14
http://wvvvv.frigicoll.es/fr


















